вконтакте

Контактный телефон: +7 (981) 121-46-93, +7 (800) 200-90-76 , Email: parts-katalog@yandex.ru, где купить

 
 

  Логин:

Пароль:

Регистрация

www.partskatalog.ru Все каталоги Запчасти Mercury Запчасти Suzuki Запчасти Tohatsu Запчасти Honda Контакты



УВАЖАЕМЫЕ КЛИЕНТЫ!
C 19 ДЕКАБРЯ 2025 ПО 02 МАРТА 2026 ГОДА ОТДЕЛ ЗАПЧАСТЕЙ И СЕРВИС РАБОТАТЬ НЕ БУДУТ
ПРОДАЖА ЛОДОЧНЫХ МОТОРОВ В ШТАТНОМ РЕЖИМЕ
ОБ ИЗМЕНЕНИЯХ В ГРАФИКЕ РАБОТЫ ЧИТАЙТЕ НА САЙТА




Вернуться к началу выбора


Тип двигателя: четырёхтактный

Модель двигателя: Honda BF25A1

Модификация Вашего двигателя:   Honda BF25A1 LHC
Модели с серийным номером двигателя от BAJE-2000001 до BAJE-2999999
Модели с серийным номером рамы от BAJS-3210001 до BAJS-3219999

РЕЖИМЫ ПРОСМОТРА

Все узлы и детали

Двигатель

Внешние части


   Выберите раздел

найти расходники на лодочные моторы Suzuki

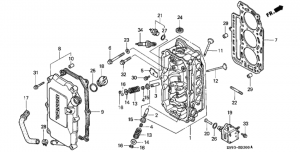
Головка блока цилиндра (Cylinder Head)

Головка блока цилиндра (Cylinder Head)

Блок цилиндра (Cylinder Block)

Блок цилиндра (Cylinder Block)

Масляный насос (Oil Pump)

Масляный насос (Oil Pump)

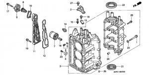
Масляный поддон (Oil Pan)

Масляный поддон (Oil Pan)

Коленвал (Crankshaft)

Коленвал (Crankshaft)

Распределительный вал (Camshaft)

Распределительный вал (Camshaft)

Барабанный стартер (Recoil Starter)

Барабанный стартер (Recoil Starter)

Ремень распредвала (Timing Belt)

Ремень распредвала (Timing Belt)

Карбюратор (Carburetor)

Карбюратор (Carburetor)

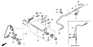
Тяга дросселя (Throttle Rod)

Тяга дросселя (Throttle Rod)

Корпус глушителя (Silencer Cover)

Корпус глушителя (Silencer Cover)

Маховик (Flywheel)

Маховик (Flywheel)

Катушка зажигания (Ignition Coil)

Катушка зажигания (Ignition Coil)

Двигатель стартера (Starter Motor)

Двигатель стартера (Starter Motor)

Комплект прокладок (Gasket Kit)

Комплект прокладок (Gasket Kit)

Румпель (Steering Handle)

Румпель (Steering Handle)

Переключающий вал (Shift Shaft)

Переключающий вал (Shift Shaft)

Картер коробки передач (Gear Case)

Картер коробки передач (Gear Case)

Картер коробки передач в сборе. (Gear Case Assy.)

Картер коробки передач в сборе. (Gear Case Assy.)

Водяной насос (Water Pump)

Водяной насос (Water Pump)

Гребной винт (Propeller)

Гребной винт (Propeller)

Топливный бак (Fuel Tank)

Топливный бак (Fuel Tank)

Регулятор (Regulator)

Регулятор (Regulator)

Катушка зажигания / Блок управления C.D.I. (Ignition Coil / C.d.i. Unit)

Катушка зажигания / Блок управления C.D.I. (Ignition Coil / C.d.i. Unit)

Крышка двигателя (капот) (Engine Cover)

Крышка двигателя (капот) (Engine Cover)

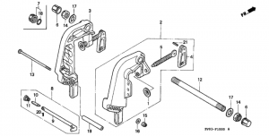
Кронштейн транца (Stern Bracket)

Кронштейн транца (Stern Bracket)

Поворотный корпус (Swivel Case)

Поворотный корпус (Swivel Case)

Дистанционное управление (Remote Control)

Дистанционное управление (Remote Control)

Маркировка (Mark)

Маркировка (Mark)

Инструмент (Tool)

Инструмент (Tool)

Прибор (Meter)

Прибор (Meter)

Комплект для установки зарядной розетки (6a) (Charge Receptacle Kit (6a))

Комплект для установки зарядной розетки (6a) (Charge Receptacle Kit (6a))

Комплект для установки зарядной розетки (10a) (Charge Receptacle Kit (10a))

Комплект для установки зарядной розетки (10a) (Charge Receptacle Kit (10a))

Комплект для установки мотора на лодку (Outboard Installation Kit)

Комплект для установки мотора на лодку (Outboard Installation Kit)

Наборы для ремонта водяного насоса (Pump Impeller Kit)

Наборы для ремонта водяного насоса (Pump Impeller Kit)

Наборы для ремонта водяного насоса (Water Pump Impeller Kit)

Наборы для ремонта водяного насоса (Water Pump Impeller Kit)

Дистанционное управление (одинарное, правое, монтаж сверху) (Remote Control (top Mount Single Type) (right))

Дистанционное управление (одинарное, правое, монтаж сверху) (Remote Control (top Mount Single Type) (right))

Дистанционное управление (одинарное, левое, монтаж сверху) (Remote Control (top Mount Single Type) (left))

Дистанционное управление (одинарное, левое, монтаж сверху) (Remote Control (top Mount Single Type) (left))

Дистанционное управление (двойное, правое, монтаж сверху) (Remote Control (top Mount Dual Type) (right))

Дистанционное управление (двойное, правое, монтаж сверху) (Remote Control (top Mount Dual Type) (right))

Дистанционное управление (сдвойное, монтаж сверху) (левый) (Remote Control (top Mount Dual Type) (left))

Дистанционное управление (сдвойное, монтаж сверху) (левый) (Remote Control (top Mount Dual Type) (left))

Дистанционное управление (правое, монтаж сверху) (Remote Control (top Mountnt Type) (right))

Дистанционное управление (правое, монтаж сверху) (Remote Control (top Mountnt Type) (right))

Дистанционное управление (левое, монтаж заподлицо) (Remote Control (flush Mount Type) (left))

Дистанционное управление (левое, монтаж заподлицо) (Remote Control (flush Mount Type) (left))

Кабели под одинарное ДУ (Cable (single))

Кабели под одинарное ДУ (Cable (single))

Кабели под сдвоенное ДУ (Cable (dual))

Кабели под сдвоенное ДУ (Cable (dual))

Панель управления / Выключатели освещения (Control Panel / Light Switch Kit)

Панель управления / Выключатели освещения (Control Panel / Light Switch Kit)

Комплекты приборов (Meter Kit)

Комплекты приборов (Meter Kit)

Чехол двигателя (Engine Cover Kit)

Чехол двигателя (Engine Cover Kit)

Комплект болтов (Bolt Kit)

Комплект болтов (Bolt Kit)

tohatsu

 
 

данный сайт носит информационный характер и не является публичной офертой

склад запчастей для водомоторной техники