вконтакте

Контактный телефон: +7 (981) 121-46-93, +7 (800) 200-90-76 , Email: parts-katalog@yandex.ru, где купить

 
 

  Логин:

Пароль:

Регистрация

www.partskatalog.ru Все каталоги Запчасти Mercury Запчасти Suzuki Запчасти Tohatsu Запчасти Honda Контакты



УВАЖАЕМЫЕ КЛИЕНТЫ!
C 19 ДЕКАБРЯ 2025 ПО 02 МАРТА 2026 ГОДА ОТДЕЛ ЗАПЧАСТЕЙ И СЕРВИС РАБОТАТЬ НЕ БУДУТ
ПРОДАЖА ЛОДОЧНЫХ МОТОРОВ В ШТАТНОМ РЕЖИМЕ
ОБ ИЗМЕНЕНИЯХ В ГРАФИКЕ РАБОТЫ ЧИТАЙТЕ НА САЙТА




Вернуться к началу выбора


Тип двигателя: четырёхтактный

Модель двигателя: Honda BF30D4

Модификация Вашего двигателя:   Honda BF30D4 SBSD
Модели с серийным номером двигателя от BEAUJ-1000001 до BEAUJ-
Модели с серийным номером рамы от BAUJ-1000001 до BAUJ-

РЕЖИМЫ ПРОСМОТРА

Все узлы и детали

Двигатель

Внешние части


   Выберите раздел

найти расходники на лодочные моторы Suzuki

Головка блока цилиндра (Cylinder Head)

Головка блока цилиндра (Cylinder Head)

Блок цилиндра (Cylinder Block)

Блок цилиндра (Cylinder Block)

Масляный насос (Oil Pump)

Масляный насос (Oil Pump)

Масляный поддон (Oil Pan)

Масляный поддон (Oil Pan)

Коленвал / Поршень (Crankshaft / Piston)

Коленвал / Поршень (Crankshaft / Piston)

Распределительный вал (1) (Camshaft (1))

Распределительный вал (1) (Camshaft (1))

Распределительный вал (2) (Camshaft (2))

Распределительный вал (2) (Camshaft (2))

Барабанный стартер (Recoil Starter)

Барабанный стартер (Recoil Starter)

Ремень распредвала (Timing Belt)

Ремень распредвала (Timing Belt)

Карбюратор в сборе. (Carburetor Assy.)

Карбюратор в сборе. (Carburetor Assy.)

Трубопроводы карбюратора (Carburetor Tubing)

Трубопроводы карбюратора (Carburetor Tubing)

Тяга дросселя (Throttle Rod)

Тяга дросселя (Throttle Rod)

Корпус глушителя (Silencer Cover)

Корпус глушителя (Silencer Cover)

Маховик (Flywheel)

Маховик (Flywheel)

Блок управления C.D.I. (C.d.i. Unit)

Блок управления C.D.I. (C.d.i. Unit)

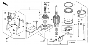
Двигатель стартера (Starter Motor)

Двигатель стартера (Starter Motor)

Румпель (1) (Steering Handle (1))

Румпель (1) (Steering Handle (1))

Румпель (2) (Steering Handle (2))

Румпель (2) (Steering Handle (2))

Переключающий вал (Shift Shaft)

Переключающий вал (Shift Shaft)

Удлинение корпуса (Extension Case)

Удлинение корпуса (Extension Case)

Картер коробки передач в сборе. (Gear Case Assy.)

Картер коробки передач в сборе. (Gear Case Assy.)

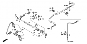
Водяной насос (Water Pump)

Водяной насос (Water Pump)

Вал гребного винта / Гребной винт (Propeller Shaft / Propeller)

Вал гребного винта / Гребной винт (Propeller Shaft / Propeller)

Топливный бак (Fuel Tank)

Топливный бак (Fuel Tank)

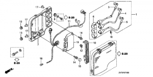
Регулятор (1) (Regulator (1))

Регулятор (1) (Regulator (1))

Регулятор (2) (Regulator (2))

Регулятор (2) (Regulator (2))

Катушка зажигания / Блок управления C.D.I. (Ignition Coil / C.d.i. Unit)

Катушка зажигания / Блок управления C.D.I. (Ignition Coil / C.d.i. Unit)

Прибор (Meter)

Прибор (Meter)

Крышка двигателя (капот) / Под корпусом (Engine Cover / Under Case)

Крышка двигателя (капот) / Под корпусом (Engine Cover / Under Case)

Кронштейн транца (1) (Stern Bracket (1))

Кронштейн транца (1) (Stern Bracket (1))

Кронштейн транца (2) (Stern Bracket (2))

Кронштейн транца (2) (Stern Bracket (2))

Поворотный корпус (1) (Swivel Case (1))

Поворотный корпус (1) (Swivel Case (1))

Поворотный корпус (2) (Swivel Case (2))

Поворотный корпус (2) (Swivel Case (2))

Демпфер (Damper)

Демпфер (Damper)

Механизированный дифферент наклона (Power Trim Tilt)

Механизированный дифферент наклона (Power Trim Tilt)

Наклейки (Label)

Наклейки (Label)

Инструмент (Tool)

Инструмент (Tool)

Дистанционное управление (Remote Control)

Дистанционное управление (Remote Control)

Прибор (Meter)

Прибор (Meter)

Комплекты приборов (Meter Kit)

Комплекты приборов (Meter Kit)

Комплект для установки зарядной розетки (6a) (Charge Receptacle Kit (6a))

Комплект для установки зарядной розетки (6a) (Charge Receptacle Kit (6a))

Комплект для установки зарядной розетки (10a) (Charge Receptacle Kit (10a))

Комплект для установки зарядной розетки (10a) (Charge Receptacle Kit (10a))

Комплект для установки мотора на лодку (Outboard Installation Kit)

Комплект для установки мотора на лодку (Outboard Installation Kit)

Наборы для ремонта водяного насоса (Water Pump Impeller Kit)

Наборы для ремонта водяного насоса (Water Pump Impeller Kit)

Дистанционное управление (одинарное, правое, монтаж сверху) (Remote Control (top Mount Single Type) (right))

Дистанционное управление (одинарное, правое, монтаж сверху) (Remote Control (top Mount Single Type) (right))

Дистанционное управление (одинарное, левое, монтаж сверху) (Remote Control (top Mount Single Type) (left))

Дистанционное управление (одинарное, левое, монтаж сверху) (Remote Control (top Mount Single Type) (left))

Дистанционное управление (двойное, правое, монтаж сверху) (Remote Control (top Mount Dual Type) (right))

Дистанционное управление (двойное, правое, монтаж сверху) (Remote Control (top Mount Dual Type) (right))

Дистанционное управление (сдвойное, монтаж сверху) (левый) (Remote Control (top Mount Dual Type) (left))

Дистанционное управление (сдвойное, монтаж сверху) (левый) (Remote Control (top Mount Dual Type) (left))

Дистанционное управление (правое, монтаж заподлицо) (Remote Control (flush Mount Type) (right))

Дистанционное управление (правое, монтаж заподлицо) (Remote Control (flush Mount Type) (right))

Дистанционное управление (левое, монтаж заподлицо) (Remote Control (flush Mount Type) (left))

Дистанционное управление (левое, монтаж заподлицо) (Remote Control (flush Mount Type) (left))

Кабели под одинарное ДУ (Cable (single))

Кабели под одинарное ДУ (Cable (single))

Кабели под сдвоенное ДУ (Cable (dual))

Кабели под сдвоенное ДУ (Cable (dual))

Контрольная панель, комплект (Control Panel Kit)

Контрольная панель, комплект (Control Panel Kit)

Комплект болтов (Bolt Kit)

Комплект болтов (Bolt Kit)

Крышка двигателя (капот) (Engine Cover)

Крышка двигателя (капот) (Engine Cover)

Комплект соединений для водяных трубок (Water Hose Joint Kit)

Комплект соединений для водяных трубок (Water Hose Joint Kit)

Румпель, установочный комплект (Steering Handle Kit)

Румпель, установочный комплект (Steering Handle Kit)

tohatsu

 
 

данный сайт носит информационный характер и не является публичной офертой

склад запчастей для водомоторной техники