вконтакте

Контактный телефон: +7 (981) 121-46-93, +7 (800) 200-90-76 , Email: parts-katalog@yandex.ru, где купить

 
 

  Логин:

Пароль:

Регистрация

www.partskatalog.ru Все каталоги Запчасти Mercury Запчасти Suzuki Запчасти Tohatsu Запчасти Honda Контакты



УВАЖАЕМЫЕ КЛИЕНТЫ!
C 19 ДЕКАБРЯ 2025 ПО 02 МАРТА 2026 ГОДА ОТДЕЛ ЗАПЧАСТЕЙ И СЕРВИС РАБОТАТЬ НЕ БУДУТ
ПРОДАЖА ЛОДОЧНЫХ МОТОРОВ В ШТАТНОМ РЕЖИМЕ
ОБ ИЗМЕНЕНИЯХ В ГРАФИКЕ РАБОТЫ ЧИТАЙТЕ НА САЙТА




Вернуться к началу выбора


Тип двигателя: четырёхтактный

Модель двигателя: Honda BF130A3

Модификация Вашего двигателя:   Honda BF130A3 LC
Модели с серийным номером двигателя от BEBE-1000001 до BEBE-9999999
Модели с серийным номером рамы от BZBE-1400001 до BZBE-1499999

РЕЖИМЫ ПРОСМОТРА

Все узлы и детали

Двигатель

Внешние части


   Выберите раздел

найти расходники на лодочные моторы Suzuki

Крышка головки цилиндра (Cylinder Head Cover)

Крышка головки цилиндра (Cylinder Head Cover)

Блок цилиндра (Cylinder Block)

Блок цилиндра (Cylinder Block)

Термостат (Thermostat)

Термостат (Thermostat)

Масляный насос / Выхлопная труба (Oil Pump / Exhaust Pipe)

Масляный насос / Выхлопная труба (Oil Pump / Exhaust Pipe)

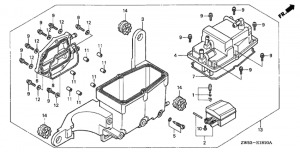
Масляный поддон (Oil Pan)

Масляный поддон (Oil Pan)

Коленвал / Поршень (Crankshaft / Piston)

Коленвал / Поршень (Crankshaft / Piston)

Распределительный вал / Головка блока цилиндра (Camshaft / Cylinder Head)

Распределительный вал / Головка блока цилиндра (Camshaft / Cylinder Head)

Балансирующий вал (Balancer Shaft)

Балансирующий вал (Balancer Shaft)

Ремень распредвала (Timing Belt)

Ремень распредвала (Timing Belt)

Кожух ремня распредвала (Timing Belt Cover)

Кожух ремня распредвала (Timing Belt Cover)

Впускной коллектор (Intake Manifold)

Впускной коллектор (Intake Manifold)

Дроссель газа (Throttle Body)

Дроссель газа (Throttle Body)

Топливный насос / Топливные трубки (Fuel Pump / Fuel Pipe)

Топливный насос / Топливные трубки (Fuel Pump / Fuel Pipe)

Водоотделитель / Топливные трубки (Water Separator / Fuel Pipe)

Водоотделитель / Топливные трубки (Water Separator / Fuel Pipe)

Пароотделитель (1) (Vapor Separator (1))

Пароотделитель (1) (Vapor Separator (1))

Пароотделитель (2) (Vapor Separator (2))

Пароотделитель (2) (Vapor Separator (2))

Генератор переменного тока (A.c. Generator)

Генератор переменного тока (A.c. Generator)

Катушка зажигания / Блок управления C.D.I. (Ignition Coil / C.d.i. Unit)

Катушка зажигания / Блок управления C.D.I. (Ignition Coil / C.d.i. Unit)

Двигатель стартера (Starter Motor)

Двигатель стартера (Starter Motor)

Комплект прокладок (Gasket Kit)

Комплект прокладок (Gasket Kit)

Переключающий вал (Shift Shaft)

Переключающий вал (Shift Shaft)

Картер коробки передач (Gear Case)

Картер коробки передач (Gear Case)

Картер коробки передач в сборе. (Gear Case Assy.)

Картер коробки передач в сборе. (Gear Case Assy.)

Удлинение корпуса (Extension Case)

Удлинение корпуса (Extension Case)

Водяной насос / Вертикальный вал (Water Pump / Vertical Shaft)

Водяной насос / Вертикальный вал (Water Pump / Vertical Shaft)

Вал гребного винта (1) (Propeller Shaft (1))

Вал гребного винта (1) (Propeller Shaft (1))

Вал гребного винта (2) (обратное вращение) (Propeller Shaft (2) (counter Rotation))

Вал гребного винта (2) (обратное вращение) (Propeller Shaft (2) (counter Rotation))

Топливный бак (Fuel Tank)

Топливный бак (Fuel Tank)

Управляющие кабели (Control Cable)

Управляющие кабели (Control Cable)

Кабель стартера (Starter Cable)

Кабель стартера (Starter Cable)

Струбцина (край шланга) (Clamp (hose Side))

Струбцина (край шланга) (Clamp (hose Side))

Струбцина (со стороны предохранителя) (Clamp (fuse Side))

Струбцина (со стороны предохранителя) (Clamp (fuse Side))

Спидометр / Тахометр (Speedometer / Tachometer)

Спидометр / Тахометр (Speedometer / Tachometer)

Крышка двигателя (капот) (Engine Cover)

Крышка двигателя (капот) (Engine Cover)

Под корпусом (Under Case)

Под корпусом (Under Case)

Крепёж корпуса (Mount Case)

Крепёж корпуса (Mount Case)

Кронштейн транца / Поворотный корпус (Stern Bracket / Swivel Case)

Кронштейн транца / Поворотный корпус (Stern Bracket / Swivel Case)

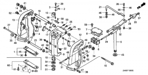
Механизированный дифферент наклона (Power Trim-tilt)

Механизированный дифферент наклона (Power Trim-tilt)

Наклейки (Label)

Наклейки (Label)

Инструмент (Tool)

Инструмент (Tool)

Панель управления (Control Panel)

Панель управления (Control Panel)

Дистанционное управление (монтаж сбоку) (Remote Control (side Mount))

Дистанционное управление (монтаж сбоку) (Remote Control (side Mount))

Наборы для ремонта водяного насоса (Water Pump Impeller Kit)

Наборы для ремонта водяного насоса (Water Pump Impeller Kit)

Наборы для ремонта водяного насоса (1) (Impeller Pump Kit (1))

Наборы для ремонта водяного насоса (1) (Impeller Pump Kit (1))

Наборы для ремонта водяного насоса (2) (Impeller Pump Kit (2))

Наборы для ремонта водяного насоса (2) (Impeller Pump Kit (2))

Дистанционное управление (одинарное, правое, монтаж сверху) (Remote Control (top Mount Single Type) (right))

Дистанционное управление (одинарное, правое, монтаж сверху) (Remote Control (top Mount Single Type) (right))

Дистанционное управление (одинарное, левое, монтаж сверху) (Remote Control (top Mount Single Type) (left))

Дистанционное управление (одинарное, левое, монтаж сверху) (Remote Control (top Mount Single Type) (left))

Дистанционное управление (двойное, правое, монтаж сверху) (Remote Control (top Mount Dual Type) (right))

Дистанционное управление (двойное, правое, монтаж сверху) (Remote Control (top Mount Dual Type) (right))

Дистанционное управление (сдвойное, монтаж сверху) (левый) (Remote Control (top Mount Dual Type) (left))

Дистанционное управление (сдвойное, монтаж сверху) (левый) (Remote Control (top Mount Dual Type) (left))

Дистанционное управление (правое, монтаж заподлицо) (Remote Control (flush Mount Type) (right))

Дистанционное управление (правое, монтаж заподлицо) (Remote Control (flush Mount Type) (right))

Дистанционное управление (левое, монтаж заподлицо) (Remote Control (flush Mount Type) (left))

Дистанционное управление (левое, монтаж заподлицо) (Remote Control (flush Mount Type) (left))

Дистанционное управление (одинарное, монтаж сверху) (Remote Control (top Mount Single Type))

Дистанционное управление (одинарное, монтаж сверху) (Remote Control (top Mount Single Type))

Дистанционное управление (сдвойное, монтаж сверху) (Remote Control (top Mount Dual Type))

Дистанционное управление (сдвойное, монтаж сверху) (Remote Control (top Mount Dual Type))

Дистанционное управление (panel mount) (Remote Control (panel Mount))

Дистанционное управление (panel mount) (Remote Control (panel Mount))

Внутренности машинки газ-реверс (Inner Housing)

Внутренности машинки газ-реверс (Inner Housing)

Кабели под одинарное ДУ (Cable (single))

Кабели под одинарное ДУ (Cable (single))

Кабели под сдвоенное ДУ (Cable (dual))

Кабели под сдвоенное ДУ (Cable (dual))

Панель управления / Выключатели освещения (Control Panel / Light Switch Kit)

Панель управления / Выключатели освещения (Control Panel / Light Switch Kit)

Комплекты приборов / Провода для приборов (Meter Kit / Meter Harness)

Комплекты приборов / Провода для приборов (Meter Kit / Meter Harness)

Комплекты приборов (цифровые) (Meter Kit (digital))

Комплекты приборов (цифровые) (Meter Kit (digital))

Чехол двигателя (Engine Cover Kit)

Чехол двигателя (Engine Cover Kit)

Комплект болтов (Bolt Kit)

Комплект болтов (Bolt Kit)

Гребной винт (Propeller)

Гребной винт (Propeller)

tohatsu

 
 

данный сайт носит информационный характер и не является публичной офертой

склад запчастей для водомоторной техники