вконтакте

Контактный телефон: +7 (981) 121-46-93, +7 (800) 200-90-76 , Email: parts-katalog@yandex.ru, где купить

 
 

  Логин:

Пароль:

Регистрация

www.partskatalog.ru Все каталоги Запчасти Mercury Запчасти Suzuki Запчасти Tohatsu Запчасти Honda Контакты



УВАЖАЕМЫЕ КЛИЕНТЫ!
C 19 ДЕКАБРЯ 2025 ПО 02 МАРТА 2026 ГОДА ОТДЕЛ ЗАПЧАСТЕЙ И СЕРВИС РАБОТАТЬ НЕ БУДУТ
ПРОДАЖА ЛОДОЧНЫХ МОТОРОВ В ШТАТНОМ РЕЖИМЕ
ОБ ИЗМЕНЕНИЯХ В ГРАФИКЕ РАБОТЫ ЧИТАЙТЕ НА САЙТА




Вернуться к началу выбора


Тип двигателя: четырёхтактный

Модель двигателя: Honda BF150A4

Модификация Вашего двигателя:   Honda BF150A4 LD
Модели с серийным номером двигателя от BEANJ-1000001 до BEANJ-
Модели с серийным номером рамы от BANJ-1000001 до BANJ-

РЕЖИМЫ ПРОСМОТРА

Все узлы и детали

Двигатель

Внешние части


   Выберите раздел

найти расходники на лодочные моторы Suzuki

Крышка головки цилиндра (Cylinder Head Cover)

Крышка головки цилиндра (Cylinder Head Cover)

Блок цилиндра (Cylinder Block)

Блок цилиндра (Cylinder Block)

Выхлопная труба (Exhaust Pipe)

Выхлопная труба (Exhaust Pipe)

Водяная трубка (Water Hose)

Водяная трубка (Water Hose)

Масляный насос / Маховик (Oil Pump / Flywheel)

Масляный насос / Маховик (Oil Pump / Flywheel)

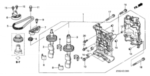
Масляный поддон (Oil Pan)

Масляный поддон (Oil Pan)

Коленвал / Поршень (Crankshaft / Piston)

Коленвал / Поршень (Crankshaft / Piston)

Распределительный вал / Клапан (Camshaft / Valve)

Распределительный вал / Клапан (Camshaft / Valve)

Корпус цепи / Термостат (Chain Case / Thermostat)

Корпус цепи / Термостат (Chain Case / Thermostat)

Головка блока цилиндра (Cylinder Head)

Головка блока цилиндра (Cylinder Head)

Балансирующий вал (Balancer Shaft)

Балансирующий вал (Balancer Shaft)

Ремень генератора постоянного тока (A.c.g. Belt)

Ремень генератора постоянного тока (A.c.g. Belt)

Впускной коллектор / инжектор (Intake Manifold / Injector)

Впускной коллектор / инжектор (Intake Manifold / Injector)

Дроссель газа (Throttle Body)

Дроссель газа (Throttle Body)

Топливный насос / Топливный шланг (Fuel Pump / Fuel Hose)

Топливный насос / Топливный шланг (Fuel Pump / Fuel Hose)

Водоотделитель (Water Separator)

Водоотделитель (Water Separator)

Пароотделитель в сборе. (Vapor Separator Assy.)

Пароотделитель в сборе. (Vapor Separator Assy.)

Генератор переменного тока (A.c. Generator)

Генератор переменного тока (A.c. Generator)

Катушка зажигания / Заглушка (Ignition Coil / Plug)

Катушка зажигания / Заглушка (Ignition Coil / Plug)

Электронный блок управления (Electronic Control Unit)

Электронный блок управления (Electronic Control Unit)

Двигатель стартера (Starter Motor)

Двигатель стартера (Starter Motor)

Переключающий вал (Shift Shaft)

Переключающий вал (Shift Shaft)

Картер коробки передач (Gear Case)

Картер коробки передач (Gear Case)

Картер коробки передач в сборе. (Gear Case Assy.)

Картер коробки передач в сборе. (Gear Case Assy.)

Удлинение корпуса (Extension Case)

Удлинение корпуса (Extension Case)

Водяной насос / Вертикальный вал (Water Pump / Vertical Shaft)

Водяной насос / Вертикальный вал (Water Pump / Vertical Shaft)

Вал гребного винта / Гребной винт (ld / lu / xd / xu) (Propeller Shaft / Propeller (ld / Lu / Xd / Xu))

Вал гребного винта / Гребной винт (ld / lu / xd / xu) (Propeller Shaft / Propeller (ld / Lu / Xd / Xu))

Вал гребного винта / Гребной винт (lcd / lcu / xcd / xcu) (Propeller Shaft / Propeller (lcd / Lcu / Xcd / Xcu))

Вал гребного винта / Гребной винт (lcd / lcu / xcd / xcu) (Propeller Shaft / Propeller (lcd / Lcu / Xcd / Xcu))

Топливный бак (Fuel Tank)

Топливный бак (Fuel Tank)

Жгут проводов (Wire Harness)

Жгут проводов (Wire Harness)

Кабель стартера (Starter Cable)

Кабель стартера (Starter Cable)

Блок предохранителей / реле (Fuse Box / Relay)

Блок предохранителей / реле (Fuse Box / Relay)

Струбцина (Clamp)

Струбцина (Clamp)

Крышка двигателя (капот) в сборе. (Engine Cover Assy.)

Крышка двигателя (капот) в сборе. (Engine Cover Assy.)

Кронштейн передней крышки (Fr. Cover Bracket / Fr. Lock)

Кронштейн передней крышки (Fr. Cover Bracket / Fr. Lock)

Воздуховод глушителя (Silencer Duct)

Воздуховод глушителя (Silencer Duct)

Нижняя часть корпуса (Under Cover)

Нижняя часть корпуса (Under Cover)

Крепёж корпуса (Mount Case)

Крепёж корпуса (Mount Case)

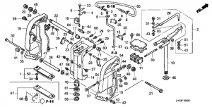
Кронштейн транца / Поворотный корпус (Stern Bracket / Swivel Case)

Кронштейн транца / Поворотный корпус (Stern Bracket / Swivel Case)

Механизированный дифферент наклона (Power Trim-tilt)

Механизированный дифферент наклона (Power Trim-tilt)

Наклейки (Labels)

Наклейки (Labels)

Стандартный инструмент (Tools)

Стандартный инструмент (Tools)

Комплект такелажных шлангов (Rigging Hose Kit)

Комплект такелажных шлангов (Rigging Hose Kit)

Прибор (1) (Meter (1))

Прибор (1) (Meter (1))

Прибор (2) (Meter (2))

Прибор (2) (Meter (2))

Прибор (3) (Meter (3))

Прибор (3) (Meter (3))

Крышка двигателя (капот) (Engine Cover)

Крышка двигателя (капот) (Engine Cover)

Чехол на машинку газ-реверс (Remote Control Cover Kit)

Чехол на машинку газ-реверс (Remote Control Cover Kit)

Кабели под одинарное ДУ (Cable (single))

Кабели под одинарное ДУ (Cable (single))

Кабели под сдвоенное ДУ (Cable (dual))

Кабели под сдвоенное ДУ (Cable (dual))

Панель управления (1) (Control Panel (1))

Панель управления (1) (Control Panel (1))

Панель управления (2) (Control Panel (2))

Панель управления (2) (Control Panel (2))

Установочные пластины регулировки трима (Trim Adjust Plate Set)

Установочные пластины регулировки трима (Trim Adjust Plate Set)

Дистанционное управление (одинарное, правое, монтаж сверху) (Remote Control (top Mount Single Type) (right))

Дистанционное управление (одинарное, правое, монтаж сверху) (Remote Control (top Mount Single Type) (right))

Дистанционное управление (одинарное, левое, монтаж сверху) (Remote Control (top Mount Single Type) (left))

Дистанционное управление (одинарное, левое, монтаж сверху) (Remote Control (top Mount Single Type) (left))

Дистанционное управление (двойное, правое, монтаж сверху) (Remote Control (top Mount Dual Type) (right))

Дистанционное управление (двойное, правое, монтаж сверху) (Remote Control (top Mount Dual Type) (right))

Дистанционное управление (сдвойное, монтаж сверху) (левый) (Remote Control (top Mount Dual Type) (left))

Дистанционное управление (сдвойное, монтаж сверху) (левый) (Remote Control (top Mount Dual Type) (left))

Дистанционное управление (правое, монтаж заподлицо) (Remote Control (flush Mount Type) (right))

Дистанционное управление (правое, монтаж заподлицо) (Remote Control (flush Mount Type) (right))

Дистанционное управление (левое, монтаж заподлицо) (Remote Control (flush Mount Type) (left))

Дистанционное управление (левое, монтаж заподлицо) (Remote Control (flush Mount Type) (left))

Дистанционное управление (Remote Control)

Дистанционное управление (Remote Control)

Комплект болтов (Bolt Kit)

Комплект болтов (Bolt Kit)

Наборы для ремонта водяного насоса (1) (Water Pump Impeller Kit (1))

Наборы для ремонта водяного насоса (1) (Water Pump Impeller Kit (1))

Наборы для ремонта водяного насоса (2) (Water Pump Impeller Kit (2))

Наборы для ремонта водяного насоса (2) (Water Pump Impeller Kit (2))

tohatsu

 
 

данный сайт носит информационный характер и не является публичной офертой

склад запчастей для водомоторной техники