вконтакте

Контактный телефон: +7 (981) 121-46-93, +7 (800) 200-90-76 , Email: parts-katalog@yandex.ru, где купить

 
 

  Логин:

Пароль:

Регистрация

www.partskatalog.ru Все каталоги Запчасти Mercury Запчасти Suzuki Запчасти Tohatsu Запчасти Honda Контакты



УВАЖАЕМЫЕ КЛИЕНТЫ!
C 19 ДЕКАБРЯ 2025 ПО 02 МАРТА 2026 ГОДА ОТДЕЛ ЗАПЧАСТЕЙ И СЕРВИС РАБОТАТЬ НЕ БУДУТ
ПРОДАЖА ЛОДОЧНЫХ МОТОРОВ В ШТАТНОМ РЕЖИМЕ
ОБ ИЗМЕНЕНИЯХ В ГРАФИКЕ РАБОТЫ ЧИТАЙТЕ НА САЙТА




Вернуться к началу выбора


Тип двигателя: четырёхтактный

Модель двигателя: Honda BF225A2

Модификация Вашего двигателя:   Honda BF225A2 LC
Модели с серийным номером двигателя от BEAGJ-1000001 до BEAGJ-1099999
Модели с серийным номером рамы от BAGJ-1000001 до BAGJ-1099999

РЕЖИМЫ ПРОСМОТРА

Все узлы и детали

Двигатель

Внешние части


   Выберите раздел

найти расходники на лодочные моторы Suzuki

Крышка головки цилиндра (Cylinder Head Cover)

Крышка головки цилиндра (Cylinder Head Cover)

Блок цилиндра (Cylinder Block)

Блок цилиндра (Cylinder Block)

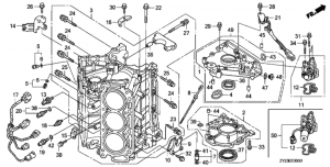
Картер двигателя (Crankcase)

Картер двигателя (Crankcase)

Выхлопной патрубок / Термостат (Exhaust Manifold / Thermostat)

Выхлопной патрубок / Термостат (Exhaust Manifold / Thermostat)

Масляный насос / Маховик (Oil Pump / Flywheel)

Масляный насос / Маховик (Oil Pump / Flywheel)

Масляный поддон (Oil Pan)

Масляный поддон (Oil Pan)

Монтажные болты корпуса (Mount Case Bolt)

Монтажные болты корпуса (Mount Case Bolt)

Коленвал / Поршень (Crankshaft / Piston)

Коленвал / Поршень (Crankshaft / Piston)

Головка блока цилиндра (Cylinder Head)

Головка блока цилиндра (Cylinder Head)

Распределительный вал / Коромысло (Camshaft / Rocker Arm)

Распределительный вал / Коромысло (Camshaft / Rocker Arm)

Ремень распредвала (Timing Belt)

Ремень распредвала (Timing Belt)

Кожух ремня распредвала (Timing Belt Cover)

Кожух ремня распредвала (Timing Belt Cover)

Топливные трубки / инжектор (Fuel Pipe / Injector)

Топливные трубки / инжектор (Fuel Pipe / Injector)

Впускной коллектор (Intake Manifold)

Впускной коллектор (Intake Manifold)

Дроссель газа (Throttle Body)

Дроссель газа (Throttle Body)

Пароотделитель в сборе. (Vapor Separator Assy.)

Пароотделитель в сборе. (Vapor Separator Assy.)

Трубопровод (Piping)

Трубопровод (Piping)

Генератор переменного тока (A.c. Generator)

Генератор переменного тока (A.c. Generator)

Свеча зажигания (Spark Plug)

Свеча зажигания (Spark Plug)

Электронный блок управления (Electronic Control Unit)

Электронный блок управления (Electronic Control Unit)

Двигатель стартера (Starter Motor)

Двигатель стартера (Starter Motor)

Переключающий вал (Shift Shaft)

Переключающий вал (Shift Shaft)

Картер коробки передач (Gear Case)

Картер коробки передач (Gear Case)

Картер коробки передач в сборе. (Gear Case Assy.)

Картер коробки передач в сборе. (Gear Case Assy.)

Удлинение корпуса (Extension Case)

Удлинение корпуса (Extension Case)

Водяной насос / Вертикальный вал (Water Pump / Vertical Shaft)

Водяной насос / Вертикальный вал (Water Pump / Vertical Shaft)

Вал гребного винта (1) (Propeller Shaft (1))

Вал гребного винта (1) (Propeller Shaft (1))

Вал гребного винта (2) (Propeller Shaft (2))

Вал гребного винта (2) (Propeller Shaft (2))

Топливные трубки (Fuel Tube)

Топливные трубки (Fuel Tube)

Жгут проводов (Wire Harness)

Жгут проводов (Wire Harness)

Кабель стартера (1) (Starter Cable (1))

Кабель стартера (1) (Starter Cable (1))

Кабель стартера (2) (Starter Cable (2))

Кабель стартера (2) (Starter Cable (2))

Крышка или колпачок / Кронштейн (Cover / Bracket)

Крышка или колпачок / Кронштейн (Cover / Bracket)

Струбцина (Clamp)

Струбцина (Clamp)

Крышка двигателя (капот) (Engine Cover)

Крышка двигателя (капот) (Engine Cover)

Кронштейн передней крышки / Вал блокировки (Fr. Cover Bracket / Fr. Lock Shaft)

Кронштейн передней крышки / Вал блокировки (Fr. Cover Bracket / Fr. Lock Shaft)

Водоотделитель / Топливный фильтр (Water Separator / Fuel Strainer)

Водоотделитель / Топливный фильтр (Water Separator / Fuel Strainer)

Крепёж корпуса (Mount Case)

Крепёж корпуса (Mount Case)

Кронштейн транца / Поворотный корпус (Stern Bracket / Swivel Case)

Кронштейн транца / Поворотный корпус (Stern Bracket / Swivel Case)

Поворотный корпус в сборе. (Swivel Case Assy.)

Поворотный корпус в сборе. (Swivel Case Assy.)

Механизированный дифферент наклона (Power Trim-tilt)

Механизированный дифферент наклона (Power Trim-tilt)

Наклейки (Label)

Наклейки (Label)

Инструмент (Tool)

Инструмент (Tool)

Панель управления (Control Panel)

Панель управления (Control Panel)

Дистанционное управление (Remote Control)

Дистанционное управление (Remote Control)

Дистанционное управление (одинарное, правое, монтаж сверху) (Remote Control (top Mount Single Type) (right))

Дистанционное управление (одинарное, правое, монтаж сверху) (Remote Control (top Mount Single Type) (right))

Дистанционное управление (одинарное, левое, монтаж сверху) (Remote Control (top Mount Single Type) (left))

Дистанционное управление (одинарное, левое, монтаж сверху) (Remote Control (top Mount Single Type) (left))

Дистанционное управление (двойное, правое, монтаж сверху) (Remote Control (top Mount Dual Type) (right))

Дистанционное управление (двойное, правое, монтаж сверху) (Remote Control (top Mount Dual Type) (right))

Дистанционное управление (сдвойное, монтаж сверху) (левый) (Remote Control (top Mount Dual Type) (left))

Дистанционное управление (сдвойное, монтаж сверху) (левый) (Remote Control (top Mount Dual Type) (left))

Дистанционное управление (правое, монтаж заподлицо) (Remote Control (flush Mount Type) (right))

Дистанционное управление (правое, монтаж заподлицо) (Remote Control (flush Mount Type) (right))

Дистанционное управление (левое, монтаж заподлицо) (Remote Control (flush Mount Type) (left))

Дистанционное управление (левое, монтаж заподлицо) (Remote Control (flush Mount Type) (left))

Кабели под одинарное ДУ (Cable (single))

Кабели под одинарное ДУ (Cable (single))

Кабели под сдвоенное ДУ (Cable (dual))

Кабели под сдвоенное ДУ (Cable (dual))

Комплекты приборов (Meter Kit)

Комплекты приборов (Meter Kit)

Комплекты приборов (цифровые) (Meter Kit (digital))

Комплекты приборов (цифровые) (Meter Kit (digital))

Чехол на машинку газ-реверс (Remote Control Cover Kit)

Чехол на машинку газ-реверс (Remote Control Cover Kit)

Комплект болтов (Bolt Kit)

Комплект болтов (Bolt Kit)

Гребной винт (Propeller)

Гребной винт (Propeller)

Ремкомплекты водяного насоса (комплекты с крыльчаткой) (Water Pump Impeller Set)

Ремкомплекты водяного насоса (комплекты с крыльчаткой) (Water Pump Impeller Set)

Комплект такелажных шлангов (Rigging Hose Kit)

Комплект такелажных шлангов (Rigging Hose Kit)

Установочные пластины регулировки трима (Trim Adjust Plate Set)

Установочные пластины регулировки трима (Trim Adjust Plate Set)

Крышка двигателя (капот) (Engine Cover)

Крышка двигателя (капот) (Engine Cover)

Контрольная панель, комплект (Control Panel Kit)

Контрольная панель, комплект (Control Panel Kit)

tohatsu

 
 

данный сайт носит информационный характер и не является публичной офертой

склад запчастей для водомоторной техники