вконтакте

Контактный телефон: +7 (981) 121-46-93, +7 (800) 200-90-76 , Email: parts-katalog@yandex.ru, где купить

 
 

  Логин:

Пароль:

Регистрация

www.partskatalog.ru Все каталоги Запчасти Mercury Запчасти Suzuki Запчасти Tohatsu Запчасти Honda Контакты



УВАЖАЕМЫЕ КЛИЕНТЫ!
C 19 ДЕКАБРЯ 2025 ПО 02 МАРТА 2026 ГОДА ОТДЕЛ ЗАПЧАСТЕЙ И СЕРВИС РАБОТАТЬ НЕ БУДУТ
ПРОДАЖА ЛОДОЧНЫХ МОТОРОВ В ШТАТНОМ РЕЖИМЕ
ОБ ИЗМЕНЕНИЯХ В ГРАФИКЕ РАБОТЫ ЧИТАЙТЕ НА САЙТА




Вернуться к началу выбора


Тип двигателя: четырёхтактный

Модель двигателя: Honda BF225D

Модификация Вашего двигателя:   Honda BF225D XCDU
Модели с серийным номером двигателя от BEBPJ-1000001 до BEBPJ-9999999
Модели с серийным номером рамы от BBPJ-8000001 до BBPJ-8999999

РЕЖИМЫ ПРОСМОТРА

Все узлы и детали

Двигатель

Внешние части


   Выберите раздел

найти расходники на лодочные моторы Suzuki

E-01 Крышка головки цилиндра (E-01 Cylinder Head Cover)

E-01 Крышка головки цилиндра (E-01 Cylinder Head Cover)

E-03-10 Коленвал (E-03-10 Crankshaft)

E-03-10 Коленвал (E-03-10 Crankshaft)

E-03 Блок цилиндрааа (E-03 Block Cylinder)

E-03 Блок цилиндрааа (E-03 Block Cylinder)

E-04 Выхлопной коллектор / Термостат (E-04 Exhaust Manifold / Thermostat)

E-04 Выхлопной коллектор / Термостат (E-04 Exhaust Manifold / Thermostat)

E-05 Масляный насос / Маховик (E-05 Oil Pump / Flywheel)

E-05 Масляный насос / Маховик (E-05 Oil Pump / Flywheel)

E-06-10 Крепежный Кожух (E-06-10 Mounting Case)

E-06-10 Крепежный Кожух (E-06-10 Mounting Case)

E-06 Поддон масляного картера (E-06 Oil Crankcase Pan)

E-06 Поддон масляного картера (E-06 Oil Crankcase Pan)

E-07 Коленвал / Поршень (E-07 Crankshaft / Piston)

E-07 Коленвал / Поршень (E-07 Crankshaft / Piston)

E-09-10 Распредвал / Качающийся рычаг (E-09-10 Camshaft / Swing Arm)

E-09-10 Распредвал / Качающийся рычаг (E-09-10 Camshaft / Swing Arm)

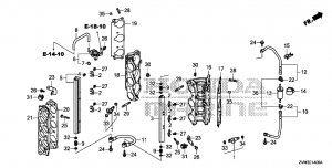
E-09 Головка цилиндра (E-09 Cylinder Barrel)

E-09 Головка цилиндра (E-09 Cylinder Barrel)

E-13-10 Крышка ремня распредвала (E-13-10 Camshaft Belt Cover)

E-13-10 Крышка ремня распредвала (E-13-10 Camshaft Belt Cover)

E-13 Ремень распредвала (E-13 Belt Timing)

E-13 Ремень распредвала (E-13 Belt Timing)

E-14-10 Впускной коллектор (E-14-10 Intake Manifold)

E-14-10 Впускной коллектор (E-14-10 Intake Manifold)

E-14 Топливопровод / Инжектор (E-14 Fuel Line / Injector)

E-14 Топливопровод / Инжектор (E-14 Fuel Line / Injector)

E-15 Корпус дроссельной заслонки (E-15 Throttle Body)

E-15 Корпус дроссельной заслонки (E-15 Throttle Body)

E-18-1 Топливный Сетчатый Фильтр (E-18-1 Fuel Filter Strainer)

E-18-1 Топливный Сетчатый Фильтр (E-18-1 Fuel Filter Strainer)

E-18-10 Трубопровод (E-18-10 Pipe)

E-18-10 Трубопровод (E-18-10 Pipe)

E-18 Пароотделитель в сборе (E-18 Fuel Vapor Separator)

E-18 Пароотделитель в сборе (E-18 Fuel Vapor Separator)

E-19 Генератор переменного тока (E-19 Generator AC)

E-19 Генератор переменного тока (E-19 Generator AC)

E-20-10 Электронный блок управления (E-20-10 Electrical Control Unit)

E-20-10 Электронный блок управления (E-20-10 Electrical Control Unit)

E-20 Свеча (E-20 Spark Plug)

E-20 Свеча (E-20 Spark Plug)

E-21 Двигатель электростартера (E-21 Starter Motor)

E-21 Двигатель электростартера (E-21 Starter Motor)

EOP-1 Gasket Kit (EOP-1 Gasket Kit)

EOP-1 Gasket Kit (EOP-1 Gasket Kit)

F-02-1 Механизм вала переключения (Dbw) (F-02-1 Shift Shaft (Dbw))

F-02-1 Механизм вала переключения (Dbw) (F-02-1 Shift Shaft (Dbw))

F-03-10 Картер коробки передач в сборе (F-03-10 Gear Case Assy)

F-03-10 Картер коробки передач в сборе (F-03-10 Gear Case Assy)

F-03-20 Удлиняющий кожух (F-03-20 Extension Case)

F-03-20 Удлиняющий кожух (F-03-20 Extension Case)

F-03-30 Нижняя крышка (F-03-30 Lower Cover)

F-03-30 Нижняя крышка (F-03-30 Lower Cover)

F-03 Картер (F-03 Crankcase)

F-03 Картер (F-03 Crankcase)

F-04 Водяной насос / Вертикальный вал (F-04 Water Pump/Vertical Shaft)

F-04 Водяной насос / Вертикальный вал (F-04 Water Pump/Vertical Shaft)

F-05-1 Вал гребного винта (обратное вращение) (F-05-1 Propeller Shaft (Reverse rotation))

F-05-1 Вал гребного винта (обратное вращение) (F-05-1 Propeller Shaft (Reverse rotation))

F-06 Топливные трубки (F-06 Fuel Tube)

F-06 Топливные трубки (F-06 Fuel Tube)

F-07-10 Кабель стартёра (F-07-10 Cable Starter)

F-07-10 Кабель стартёра (F-07-10 Cable Starter)

F-07-20 Блок предохранителей / Реле (F-07-20 Fuse Block / Relay)

F-07-20 Блок предохранителей / Реле (F-07-20 Fuse Block / Relay)

F-07 Жгут проводов (F-07 Harness)

F-07 Жгут проводов (F-07 Harness)

F-08 Капот двигателя (F-08 Cover Motor)

F-08 Капот двигателя (F-08 Cover Motor)

F-10 Кронштейн транца / Корпус шарниров (F-10 Stern Bracket / Swivel Case)

F-10 Кронштейн транца / Корпус шарниров (F-10 Stern Bracket / Swivel Case)

F-11 Механизированный дифферент наклонаа (F-11 Trim/Tilt Power Assy)

F-11 Механизированный дифферент наклонаа (F-11 Trim/Tilt Power Assy)

F-12 Этикетка (F-12 Label)

F-12 Этикетка (F-12 Label)

F-16 Кабель (F-16 Cable)

F-16 Кабель (F-16 Cable)

F-18 Привод (F-18 Drive)

F-18 Привод (F-18 Drive)

Fop-1 Монтажный шланг (Fop-1 Mounting Hose)

Fop-1 Монтажный шланг (Fop-1 Mounting Hose)

Fop-10-1 Набор кабелей (2) (Fop-10-1 Cable Kit (2))

Fop-10-1 Набор кабелей (2) (Fop-10-1 Cable Kit (2))

Fop-10-2 Набор кабелей (3) (Fop-10-2 Cable Kit (3))

Fop-10-2 Набор кабелей (3) (Fop-10-2 Cable Kit (3))

Fop-10 Набор кабелей (1) (Fop-10 Cable Kit (1))

Fop-10 Набор кабелей (1) (Fop-10 Cable Kit (1))

Fop-15 Гребной винт (Fop-15 Propeller)

Fop-15 Гребной винт (Fop-15 Propeller)

Fop-17 Комплект сальников редуктора (Fop-17 Gear Case Kit)

Fop-17 Комплект сальников редуктора (Fop-17 Gear Case Kit)

Fop-18-1 Maintenance Kit (400) (Fop-18-1 Maintenance Kit (400))

Fop-18-1 Maintenance Kit (400) (Fop-18-1 Maintenance Kit (400))

Fop-18 Maintenance Kit (200) (Fop-18 Maintenance Kit (200))

Fop-18 Maintenance Kit (200) (Fop-18 Maintenance Kit (200))

Fop-2 Ремкомплект водяного насоса (Fop-2 Repair kit Water Pump)

Fop-2 Ремкомплект водяного насоса (Fop-2 Repair kit Water Pump)

Fop-3-10 Ду (Высоко Установленный Сдвоенный Тип) (Вторая Передача) (Dbw) (Fop-3-10 Double Type Remote Control Top Mount (Вторая Передача) (Dbw))

Fop-3-10 Ду (Высоко Установленный Сдвоенный Тип) (Вторая Передача) (Dbw) (Fop-3-10 Double Type Remote Control Top Mount (Вторая Передача) (Dbw))

Fop-3-11 Ду (тип монтажа - заподлицо) (Main) (Dbw) (Fop-3-11 Remote Control (Flush Mounting, Type) (Main) (Dbw))

Fop-3-11 Ду (тип монтажа - заподлицо) (Main) (Dbw) (Fop-3-11 Remote Control (Flush Mounting, Type) (Main) (Dbw))

Fop-3-14 Ду (тип монтажа - заподлицо) (Вторая Передача) (Dbw) (Fop-3-14 Remote Control (Flush Mounting, Type) (Вторая Передача) (Dbw))

Fop-3-14 Ду (тип монтажа - заподлицо) (Вторая Передача) (Dbw) (Fop-3-14 Remote Control (Flush Mounting, Type) (Вторая Передача) (Dbw))

Fop-3-7 Ду (Высоко Установленный Одиночный Тип) (Main) (Dbw) (Fop-3-7 Single Type Remote Control Top Mount (Main) (Dbw))

Fop-3-7 Ду (Высоко Установленный Одиночный Тип) (Main) (Dbw) (Fop-3-7 Single Type Remote Control Top Mount (Main) (Dbw))

Fop-3-8 Ду (Высоко Установленный Одиночный Тип) (Вторая Передача) (Dbw) (Fop-3-8 Single Type Remote Control Top Mount (Вторая Передача) (Dbw))

Fop-3-8 Ду (Высоко Установленный Одиночный Тип) (Вторая Передача) (Dbw) (Fop-3-8 Single Type Remote Control Top Mount (Вторая Передача) (Dbw))

Fop-3-9 Ду (Высоко Установленный Сдвоенный Тип) (Main) (Dbw) (Fop-3-9 Double Type Remote Control Top Mount (Main) (Dbw))

Fop-3-9 Ду (Высоко Установленный Сдвоенный Тип) (Main) (Dbw) (Fop-3-9 Double Type Remote Control Top Mount (Main) (Dbw))

Fop-4 Блок с автоматическим программным управлением (Fop-4 Unit With Automatic Program Control)

Fop-4 Блок с автоматическим программным управлением (Fop-4 Unit With Automatic Program Control)

Fop-5-5 Панели переключателей - комплекты (6) (Dbw) (Fop-5-5 Breaker Panel Set (6) (Dbw))

Fop-5-5 Панели переключателей - комплекты (6) (Dbw) (Fop-5-5 Breaker Panel Set (6) (Dbw))

Fop-6-1 Панели переключателей - комплекты (Start Stop) (Fop-6-1 Breaker Panel Set (Start Stop))

Fop-6-1 Панели переключателей - комплекты (Start Stop) (Fop-6-1 Breaker Panel Set (Start Stop))

Fop-6-2 Панели переключателей - комплекты (Function) (Fop-6-2 Breaker Panel Set (Function))

Fop-6-2 Панели переключателей - комплекты (Function) (Fop-6-2 Breaker Panel Set (Function))

Fop-6 Панели переключателей - комплекты (Механизированный Наклон) (Fop-6 Breaker Panel Set (Mechanized tilt))

Fop-6 Панели переключателей - комплекты (Механизированный Наклон) (Fop-6 Breaker Panel Set (Mechanized tilt))

Fop-7 Интерфейсный кабель (установочный комплект) (Fop-7 Interface Cable Kit)

Fop-7 Интерфейсный кабель (установочный комплект) (Fop-7 Interface Cable Kit)

Fop-8 Дисплей (установочный комплект) (Fop-8 Display Kit)

Fop-8 Дисплей (установочный комплект) (Fop-8 Display Kit)

Fop-9 Измерительные приборы (Fop-9 Meter)

Fop-9 Измерительные приборы (Fop-9 Meter)

tohatsu

 
 

данный сайт носит информационный характер и не является публичной офертой

склад запчастей для водомоторной техники