вконтакте

Контактный телефон: +7 (981) 121-46-93, +7 (800) 200-90-76 , Email: parts-katalog@yandex.ru, где купить

 
 

  Логин:

Пароль:

Регистрация

www.partskatalog.ru Все каталоги Запчасти Mercury Запчасти Suzuki Запчасти Tohatsu Запчасти Honda Контакты

назад Раздел:   вперёд

Модификация Вашего двигателя:   Honda BF75E SD
Модели с серийным номером двигателя от BF75S-1600001 до BF75S-1699999
Модели с серийным номером рамы от BF75S-1600001 до BF75S-1699999

Вернуться к выбору узлов мотора

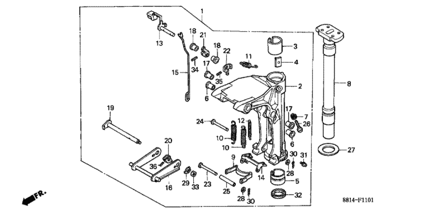
   Поворотный корпус / Поворотный вал (2)
Swivel Case / Swivel Shaft (2)      


ДЕТАЛИРОВКА ДЛЯ МОДЕЛИ: HONDA BF75E

Подвесной четырёх-тактный лодочный мотор BF75E - Поворотный корпус / Поворотный вал (2) - Swivel Case / Swivel Shaft (2)

Время выполнения запроса 0.19681882858276 сек.

 
 

данный сайт носит информационный характер и не является публичной офертой

склад запчастей для водомоторной техники