вконтакте

Контактный телефон: +7 (981) 121-46-93, +7 (800) 200-90-76 , Email: parts-katalog@yandex.ru, где купить

 
 

  Логин:

Пароль:

Регистрация

www.partskatalog.ru Все каталоги Запчасти Mercury Запчасти Suzuki Запчасти Tohatsu Запчасти Honda Контакты


Выбрать другую модель

назад Раздел:   вперёд

вернуться к списку узлов и деталей

ДЕТАЛИРОВКА ДЛЯ МОДЕЛИ: LYNX 69 YETI 600 ACE, 2014


Snow mobile lynx  - Air Intake System / Air Система впуска System

Номер на
рисунке
АртикулНаименованиеКол-во
на складе
Цена
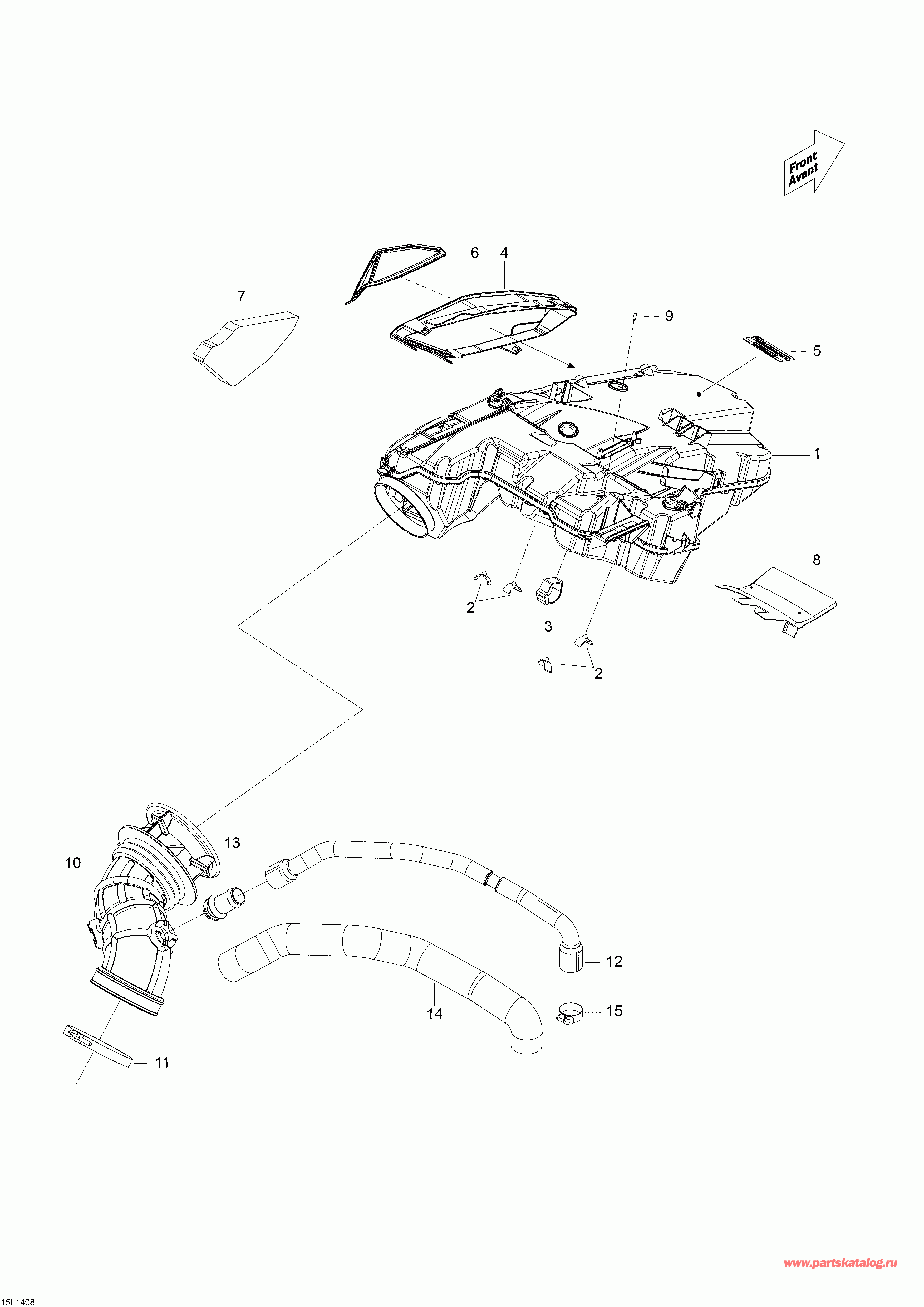
1 508000690

Secondary Chamber в сборе (Secondary Chamber Assy)

под заказ9270 руб.
1 508000790

(последний код) CHAMBER ASS Y

под заказ13820 руб.
2 508000537

Стопор (Stopper)

под заказ530 руб.
3 508000532

Strip Velcro (Strip Velcro)

под заказ740 руб.
3 508000820

(последний код) BANDE VELCRO *VELCRO-STRIP

под заказ650 руб.
4 508000756

Adapter (Adapter)

под заказ1550 руб.
4 508000569

(последний код) ADAPTER

под заказ1420 руб.
5 516004651

Наклейка - предупреждение, Hot Parts (Warning Decal, Hot Parts)

под заказпо запросу
6 508000609

Воздушный фильтр (Air Filter)

под заказ2850 руб.
7 508000704

Фильтр (Filter)

под заказ800 руб.
8 508000627

Heat Shield (Heat Shield)

под заказ1050 руб.
9 572092900

Колпачок (Cap)

под заказ1500 руб.
10508000719

Система впуска Шланг (Intake Hose)

под заказ6430 руб.
11293650212

Струбцина (Clamp)

под заказ460 руб.
12508000647

Vent Шланг (Vent Hose)

под заказ1120 руб.
13273000234

Сапун (Breather)

под заказ1290 руб.
13273000195

(последний код) RENIFLARD *BREATHER

под заказпо запросу
14508000648

Insulating Трубка (Insulating Tube)

под заказ1310 руб.
14508000630

(последний код) MOUSSE ISOLANTE*INSUL. TUBE

под заказ1110 руб.
15293650172

Струбцина (Clamp)

под заказ290 руб.
15293650130

(последний код) BRIDE SERRAGE*HOSE CLAMP

под заказ230 руб.
lynx

 
 

данный сайт носит информационный характер и не является публичной офертой

склад запчастей для водомоторной техники