вконтакте

Контактный телефон: +7 (981) 121-46-93, +7 (800) 200-90-76 , Email: parts-katalog@yandex.ru, где купить

 
 

  Логин:

Пароль:

Регистрация

www.partskatalog.ru Все каталоги Запчасти Mercury Запчасти Suzuki Запчасти Tohatsu Запчасти Honda Контакты



УВАЖАЕМЫЕ КЛИЕНТЫ!
C 19 ДЕКАБРЯ 2025 ПО 02 МАРТА 2026 ГОДА ОТДЕЛ ЗАПЧАСТЕЙ И СЕРВИС РАБОТАТЬ НЕ БУДУТ
ПРОДАЖА ЛОДОЧНЫХ МОТОРОВ В ШТАТНОМ РЕЖИМЕ
ОБ ИЗМЕНЕНИЯХ В ГРАФИКЕ РАБОТЫ ЧИТАЙТЕ НА САЙТА




Выбрать другую модель

назад Раздел:   вперёд

вернуться к списку узлов и деталей

ДЕТАЛИРОВКА ДЛЯ МОДЕЛИ: LYNX YETI Pro 550, 2010


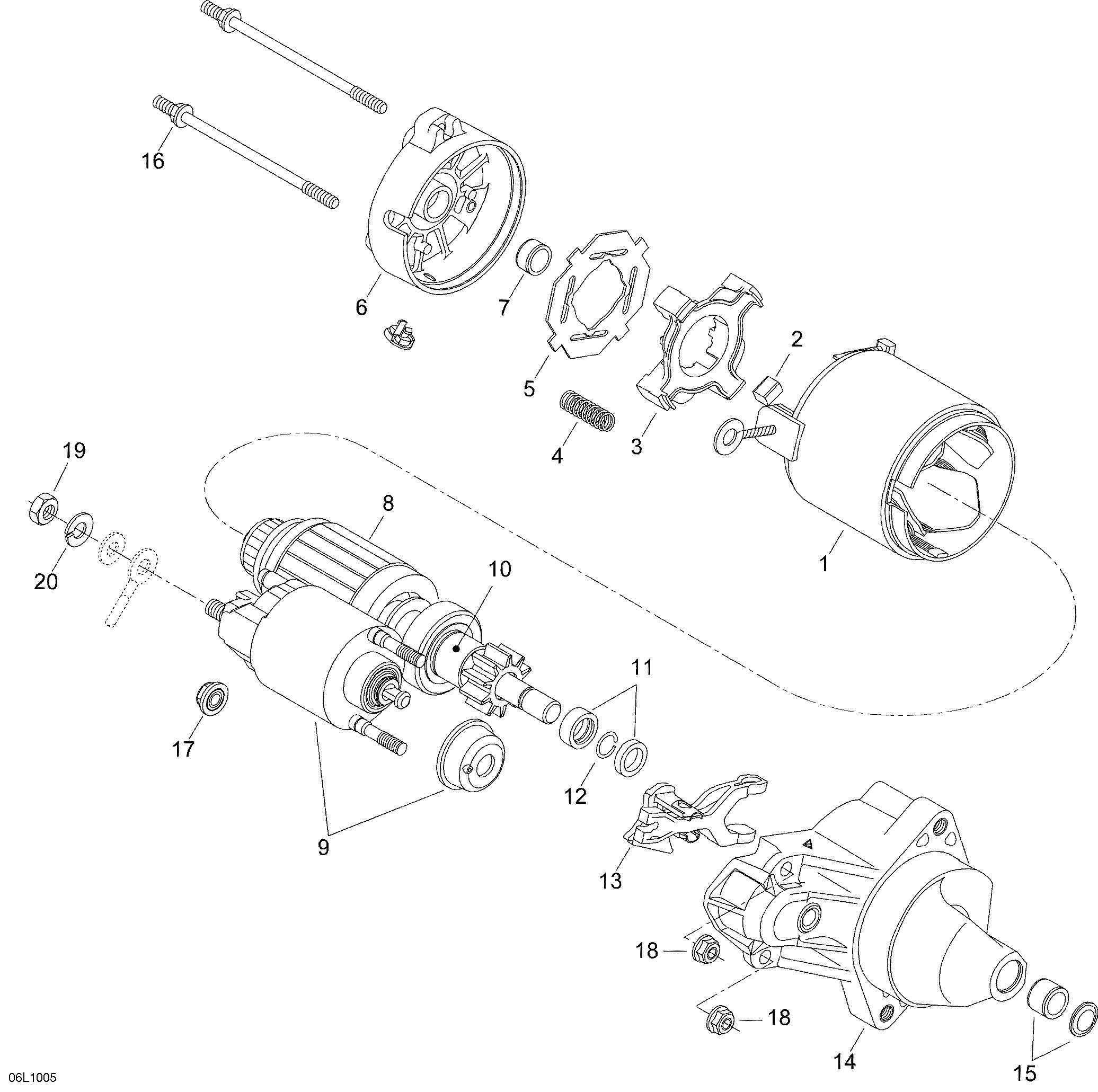
Snow mobile lynx  - Electric Starter - Электростартер

Номер на
рисунке
АртикулНаименованиеКол-во
на складе
Цена
- 410212400

Электростартер Ass’Y. Includes 1 to 20 (Electric Starter Ass’Y. Includes 1 to 20)

под заказ40400 руб.
- 410209200

(последний код) DEMARREUR *STARTER

под заказ36300 руб.
- SM-01215

     (не оригинальная запчасть) Стартер электрический BRP SM-01215

под заказ18 060 руб.
1 410209500

Корпус Стартер (Housing Starter)

под заказ13820 руб.
2 410209600

Щётка (Brush)

под заказ1640 руб.
2 420866970

(последний код) BRUSH

под заказпо запросу
3 410209700

Держатель втулки (Brush Holder)

под заказ950 руб.
3 420866192

(последний код) BRUSH HOLDER

под заказпо запросу
4 410209800

Щётка Пружина (Brush Spring)

под заказ220 руб.
4 420838200

(последний код) SPRING

под заказпо запросу
5 410209900

Изолятор (Insulator)

под заказ1060 руб.
6 XXX

Корпус (Housing)

7 XXX

Втулка brass (Bushing brass)

8 410210200

Якорь в сборе. (Armature Assy.)

под заказ20900 руб.
9 410210300

Переключатель в сборе. (Switch Assy.)

под заказ16880 руб.
10 410210400

Стартер Сцепление (Starter Clutch)

под заказ29600 руб.
10 SM-01321

     (не оригинальная запчасть) Бендикс стартера BRP SM-01321

под заказ4 580 руб.
11 410212500

Гайка (Nut)

под заказ3030 руб.
11 410210500

(последний код) ECROU *NUT

под заказ2370 руб.
12 410212600

Стопорное кольцо (Circlip)

под заказ250 руб.
12 410210600

(последний код) CIRCLIP *CIRCLIP

под заказ200 руб.
13 410210700

Рычаг (Lever)

под заказ4640 руб.
13 420848045

(последний код) ARM

под заказпо запросу
14 410210800

Корпус (Housing)

под заказ24300 руб.
15 410210900

Brass Втулка (Brass Bushing)

под заказ700 руб.
15 420933245

(последний код) BUSHING

под заказпо запросу
16 410212000

Болт (Bolt)

под заказ930 руб.
16 410211000

(последний код) BOULON *BOLT

под заказ620 руб.
17 410211100

Гайка (Nut)

под заказ250 руб.
18 410211200

Гайка (Nut)

под заказ250 руб.
19 33003

Гайка M8 (Nut M8)

под заказ20 руб.
20 20014

Шайба с блокировкой 8 mm (Lock washer 8 mm)

под заказ20 руб.
lynx

 
 

данный сайт носит информационный характер и не является публичной офертой

склад запчастей для водомоторной техники