вконтакте

Контактный телефон: +7 (981) 121-46-93, +7 (800) 200-90-76 , Email: parts-katalog@yandex.ru, где купить

 
 

  Логин:

Пароль:

Регистрация

www.partskatalog.ru Все каталоги Запчасти Mercury Запчасти Suzuki Запчасти Tohatsu Запчасти Honda Контакты



УВАЖАЕМЫЕ КЛИЕНТЫ!
C 19 ДЕКАБРЯ 2025 ПО 02 МАРТА 2026 ГОДА ОТДЕЛ ЗАПЧАСТЕЙ И СЕРВИС РАБОТАТЬ НЕ БУДУТ
ПРОДАЖА ЛОДОЧНЫХ МОТОРОВ В ШТАТНОМ РЕЖИМЕ
ОБ ИЗМЕНЕНИЯХ В ГРАФИКЕ РАБОТЫ ЧИТАЙТЕ НА САЙТА




Выбрать другую модель

назад Раздел:   вперёд

вернуться к списку узлов и деталей

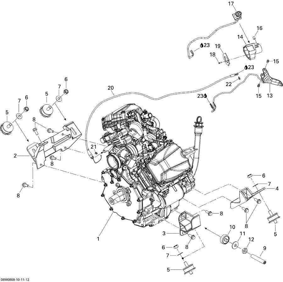
ДЕТАЛИРОВКА ДЛЯ МОДЕЛИ: LYNX Adventure V-800, 2008


Snow mobile Lynx  - Engine And Engine Support - Двигатель и Двигатель Sвышеport

Номер на
рисунке
АртикулНаименованиеКол-во
на складе
Цена
1 400800315

Двигатель V810 (Engine V810)

под заказпо запросу
2 512060076

Front Двигатель Sвышеport (Front Engine Support)

под заказ12420 руб.
3 512060077

Двигатель Sвышеport, PTO Side (Engine Support, PTO Side)

под заказ8360 руб.
4 512060078

Двигатель Sвышеport, Магнето Side (Engine Support, Magneto Side)

под заказ7560 руб.
5 512059960

Монтажная резинка (Rubber Mount)

под заказ2000 руб.
6 232500416

Эластичная гайка со стопором M10 (Elastic Stop Nut M10)

под заказ290 руб.
6 732610018

(последний код) NUT-STOP ELASTIC DIN.985

под заказ230 руб.
7 250200032

Шайба (Washer)

под заказ580 руб.
8 207582044

Hex. Фланецd Винт M8 X 20, Scotch Рукоятка (Hex. Flanged Screw M8 X 20, Scotch Grip)

под заказ290 руб.
9 250500007

Стопор Винт (Stopper Screw)

под заказ2210 руб.
10 512059610

Стопор (Stopper)

под заказ1300 руб.
11 512059057

Шайба (Washer)

под заказ110 руб.
11 5147306

(последний код) WASHER (512059057)

под заказ120 руб.
12 232170411

Hex. Jam Гайка M14 (Hex. Jam Nut M14)

под заказ290 руб.
12 228371042

(последний код) NUT-JAM HEXAGONAL DIN.439B

под заказ230 руб.
13 512060302

Дроссель Handle в сборе (Throttle Handle Assy)

под заказ4090 руб.
13 512060484

(последний код) MANETTE ASS. *HANDLE-ASSY

под заказ5710 руб.
13 SM-08261

     (не оригинальная запчасть) Курок газа с подогревом BRP SM-08261

под заказ4 450 руб.
14 512060200

Дроссель Handle Корпус (Throttle Handle Housing)

под заказ2090 руб.
14 512059295

(последний код) LOGEMENT ACC. *HOUSING-THROTT

под заказ1930 руб.
15 732601143

Фланецd Винт (Flanged Screw)

под заказ260 руб.
15 732601055

(последний код) SCREW-SHOULDER

под заказ240 руб.
16 414440800

Установочный винт M8 X 10 (Set Screw M8 X 10)

под заказ290 руб.
16 114144408

(последний код) SCREW

под заказ220 руб.
17 515176690

Kill Переключатель (Kill Switch)

под заказпо запросу
17 515177061

(последний код) Kill Switch

под заказ5510 руб.
17 SM-01572

     (не оригинальная запчасть) Кнопка выключения двигателя BRP SM-01572

под заказ3 390 руб.
18 250000265

Torx Винт M2.9 X 12 (Torx Screw M2.9 X 12)

под заказ860 руб.
19 512060390

Пластина (Plate)

под заказ670 руб.
20 512060125

Тросик дросселя (Throttle Cable)

под заказ4070 руб.
21 707000434

Кабели Направляющая (Cable Guide)

под заказ1000 руб.
22 414274500

Стопорное кольцо (Circlip)

под заказ140 руб.
23 293550004

Dielectric Смазка, 150 G (Dielectric Grease, 150 G)

под заказ4740 руб.
23 747018002

(последний код) GRAISSE *GREASE

под заказ3710 руб.
lynx

 
 

данный сайт носит информационный характер и не является публичной офертой

склад запчастей для водомоторной техники