вконтакте

Контактный телефон: +7 (981) 121-46-93, +7 (800) 200-90-76 , Email: parts-katalog@yandex.ru, где купить

 
 

  Логин:

Пароль:

Регистрация

www.partskatalog.ru Все каталоги Запчасти Mercury Запчасти Suzuki Запчасти Tohatsu Запчасти Honda Контакты



УВАЖАЕМЫЕ КЛИЕНТЫ!
C 19 ДЕКАБРЯ 2025 ПО 02 МАРТА 2026 ГОДА ОТДЕЛ ЗАПЧАСТЕЙ И СЕРВИС РАБОТАТЬ НЕ БУДУТ
ПРОДАЖА ЛОДОЧНЫХ МОТОРОВ В ШТАТНОМ РЕЖИМЕ
ОБ ИЗМЕНЕНИЯХ В ГРАФИКЕ РАБОТЫ ЧИТАЙТЕ НА САЙТА




Выбрать другую модель

назад Раздел:   вперёд

вернуться к списку узлов и деталей

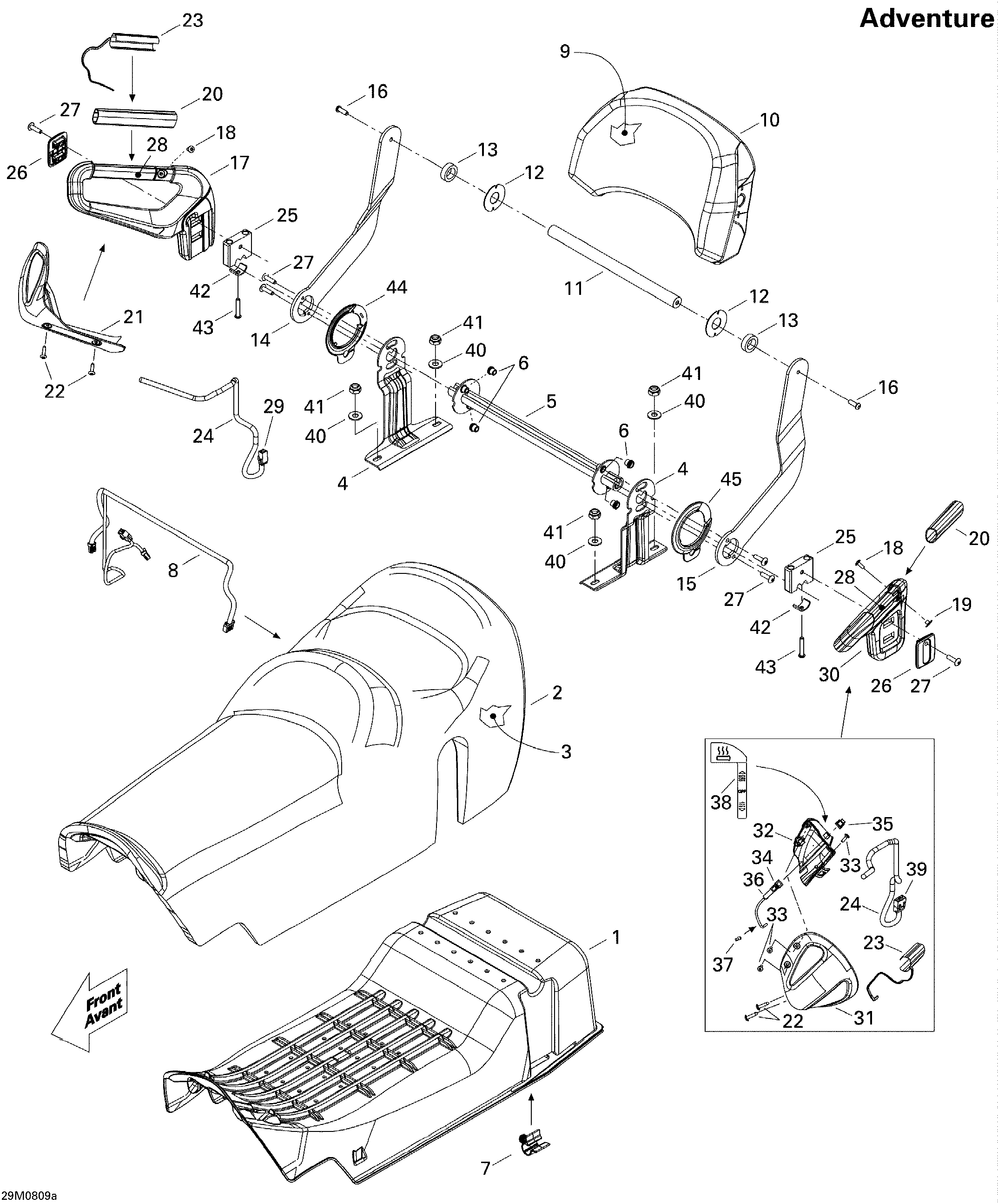
ДЕТАЛИРОВКА ДЛЯ МОДЕЛИ: LYNX Adventure V-800, 2008


Snowmobile lynx  - Седло Adventure / Seat Adventure

Номер на
рисунке
АртикулНаименованиеКол-во
на складе
Цена
1 510004887

Седло Основание (Seat Base)

под заказ14940 руб.
1 510004668

(последний код) SEAT BASE

под заказпо запросу
2 510004855

Седло Крышка (Seat Cover)

под заказ57300 руб.
3 510004670

Foam (Foam)

под заказ27900 руб.
4 510004662

T Пластина (T Plate)

под заказ2070 руб.
5 510004663

Cross Member (Cross Member)

под заказ11720 руб.
6 293450166

Insert (Insert)

под заказ580 руб.
7 275500528

Шланг Фиксатор (Hose Retainer)

под заказ400 руб.
8 510004882

Седло Электрика - жгут проводов (Seat Electrical Harness)

под заказ4290 руб.
9 510004365

Backrest Foam (Backrest Foam)

под заказ7240 руб.
9 605255225

(последний код) FOAM-BACKREST EXP_YETI

под заказ5670 руб.
10 510004858

Backress Крышка (Backress Cover)

под заказ15910 руб.
11 510004377

верхний Backrest Axle (Upper Backrest Axle)

под заказ3350 руб.
12 510004379

Шайба (Washer)

под заказ670 руб.
13 510004378

Rubber Регулировочная шайба (Rubber Shim)

под заказ620 руб.
13 605455359

(последний код) SHIM-RUBBER

под заказ140 руб.
14 510004373

RH Рычаг, чёрный (RH Arm, Black)

под заказ4710 руб.
15 510004375

LH Рычаг, чёрный (LH Arm, Black)

под заказ4710 руб.
16 205982586

Socket Head Винт S.Рукоятка, M8x1.25x25 (Socket Head Screw S.grip, M8x1.25x25)

под заказ290 руб.
17 510004948

RH Handle (RH Handle)

под заказ6930 руб.
17 510005865

(последний код) POIGNEE DROITE *RH.HANDLE

под заказ8910 руб.
18 250000129

Torx Винт M6 X 16 (Torx Screw M6 X 16)

под заказ250 руб.
18 250000721

(последний код) TORX-TRUSS M/S BZN NYLON PATCH

под заказ140 руб.
19 293100003

Гайка (Nut)

под заказ720 руб.
19 211100038

(последний код) NUT-T-SHAPE

под заказпо запросу
20 510004449

Handle Рукоятка (Handle Grip)

под заказ820 руб.
21 510004415

RH Deflector (RH Deflector)

под заказ1930 руб.
22 250000199

Винт 25 мм (Screw 25mm)

под заказ290 руб.
23 515176393

Heater (Heater)

под заказ4140 руб.
23 515176240

(последний код) HEATER

под заказ3410 руб.
24 515175506

Трубопровод (Tubing)

под заказ4930 руб.
25 510004530

Handle Соединитель (Handle Link)

под заказ1380 руб.
26 510004405

Moulding (Moulding)

под заказ340 руб.
27 250000197

Torx Truss Винт M8 X 30 (Torx Truss Screw M8 X 30)

под заказ250 руб.
28 510004709

Handle Reinдлядляcement (Handle Reinforforcement)

под заказ1200 руб.
29 515175494

Male Корпус, 3 Circuits (Male Housing, 3 Circuits)

под заказ1580 руб.
30 510004947

LH Handle (LH Handle)

под заказ6930 руб.
30 510005862

(последний код) POIGNEE GAUCHE *LH.HANDLE

под заказ8910 руб.
31 510004416

LH Deflector (LH Deflector)

под заказ1930 руб.
32 510004566

Переключатель Корпус (Switch Housing)

под заказ870 руб.
33 250000146

Truss Head Torx Винт K50 X 16 (Truss Head Torx Screw K50 X 16)

под заказ230 руб.
33 250000720

(последний код) TORX-SCREW TRUSS HEAD PT.K50X16

под заказ140 руб.
33 SM-06020

     (не оригинальная запчасть) Крепеж для стекла BRP SM-06020

под заказ890 руб.
34 510004413

Rocker Переключатель (Rocker Switch)

под заказ720 руб.
35 510004414

Защита Переключатель (Protector Switch)

под заказ720 руб.
36 515176241

LH Handle Жгут проводов (LH Handle Harness)

под заказ2070 руб.
37 414115200

Tie-Rap 180 mm (Tie-Rap 180 mm)

под заказ130 руб.
37 414587300

(последний код) TIE RAP *TIE-RAP

под заказ110 руб.
38 516002835

Handle Heater Наклейка (Handle Heater Decal)

под заказ700 руб.
39 515175662

Male Клемма Корпус, 6 Circuits (Male Terminal Housing, 6 Circuits)

под заказ660 руб.
40 234082410

плоский Шайба 8 mm (Flat Washer 8 mm)

под заказ270 руб.
40 702000064

(последний код) RONDELLE *WASHER

под заказ210 руб.
41 232581414

Hex. Elastic Гайка M8 (Hex. Elastic Nut M8)

под заказ140 руб.
41 420942030

(последний код) NUT-LOCK M8

под заказ110 руб.
42 510004565

Handle Струбцина (Handle Clamp)

под заказ1010 руб.
43 250000220

Socket Head Винт M8x45 (Socket Head Screw M8x45)

под заказ580 руб.
44 510004883

Проставка RH (Spacer RH)

под заказ670 руб.
45 510004884

Проставка LH (Spacer LH)

под заказ670 руб.
lynx

 
 

данный сайт носит информационный характер и не является публичной офертой

склад запчастей для водомоторной техники