вконтакте

Контактный телефон: +7 (981) 121-46-93, +7 (800) 200-90-76 , Email: parts-katalog@yandex.ru, где купить

 
 

  Логин:

Пароль:

Регистрация

www.partskatalog.ru Все каталоги Запчасти Mercury Запчасти Suzuki Запчасти Tohatsu Запчасти Honda Контакты



УВАЖАЕМЫЕ КЛИЕНТЫ!
C 19 ДЕКАБРЯ 2025 ПО 02 МАРТА 2026 ГОДА ОТДЕЛ ЗАПЧАСТЕЙ И СЕРВИС РАБОТАТЬ НЕ БУДУТ
ПРОДАЖА ЛОДОЧНЫХ МОТОРОВ В ШТАТНОМ РЕЖИМЕ
ОБ ИЗМЕНЕНИЯХ В ГРАФИКЕ РАБОТЫ ЧИТАЙТЕ НА САЙТА




Выбрать другую модель

назад Раздел:   вперёд

вернуться к списку узлов и деталей

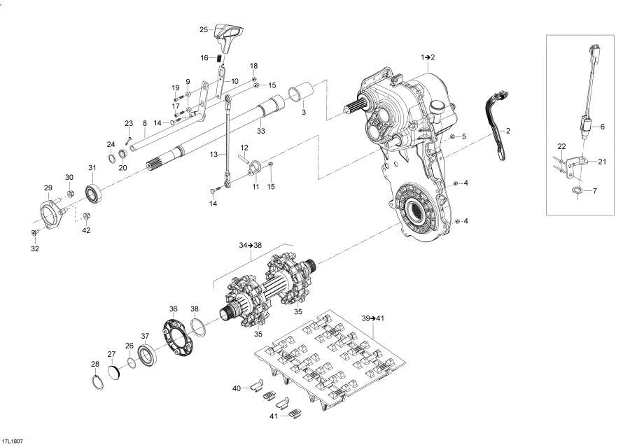
ДЕТАЛИРОВКА ДЛЯ МОДЕЛИ: LYNX YETI 600 ACE, 2018


Snowmobile Лункс  - Drive Train Yeti - 600 Ace / Drive Train Yeti - 600 Ace

Номер на
рисунке
АртикулНаименованиеКол-во
на складе
Цена
1 619230077

Трансмиссия в сборе (Slow Ratio) (Transmission Assy (Slow Ratio))

под заказ156500 руб.
3 504153568

Protective Rubber (Protective Rubber)

под заказ1240 руб.
4 233281414

Hex. Фланецd Elastic Гайка M8 (Hex. Flanged Elastic Nut M8)

под заказ290 руб.
4

(последний код)

под заказпо запросу
5 232581414

Hex. Эластичная гайка со стопором M8 (Hex. Elastic Stop Nut M8)

под заказ140 руб.
5 420942030

(последний код) NUT-LOCK M8

под заказ110 руб.
6 515176472

Переключатель в сборе (Switch Assy)

под заказ5140 руб.
6 515175967

(последний код) SWITCH-ASSY

под заказ5590 руб.
7 250000373

Brass Гайка (Brass Nut)

под заказ530 руб.
8 504153288

Рычаг Переключательer (Lever Shifter)

под заказ9970 руб.
9 504152787

Гильза (Sleeve)

под заказ2070 руб.
10 504153287

Переключательer Рычаг (Shifter Arm)

под заказ3640 руб.
11 504153280

Welded Рычаг (Welded Lever)

под заказ5640 руб.
12 41012

Штифт (Pin)

под заказ380 руб.
12 063030

(последний код) GOUP.RETENUE *PIN-RETAINER

под заказ20 руб.
13 504153258

Переключательer Тяга (Shifter Rod)

под заказ3280 руб.
14 250000677

Carriage Болт M6 X 20 (Carriage Bolt M6 X 20)

под заказ190 руб.
15 232561414

Эластичная гайка со стопором M6 (Elastic Stop Nut M6)

под заказ130 руб.
15 420842040

(последний код) NUT-STOP ELASTIC DIN.985

под заказ110 руб.
16 504152882

Пружина (Spring)

под заказ2500 руб.
17 205052544

Socket Винт M5 X 25 (Socket Screw M5 X 25)

под заказ290 руб.
18 250000676

дляming Винт M5 x 16 (Forming Screw M5 x 16)

под заказ100 руб.
18 732600030

(последний код) SCREW-FORMING

под заказпо запросу
20 504152890

Подшипник (Bearing)

под заказ3280 руб.
21 504152902

Датчик Кронштейн (Sensor Bracket)

под заказ1060 руб.
22 293150163

Заклёпка Hucklok 4, 8 mm HKLP-R6-5GAT (Rivet Hucklok 4,8 mm HKLP-R6-5GAT)

под заказ230 руб.
23 250400035

Шплинт (Cotter Pin)

под заказ270 руб.
24 503189273

Шайба (Washer)

под заказ430 руб.
25 504152837

Handle (Handle)

под заказ5210 руб.
26 293300122

Уплотнительное кольцо (O-Ring)

под заказ150 руб.
26 SM-03178

     (не оригинальная запчасть) Комплект подшипников BRP SM-03178

под заказ2 620 руб.
27 504152619

Magnetic Колпачок (Magnetic Cap)

под заказ1930 руб.
27 504152620

(последний код) CAPUCHON *CAP

под заказ1260 руб.
28 504152572

Стопорное кольцо (Circlip)

под заказ460 руб.
29 504153187

Подшипник Корпус (Bearing Housing)

под заказ1640 руб.
30 233281414

Hex. Фланецd Elastic Гайка M8 (Hex. Flanged Elastic Nut M8)

под заказ290 руб.
30

(последний код)

под заказпо запросу
31 293350074

Шариковый подшипник (Ball Bearing)

под заказ3000 руб.
31 CS205LLU X AS3S5

     (не оригинальная запчасть) Подшипник CS205LLU (CS205LLU X AS3S5)

под заказ1 150 руб.
32 235381646

Torx Винт M8 X 16, Scotch Рукоятка (Torx Screw M8 X 16, Scotch Grip)

под заказ290 руб.
32 250000025

(последний код) SCREW-TORX CTSK.FL.HD.S.GRIP M8 X 16

под заказ230 руб.
33 504152963

Counter Вал (Counter Shaft)

под заказ17550 руб.
34 504153583

Drive Axle в сборе. Includes 34 to 38 (Drive Axle Assy. Includes 34 to 38)

под заказ41600 руб.
35 504153088

Цепное колесо ЗВЕЗДОЧКА, 7 Teeth (Sprocket, 7 Teeth)

под заказ7250 руб.
35 504153087

Цепное колесо ЗВЕЗДОЧКА, 7 Teeth (Sprocket, 7 Teeth)

под заказ7250 руб.
35.1 504152873

Axle-drive (Axle-drive)

под заказ37400 руб.
36 504153426

Стопорное кольцо (Retaining Ring)

под заказ1390 руб.
37 293350059

Шариковый подшипник (Ball Bearing)

под заказ3950 руб.
37 504152573

(последний код) ROULEMENT BILLE*BALL BEARING

под заказпо запросу
37 6010DUCM D 5

     (не оригинальная запчасть) Подшипник 6010DUCM (6010DUCM D 5)

под заказ1 270 руб.
37 SM-03178

     (не оригинальная запчасть) Комплект подшипников BRP SM-03178

под заказ2 620 руб.
38 504153207

Регулировочная шайба (Shim)

под заказ690 руб.
39 504152817

Track в сборе (Track Assy)

под заказ91700 руб.
42 414115200

Tie-Rap 180 mm (Tie-Rap 180 mm)

под заказ130 руб.
42 414587300

(последний код) TIE RAP *TIE-RAP

под заказ110 руб.
lynx

 
 

данный сайт носит информационный характер и не является публичной офертой

склад запчастей для водомоторной техники