вконтакте

Контактный телефон: +7 (981) 121-46-93, +7 (800) 200-90-76 , Email: parts-katalog@yandex.ru, где купить

 
 

  Логин:

Пароль:

Регистрация

www.partskatalog.ru Все каталоги Запчасти Mercury Запчасти Suzuki Запчасти Tohatsu Запчасти Honda Контакты



УВАЖАЕМЫЕ КЛИЕНТЫ!
C 31 ОКТЯБРЯ 2025 ПО 10 НОЯБРЯ 2025 ГОДА РАБОТАТЬ НЕ БУДЕМ




Выбрать другую модель

назад Раздел:   вперёд

вернуться к списку узлов и деталей

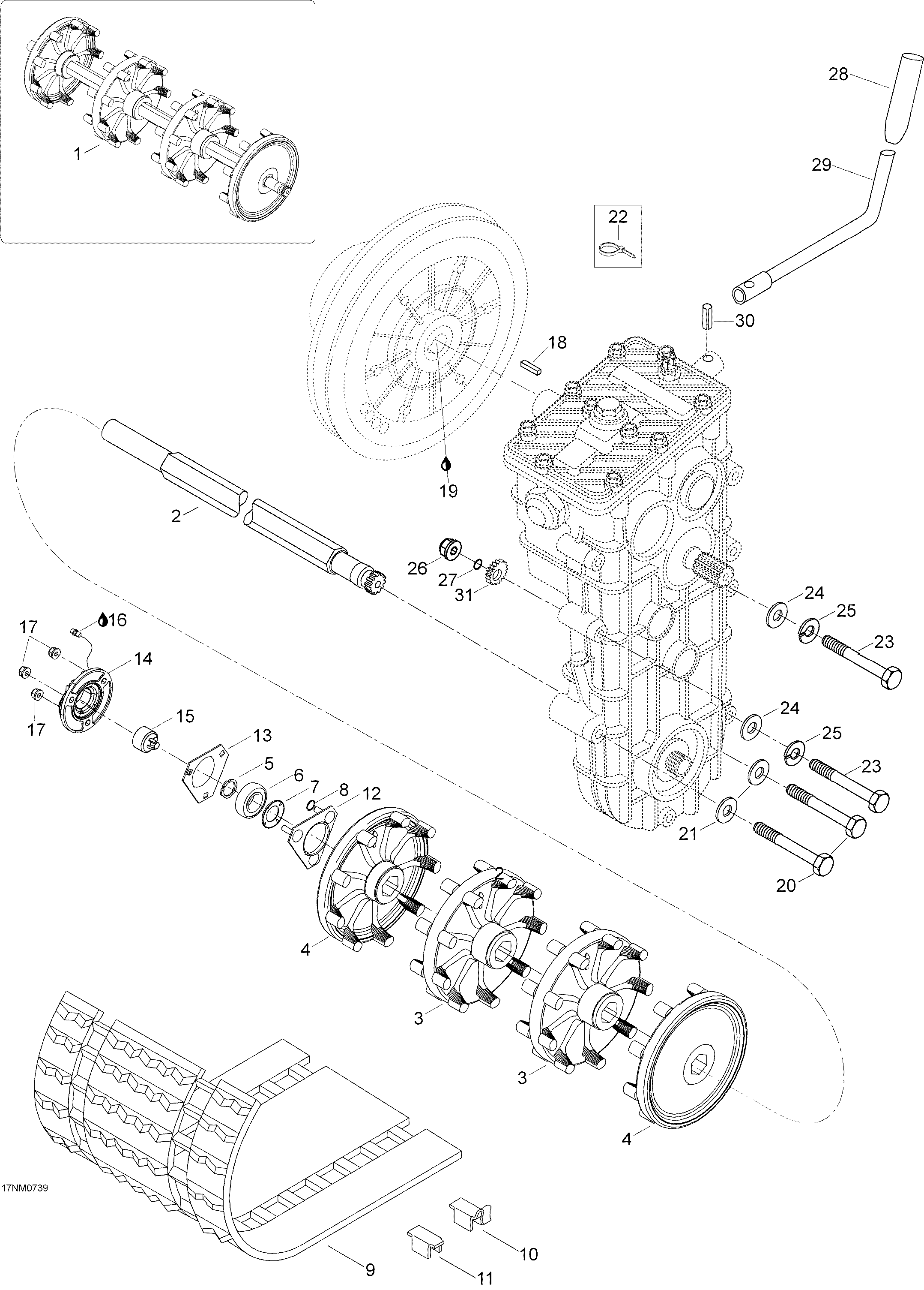
ДЕТАЛИРОВКА ДЛЯ МОДЕЛИ: LYNX YETI PRO V-800 RUS, 2007


Snow mobile Лункс  - Drive System / Drive System

Номер на
рисунке
АртикулНаименованиеКол-во
на складе
Цена
1605253448

Drive axle в сборе. Includes 1 to 4 (Drive axle assy. Includes 1 to 4)

под заказ30300 руб.
2605249972

Drive axle (Drive axle)

под заказ41200 руб.
3414931800

Цепное колесо ЗВЕЗДОЧКА 8-teeth (Sprocket 8-teeth)

под заказ5140 руб.
4415067400

Цепное колесо ЗВЕЗДОЧКА 8-teeth (Sprocket 8-teeth)

под заказ3850 руб.
5371910200

Стопорное кольцо (Circlip)

под заказ160 руб.
6504152009

Шариковый подшипник (Ball bearing)

под заказ2570 руб.
6293350060

(последний код) ROULEMENT BILLE*BALL BEARING

под заказ3000 руб.
6SM-03163

     (не оригинальная запчасть) Комплект подшипников КПП BRP SM-03163

под заказ2 330 руб.
7501017400

Шариковый подшипник Защита (Ball bearing protector)

под заказ670 руб.
8414484400

Уплотнительное кольцо (O-ring)

под заказ530 руб.
8414274400

(последний код) JOINT TORIQUE *RING-O

под заказ230 руб.
913081

Track (31.8) Includes 9 to 11 (Track (31.8). Includes 9 to 11)

под заказ150400 руб.
9

(последний код)

под заказпо запросу
105318323

Cleat Направляющая (Cleat guide)

под заказ520 руб.
10M5318323

(последний код) AGRAFE DE GUIDE*CLEAT-GUIDE

под заказ660 руб.
115318322

Slide Направляющая (Slide guide)

под заказпо запросу
12504151860

Подшипник Корпус. Includes 10 to 12 (Bearing housing. Includes 10 to 12)

под заказ910 руб.
12501026800

(последний код) LOGEMENT ROUL. *HOUSING-BEAR.W

под заказ830 руб.
13501025000

Фланец (Flange)

под заказ390 руб.
14504152173

Фланец (Flange)

под заказ5350 руб.
15504152040

Magnetic Адаптер (Magnetic adaptor)

под заказ3500 руб.
16293550033

Synthetic Смазка, 400g (Synthetic grease, 400g)

под заказ10050 руб.
16498028100

(последний код) GRAISSE TUBE *GREASE-TUBE

под заказпо запросу
1733201

Elastic Фланецd Гайка M8 (Elastic flanged nut M8)

под заказ230 руб.
17233281414

(последний код) NUT-FLANGE ELASTIC DIN.6926

под заказ290 руб.
18418763

Ключ (Key)

под заказ170 руб.
18

(последний код)

под заказпо запросу
19293800070

Loctite 767, 8oz (Loctite 767, 8oz)

под заказ2440 руб.
19711297430

(последний код) COPA SLIP *COPA-SLIP

под заказ1910 руб.
2040012

Шестигранный винт M8 x 80 (Hex. screw M8 x 80)

под заказ310 руб.
20

(последний код)

под заказпо запросу
2120004

Шайба A8.4 (Washer A8.4)

под заказ110 руб.
21234081410

(последний код) WASHER-FLAT DIN.125A

под заказ130 руб.
2227026

Tie-rap (Tie-rap)

под заказ110 руб.
22414115200

(последний код) Гарантийный комплект TIE-RAP 180 MM

под заказ130 руб.
2340089

Винт M8 x 75 (Screw M8 x 75)

под заказ90 руб.
23

(последний код)

под заказпо запросу
2420010

Шайба A8.4 (Washer A8.4)

под заказ210 руб.
24234082410

(последний код) WASHER-FLAT DIN.9021B

под заказ270 руб.
2520014

Шайба с блокировкой M8 (Lock washer M8)

под заказ20 руб.
2633201

Elastic Фланецd Гайка M8 (Elastic flanged nut M8)

под заказ230 руб.
26233281414

(последний код) NUT-FLANGE ELASTIC DIN.6926

под заказ290 руб.
27506151140

Уплотнительное кольцо (O-ring)

под заказ220 руб.
2828247

Button (Button)

под заказ2210 руб.
28

(последний код)

под заказпо запросу
29605350153

Переключатель handle (Shift handle)

под заказ3700 руб.
3041008

Пружина Ключ (Spring key)

под заказ150 руб.
30

(последний код)

под заказпо запросу
31605454017

Rachel wheel (Rachel wheel)

под заказ450 руб.
lynx

 
 

данный сайт носит информационный характер и не является публичной офертой

склад запчастей для водомоторной техники