вконтакте

Контактный телефон: +7 (981) 121-46-93, +7 (800) 200-90-76 , Email: parts-katalog@yandex.ru, где купить

 
 

  Логин:

Пароль:

Регистрация

www.partskatalog.ru Все каталоги Запчасти Mercury Запчасти Suzuki Запчасти Tohatsu Запчасти Honda Контакты



УВАЖАЕМЫЕ КЛИЕНТЫ!
C 19 ДЕКАБРЯ 2025 ПО 02 МАРТА 2026 ГОДА ОТДЕЛ ЗАПЧАСТЕЙ И СЕРВИС РАБОТАТЬ НЕ БУДУТ
ПРОДАЖА ЛОДОЧНЫХ МОТОРОВ В ШТАТНОМ РЕЖИМЕ
ОБ ИЗМЕНЕНИЯХ В ГРАФИКЕ РАБОТЫ ЧИТАЙТЕ НА САЙТА




Выбрать другую модель

назад Раздел:   вперёд

вернуться к списку узлов и деталей

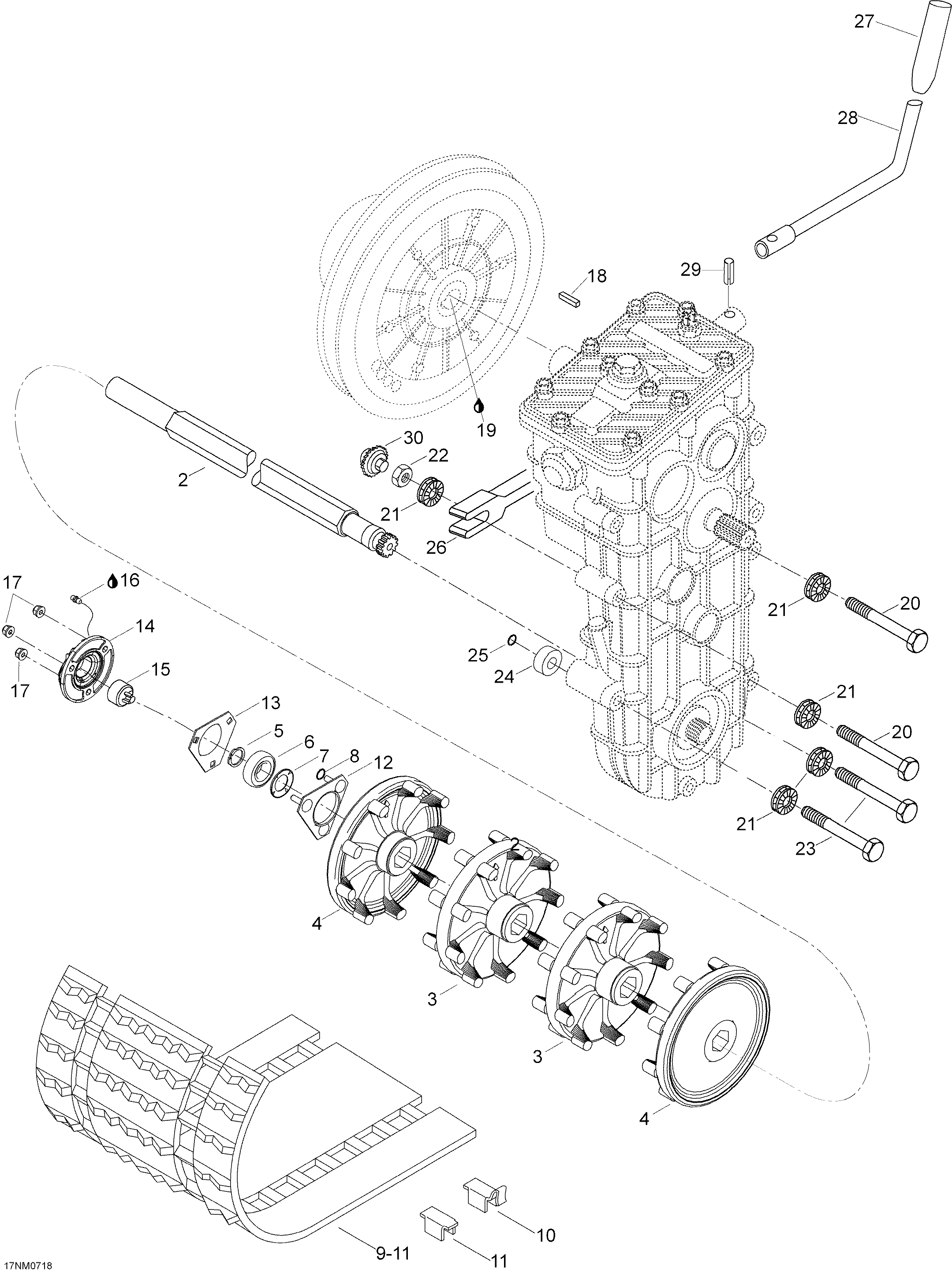
ДЕТАЛИРОВКА ДЛЯ МОДЕЛИ: LYNX YETI TUV V-1300, 2007


Snowmobiles Lynx  - Drive Axle And Track / Drive Axle и Track

Номер на
рисунке
АртикулНаименованиеКол-во
на складе
Цена
1605250539

Drive axle в сборе. Includes 1 to 3 (Drive axle assy. Includes 1 to 3)

под заказ23800 руб.
2605249455

Drive axle (Drive axle)

под заказ15940 руб.
3414931800

Цепное колесо ЗВЕЗДОЧКА (Sprocket)

под заказ5140 руб.
4415067400

Цепное колесо ЗВЕЗДОЧКА (Sprocket)

под заказ3850 руб.
5371910200

Стопорное кольцо (Circlip)

под заказ160 руб.
6504152009

Шариковый подшипник (Ball bearing)

под заказ2570 руб.
6293350060

(последний код) ROULEMENT BILLE*BALL BEARING

под заказ3000 руб.
6SM-03163

     (не оригинальная запчасть) Комплект подшипников КПП BRP SM-03163

под заказ2 330 руб.
7501017400

Шариковый подшипник Защита (Ball bearing protector)

под заказ670 руб.
8414484400

Уплотнительное кольцо (O-ring)

под заказ530 руб.
8414274400

(последний код) JOINT TORIQUE *RING-O

под заказ230 руб.
913070

Track в сборе. Includes 10 to 13 (Track assy. Includes 10 to 13)

под заказ91700 руб.
9

(последний код)

под заказпо запросу
105318323

Cleat Направляющая (Cleat guide)

под заказ520 руб.
10M5318323

(последний код) AGRAFE DE GUIDE*CLEAT-GUIDE

под заказ660 руб.
115318322

Slide Направляющая (Slide guide)

под заказпо запросу
12504151860

Подшипник Корпус (Bearing housing)

под заказ910 руб.
12501026800

(последний код) LOGEMENT ROUL. *HOUSING-BEAR.W

под заказ830 руб.
13501025000

Фланец (Flange)

под заказ390 руб.
14504152173

Фланец (Flange)

под заказ5350 руб.
15504152040

Magnetic, Адаптер (Magnetic, adaptor)

под заказ3500 руб.
16413711500

Synthetic Смазка (Synthetic grease)

под заказпо запросу
16219700417

(последний код) GRAISE SYNTHETI*GREASE-SYNTHE.

под заказ7860 руб.
1733201

Elastic Фланецd Гайка M8 (Elastic flanged nut M8)

под заказ230 руб.
17233281414

(последний код) NUT-FLANGE ELASTIC DIN.6926

под заказ290 руб.
18418763

Ключ (Key)

под заказ170 руб.
18

(последний код)

под заказпо запросу
19293800070

Loctite 767, antiseize lubricant, 8 oz (Loctite 767, antiseize lubricant, 8 oz)

под заказ2440 руб.
19711297430

(последний код) COPA SLIP *COPA-SLIP

под заказ1910 руб.
2040299

Шестигранный винт M8 x 100 (Hex. screw M8 x 100)

под заказ100 руб.
2120072

Шайба с блокировкой 8 мм (Lock washer 8mm)

под заказ190 руб.
2233201

Эластичная гайка со стопором M8 (Elastic stop nut M8)

под заказ230 руб.
22233281414

(последний код) NUT-FLANGE ELASTIC DIN.6926

под заказ290 руб.
2340291

Шестигранный винт M8 x 110 (Hex. screw M8 x 110)

под заказпо запросу
24605450155

Гильза (Sleeve)

под заказ430 руб.
25506151140

Уплотнительное кольцо (O-ring)

под заказ220 руб.
26605351366

Sвышеport Вал (Support shaft)

под заказ750 руб.
2728247

Button (Button)

под заказ2210 руб.
27

(последний код)

под заказпо запросу
28605350153

Вал handle (Shaft handle)

под заказ3700 руб.
2941008

Пружина Ключ (Spring key)

под заказ150 руб.
29

(последний код)

под заказпо запросу
30605454017

Ractchel wheel (Ractchel wheel)

под заказ450 руб.
lynx

 
 

данный сайт носит информационный характер и не является публичной офертой

склад запчастей для водомоторной техники