вконтакте

Контактный телефон: +7 (981) 121-46-93, +7 (800) 200-90-76 , Email: parts-katalog@yandex.ru, где купить

 
 

  Логин:

Пароль:

Регистрация

www.partskatalog.ru Все каталоги Запчасти Mercury Запчасти Suzuki Запчасти Tohatsu Запчасти Honda Контакты



УВАЖАЕМЫЕ КЛИЕНТЫ!
C 19 ДЕКАБРЯ 2025 ПО 02 МАРТА 2026 ГОДА ОТДЕЛ ЗАПЧАСТЕЙ И СЕРВИС РАБОТАТЬ НЕ БУДУТ
ПРОДАЖА ЛОДОЧНЫХ МОТОРОВ В ШТАТНОМ РЕЖИМЕ
ОБ ИЗМЕНЕНИЯХ В ГРАФИКЕ РАБОТЫ ЧИТАЙТЕ НА САЙТА




Выбрать другую модель

назад Раздел:   вперёд

вернуться к списку узлов и деталей

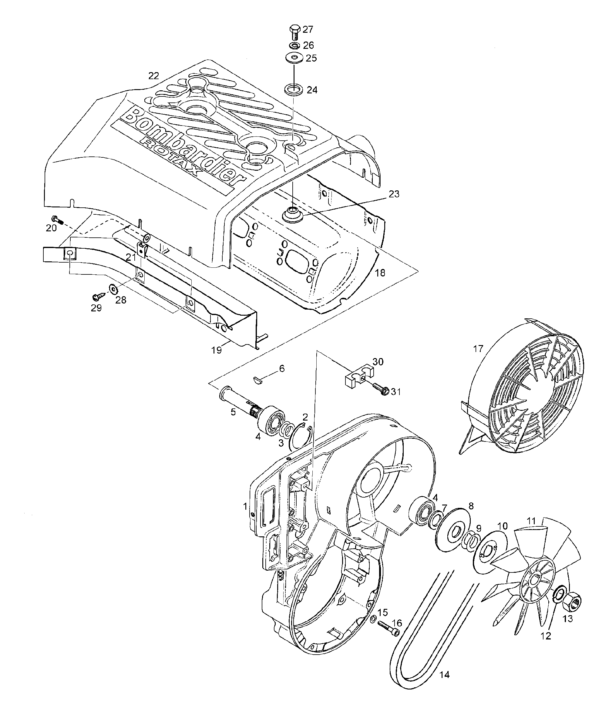
ДЕТАЛИРОВКА ДЛЯ МОДЕЛИ: LYNX Sport Touring 600, 2004


Снегоходы Lynx  - Электростартер - Electric Starter

Номер на
рисунке
АртикулНаименованиеКол-во
на складе
Цена
1515176003

Electric start (Electric start)

под заказ36300 руб.
1515176133

(последний код) DEMARREUR *STARTER

под заказ40400 руб.
1SM-01214

     (не оригинальная запчасть) Стартер электрический BRP SM-01214

под заказ16 010 руб.
1SM-01214-2

     (не оригинальная запчасть) Щетки электрического стартера BRP SM-01214-2

под заказ530 руб.
1SM-MZ1116

     (не оригинальная запчасть) Стартер электрический двигателя снегохода SM-MZ1116

под заказ15 500 руб.
2410207700

Стопорное кольцо (Circlip)

под заказ430 руб.
2278000048

(последний код) CIRCLIP DEMAR. *CIRCLIP-STARTER

под заказ340 руб.
3515175928

Шестерня Гайка (Pinion nut)

под заказ9600 руб.
3415129338

(последний код) ENS.EMBRAYAGE*KIT-CLUTCH

под заказ12760 руб.
4410922957

Пружина (Spring)

под заказ9600 руб.
4415129338

(последний код) ENS.EMBRAYAGE*KIT-CLUTCH

под заказ12760 руб.
5278001105

Шайба (Washer)

под заказ290 руб.
6515175783

Сцепление (Clutch)

под заказ8510 руб.
7278000696

Уплотнительное кольцо (O-ring)

под заказпо запросу
8515175784

Корпус в сборе (Housing assy)

под заказпо запросу
9278000695

Уплотнительное кольцо (O-ring)

под заказ1150 руб.
10410213104

Yoke в сборе (Yoke assy)

под заказпо запросу
11515175785

Якорь в сборе (Armature assy)

под заказпо запросу
12410204500

Шайба (Washer)

под заказ430 руб.
12278000056

(последний код) RONDELLE PLATE *WASHER-FLAT

под заказ340 руб.
13515175786

Держатель в сборе (Holder assy)

под заказ2520 руб.
13415129335

(последний код) ENS.BROSSES *KIT-BRUSH

под заказ3350 руб.
14515175787

Корпус в сборе (Housing assy)

под заказпо запросу
15410212100

Щётка kit (Brush kit)

под заказ1420 руб.
16278000060

Уплотнительное кольцо (O-ring)

под заказ720 руб.
16410208800

(последний код) JOINT TORIQUE *RING-O

под заказ560 руб.
17515175788

Винт (Screw)

под заказ550 руб.
17415129339

(последний код) ENS. BOULON*KIT-BOLT

под заказ710 руб.
lynx

 
 

данный сайт носит информационный характер и не является публичной офертой

склад запчастей для водомоторной техники