вконтакте

Контактный телефон: +7 (981) 121-46-93, +7 (800) 200-90-76 , Email: parts-katalog@yandex.ru, где купить

 
 

  Логин:

Пароль:

Регистрация

www.partskatalog.ru Все каталоги Запчасти Mercury Запчасти Suzuki Запчасти Tohatsu Запчасти Honda Контакты



УВАЖАЕМЫЕ КЛИЕНТЫ!
C 19 ДЕКАБРЯ 2025 ПО 02 МАРТА 2026 ГОДА ОТДЕЛ ЗАПЧАСТЕЙ И СЕРВИС РАБОТАТЬ НЕ БУДУТ
ПРОДАЖА ЛОДОЧНЫХ МОТОРОВ В ШТАТНОМ РЕЖИМЕ
ОБ ИЗМЕНЕНИЯХ В ГРАФИКЕ РАБОТЫ ЧИТАЙТЕ НА САЙТА




Выбрать другую модель

назад Раздел:   вперёд

вернуться к списку узлов и деталей

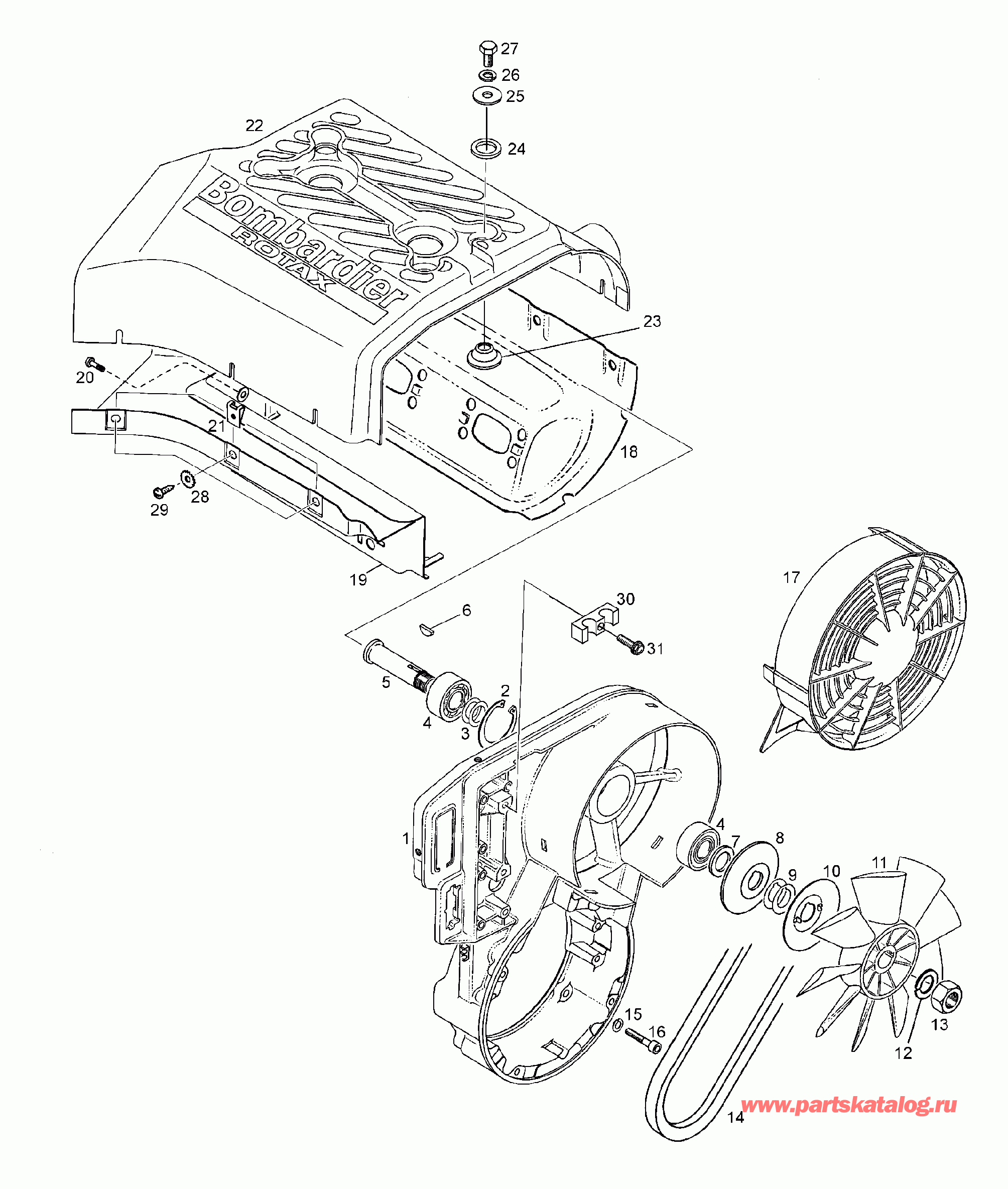
ДЕТАЛИРОВКА ДЛЯ МОДЕЛИ: LYNX Ranger FCE, 2003


Snow mobile lynx  - Rewind Стартер / Rewind Starter

Номер на
рисунке
АртикулНаименованиеКол-во
на складе
Цена
1420810952

Connecting Фланец (Connecting flange)

под заказпо запросу
2420840401

Винт M6x22 (Screw M6x22)

под заказ290 руб.
2290840401

(последний код) VIS ALLEN *SCREW-ALLEN

под заказ230 руб.
3420888219

Rewind Стартер в сборе. Includes items 3 thru 13 (Rewind starter assy. Includes items 3 thru 13)

под заказ12230 руб.
3420888217

(последний код) DEMAR.RAPPEL *STARTER-REWIND

под заказ10590 руб.
3SM-11020

     (не оригинальная запчасть) Стартер ручной BRP (в сборе) SM-11020

под заказ8 020 руб.
3420811346

Корпус стартера в сборе (Starter housing assy)

под заказ10590 руб.
3420888219

(последний код) REWIND STARTER ASSY

под заказ12230 руб.
4420939115

Пружина в сборе (Spring assy)

под заказ2300 руб.
4939115

(последний код) JOUSIPAKETTI 467Z

под заказ1800 руб.
411-158

     (не оригинальная запчасть) Пружина ручного стартера BRP 11-158

под заказ1 000 руб.
5420852480

Шнур sheave (Rope sheave)

под заказ4780 руб.
5SM-11020D

     (не оригинальная запчасть) Барабан стартера BRP SM-11020D

под заказ1 700 руб.
6420852492

Шнур стартера (2.2 m) (Starter rope (2.2 m))

под заказ440 руб.
6412500200

(последний код) ROPE-STARTER 30 метров в 1 упаковке

под заказ560 руб.
6412500100

Шнур стартера (30 m) (Starter rope (30 m))

под заказпо запросу
6420997363

(последний код) CORDE DEMARREUR*ROPE-STARTER

под заказпо запросу
6SM-12576

     (не оригинальная запчасть) Трос ручного стартера BRP SM-12576

под заказ760 руб.
7420852070

Ключ (Key)

под заказ430 руб.
7852070

(последний код) LUKKOKIILA (USE 420852070)

под заказ340 руб.
8420852296

Pawl (Pawl)

под заказ1380 руб.
8420852294

(последний код) CLIQUET *PAWL

под заказ1030 руб.
8SM-11004

     (не оригинальная запчасть) Ремкомплект ручного стартера BRP SM-11004

под заказ1 290 руб.
811-153-04

     (не оригинальная запчасть) Ремкомплект ручного стартера BRP 11-153-04

под заказ750 руб.
9420852305

Pawl lock (Pawl lock)

под заказ1150 руб.
9420852303

(последний код) BARRURE CLIQUET*LOCK-PAWL

под заказ900 руб.
10420847925

Гильза (Sleeve)

под заказ710 руб.
10420847926

(последний код) DOUILLE *SLEEVE-STAGE

под заказ1050 руб.
11420250400

Уплотнительное кольцо (O-ring)

под заказ430 руб.
12420852520

Lock Рычаг (Lock lever)

под заказ610 руб.
13420845560

Locking element (Locking element)

под заказ150 руб.
14420941250

Винт M6x20 (Screw M6x20)

под заказ380 руб.
15420897061

Silicon compound (Silicon compound)

под заказпо запросу
15897061

(последний код) SILICON-GREACE(USE 420897061)

под заказпо запросу
16572084400

Handle (Handle)

под заказ1050 руб.
16512059503

(последний код) POIGNEE DEMAR.R*GRIP-STARTER SCARL

под заказпо запросу
16SM-12167

     (не оригинальная запчасть) Ручка стартера SM-12167

под заказ740 руб.
lynx

 
 

данный сайт носит информационный характер и не является публичной офертой

склад запчастей для водомоторной техники