вконтакте

Контактный телефон: +7 (981) 121-46-93, +7 (800) 200-90-76 , Email: parts-katalog@yandex.ru, где купить

 
 

  Логин:

Пароль:

Регистрация

www.partskatalog.ru Все каталоги Запчасти Mercury Запчасти Suzuki Запчасти Tohatsu Запчасти Honda Контакты



УВАЖАЕМЫЕ КЛИЕНТЫ!
C 19 ДЕКАБРЯ 2025 ПО 02 МАРТА 2026 ГОДА ОТДЕЛ ЗАПЧАСТЕЙ И СЕРВИС РАБОТАТЬ НЕ БУДУТ
ПРОДАЖА ЛОДОЧНЫХ МОТОРОВ В ШТАТНОМ РЕЖИМЕ
ОБ ИЗМЕНЕНИЯХ В ГРАФИКЕ РАБОТЫ ЧИТАЙТЕ НА САЙТА




Выбрать другую модель

назад Раздел:   вперёд

вернуться к списку узлов и деталей

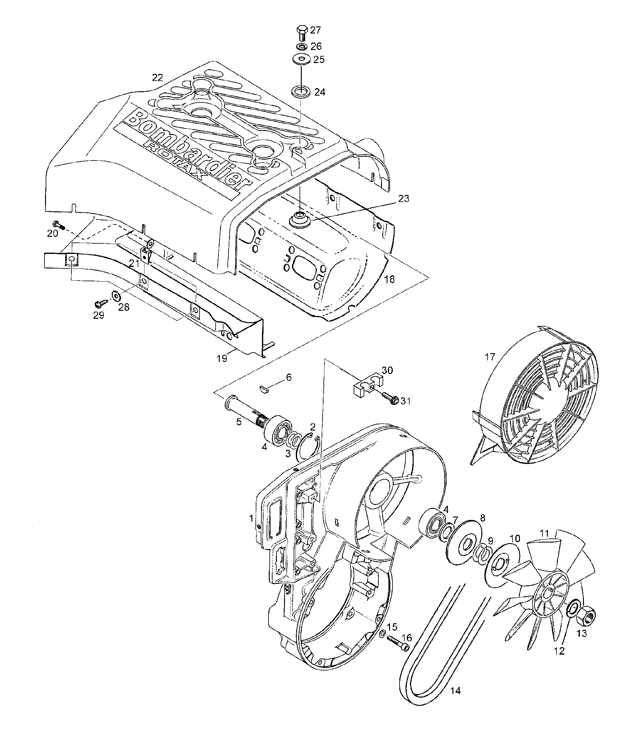
ДЕТАЛИРОВКА ДЛЯ МОДЕЛИ: LYNX Forest, 2002


Snowmobiles lynx  - Топливный бак

Номер на
рисунке
АртикулНаименованиеКол-во
на складе
Цена
15145048

Топливный бак, 37 L. (Fuel tank, 37 L.)

под заказ14890 руб.
239035

Primer Шланг 5 / 3 (Primer hose 5/3)

под заказ190 руб.
328012

Трубка (Tube)

под заказ440 руб.
3605356081

(последний код) Cover Tube (1pac=1M)

под заказ340 руб.
4572161200

Колпачок (Cap)

под заказ2920 руб.
4SM-07224

     (не оригинальная запчасть) Крышка топливного бака BRP/Polaris SM-07224

под заказ2 050 руб.
539004

Fuel line 8 / 5 (Fuel line 8/5)

под заказ1500 руб.
5

(последний код)

под заказпо запросу
6403800800

Топливный насос (Fuel pump)

под заказ4640 руб.
6A420841460

Винт + Шайба (Screw + washer)

под заказ200 руб.
6A404118500

(последний код) VIS *SCREW

под заказ210 руб.
6B190003

Комплект прокладок. Includes items 6B thru 6D (Gasket set. Includes items 6B thru 6D)

под заказпо запросу
6B420831935

Прокладка (Gasket)

под заказпо запросу
6B831935

(последний код) GASKET (USE 420831935)

под заказпо запросу
6C420861137

Помпа diaphgram (Pump diaphgram)

под заказпо запросу
6C861137

(последний код) PUMP-DIAPHGRAM

под заказпо запросу
6D420861135

Помпаcase Прокладка (Pumpcase gasket)

под заказпо запросу
6D861135

(последний код) PUMPPUKALVO (USE 420861135)

под заказпо запросу
739001

Fuel line 8 / 5 (Fuel line 8/5)

под заказ900 руб.
7415080200

(последний код) BOYAU POLYURE *POLYURETHANE HOSE

под заказ1150 руб.
8414420700

Струбцина (Clamp)

под заказ140 руб.
827414420700

(последний код) SPRING CLIP 414420700

под заказ110 руб.
927086

Струбцина (Clamp)

под заказ310 руб.
9

(последний код)

под заказпо запросу
10414865700

Топливный фильтр (Fuel filter)

под заказ630 руб.
10542743

(последний код) INTAKE ADAPTOR

под заказ500 руб.
1007-241

     (не оригинальная запчасть) Фильтр топливный в бак BRP/Polaris 07-241

под заказ590 руб.
1139030

Fuel line 8 / 5 (Fuel line 8/5)

под заказ620 руб.
12570045500

Пыльник (Grommet)

под заказ430 руб.
13414518500

Ниппель для fuelline (Nipple for fuelline)

под заказ430 руб.
14414554800

Пружина Зажим (Spring clip)

под заказ140 руб.
14414278600

(последний код) BRIDE A RESSORT*CLAMP-SPRING

под заказ110 руб.
15414363600

Топливный фильтр (Fuel filter)

под заказ900 руб.
15605352516

(последний код) FUEL FILTER (1PAC=5PCS)

под заказ1150 руб.
1507-245

     (не оригинальная запчасть) Фильтр топливный Arctic Cat/BRP 07-245

под заказ370 руб.
1633200

Гайка M6 (Nut M6)

под заказпо запросу
1633072

(последний код) NUT-FLANGE HEX. M6 DIN 6927 8.8 YIC

под заказпо запросу
1740826

Винт M6x90 (Screw M6x90)

под заказ250 руб.
18414977200

Гайка (Nut)

под заказ450 руб.
18512059364

(последний код) ECROU PLASTIQUE*NUT-PLASTIC

под заказ580 руб.
19524046

Choke Кабели (Choke cable)

под заказ2090 руб.
20415060500

Primer (Primer)

под заказ3850 руб.
20414479200

(последний код) AMORCEUR *VALVE-PRIMER

под заказ2550 руб.
21543230

Пружина Зажим (Spring clip)

под заказ500 руб.
2221067

T-piece (T-piece)

под заказ260 руб.
221411002

(последний код) RACCORD EN T *FITTING-T

под заказ640 руб.
235446811

Sвышеport (Support)

под заказ1010 руб.
245441703

Резиновый демпфер (Rubber damper)

под заказ430 руб.
25404153400

Ниппель для fuelline (Nipple for fuelline)

под заказ860 руб.
25404159100

(последний код) RACCORD *NIPPLE

под заказ680 руб.
2628015

Трубка (Tube)

под заказ1260 руб.
2725006

Пружина (Spring)

под заказ240 руб.
2833010

Гайка elastic M6 (Nut elastic M6)

под заказ20 руб.
28842042

(последний код) LOCKING NUT (USE 33010)

под заказ20 руб.
29513032923

Струбцина Трубка (Clamp tube)

под заказ220 руб.
lynx

 
 

данный сайт носит информационный характер и не является публичной офертой

склад запчастей для водомоторной техники