вконтакте

Контактный телефон: +7 (981) 121-46-93, +7 (800) 200-90-76 , Email: parts-katalog@yandex.ru, где купить

 
 

  Логин:

Пароль:

Регистрация

www.partskatalog.ru Все каталоги Запчасти Mercury Запчасти Suzuki Запчасти Tohatsu Запчасти Honda Контакты



УВАЖАЕМЫЕ КЛИЕНТЫ!
C 19 ДЕКАБРЯ 2025 ПО 02 МАРТА 2026 ГОДА ОТДЕЛ ЗАПЧАСТЕЙ И СЕРВИС РАБОТАТЬ НЕ БУДУТ
ПРОДАЖА ЛОДОЧНЫХ МОТОРОВ В ШТАТНОМ РЕЖИМЕ
ОБ ИЗМЕНЕНИЯХ В ГРАФИКЕ РАБОТЫ ЧИТАЙТЕ НА САЙТА




Выбрать другую модель

назад Раздел:   вперёд

вернуться к списку узлов и деталей

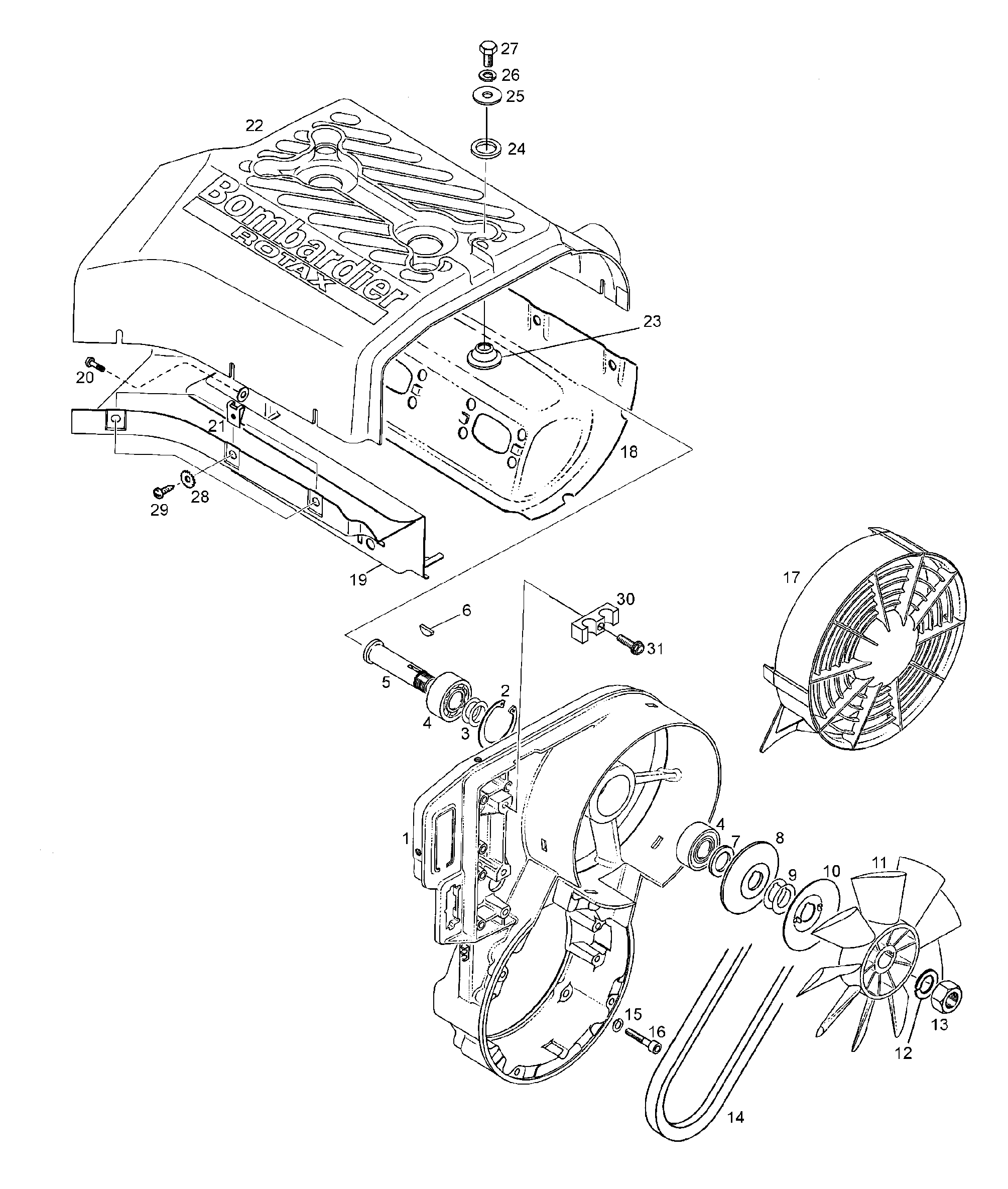
ДЕТАЛИРОВКА ДЛЯ МОДЕЛИ: LYNX Super Touring 600, 2001


Snow mobile Lynx  - Radiator, Hoses,Radiator, Шлангs

Номер на
рисунке
АртикулНаименованиеКол-во
на складе
Цена
1509000115

Coolant-tank (Coolant-tank)

под заказ3950 руб.
1509000134

(последний код) RES.ANTIGEL *TANK-COOLANT

под заказ6280 руб.
25246648

Radiator (Radiator)

под заказ13560 руб.
336083

Заклёпка (Rivet)

под заказ30 руб.
336108

(последний код) RIVET STEEL 4.8X8 ZN BRIGHT PASSIVETED

под заказ40 руб.
4509000001

Шланг (Hose)

под заказ1900 руб.
4509000135

(последний код) BOYAU ENTRE MOT*HOSE-INLET ENG

под заказ2430 руб.
5509000046

Двигатель выход Шланг (Engine outlet hose)

под заказ3220 руб.
65346349

Шланг (Hose)

под заказ5050 руб.
75346350

Radiator вход Шланг (Radiator inlet hose)

под заказ4150 руб.
8509000045

Шланг Струбцина (Hose clamp)

под заказ720 руб.
9509000005

Шланг (Hose)

под заказпо запросу
9509000112

(последний код) BOYAU *HOSE

под заказпо запросу
10517297100

Front radiator (Front radiator)

под заказпо запросу
1136489

Заклёпка (Rivet)

под заказ80 руб.
11

(последний код)

под заказпо запросу
12408800400

Шланг Струбцина (Hose clamp)

под заказ1150 руб.
12740002006

(последний код) COLLIER SERRAGE*CLAMP-GEAR

под заказ900 руб.
13414684700

Колпачок pressure (Cap pressure)

под заказ1680 руб.
13509000187

(последний код) BOUCHON RADIAT.*PRESSURE CAP

под заказ2150 руб.
13SM-10005

     (не оригинальная запчасть) Крышка расширительного бачка BRP/Polaris SM-10005

под заказ890 руб.
1439038

Overflow Шланг 9.5 / 6.5 (Overflow hose 9.5/6.5)

под заказ580 руб.
15390003

Protective shield (Protective shield)

под заказ840 руб.
1627100

Tie rap (Tie rap)

под заказпо запросу
17512059324

Клапан (Valve)

под заказ3280 руб.
18509000093

Шланг (Hose)

под заказпо запросу
19414655700

Шланг Струбцина (Hose clamp)

под заказ140 руб.
1927414655700

(последний код) SPRING CLAMP

под заказ110 руб.
20293710082

Коннектор (Connector)

под заказ720 руб.
21512047000

Датчик температура (Sender temperature)

под заказ3640 руб.
22293800018

Loctite 592, 50ml (Loctite 592, 50ml)

под заказ2800 руб.
22413702300

(последний код) ENDUIT ETANCHE *SEALANT-TEFLON

под заказ2360 руб.
23AT-08541

     (не оригинальная запчасть) Пыльник шрус AT-08541

под заказ1 460 руб.
23201-409F-01B.001

     (не оригинальная запчасть) Привод для Yamaha 201-409F-01B.001

под заказ17 260 руб.
23201-410R-01L.001

     (не оригинальная запчасть) Привод для Yamaha 201-410R-01L.001

под заказ17 260 руб.
23201-423R-01B.001

     (не оригинальная запчасть) Привод для Yamaha 201-423R-01B.001

под заказ17 260 руб.
23201-410R-01R.001

     (не оригинальная запчасть) Привод для Yamaha 201-410R-01R.001

под заказ17 260 руб.
23AT-08540

     (не оригинальная запчасть) Пыльник шрус AT-08540

под заказ1 390 руб.
23010-824PK

     (не оригинальная запчасть) Поршневой к-т Yamaha 1300R (номинал) 010-824PK

под заказ12 950 руб.
236A0-24421-01

     (не оригинальная запчасть) Клапаны в топливный насос Yamaha 6A0-24421-01

под заказнет данных
23AT-01100

     (не оригинальная запчасть) Реле стартера Yamaha AT-01100

под заказ2 810 руб.
23SM-01109

     (не оригинальная запчасть) Задний фонарь Yamaha SM-01109

под заказ3 300 руб.
236H3-11181-A0

     (не оригинальная запчасть) Прокладка под головку Yamaha 6H3-11181-A0

под заказнет данных
23010-495-01K

     (не оригинальная запчасть) Ремкомплект RAVE клапана BRP 787RFI 010-495-01K

под заказ19 400 руб.
23SM-01364

     (не оригинальная запчасть) Статор BRP SM-01364

под заказ23 730 руб.
2318-3551

     (не оригинальная запчасть) Термостат Mercruiser 18-3551

под заказ1 990 руб.
23NW-40006

     (не оригинальная запчасть) Поршневой к-т Yamaha 1300R (номинал) NW-40006

под заказ10 870 руб.
23SM-07213

     (не оригинальная запчасть) Топливный насос BRP SM-07213

под заказ9 930 руб.
23SM-07214

     (не оригинальная запчасть) Топливный насос Yamaha SM-07214

под заказ6 890 руб.
23SM-03287

     (не оригинальная запчасть) Ремкомплект ведомого вариатора Arctic Cat SM-03287

под заказ3 130 руб.
23ATV-YA-804

     (не оригинальная запчасть) Привод для квадроцикла Yamaha ATV-YA-804

под заказ14 400 руб.
23ATV-YA-809

     (не оригинальная запчасть) Привод для квадроцикла Yamaha ATV-YA-809

под заказ14 400 руб.
23SC-GS090

     (не оригинальная запчасть) Прокладка под головку Yamaha SC-GS090

под заказ1 740 руб.
23ATV-YA-808

     (не оригинальная запчасть) Привод для Yamaha ATV-YA-808

под заказ14 400 руб.
23ATV-YA-803

     (не оригинальная запчасть) Привод для Yamaha ATV-YA-803

под заказ14 400 руб.
23SM-10108

     (не оригинальная запчасть) Ремкомплект помпы охлаждения Polaris SM-10108

под заказ10 800 руб.
23SM-10107

     (не оригинальная запчасть) Ремкомплект помпы охлаждения Polaris SM-10107

под заказ15 300 руб.
24404161956

Шланг (Hose)

под заказ1400 руб.
25XXX

Струбцина. Parts Маркировкаed with <> are Не доступно as spare parts (Clamp. Parts marked with <> are not available as spare parts)

lynx

 
 

данный сайт носит информационный характер и не является публичной офертой

склад запчастей для водомоторной техники