вконтакте

Контактный телефон: +7 (981) 121-46-93, +7 (800) 200-90-76 , Email: parts-katalog@yandex.ru, где купить

 
 

  Логин:

Пароль:

Регистрация

www.partskatalog.ru Все каталоги Запчасти Mercury Запчасти Suzuki Запчасти Tohatsu Запчасти Honda Контакты



УВАЖАЕМЫЕ КЛИЕНТЫ!
C 31 ОКТЯБРЯ 2025 ПО 10 НОЯБРЯ 2025 ГОДА РАБОТАТЬ НЕ БУДЕМ




Выбрать другую модель

назад Раздел:   вперёд

вернуться к списку узлов и деталей

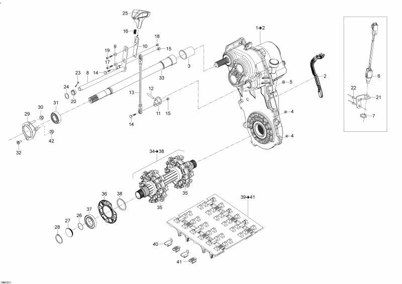
ДЕТАЛИРОВКА ДЛЯ МОДЕЛИ: SKIDOO EXPEDITION - LE-SE 4-STROKE, 2016

Раздел: Drive System | Drive System


снегоход ski-doo EXPEDITION - LE-SE 4-STROKE, 2016 раздел - Drive System

Номер на
рисунке
АртикулНаименованиеКол-во
на складе
Цена
1 619230064

Трансмиссия в сборе (Fast Ratio) Includes 1 To 2 (Transmission Assy (Fast Ratio). Includes 1 To 2)

под заказпо запросу
1 619230059

TRANSMISSION FAST 2F+N+R

под заказпо запросу
2 504152896

Датчик (Sensor)

под заказ2570 руб.
2 504152732

SENSOR ASS

под заказ1650 руб.
2 SM-01253

     (не оригинальная запчасть) Датчик скорости BRP SM-01253

под заказ3 120 руб.
3 504153054

Protective Rubber (Protective Rubber)

под заказ1240 руб.
3 504152989

PROTECTIVE RUBBER

под заказпо запросу
4 233281414

Elastic Фланец Гайка M8 (Elastic Flange Nut M8)

под заказ284 руб.
5 232581414

Эластичная гайка со стопором M8 (Elastic Stop Nut M8)

под заказ136 руб.
5 420942030

NUT-LOCK M8

под заказ110 руб.
6 515176472

Переключатель (Switch)

под заказ5140 руб.
6 515175967

SWITCH-ASSY

под заказ5590 руб.
7 250000373

Гайка (Nut)

под заказ529 руб.
8 504153288

Переключательer (Shifter)

под заказ9970 руб.
9 504152787

Гильза (Sleeve)

под заказ2070 руб.
10504153287

Переключательer Рычаг (Shifter Arm)

под заказ3640 руб.
11504153280

Рычаг (Lever)

под заказ5640 руб.
1241012

Стопор пружины 6 x 30 (Spring Pin 6 x 30)

под заказ375 руб.
12063030

GOUP.RETENUE *PIN-RETAINER

под заказ20 руб.
13504153258

Переключательer Тяга (Shifter Rod)

под заказ3280 руб.
14250000677

Болт Carriage M6 x 20 (Bolt Carriage M6 x 20)

под заказ189 руб.
15232561434

Эластичная гайка со стопором M6 (Elastic Stop Nut M6)

под заказ263 руб.
16504152882

Пружина (Spring)

под заказ2500 руб.
17205052544

Socket Head Винт M5 x 25 (Socket Head Screw M5 x 25)

под заказ284 руб.
18233251434

Гайка M5 (Nut M5)

под заказ284 руб.
1833062

NUT M5

под заказ230 руб.
19250000676

дляming Винт M5 x 16 (Forming Screw M5 x 16)

под заказ98 руб.
19732600030

SCREW-FORMING

под заказпо запросу
20504152890

Втулка (Bushing)

под заказ3280 руб.
21504152902

Датчик Кронштейн (Sensor Bracket)

под заказ1060 руб.
22293150163

Заклёпка (Rivet)

под заказ223 руб.
23250400035

Шплинт (Cotter Pin)

под заказ263 руб.
24503189273

Шайба (Washer)

под заказ428 руб.
25504152837

Переключательer Handle (Shifter Handle)

под заказ5210 руб.
26293300122

Уплотнительное кольцо (O-Ring)

под заказ146 руб.
26SM-03178

     (не оригинальная запчасть) Комплект подшипников BRP SM-03178

под заказ2 620 руб.
27504152619

Magnetic Колпачок (Magnetic Cap)

под заказ1930 руб.
27504152620

CAPUCHON *CAP

под заказ1260 руб.
28504152572

Стопорное кольцо (Circlip)

под заказ452 руб.
29504153187

Подшипник Корпус (Bearing Housing)

под заказ1640 руб.
30233281414

Elastic Фланец Гайка M8 (Elastic Flange Nut M8)

под заказ284 руб.
31293350074

Шариковый подшипник (Ball Bearing)

под заказ3000 руб.
31CS205LLU X AS3S5

     (не оригинальная запчасть) Подшипник CS205LLU (CS205LLU X AS3S5)

под заказ1 150 руб.
32235381646

Torx Винт M8 x 16 (Torx Screw M8 x 16)

под заказ284 руб.
32250000025

SCREW-TORX CTSK.FL.HD.S.GRIP M8 X 16

под заказ230 руб.
33504152963

Counter Вал. Model-900 ACE (Counter Shaft. Model-900 ACE)

под заказ17550 руб.
33504153292

Counter Вал. Model-1200 4-TEC (Counter Shaft. Model-1200 4-TEC)

под заказ18870 руб.
34504153210

Drive Axle в сборе. Includes 34 To 38 (Drive Axle Assy. Includes 34 To 38)

под заказ42400 руб.
34504153104

AXLE-DRIVE ASSY

под заказ46100 руб.
35XXX

RH Цепное колесо ЗВЕЗДОЧКА (8 T) (RH Sprocket (8 T))

35XXX

LH Цепное колесо ЗВЕЗДОЧКА (8 T) (LH Sprocket (8 T))

36504152949

Стопорное кольцо (Retaining Ring)

под заказ1150 руб.
37293350059

Шариковый подшипник (Ball Bearing)

под заказ3950 руб.
37504152573

ROULEMENT BILLE*BALL BEARING

под заказпо запросу
376010DUCM D 5

     (не оригинальная запчасть) Подшипник 6010DUCM (6010DUCM D 5)

под заказ1 270 руб.
37SM-03178

     (не оригинальная запчасть) Комплект подшипников BRP SM-03178

под заказ2 620 руб.
38504153207

Регулировочная шайба (Shim)

под заказ689 руб.
39605613004

Track в сборе (500 x 3923 x 38) Includes 39 To 41, Model-Европа (Track Assy (500 x 3923 x 38). Includes 39 To 41, Model-Europe)

под заказ101100 руб.
39504152817

Track в сборе (500 x 3923 x 32) Includes 39 To 41, Model-North America (Track Assy (500 x 3923 x 32). Includes 39 To 41, Model-North America)

под заказ91700 руб.
40415129528

Направляющая. Model-Европа (Guide. Model-Europe)

под заказ223 руб.
40504152410

GUIDE *CLIP

под заказ140 руб.
40XXX

Направляющая. Model-North America (Guide. Model-North America)

41504152651

Cleat. Model-Европа (Cleat. Model-Europe)

под заказ601 руб.
41504151839

AGRAFE PLATE *CLEAT

под заказ230 руб.
41XXX

Cleat. Model-North America (Cleat. Model-North America)

42233261414

Elastic Фланец Гайка M6 (Elastic Flange Nut M6)

под заказ284 руб.
ski-doo

Время выполнения запроса 2.4540867805481 сек.


 
 

данный сайт носит информационный характер и не является публичной офертой

склад запчастей для водомоторной техники