вконтакте

Контактный телефон: +7 (981) 121-46-93, +7 (800) 200-90-76 , Email: parts-katalog@yandex.ru, где купить

 
 

  Логин:

Пароль:

Регистрация

www.partskatalog.ru Все каталоги Запчасти Mercury Запчасти Suzuki Запчасти Tohatsu Запчасти Honda Контакты



УВАЖАЕМЫЕ КЛИЕНТЫ!
C 31 ОКТЯБРЯ 2025 ПО 10 НОЯБРЯ 2025 ГОДА РАБОТАТЬ НЕ БУДЕМ




Выбрать другую модель

назад Раздел:   вперёд

вернуться к списку узлов и деталей

ДЕТАЛИРОВКА ДЛЯ МОДЕЛИ: SKIDOO MXZ IRON DOG 600HO E-TEC, 2015

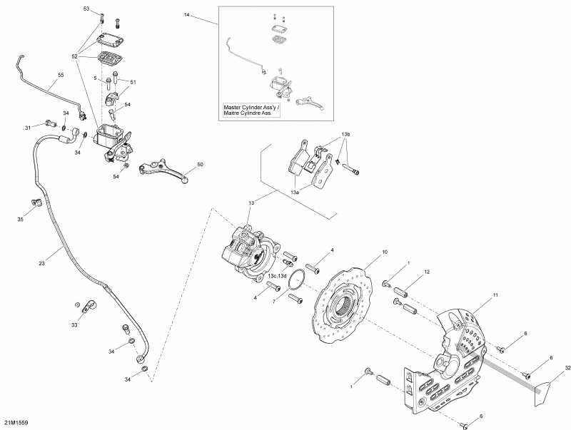
Раздел: тормозs 21m1559 | Brakes 21m1559


снегоход - 21m1559

Номер на
рисунке
АртикулНаименованиеКол-во
на складе
Цена
1 207761644

Carriage Болт M6 X 16 (Carriage Bolt M6 X 16)

под заказ284 руб.
4 250000301

Torx Винт M8 X 35, Scotch Рукоятка (Torx Screw M8 X 35, Scotch Grip)

под заказ242 руб.
5 250000447

Hex Фланецd Винт M6 X 25 (Hex Flanged Screw M6 X 25)

под заказ284 руб.
6 250000717

Torx Head Винт M6 X 16 (Torx Head Screw M6 X 16)

под заказ175 руб.
7 293300134

Уплотнительное кольцо (O-Ring)

под заказ162 руб.
10507032487

Disk (Disk)

под заказ11430 руб.
10507032467

DISQUE USINE *DISK-MACH.

под заказ8730 руб.
11507032492

чёрный Disk Защита (Black Disk Protector)

под заказ3430 руб.
12507032497

Threaded Трубка (Threaded Tube)

под заказ909 руб.
12507032469

TUBE FILETE *THREAD TUBING

под заказ480 руб.
13507032500

тормоз Caliper в сборе. Includes 13 To 13d (Brake Caliper Assy. Includes 13 To 13d)

под заказ22300 руб.
13507032594

BRAKE CALIPER ASS-Y H

под заказ28500 руб.
13507032473

тормоз Pads Kit (Brake Pads Kit)

под заказ8000 руб.
13507032486

PLAQUET FREIN *BRAKE PADS

под заказпо запросу
1305-252F

     (не оригинальная запчасть) Тормозные колодки BRP 05-252F

под заказ2 640 руб.
13507032474

Штифт, Зажим & Пружина Kit (Pin, Clip & Spring Kit)

под заказ2920 руб.
13507032475

Bleeder (Bleeder)

под заказ1300 руб.
13414989700

Boot (Boot)

под заказ2340 руб.
14507032529

Master Цилиндр в сборе (Master Cylinder Assy)

под заказ17250 руб.
14507032596

MASTER CYLINDER

под заказ20700 руб.
23507032540

Шланг (Hose)

под заказ3350 руб.
31507032551

Banjo Болт (Banjo Bolt)

под заказ311 руб.
32516005525

Наклейка - предупреждение (Warning Decal)

под заказпо запросу
33518321570

Open Струбцина (Open Clamp)

под заказ572 руб.
34705600310

Copper Шайба (Copper Washer)

под заказ284 руб.
35705600459

Струбцина (Clamp)

под заказ365 руб.
35293650256

CLAMP

под заказ480 руб.
50507032476

Рычаг (Lever)

1 шт4780 руб.
50SM-08586

     (не оригинальная запчасть) Комплект тормозной ручки BRP SM-08586

под заказ5 050 руб.
50SM-08582

     (не оригинальная запчасть) Комплект тормозной ручки BRP (с подогревом) SM-08582

под заказ12 430 руб.
50SM-08586-B

     (не оригинальная запчасть) Рычаг парковочного тормоза BRP SM-08586-B

под заказ2 410 руб.
51507032477

Струбцина и Винт Kit (Clamp And Screw Kit)

под заказ2010 руб.
51705601022

ENS.ATTACHE *BRACKET-KIT

под заказ1570 руб.
52507032478

Master Цилиндр Резервуар в сборе (Master Cylinder Reservoir Assy)

под заказ5640 руб.
52SM-05404

     (не оригинальная запчасть) Ремкомплект главного тормозного цилиндра BRP SM-05404

под заказ2 130 руб.
52SM-05450BK

     (не оригинальная запчасть) Защита бачка BRP SM-05450BK

под заказ5 590 руб.
53415129356

Винт M4 X 20 (Screw M4 X 20)

под заказ160 руб.
54415030000

Штифт в сборе (Pin Assy)

под заказ1290 руб.
54507032280

AXE *PIN

под заказ970 руб.
55507032479

MicroПереключатель (Microswitch)

под заказ5210 руб.
55SM-01028

     (не оригинальная запчасть) Выключатель стоп-сигнала BRP SM-01028

под заказ5 170 руб.
55SM-01575

     (не оригинальная запчасть) Выключатель стоп-сигнала Arctic Cat/BRP SM-01575

под заказ5 280 руб.
ski-doo

Время выполнения запроса 0.60383796691895 сек.


 
 

данный сайт носит информационный характер и не является публичной офертой

склад запчастей для водомоторной техники