вконтакте

Контактный телефон: +7 (981) 121-46-93, +7 (800) 200-90-76 , Email: parts-katalog@yandex.ru, где купить

 
 

  Логин:

Пароль:

Регистрация

www.partskatalog.ru Все каталоги Запчасти Mercury Запчасти Suzuki Запчасти Tohatsu Запчасти Honda Контакты



УВАЖАЕМЫЕ КЛИЕНТЫ!
C 19 ДЕКАБРЯ 2025 ПО 02 МАРТА 2026 ГОДА ОТДЕЛ ЗАПЧАСТЕЙ И СЕРВИС РАБОТАТЬ НЕ БУДУТ
ПРОДАЖА ЛОДОЧНЫХ МОТОРОВ В ШТАТНОМ РЕЖИМЕ
ОБ ИЗМЕНЕНИЯХ В ГРАФИКЕ РАБОТЫ ЧИТАЙТЕ НА САЙТА




Выбрать другую модель

назад Раздел:   вперёд

вернуться к списку узлов и деталей

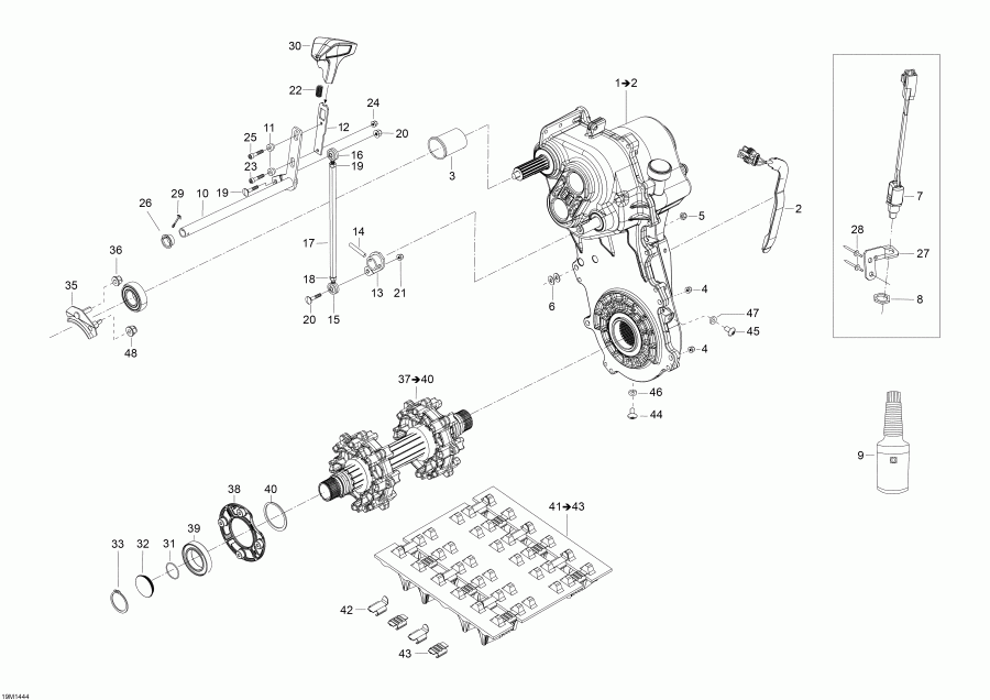
ДЕТАЛИРОВКА ДЛЯ МОДЕЛИ: SKIDOO Skandic WT 600HOETEC XU, 2014

Раздел: Drive System | Drive System


snowmobile Ski Doo Skandic WT 600HOETEC XU, 2014 - Drive System

Номер на
рисунке
АртикулНаименованиеКол-во
на складе
Цена
1 504153219

Трансмиссия в сборе (Slow Ratio) Includes 1 To 2 (Transmission Assy (Slow Ratio). Includes 1 To 2)

под заказ186400 руб.
1 619230058

Transmission Ass-y Skandic WT

под заказ183300 руб.
2 504152896

Датчик (Sensor)

под заказ2570 руб.
2 504152732

SENSOR ASS

под заказ1650 руб.
2 SM-01253

     (не оригинальная запчасть) Датчик скорости BRP SM-01253

под заказ3 120 руб.
3 504153054

Protective Rubber (Protective Rubber)

под заказ1240 руб.
3 504152989

PROTECTIVE RUBBER

под заказпо запросу
4 233281414

Hex. Фланецd Elastic Гайка M8 (Hex. Flanged Elastic Nut M8)

под заказ284 руб.
5 232581414

Hex. Эластичная гайка со стопором M8 (Hex. Elastic Stop Nut M8)

под заказ136 руб.
5 420942030

NUT-LOCK M8

под заказ110 руб.
6 503193095

Шайба (Washer)

под заказ93 руб.
7 515176472

Переключатель в сборе (Switch Assy)

под заказ5140 руб.
7 515175967

SWITCH-ASSY

под заказ5590 руб.
8 250000373

Brass Гайка (Brass Nut)

под заказ529 руб.
9 293600140

Шестерняbox oil 12 x 355ml (Gearbox oil 12 x 355ml)

под заказ2380 руб.
9 619590182

XPS synthetic Gearbox Oil 1L 75W-140 (293600140) x12

под заказ2030 руб.
10504152887

Рычаг Переключательer (Lever Shifter)

под заказпо запросу
11504152787

Гильза (Sleeve)

под заказ2070 руб.
12504152831

Переключательer Рычаг (Shifter Arm)

под заказ1360 руб.
13504152834

Welded Рычаг (Welded Lever)

под заказ5640 руб.
14M41012

Фиксатор Штифт (Retainer Pin)

под заказ133 руб.
15707000689

RH Шаровое соединение (RH Ball Joint)

под заказ3720 руб.
16707000690

LH Шаровое соединение (LH Ball Joint)

под заказ3720 руб.
17504152836

Тяга (Rod)

под заказ4430 руб.
18232061414

Hex. Гайка M6 (Hex. Nut M6)

под заказ284 руб.
18540802021

NUT-HEX.M6

под заказ230 руб.
19232066414

LH Hex. Гайка M6 (LH Hex. Nut M6)

под заказ572 руб.
19732610046

NUT-HEX.LH.THREAD DIN.934 L

под заказ450 руб.
20207762044

Carriage Болт M6 X 20 (Carriage Bolt M6 X 20)

под заказ284 руб.
2040866

SCREW

под заказ230 руб.
21232561434

Эластичная гайка со стопором M6 (Elastic Stop Nut M6)

под заказ263 руб.
22504152882

Пружина (Spring)

под заказ2500 руб.
23205052544

Socket Винт M5 X 25 (Socket Screw M5 X 25)

под заказ284 руб.
24233251434

Фланецd Elastic Гайка M5 (Flanged Elastic Nut M5)

под заказ284 руб.
2433062

NUT M5

под заказ230 руб.
25250000676

дляming Винт M5 x 16 (Forming Screw M5 x 16)

под заказ98 руб.
25732600030

SCREW-FORMING

под заказпо запросу
26504152890

Подшипник (Bearing)

под заказ3280 руб.
27504152902

Датчик Кронштейн (Sensor Bracket)

под заказ1060 руб.
28293150163

Заклёпка Hucklok 4, 8 mm HKLP-R6-5GAT (Rivet Hucklok 4,8 mm HKLP-R6-5GAT)

под заказ223 руб.
29250400035

Шплинт (Cotter Pin)

под заказ263 руб.
30504152837

Handle (Handle)

под заказ5210 руб.
31293300122

Уплотнительное кольцо (O-Ring)

под заказ146 руб.
31SM-03178

     (не оригинальная запчасть) Комплект подшипников BRP SM-03178

под заказ2 620 руб.
32504152619

Magnetic Колпачок (Magnetic Cap)

под заказ1930 руб.
32504152620

CAPUCHON *CAP

под заказ1260 руб.
33504152572

Стопорное кольцо (Circlip)

под заказ452 руб.
34XXX

Synthetic Смазка (Synthetic Grease)

35504152974

Подшипник Корпус (Bearing Housing)

под заказ1230 руб.
35504152633

LOGEMENT ROUL. *HOUS. BEARING

под заказпо запросу
36233281414

Hex. Фланецd Elastic Гайка M8 (Hex. Flanged Elastic Nut M8)

под заказ284 руб.
37504153210

Drive Axle в сборе. Includes 37 To 40 (Drive Axle Assy. Includes 37 To 40)

под заказ42400 руб.
37504153104

AXLE-DRIVE ASSY

под заказ46100 руб.
38504152949

Корпус Подшипник (Housing Bearing)

под заказ1150 руб.
39293350059

Шариковый подшипник (Ball Bearing)

под заказ3950 руб.
39504152573

ROULEMENT BILLE*BALL BEARING

под заказпо запросу
396010DUCM D 5

     (не оригинальная запчасть) Подшипник 6010DUCM (6010DUCM D 5)

под заказ1 270 руб.
39SM-03178

     (не оригинальная запчасть) Комплект подшипников BRP SM-03178

под заказ2 620 руб.
40504153207

Регулировочная шайба (Shim)

под заказ689 руб.
41605613004

Track 500x39xx (38) Includes 41 To 43 (Track 500x39xx (38). Includes 41 To 43)

под заказ101100 руб.
42415129528

Track Направляющая (Track Guide)

под заказ223 руб.
42504152410

GUIDE *CLIP

под заказ140 руб.
43504152651

Cleat (Cleat)

под заказ601 руб.
43504151839

AGRAFE PLATE *CLEAT

под заказ230 руб.
44619230037

Allen Винт M8 x 10 (Allen Screw M8 x 10)

под заказ149 руб.
45619230038

Allen Винт M10 x 16 (Allen Screw M10 x 16)

под заказ149 руб.
46615580812

Прокладка Кольцо (Gasket Ring)

под заказ183 руб.
47619230047

Кольцевой сальник (Seal Ring)

под заказ75 руб.
48233261414

Hex. Фланецd Elastic Гайка M6 (Hex. Flanged Elastic Nut M6)

под заказ284 руб.
ski-doo

Время выполнения запроса 2.6307117938995 сек.


 
 

данный сайт носит информационный характер и не является публичной офертой

склад запчастей для водомоторной техники