вконтакте

Контактный телефон: +7 (981) 121-46-93, +7 (800) 200-90-76 , Email: parts-katalog@yandex.ru, где купить

 
 

  Логин:

Пароль:

Регистрация

www.partskatalog.ru Все каталоги Запчасти Mercury Запчасти Suzuki Запчасти Tohatsu Запчасти Honda Контакты



УВАЖАЕМЫЕ КЛИЕНТЫ!
C 19 ДЕКАБРЯ 2025 ПО 02 МАРТА 2026 ГОДА ОТДЕЛ ЗАПЧАСТЕЙ И СЕРВИС РАБОТАТЬ НЕ БУДУТ
ПРОДАЖА ЛОДОЧНЫХ МОТОРОВ В ШТАТНОМ РЕЖИМЕ
ОБ ИЗМЕНЕНИЯХ В ГРАФИКЕ РАБОТЫ ЧИТАЙТЕ НА САЙТА




Выбрать другую модель

назад Раздел:   вперёд

вернуться к списку узлов и деталей

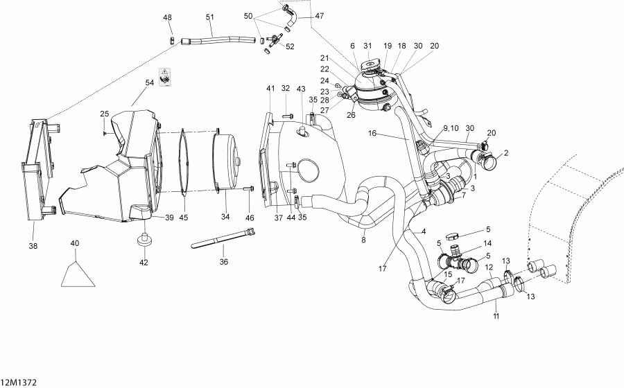
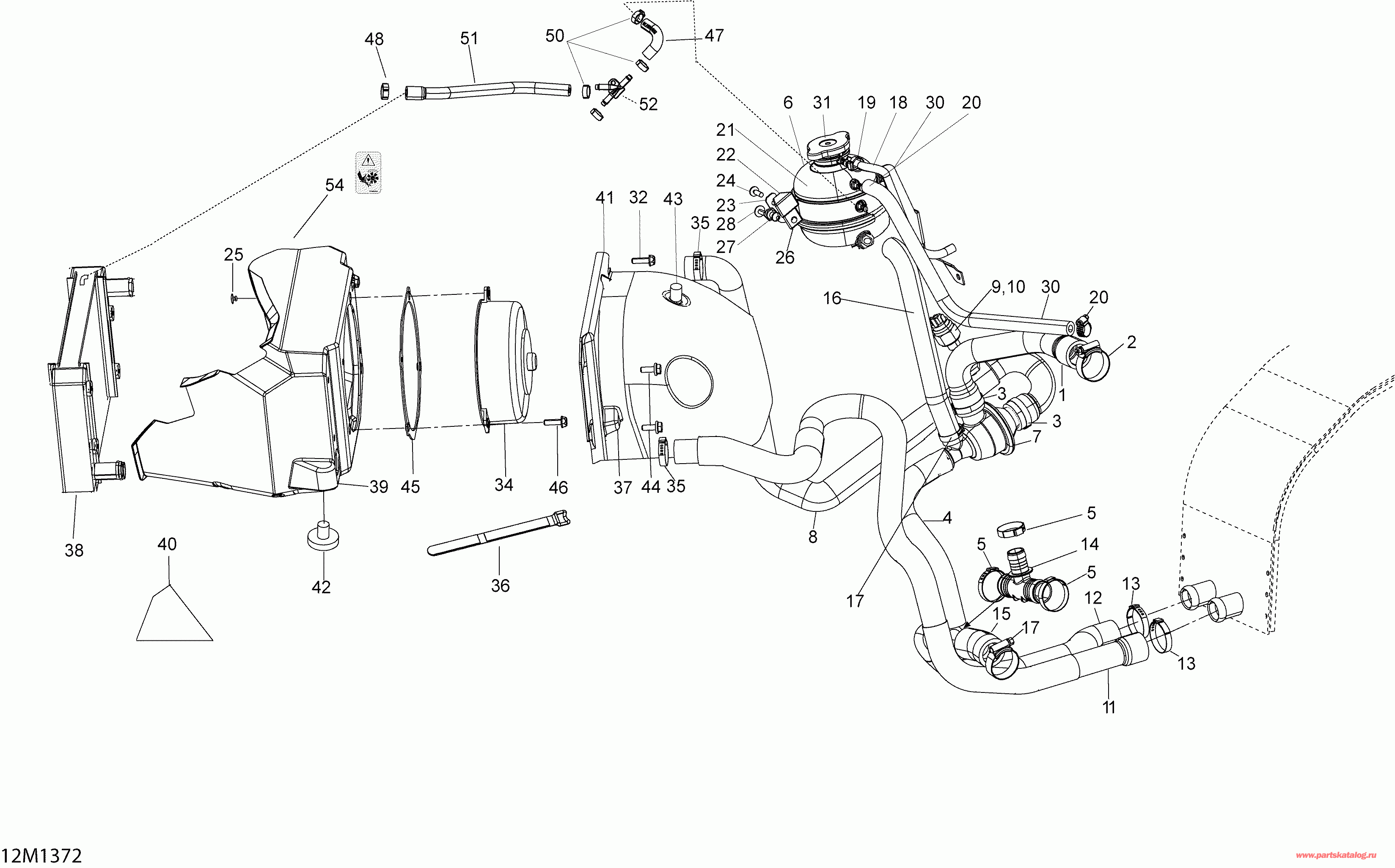
ДЕТАЛИРОВКА ДЛЯ МОДЕЛИ: SKIDOO EXPEDITION SE 600HOE, REV XU, 2013

Раздел: Охлаждение System | Cooling System


снегоход  модификация EXPEDITION SE 600HOE, REV XU, 2013 - Cooling System

Номер на
рисунке
АртикулНаименованиеКол-во
на складе
Цена
1 509000595

Двигатель выход Шланг (Engine Outlet Hose)

под заказ1050 руб.
2 509000443

Aba Шестерня Струбцина (Aba Gear Clamp)

под заказ800 руб.
3 509000443

Aba Шестерня Струбцина (Aba Gear Clamp)

под заказ800 руб.
4 509000523

Bypass Шланг (Bypass Hose)

под заказ4290 руб.
5 509000443

Aba Шестерня Струбцина (Aba Gear Clamp)

под заказ800 руб.
6 219700362

Antifreeze Bottle12X1 (Antifreeze Bottle12X1)

под заказ538 руб.
6 619590183

Antifreeze 946 ml ( 219700362 )

под заказ640 руб.
7 509000499

Термостат Корпус (Thermostat Housing)

под заказ2920 руб.
8 509000737

Шланг Radiator (Hose Radiator)

под заказ11030 руб.
9 XXX

Переключатель (Switch)

10XXX

Loctite 59231 (Loctite 59231)

11509000588

Air Radiator Шланг (Air Radiator Hose)

под заказ4290 руб.
12509000589

Return Radiator Шланг (Return Radiator Hose)

под заказ3280 руб.
13509000443

Aba Шестерня Струбцина (Aba Gear Clamp)

под заказ800 руб.
14509000372

T-Fitting (T-Fitting)

под заказ859 руб.
15509000675

Двигатель вход Шланг (Engine Inlet Hose)

под заказ1120 руб.
15509000557

BOYAU RADIATEUR*RADIATOR HOSE

под заказпо запросу
16509000736

Filling Шланг (Filling Hose)

под заказ2570 руб.
17509000442

Шестерня Струбцина (Gear Clamp)

под заказ428 руб.
17420851663

CLAMP

под заказ340 руб.
18276000048

Шланг 6 mm (Hose 6 mm)

под заказ715 руб.
18513033562

BOYAU *HOSE

под заказ560 руб.
19293650170

Tridon Шестерня Струбцина (Tridon Gear Clamp)

под заказ284 руб.
19293650128

BRIDE SERRAGE *HOSE CLAMP

под заказ230 руб.
20293650047

Crimp Струбцина (Crimp Clamp)

под заказ284 руб.
21509000368

Coolant Tank (Coolant Tank)

под заказ6360 руб.
22509000852

Резервуар sвышеport (Reservoir support)

под заказ4640 руб.
23509000609

Sвышеport (Support)

под заказ1640 руб.
24250000146

Truss Head Torx Винт K50 X 16 (Truss Head Torx Screw K50 X 16)

под заказ222 руб.
24250000720

TORX-SCREW TRUSS HEAD PT.K50X16

под заказ140 руб.
24SM-06020

     (не оригинальная запчасть) Крепеж для стекла BRP SM-06020

под заказ890 руб.
25M36005

Заклёпка (Rivet)

под заказ52 руб.
26509000609

Sвышеport (Support)

под заказ1640 руб.
27517303439

Ручка (Knob)

под заказ428 руб.
27517302719

BOUTON *KNOB

под заказ340 руб.
27SM-06020

     (не оригинальная запчасть) Крепеж для стекла BRP SM-06020

под заказ890 руб.
28250000146

Truss Head Torx Винт K50 X 16 (Truss Head Torx Screw K50 X 16)

под заказ222 руб.
28250000720

TORX-SCREW TRUSS HEAD PT.K50X16

под заказ140 руб.
28SM-06020

     (не оригинальная запчасть) Крепеж для стекла BRP SM-06020

под заказ890 руб.
30509000599

Шланг 5.2 mm (Hose 5.2 mm)

под заказ1160 руб.
31509000187

Pressure Колпачок (Pressure Cap)

под заказ2150 руб.
31414684700

BOUCHON RADIAT.*CAP-PRESSURE

под заказ1680 руб.
31SM-10005

     (не оригинальная запчасть) Крышка расширительного бачка BRP/Polaris SM-10005

под заказ890 руб.
32210262040

Hex. Фланецd Винт M6 X 20 (Hex. Flanged Screw M6 X 20)

под заказ284 руб.
34509000837

Fan (Fan)

под заказ14090 руб.
34509000456

COOLING FAN

под заказ12550 руб.
35293650099

Oetiker Шестерня Струбцина (Oetiker Gear Clamp)

под заказ428 руб.
36508000532

Velcro Strip (Velcro Strip)

под заказ731 руб.
36508000820

BANDE VELCRO *VELCRO-STRIP

под заказ650 руб.
37508000572

Бампер (Bumper)

под заказ529 руб.
38509000756

Radiator (Radiator)

под заказ12760 руб.
39509000739

Охлаждение fan Колпак (Cooling fan shroud)

под заказ993 руб.
39509000489

FAN SHROUD

под заказ920 руб.
40509000615

Foam (Foam)

под заказ1850 руб.
41509000558

Deflector (Deflector)

под заказ1500 руб.
42570044700

Rubber Бампер (Rubber Bumper)

под заказ763 руб.
43710000992

Зажим (Clip)

под заказ284 руб.
44207661244

Hex. Фланецd Винт M6 X 12 (Hex. Flanged Screw M6 X 12)

под заказ284 руб.
44420640593

SCREW-HEX

под заказ230 руб.
45509000614

Винт Пластина (Screw plate)

под заказ1710 руб.
46210262040

Hex. Фланецd Винт M6 X 20 (Hex. Flanged Screw M6 X 20)

под заказ284 руб.
47509000792

дляmed Шланг (Formed Hose)

под заказ5140 руб.
48293650053

Crimp Струбцина (Crimp Clamp)

под заказ284 руб.
49509000626

Radiator (Radiator)

под заказ18400 руб.
49509000975

TUNNEL RADIATOR ETEC

под заказ58000 руб.
50293650047

Crimp Струбцина (Crimp Clamp)

под заказ284 руб.
51509000776

Шланг (Hose)

под заказ832 руб.
52293710140

Y-Fitting (Y-Fitting)

под заказ529 руб.
53293650025

Oetiker Шестерня Струбцина (Oetiker Gear Clamp)

под заказ284 руб.
54516003923

Наклейка - предупреждение (Warning Decal)

под заказ1010 руб.
ski-doo

Время выполнения запроса 4.3707540035248 сек.


 
 

данный сайт носит информационный характер и не является публичной офертой

склад запчастей для водомоторной техники