вконтакте

Контактный телефон: +7 (981) 121-46-93, +7 (800) 200-90-76 , Email: parts-katalog@yandex.ru, где купить

 
 

  Логин:

Пароль:

Регистрация

www.partskatalog.ru Все каталоги Запчасти Mercury Запчасти Suzuki Запчасти Tohatsu Запчасти Honda Контакты



УВАЖАЕМЫЕ КЛИЕНТЫ!
C 19 ДЕКАБРЯ 2025 ПО 02 МАРТА 2026 ГОДА ОТДЕЛ ЗАПЧАСТЕЙ И СЕРВИС РАБОТАТЬ НЕ БУДУТ
ПРОДАЖА ЛОДОЧНЫХ МОТОРОВ В ШТАТНОМ РЕЖИМЕ
ОБ ИЗМЕНЕНИЯХ В ГРАФИКЕ РАБОТЫ ЧИТАЙТЕ НА САЙТА




Выбрать другую модель

назад Раздел:   вперёд

вернуться к списку узлов и деталей

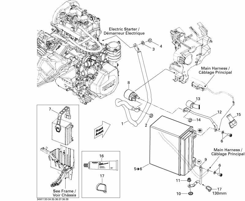
ДЕТАЛИРОВКА ДЛЯ МОДЕЛИ: SKIDOO Grand Touring Sport 600ACE, 2011

Раздел: Battery и Стартер | Battery And Starter


Skidoo Grand Touring Sport 600ACE, 2011 раздел - Battery и Стартер

Номер на
рисунке
АртикулНаименованиеКол-во
на складе
Цена
1 515176966

Battery Провод (Battery Wire)

под заказ2280 руб.
2 232561414

Эластичная гайка со стопором M6 (Elastic Stop Nut M6)

под заказ130 руб.
2 420842040

NUT-STOP ELASTIC DIN.985

под заказ110 руб.
3 234061410

плоский Шайба 6 mm (Flat Washer 6 mm)

под заказ263 руб.
3 711244213

RONDELLE *WASHER

под заказ210 руб.
4 232561414

Эластичная гайка со стопором M6 (Elastic Stop Nut M6)

под заказ130 руб.
4 420842040

NUT-STOP ELASTIC DIN.985

под заказ110 руб.
5 296000295

Battery 18 Amp. Includes 5 to 6 (Battery 18 Amp. Includes 5 to 6)

2 шт12230 руб.
5 415129898

BATTERIE 18 AMP*BATTERY 18 AMP

под заказ11300 руб.
6 295500849

Battery Защелка Kit (Battery Fastener Kit)

под заказ672 руб.
6 250000282

BOULON BATTERIE*BOLT KIT

под заказ860 руб.
7 515176944

Хомут (Strap)

под заказ691 руб.
8 515176942

Стартер Реле (Starter Relay)

под заказ3570 руб.
9 515176943

Провод заземления (Ground Wire)

под заказ1080 руб.
10250200041

Шайба с блокировкой Serrated M6 (Lock Washer Serrated M6)

под заказ284 руб.
10250200000

WASHER-LOCK SERRATED INT.& EXT.M6

под заказ230 руб.
11233261414

Hex. Фланецd Elastic Гайка M6 (Hex. Flanged Elastic Nut M6)

под заказ284 руб.
12515177007

Battery Провод (Battery Wire)

под заказ1080 руб.
13515175919

Защита Колпачок (Protector Cap)

под заказ1290 руб.
14232561414

Эластичная гайка со стопором M6 (Elastic Stop Nut M6)

под заказ130 руб.
14420842040

NUT-STOP ELASTIC DIN.985

под заказ110 руб.
15710000495

Защита Колпачок (Protector Cap)

под заказ1000 руб.
16293550004

Dielectric Смазка, 150 g (Dielectric Grease, 150 g)

под заказ4740 руб.
16747018002

GRAISSE *GREASE

под заказ3710 руб.
17293750001

Tie-Rap 94 mm (Tie-Rap 94 mm)

под заказ90 руб.
17420866718

TIE RAP *TIE-RAP

под заказ110 руб.
17293750002

Tie-Rap 130 mm (Tie-Rap 130 mm)

под заказ130 руб.
17293750009

Tie-Rap 173 mm (Tie-Rap 173 mm)

под заказ138 руб.
17414115200

Tie-Rap 180 mm (Tie-Rap 180 mm)

под заказ130 руб.
17414587300

TIE RAP *TIE-RAP

под заказ110 руб.
17293750008

Tie-Rap 350 mm (Tie-Rap 350 mm)

под заказ138 руб.
17748001001

TIE RAP 350MM *TIE RAP 350MM

под заказ110 руб.
ski-doo

Время выполнения запроса 0.98027086257935 сек.


 
 

данный сайт носит информационный характер и не является публичной офертой

склад запчастей для водомоторной техники