вконтакте

Контактный телефон: +7 (981) 121-46-93, +7 (800) 200-90-76 , Email: parts-katalog@yandex.ru, где купить

 
 

  Логин:

Пароль:

Регистрация

www.partskatalog.ru Все каталоги Запчасти Mercury Запчасти Suzuki Запчасти Tohatsu Запчасти Honda Контакты



УВАЖАЕМЫЕ КЛИЕНТЫ!
C 31 ОКТЯБРЯ 2025 ПО 10 НОЯБРЯ 2025 ГОДА РАБОТАТЬ НЕ БУДЕМ




Выбрать другую модель

назад Раздел:   вперёд

вернуться к списку узлов и деталей

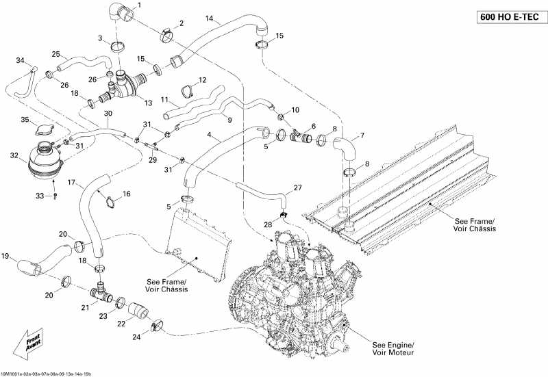
ДЕТАЛИРОВКА ДЛЯ МОДЕЛИ: SKIDOO GSX LE 600HO ETEC, 2010

Раздел: Охлаждение System | Cooling System


snowmobile Ski Doo GSX LE 600HO ETEC, 2010 - Cooling System

Номер на
рисунке
АртикулНаименованиеКол-во
на складе
Цена
1 509000678

Двигатель выход Шланг (Engine Outlet Hose)

под заказ1500 руб.
1 509000417

BOYAU SORTIE MO*HOSE-OUTLET EN

под заказпо запросу
2 509000443

Aba Шестерня Струбцина (Aba Gear Clamp)

под заказ800 руб.
3 509000529

Oetiker Шестерня Струбцина (Oetiker Gear Clamp)

под заказ715 руб.
4 509000670

Radiator Шланг (Radiator Hose)

под заказ2710 руб.
4 509000553

BOYAU INTER RAD*HOSE-RADIATOR

под заказ2130 руб.
5 509000529

Oetiker Шестерня Струбцина (Oetiker Gear Clamp)

под заказ715 руб.
6 509000510

T-Fitting (T-Fitting)

под заказ614 руб.
6 509000336

RACCORD EN T *T-FITTING

под заказпо запросу
7 509000671

Radiator Шланг (Radiator Hose)

под заказ1100 руб.
8 509000529

Oetiker Шестерня Струбцина (Oetiker Gear Clamp)

под заказ715 руб.
9 509000503

Сапун шланга (Breather Hose)

под заказ2000 руб.
10293650047

Oetiker Струбцина (Oetiker Clamp)

под заказ284 руб.
11415080000

Трубопровод 16 mm (Tubing 16 mm)

под заказ715 руб.
11513033461

PROTECTOR TUBE

под заказ560 руб.
12414115200

Tie-Rap 180 mm (Tie-Rap 180 mm)

под заказ130 руб.
12414587300

TIE RAP *TIE-RAP

под заказ110 руб.
13509000499

Термостат Корпус (Thermostat Housing)

под заказ2920 руб.
14509000679

Термостат выход Шланг (Thermostat Outlet Hose)

под заказ1850 руб.
15509000529

Oetiker Шестерня Струбцина (Oetiker Gear Clamp)

под заказ715 руб.
16414115200

Tie-Rap 180 mm (Tie-Rap 180 mm)

под заказ130 руб.
16414587300

TIE RAP *TIE-RAP

под заказ110 руб.
17509000672

Bypass Шланг (Bypass Hose)

под заказ1780 руб.
18293650099

Oetiker Шестерня Струбцина (Oetiker Gear Clamp)

под заказ428 руб.
19509000673

Radiator Шланг (Radiator Hose)

под заказ1710 руб.
19509000491

BOYAU RADIATEUR*RADIATOR HOSE

под заказ1210 руб.
20509000529

Oetiker Шестерня Струбцина (Oetiker Gear Clamp)

под заказ715 руб.
21509000372

T-Fitting (T-Fitting)

под заказ859 руб.
22509000675

Radiator Шланг (Radiator Hose)

под заказ1120 руб.
22509000557

BOYAU RADIATEUR*RADIATOR HOSE

под заказпо запросу
23509000181

Oetiker Шестерня Струбцина (Oetiker Gear Clamp)

под заказ213 руб.
24509000443

Aba Шестерня Струбцина (Aba Gear Clamp)

под заказ800 руб.
25509000676

Filling Шланг (Filling Hose)

под заказ1710 руб.
25509000548

BOYAU REMPLISS *FILLING HOSE

под заказ1340 руб.
26509000442

Шестерня Струбцина (Gear Clamp)

под заказ428 руб.
26420851663

CLAMP

под заказ340 руб.
27509000518

Bleeder Шланг (Bleeder Hose)

под заказ1780 руб.
28293650170

Tridon Шестерня Струбцина (Tridon Gear Clamp)

под заказ284 руб.
28293650128

BRIDE SERRAGE *HOSE CLAMP

под заказ230 руб.
29293710024

T-Fitting (T-Fitting)

под заказ1000 руб.
30509000519

Bleeder Шланг (Bleeder Hose)

под заказ1780 руб.
31293650046

Oetiker Струбцина (Oetiker Clamp)

под заказ284 руб.
32509000368

Coolant Tank (Coolant Tank)

под заказ6360 руб.
33241151640

Hex. Фланецd Винт K50 X 16 (Hex. Flanged Screw K50 X 16)

под заказ284 руб.
34415110000

Polyurethane Шланг 5.2 mm (Polyurethane Hose 5.2 mm)

под заказ276 руб.
34709000017

BOYAU VENTIL. *HOSE-VENT

под заказ220 руб.
35509000187

Pressure Колпачок (Pressure Cap)

под заказ2150 руб.
35414684700

BOUCHON RADIAT.*CAP-PRESSURE

под заказ1680 руб.
35SM-10005

     (не оригинальная запчасть) Крышка расширительного бачка BRP/Polaris SM-10005

под заказ890 руб.
ski-doo

Время выполнения запроса 0.99020409584045 сек.


 
 

данный сайт носит информационный характер и не является публичной офертой

склад запчастей для водомоторной техники