вконтакте

Контактный телефон: +7 (981) 121-46-93, +7 (800) 200-90-76 , Email: parts-katalog@yandex.ru, где купить

 
 

  Логин:

Пароль:

Регистрация

www.partskatalog.ru Все каталоги Запчасти Mercury Запчасти Suzuki Запчасти Tohatsu Запчасти Honda Контакты



УВАЖАЕМЫЕ КЛИЕНТЫ!
C 19 ДЕКАБРЯ 2025 ПО 02 МАРТА 2026 ГОДА ОТДЕЛ ЗАПЧАСТЕЙ И СЕРВИС РАБОТАТЬ НЕ БУДУТ
ПРОДАЖА ЛОДОЧНЫХ МОТОРОВ В ШТАТНОМ РЕЖИМЕ
ОБ ИЗМЕНЕНИЯХ В ГРАФИКЕ РАБОТЫ ЧИТАЙТЕ НА САЙТА




Выбрать другую модель

назад Раздел:   вперёд

вернуться к списку узлов и деталей

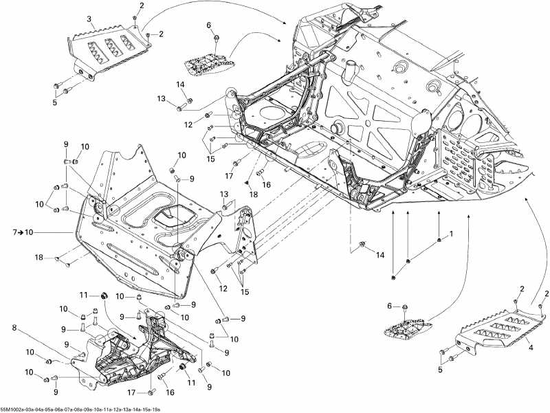
ДЕТАЛИРОВКА ДЛЯ МОДЕЛИ: SKIDOO Summit HillClimb, 2010

Раздел: Рама и Components 1 | Frame And Components 1


снегоход  Summit HillClimb, 2010 раздел - Рама и Components 1

Номер на
рисунке
АртикулНаименованиеКол-во
на складе
Цена
1 390402400

Pop Заклёпка 3 / 16" (Pop Rivet 3/16")

под заказ138 руб.
2 N/A

Не доступно для this vehicle (Not available for this vehicle)

под заказпо запросу
3 N/A

Не доступно для this vehicle (Not available for this vehicle)

под заказпо запросу
4 N/A

Не доступно для this vehicle (Not available for this vehicle)

под заказпо запросу
5 N/A

Не доступно для this vehicle (Not available for this vehicle)

под заказпо запросу
6 207561244

Hex. Фланецd Винт M6 X 12, Scotch Рукоятка (Hex. Flanged Screw M6 X 12, Scotch Grip)

под заказ284 руб.
7 518325924

S-Module. Includes 7 to 10 (S-Module. Includes 7 to 10)

под заказпо запросу
7 518327495

CROSS MEMBER Reneg BC X 800

под заказ29900 руб.
8 518325925

Передняя подвеска Sвышеport (Front Suspension Support)

под заказ12640 руб.
8 518327475

SUPPORT Summit X 154

под заказ17480 руб.
9 207662044

Hex. Фланецd Винт M6 X 20 (Hex. Flanged Screw M6 X 20)

под заказ284 руб.
10233261414

Hex. Фланецd Elastic Гайка M6 (Hex. Flanged Elastic Nut M6)

под заказ284 руб.
11233281414

Hex. Фланецd Elastic Гайка M8 (Hex. Flanged Elastic Nut M8)

под заказ284 руб.
12210261680

Hex. Фланецd Винт M6 X 16 (Hex. Flanged Screw M6 X 16)

под заказ242 руб.
12732600002

SCREW-FORMING HEX.HD.FL.GM6174M

под заказ230 руб.
13207662544

Hex. Фланецd Винт M6 X 25 (Hex. Flanged Screw M6 X 25)

под заказ284 руб.
13420940568

SCREW-HEX

под заказ230 руб.
14233261414

Hex. Фланецd Elastic Гайка M6 (Hex. Flanged Elastic Nut M6)

под заказ284 руб.
15293150175

MonoБолт Заклёпка (Monobolt Rivet)

под заказ156 руб.
15293150179

MAGNA-LOK 6

под заказ150 руб.
16293150182

MonoБолт Заклёпка 6.4 (Monobolt Rivet 6.4)

под заказ223 руб.
17207661644

Hex. Фланецd Винт M6 X 16 (Hex. Flanged Screw M6 X 16)

под заказ276 руб.
18293730042

Dart (Dart)

под заказ199 руб.
ski-doo

Время выполнения запроса 0.51071810722351 сек.


 
 

данный сайт носит информационный характер и не является публичной офертой

склад запчастей для водомоторной техники