вконтакте

Контактный телефон: +7 (981) 121-46-93, +7 (800) 200-90-76 , Email: parts-katalog@yandex.ru, где купить

 
 

  Логин:

Пароль:

Регистрация

www.partskatalog.ru Все каталоги Запчасти Mercury Запчасти Suzuki Запчасти Tohatsu Запчасти Honda Контакты



УВАЖАЕМЫЕ КЛИЕНТЫ!
C 19 ДЕКАБРЯ 2025 ПО 02 МАРТА 2026 ГОДА ОТДЕЛ ЗАПЧАСТЕЙ И СЕРВИС РАБОТАТЬ НЕ БУДУТ
ПРОДАЖА ЛОДОЧНЫХ МОТОРОВ В ШТАТНОМ РЕЖИМЕ
ОБ ИЗМЕНЕНИЯХ В ГРАФИКЕ РАБОТЫ ЧИТАЙТЕ НА САЙТА




Выбрать другую модель

назад Раздел:   вперёд

вернуться к списку узлов и деталей

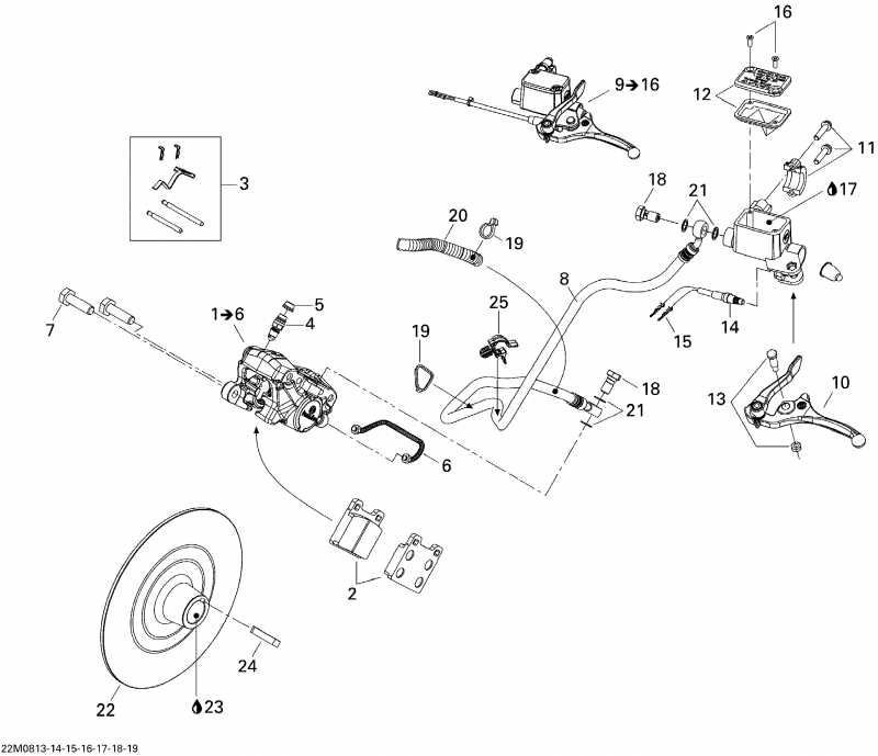
ДЕТАЛИРОВКА ДЛЯ МОДЕЛИ: SKIDOO Freestyle PARK 550F, 2008

Раздел: Гидравлический тормоз | Hydraulic Brakes


Skidoo модификация Freestyle PARK 550F, 2008 - Hydraulic Brakes

Номер на
рисунке
АртикулНаименованиеКол-во
на складе
Цена
1 507032448

тормоз Caliper в сборе. Includes 1 to 6 (Brake Caliper Assy. Includes 1 to 6)

под заказ18280 руб.
1 507032416

ETRIER *CALIPER

под заказ14300 руб.
2 415129172

тормоз Pad Kit (Brake Pad Kit)

17 шт5140 руб.
2 415053600

ENS.GARNITURES *KIT-PADS BRAKE

под заказ5280 руб.
2 SM-05059

     (не оригинальная запчасть) Тормозные колодки BRP SM-05059

под заказ2 440 руб.
2 SM-05059F

     (не оригинальная запчасть) Тормозные колодки BRP SM-05059F

под заказ3 850 руб.
3 415128865

Kit, Штифтs, Фиксаторs, Пружина (Kit, Pins, Retainers, Spring)

под заказ2920 руб.
4 414989800

Bleeder Винт (Bleeder Screw)

под заказ1610 руб.
5 414989700

Boot (Boot)

под заказ2340 руб.
6 414989900

Rigid Трубопровод (Rigid Tubing)

под заказ2380 руб.
7 205503544

Socket Head Винт M10 X 35, Scotch Рукоятка (Socket Head Screw M10 X 35, Scotch Grip)

под заказ284 руб.
8 507032398

тормоз Шланг (Brake Hose)

под заказ3490 руб.
9 507032463

Master Цилиндр. Includes 9 to 16 (Master Cylinder. Includes 9 to 16)

под заказ20100 руб.
10415129216

Рычаг (Lever)

под заказ4780 руб.
10507032423

LEVIER *LEVER

под заказ4440 руб.
11415029800

Струбцина в сборе (Clamp Assy)

под заказ1570 руб.
11507032477

BRIDE *CLAMP

под заказ2010 руб.
12415029900

Колпачок (Cap)

под заказ3000 руб.
13415030000

Штифт в сборе (Pin Assy)

под заказ1290 руб.
13507032280

AXE *PIN

под заказ970 руб.
14507032366

MicroПереключатель (Microswitch)

под заказ5210 руб.
14507032334

MICRO CONTACT *MICROSWITCH

под заказ3700 руб.
1401-280-01

     (не оригинальная запчасть) Выключатель стоп-сигнала BRP 01-280-01

под заказ1 060 руб.
15515175232

Male Клемма (Male Terminal)

под заказ572 руб.
16216141260

Винт M4 X 12 (Screw M4 X 12)

под заказ284 руб.
16415078900

VIS *SCREW

под заказ230 руб.
17293600062

тормоз Fluid, GTLMA, DOT 4 12 X 354 ml (Brake Fluid, GTLMA, DOT 4 12 X 354 ml)

под заказ495 руб.
17293600131

BRAKE FLUID 12*0,5

под заказ640 руб.
18414920500

Banjo Болт (Banjo Bolt)

под заказ731 руб.
19293750002

Tie-Rap 130 mm (Tie-Rap 130 mm)

под заказ130 руб.
20415079900

Трубопровод 10 mm (Tubing 10 mm)

под заказ284 руб.
20710001437

GAINE *PROTECTOR TUBE

под заказ230 руб.
21414920600

Шайба (Washer)

под заказ284 руб.
22507032458

тормоз Disk (Brake Disk)

под заказ14100 руб.
22507032402

DISQUE USINE *DISK-BRAKE MACH.

под заказ11020 руб.
23293800070

Loctite 767, Antiseize Lubricant, 8 Oz (Loctite 767, Antiseize Lubricant, 8 Oz)

под заказ2440 руб.
23711297430

COPA SLIP *COPA-SLIP

под заказ1910 руб.
24507021300

Ключ (Key)

под заказ992 руб.
25275500528

Шланг Фиксатор (Hose Retainer)

под заказ396 руб.
ski-doo

Время выполнения запроса 0.89867091178894 сек.


 
 

данный сайт носит информационный характер и не является публичной офертой

склад запчастей для водомоторной техники