вконтакте

Контактный телефон: +7 (981) 121-46-93, +7 (800) 200-90-76 , Email: parts-katalog@yandex.ru, где купить

 
 

  Логин:

Пароль:

Регистрация

www.partskatalog.ru Все каталоги Запчасти Mercury Запчасти Suzuki Запчасти Tohatsu Запчасти Honda Контакты



УВАЖАЕМЫЕ КЛИЕНТЫ!
C 31 ОКТЯБРЯ 2025 ПО 10 НОЯБРЯ 2025 ГОДА РАБОТАТЬ НЕ БУДЕМ




Выбрать другую модель

назад Раздел:   вперёд

вернуться к списку узлов и деталей

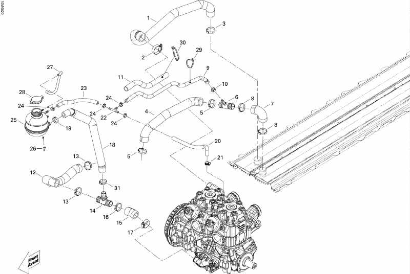
ДЕТАЛИРОВКА ДЛЯ МОДЕЛИ: SKIDOO MX Z 600RS, 2008

Раздел: Охлаждение System | Cooling System


снегоход Skidoo MX Z 600RS, 2008 - Cooling System

Номер на
рисунке
АртикулНаименованиеКол-во
на складе
Цена
1 509000431

Двигатель выход Шланг (Engine Outlet Hose)

под заказ2570 руб.
2 509000352

Aba Шестерня Струбцина (Aba Gear Clamp)

под заказ601 руб.
3 509000529

Шестерня Струбцина (Gear Clamp)

под заказ715 руб.
4 509000493

Radiator Шланг (Radiator Hose)

под заказпо запросу
4 509000553

BOYAU INTER RAD*HOSE-RADIATOR

под заказ2130 руб.
5 509000529

Шестерня Струбцина (Gear Clamp)

под заказ715 руб.
6 509000510

T-Fitting (T-Fitting)

под заказ614 руб.
6 509000336

RACCORD EN T *T-FITTING

под заказпо запросу
7 509000500

Radiator Шланг (Radiator Hose)

под заказ827 руб.
8 509000529

Шестерня Струбцина (Gear Clamp)

под заказ715 руб.
9 509000503

Сапун шланга (Breather Hose)

под заказ2000 руб.
10293650047

Oetiker Струбцина (Oetiker Clamp)

под заказ284 руб.
11415080000

Трубопровод 16 mm (Tubing 16 mm)

под заказ715 руб.
11513033461

PROTECTOR TUBE

под заказ560 руб.
12509000491

Radiator Шланг (Radiator Hose)

под заказ1210 руб.
12509000673

BOYAU RADIATEUR*RADIATOR HOSE

под заказ1710 руб.
13509000529

Шестерня Струбцина (Gear Clamp)

под заказ715 руб.
14509000372

T-Fitting (T-Fitting)

под заказ859 руб.
15509000413

Radiator Шланг (Radiator Hose)

под заказпо запросу
16509000529

Шестерня Струбцина (Gear Clamp)

под заказ715 руб.
17509000443

Aba Шестерня Струбцина (Aba Gear Clamp)

под заказ800 руб.
18509000475

Filling Шланг (Filling Hose)

под заказ1930 руб.
18509000374

BOYAU REMPLIS *FILLING HOSE

под заказ1930 руб.
19509000442

Шестерня Струбцина (Gear Clamp)

под заказ428 руб.
19420851663

CLAMP

под заказ340 руб.
20509000518

Сапун шланга (Breather Hose)

под заказ1780 руб.
21293650170

Шланг Струбцина (Hose Clamp)

под заказ284 руб.
21293650128

BRIDE SERRAGE *HOSE CLAMP

под заказ230 руб.
22293710024

T-Fitting (T-Fitting)

под заказ1000 руб.
23509000519

Сапун шланга (Breather Hose)

под заказ1780 руб.
24293650025

Oetiker Струбцина (Oetiker Clamp)

под заказ284 руб.
25509000421

Coolant Tank (Coolant Tank)

под заказ6360 руб.
26241151640

Hex. Фланецd Винт K50 X 16 (Hex. Flanged Screw K50 X 16)

под заказ284 руб.
27415110000

Polyurethane Шланг 5.2 mm (Polyurethane Hose 5.2 mm)

под заказ276 руб.
27709000017

BOYAU VENTIL. *HOSE-VENT

под заказ220 руб.
28509000187

Pressure Колпачок (Pressure Cap)

под заказ2150 руб.
28414684700

BOUCHON RADIAT.*CAP-PRESSURE

под заказ1680 руб.
28SM-10005

     (не оригинальная запчасть) Крышка расширительного бачка BRP/Polaris SM-10005

под заказ890 руб.
29414115200

Tie-Rap 180 mm (Tie-Rap 180 mm)

под заказ130 руб.
29414587300

TIE RAP *TIE-RAP

под заказ110 руб.
30414115200

Tie-Rap 180 mm (Tie-Rap 180 mm)

под заказ130 руб.
30414587300

TIE RAP *TIE-RAP

под заказ110 руб.
31293650099

Oetiker Шестерня Струбцина (Oetiker Gear Clamp)

под заказ428 руб.
ski-doo

Время выполнения запроса 1.9160721302032 сек.


 
 

данный сайт носит информационный характер и не является публичной офертой

склад запчастей для водомоторной техники