вконтакте

Контактный телефон: +7 (981) 121-46-93, +7 (800) 200-90-76 , Email: parts-katalog@yandex.ru, где купить

 
 

  Логин:

Пароль:

Регистрация

www.partskatalog.ru Все каталоги Запчасти Mercury Запчасти Suzuki Запчасти Tohatsu Запчасти Honda Контакты



УВАЖАЕМЫЕ КЛИЕНТЫ!
C 19 ДЕКАБРЯ 2025 ПО 02 МАРТА 2026 ГОДА ОТДЕЛ ЗАПЧАСТЕЙ И СЕРВИС РАБОТАТЬ НЕ БУДУТ
ПРОДАЖА ЛОДОЧНЫХ МОТОРОВ В ШТАТНОМ РЕЖИМЕ
ОБ ИЗМЕНЕНИЯХ В ГРАФИКЕ РАБОТЫ ЧИТАЙТЕ НА САЙТА




Выбрать другую модель

назад Раздел:   вперёд

вернуться к списку узлов и деталей

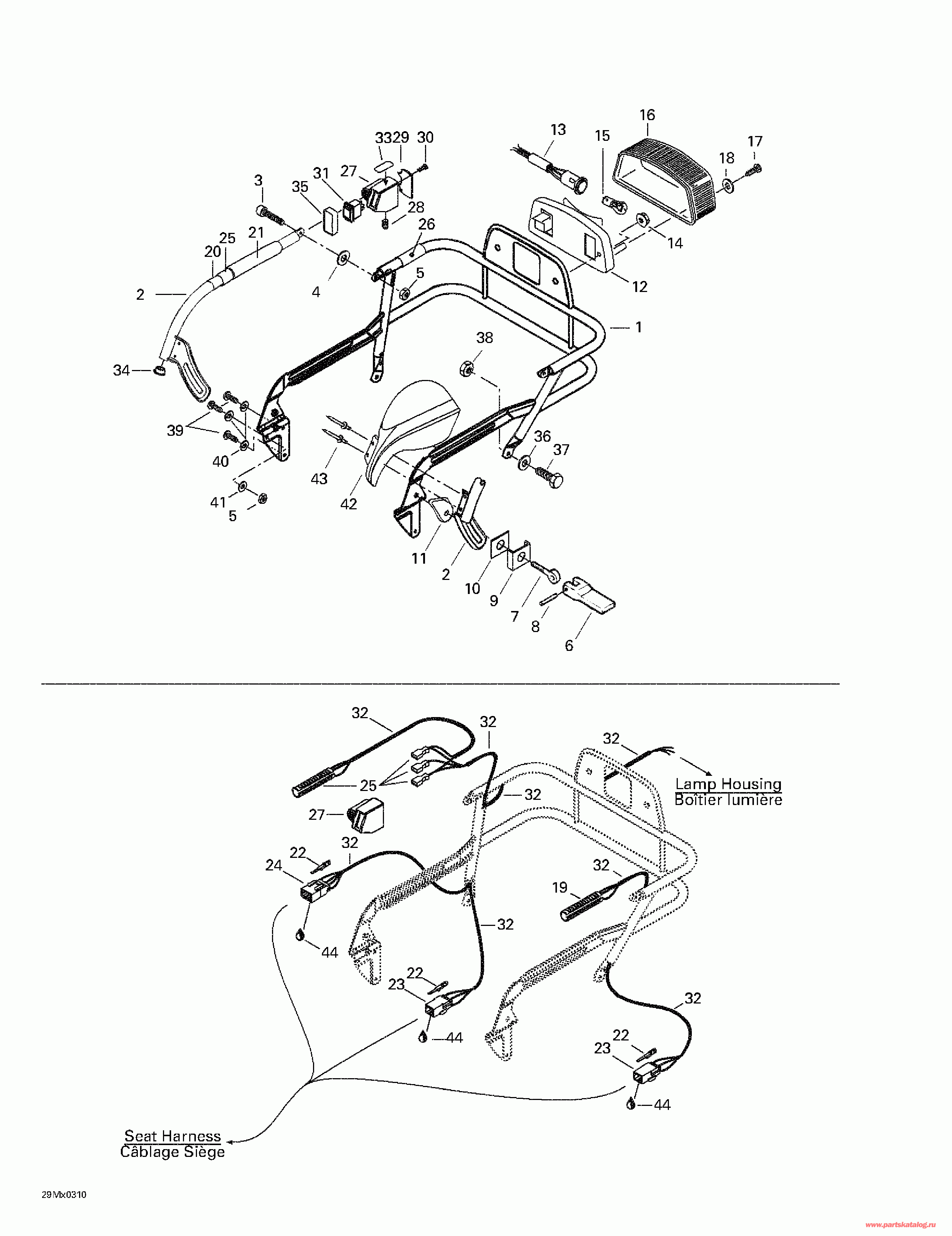
ДЕТАЛИРОВКА ДЛЯ МОДЕЛИ: SKIDOO Grand Touring 500/600/700, 2003

Раздел: Luggage Rack | Luggage Rack


snowmobile  модель Grand Touring 500/600/700, 2003 - Luggage Rack

Номер на
рисунке
АртикулНаименованиеКол-во
на складе
Цена
1 511000124

Rack в сборе (Rack Assy)

под заказпо запросу
1 517295600

PORTE BAGAGE SO*RACK-WELD.

под заказпо запросу
2 511000012

R.H. Рычаг (Rack) (R.H. Arm (Rack))

под заказпо запросу
2 517300800

BRAS DROIT SOU.*ARM-RH WELD.PA

под заказпо запросу
517300900

L.H. Рычаг (Rack) (L.H. Arm (Rack))

под заказпо запросу
517286700

BRAS GAUCHE SOU*ARM-LH WELD.

под заказпо запросу
3 205061644

Socket Head Винт M6 x 16 (Socket Head Screw M6 x 16)

под заказ284 руб.
3 222961665

SCREW-SOCKET HD.DIN.912

под заказ230 руб.
4 234062100

плоский Шайба 6 mm (Flat Washer 6 mm)

под заказ284 руб.
4 517302736

WASHER-NYLON

под заказ230 руб.
5 232561414

Эластичная гайка со стопором M6 (Elastic Stop Nut M6)

под заказ130 руб.
5 420842040

NUT-STOP ELASTIC DIN.985

под заказ110 руб.
6 572038200

Lock Рычаг (Lock Lever)

под заказ858 руб.
7 517250100

Eye Болт (Eye Bolt)

под заказ1500 руб.
7 517257600

VIS A OEILLET *EYE-BOLT

под заказ1180 руб.
8 414821400

Штифт (Pin)

под заказ784 руб.
9 511000226

Направляющая (Guide)

под заказпо запросу
10570063800

Outer Проставка (Outer Spacer)

под заказ175 руб.
11572088900

Проставка Block (Spacer Block)

под заказ566 руб.
12515175397

Lamp Корпус (Lamp Housing)

под заказ3850 руб.
12515175404

BOITIER LUMIERE*HOUSING-LAMP

под заказ2890 руб.
13511000224

Socket (Socket)

под заказпо запросу
14233251414

Elastic Фланецd Stop Гайка M5 (Elastic Flanged Stop Nut M5)

под заказ263 руб.
14233251434

NUT-FLANGE ELASTIC DIN.6926

под заказ290 руб.
15410504100

Лампочка (Bulb)

под заказ1010 руб.
15520000758

Bulb front light Outlander, Commander

под заказ260 руб.
16414513700

Lens (Lens)

под заказ2000 руб.
164299501

TAKAVALON LASI(USE 414513700)

под заказ1330 руб.
1601-104-05

     (не оригинальная запчасть) Плафон заднего фонаря BRP 01-104-05

под заказ1 210 руб.
17209632540

Phillips Винт (Phillips Screw)

под заказ263 руб.
18414516400

Шайба (Washer)

под заказ53 руб.
19515175710

Heater (Heater)

под заказ2440 руб.
20414988700

Reflective Sheet (Reflective Sheet)

под заказ324 руб.
21415050200

L.H. Рукоятка (370 мм) (L.H. Grip (370 mm))

под заказ847 руб.
21415050400

GAINE POIGNEE *GRIP-HANDLE

под заказ780 руб.
415050300

R.H. Рукоятка (250 мм) (R.H. Grip (250 mm))

под заказ797 руб.
22515175232

Male Клемма (Male Terminal)

под заказ572 руб.
23515175494

Male Клемма Корпус (3 Circuits) (Male Terminal Housing (3 Circuits))

под заказ1580 руб.
24515175846

Male Клемма Корпус (4 Circuits) (Male Terminal Housing (4 Circuits))

под заказ617 руб.
25515175882

Heater with Клеммаs (Heater with Terminals)

под заказ2240 руб.
25515175710

HEATER

под заказ2440 руб.
26415050400

Рукоятка (Short) (60 мм) (Grip (Short) (60 mm))

под заказ777 руб.
27572089200

Переключатель Корпус (Switch Housing)

под заказ976 руб.
28206580890

Набор винтов M8 x 8 (Screw Set M8 x 8)

под заказ284 руб.
28223580804

SCREW-SET SOCKET DIN.916

под заказ230 руб.
29572089300

Пластина (Plate)

под заказпо запросу
30732601255

Винт (Screw)

под заказ135 руб.
30250000022

SCREW-THREAD CUT.PH.PAN TYPE25

под заказ180 руб.
31511000001

Rocker Переключатель (Rocker Switch)

под заказ4030 руб.
32515175332

Low Temp Трубопровод (Vinyl) (Low Temp Tubing (Vinyl))

под заказ715 руб.
33418001800

Heat Рукоятка Наклейка (Heat Grip Decal)

под заказ1200 руб.
34572110800

Колпачок (Cap)

под заказ572 руб.
35511000002

Защитный выключатель (Switch Protector)

под заказпо запросу
36234081410

плоский Шайба 8 mm (Flat Washer 8 mm)

под заказ130 руб.
37207182044

Шестигранный винт M8 x 20 (Hex. Screw M8 x 20)

под заказ284 руб.
37702000412

VIS *SCREW

под заказ230 руб.
38233281414

Elastic Фланецd Stop Гайка M8 (Elastic Flanged Stop Nut M8)

под заказ284 руб.
39210261680

Шестигранный винт M6 x 16 (Hex. Screw M6 x 16)

под заказ242 руб.
39732600002

SCREW-FORMING HEX.HD.FL.GM6174M

под заказ230 руб.
40234161601

Шайба с блокировкой 6 mm (Lock Washer 6 mm)

под заказ263 руб.
40217361500

WASHER-LOCK HELICAL DIN.127B-A2

под заказ210 руб.
41391302100

плоский Шайба (Flat Washer)

под заказ130 руб.
41399901500

WASHER-FLAT

под заказ110 руб.
42572089400

R.H. Защита (R.H. Protector)

под заказ781 руб.
572089500

L.H. Защита (L.H. Protector)

под заказ781 руб.
43293150108

Pop Заклёпка 3 / 16" (Pop Rivet 3/16")

под заказ138 руб.
44293550004

Dielectric Смазка, 150 g (Dielectric Grease, 150 g)

под заказ4740 руб.
44747018002

GRAISSE *GREASE

под заказ3710 руб.
ski-doo

Время выполнения запроса 5.80552983284 сек.


 
 

данный сайт носит информационный характер и не является публичной офертой

склад запчастей для водомоторной техники