вконтакте

Контактный телефон: +7 (981) 121-46-93, +7 (800) 200-90-76 , Email: parts-katalog@yandex.ru, где купить

 
 

  Логин:

Пароль:

Регистрация

www.partskatalog.ru Все каталоги Запчасти Mercury Запчасти Suzuki Запчасти Tohatsu Запчасти Honda Контакты



УВАЖАЕМЫЕ КЛИЕНТЫ!
C 19 ДЕКАБРЯ 2025 ПО 02 МАРТА 2026 ГОДА ОТДЕЛ ЗАПЧАСТЕЙ И СЕРВИС РАБОТАТЬ НЕ БУДУТ
ПРОДАЖА ЛОДОЧНЫХ МОТОРОВ В ШТАТНОМ РЕЖИМЕ
ОБ ИЗМЕНЕНИЯХ В ГРАФИКЕ РАБОТЫ ЧИТАЙТЕ НА САЙТА




Выбрать другую модель

назад Раздел:   вперёд

вернуться к списку узлов и деталей

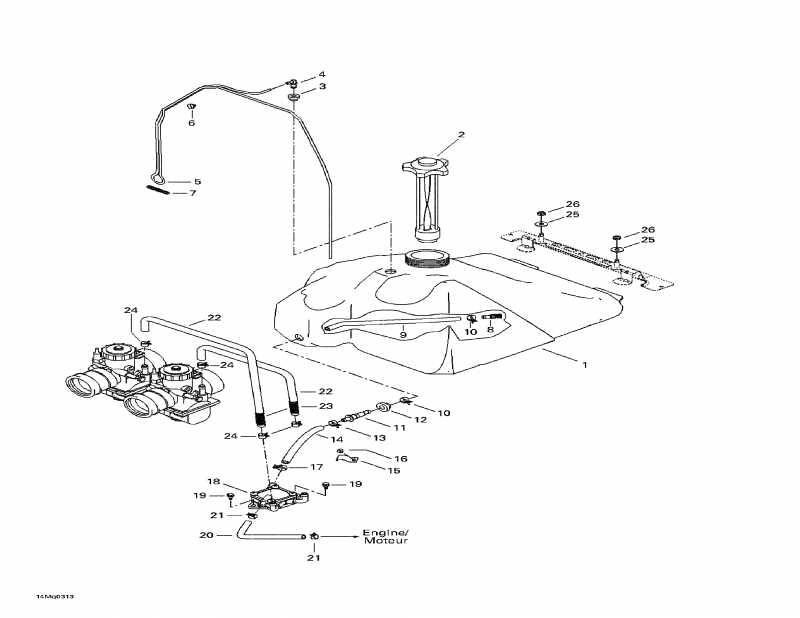
ДЕТАЛИРОВКА ДЛЯ МОДЕЛИ: SKIDOO Summit 550 F, 2003

Раздел: Топливная система | Fuel System


снегоход BRP Summit 550 F, 2003 раздел - Топливная система

Номер на
рисунке
АртикулНаименованиеКол-во
на складе
Цена
1 513032987

Топливный бак (Fuel Tank)

под заказ12840 руб.
2 513033020

Топливный бак Колпачок (Fuel Tank Cap)

под заказ2210 руб.
2 605450901

BOUCHON RESER.*CAP FUEL TANK

под заказ3590 руб.
2 SM-07092

     (не оригинальная запчасть) Крышка топливного бака BRP SM-07092

под заказ1 920 руб.
3 513032908

Пыльник (Grommet)

под заказ627 руб.
4 414814100

Male Коннектор (Male Connector)

под заказ300 руб.
5 415080100

Primer Line (Primer Line)

под заказ186 руб.
5 420256032

CONDUIT D-HUILE*LINE-OIL 560MM

под заказ150 руб.
6 513032923

Трубка Струбцина (Tube Clamp)

под заказ215 руб.
7 414818200

Пружина (Spring)

под заказ218 руб.
8 414872100

Топливный фильтр (Fuel Filter)

под заказ1150 руб.
8 07-241-02

     (не оригинальная запчасть) Фильтр топливный в бак BRP/Polaris 07-241-02

под заказ720 руб.
9 415005700

Шланг (Hose)

под заказ731 руб.
9 414943700

BOYAU *HOSE

под заказ550 руб.
10513033010

Пружина Струбцина (Spring Clamp)

под заказ627 руб.
11414872700

Male Коннектор (Male Connector)

под заказ133 руб.
12570273900

Пыльник (Grommet)

под заказ978 руб.
12707800347

PASSE-FILS *GROMMET

под заказ1150 руб.
12SM-07402

     (не оригинальная запчасть) Втулка топливной системы BRP SM-07402

под заказ140 руб.
13513032979

Пружина Струбцина (Spring Clamp)

под заказ428 руб.
14513032903

дляmed Шланг (Formed Hose)

под заказ2280 руб.
15415018200

Зажим (Clip)

под заказ138 руб.
16293150103

Pop Заклёпка 3 / 16" (Pop Rivet 3/16")

под заказ138 руб.
17513032979

Пружина Струбцина (Spring Clamp)

под заказ428 руб.
18403901813

Топливный насос (Fuel Pump)

под заказ5500 руб.
18403901809

PUMP-FUEL

под заказ4050 руб.
18SM-07358

     (не оригинальная запчасть) Топливный насос BRP SM-07358

под заказ3 000 руб.
18SM-07358A

     (не оригинальная запчасть) Ремкомплект топливного насоса (SM-07358) BRP SM-07358A

под заказ1 090 руб.
19210261680

Hex. дляming Винт M6 x 16 (Hex. Forming Screw M6 x 16)

под заказ242 руб.
19732600002

SCREW-FORMING HEX.HD.FL.GM6174M

под заказ230 руб.
20415079800

Резиновый шланг (Rubber Hose)

под заказпо запросу
20414286700

BOYAU *HOSE-RUBBER

под заказпо запросу
21414415200

Пружина Струбцина (Spring Clamp)

под заказ138 руб.
22513033022

Шланг (Hose)

под заказ1150 руб.
2239049

FUEL LINE 8/14.22, BLACK (BBD#513033022)

под заказ900 руб.
23415080000

Трубопровод (Tubing)

под заказ715 руб.
23513033461

PROTECTOR TUBE

под заказ560 руб.
24513033029

Пружина Струбцина (Spring Clamp)

под заказ215 руб.
25234082410

плоский Шайба 8 mm (Flat Washer 8 mm)

под заказ263 руб.
25702000064

RONDELLE *WASHER

под заказ210 руб.
26232581414

Эластичная гайка со стопором M8 (Elastic Stop Nut M8)

под заказ136 руб.
26420942030

NUT-LOCK M8

под заказ110 руб.
ski-doo

Время выполнения запроса 2.0550398826599 сек.


 
 

данный сайт носит информационный характер и не является публичной офертой

склад запчастей для водомоторной техники