вконтакте

Контактный телефон: +7 (981) 121-46-93, +7 (800) 200-90-76 , Email: parts-katalog@yandex.ru, где купить

 
 

  Логин:

Пароль:

Регистрация

www.partskatalog.ru Все каталоги Запчасти Mercury Запчасти Suzuki Запчасти Tohatsu Запчасти Honda Контакты



УВАЖАЕМЫЕ КЛИЕНТЫ!
C 19 ДЕКАБРЯ 2025 ПО 02 МАРТА 2026 ГОДА ОТДЕЛ ЗАПЧАСТЕЙ И СЕРВИС РАБОТАТЬ НЕ БУДУТ
ПРОДАЖА ЛОДОЧНЫХ МОТОРОВ В ШТАТНОМ РЕЖИМЕ
ОБ ИЗМЕНЕНИЯХ В ГРАФИКЕ РАБОТЫ ЧИТАЙТЕ НА САЙТА




Выбрать другую модель

назад Раздел:   вперёд

вернуться к списку узлов и деталей

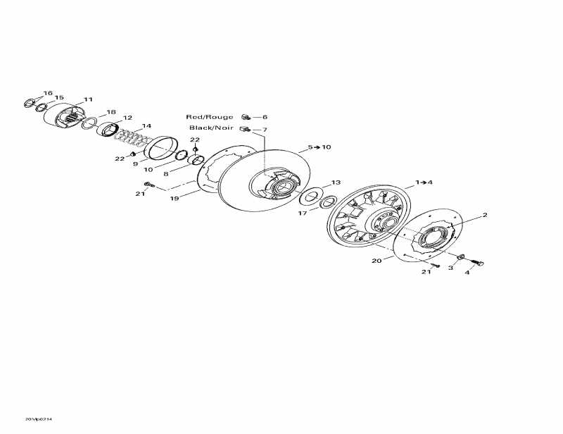
ДЕТАЛИРОВКА ДЛЯ МОДЕЛИ: SKIDOO MX Z 800 Rev, 2002

Раздел: Ведомый шкив | Driven Pulley


Skidoo MX Z 800 Rev, 2002 - Driven Pulley

Номер на
рисунке
АртикулНаименованиеКол-во
на складе
Цена
1 417126527

Fixed Фланец в сборе. Includes 1 - 4. (Fixed Flange Assy. Includes 1 - 4.)

под заказ31400 руб.
2 415005800

Adjustment Кольцо (Adjustment Ring)

под заказ2510 руб.
3 415005900

Adjustment Регулировочная шайба (Adjustment Shim)

под заказ326 руб.
4 207162544

Винт Hex. M6 x 25 (3) (Screw Hex. M6 x 25 (3))

под заказ284 руб.
4 702000153

BOULON *BOLT

под заказ230 руб.
207162244

Винт Hex. M6 x 22 (3) (Screw Hex. M6 x 22 (3))

под заказ284 руб.
5 417126318

Sliding Фланец в сборе. Includes 5 - 10. (Sliding Flange Assy. Includes 5 - 10.)

под заказпо запросу
6 417126373

Rear Cam Shoe Slider (красный) (Rear Cam Shoe Slider (Red))

под заказ308 руб.
6 619100039

Slider shoe

под заказ240 руб.
6 03-201

     (не оригинальная запчасть) Сухарики ведомого вариатора (задние) (3 шт) BRP 03-201

под заказ790 руб.
7 417126374

Front Cam Shoe Slider (чёрный) (Front Cam Shoe Slider (Black))

под заказ223 руб.
7 619100040

Slider shoe

под заказ220 руб.
7 03-202

     (не оригинальная запчасть) Сухарики ведомого вариатора (передние) (3 шт) BRP 03-202

под заказ790 руб.
8 XXX

Втулка (Bushing)

9 414978100

Втулка (Bushing)

под заказ3540 руб.
9 417126902

COUSSINET *COUSSINET

под заказ3280 руб.
10371911200

Стопорное кольцо (Circlip)

под заказ324 руб.
10619100033

Retaining ring

под заказ330 руб.
11417126385

Cam в сборе (Cam Assy)

под заказ16770 руб.
11417124700

CAME ASS. *CAM-ASS.

под заказ12240 руб.
12417126381

Guard (Guard)

под заказ601 руб.
13504099600

Стопор Шайба (Stopper Washer)

под заказ452 руб.
14414978300

Release Пружина (Release Spring)

под заказ2210 руб.
15417126368

Проставка (Spacer)

под заказ858 руб.
15417124300

ESPACEUR *SPACER

под заказ790 руб.
16371911000

Half Ключ (Half Key)

под заказ3790 руб.
17504112300

Регулировочная шайба (Shim)

под заказ529 руб.
17572042100

ENTRETOISE *SPACER

под заказ400 руб.
18417126322

Swivel Abutment (Swivel Abutment)

под заказ601 руб.
19504149700

Крышка (Cover)

под заказ1240 руб.
19417126698

COUVERCLE *COVER

под заказ1590 руб.
20504151831

Крышка (Cover)

под заказ3320 руб.
21210251180

Hex. дляming Винт M5 x 11 (Hex. Forming Screw M5 x 11)

под заказ284 руб.
21732601067

SCREW-FORMING HEX.HD.FL.GM6174

под заказ230 руб.
22413703100

Loctite 609, 10cc (Loctite 609, 10cc)

под заказ2150 руб.
ski-doo

Время выполнения запроса 0.52944898605347 сек.


 
 

данный сайт носит информационный характер и не является публичной офертой

склад запчастей для водомоторной техники