вконтакте

Контактный телефон: +7 (981) 121-46-93, +7 (800) 200-90-76 , Email: parts-katalog@yandex.ru, где купить

 
 

  Логин:

Пароль:

Регистрация

www.partskatalog.ru Все каталоги Запчасти Mercury Запчасти Suzuki Запчасти Tohatsu Запчасти Honda Контакты



УВАЖАЕМЫЕ КЛИЕНТЫ!
C 19 ДЕКАБРЯ 2025 ПО 02 МАРТА 2026 ГОДА ОТДЕЛ ЗАПЧАСТЕЙ И СЕРВИС РАБОТАТЬ НЕ БУДУТ
ПРОДАЖА ЛОДОЧНЫХ МОТОРОВ В ШТАТНОМ РЕЖИМЕ
ОБ ИЗМЕНЕНИЯХ В ГРАФИКЕ РАБОТЫ ЧИТАЙТЕ НА САЙТА




Выбрать другую модель

назад Раздел:   вперёд

вернуться к списку узлов и деталей

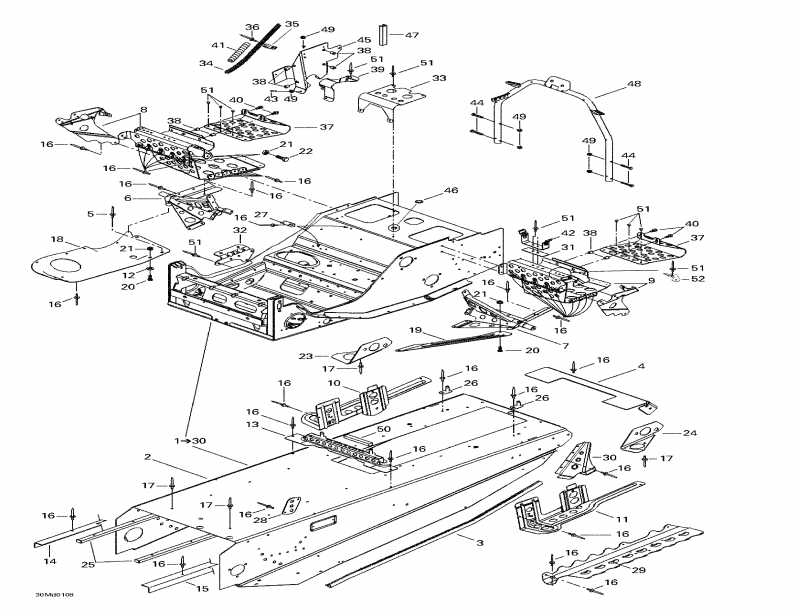
ДЕТАЛИРОВКА ДЛЯ МОДЕЛИ: SKIDOO MX Z X 440 LC, 2001

Раздел: Рама и Аксессуары | Frame And Accessories


снегоход Ski-doo - Рама и Аксессуары

Номер на
рисунке
АртикулНаименованиеКол-во
на складе
Цена
1 518322489

Рама в сборе. Includes 1 - 30. (RadiatorIncluded) (Frame Assy. Includes 1 - 30. (RadiatorIncluded))

под заказпо запросу
2 518322500

Tunnel (Tunnel)

под заказпо запросу
3 518322519

Footrest Reinдляcement R.H (Footrest Reinforcement R.H)

под заказпо запросу
518322520

Footrest Reinдляcement L.H (Footrest Reinforcement L.H)

под заказ8980 руб.
4 518321620

Rear Колпачок (Rear Cap)

под заказпо запросу
5 390402300

Заклёпка 3 / 16 (Rivet 3/16)

под заказ138 руб.
6 518322037

R.H. Footrest Sвышеport (R.H. Footrest Support)

под заказпо запросу
7 518322040

L.H. Footrest Sвышеport (L.H. Footrest Support)

под заказпо запросу
8 518322058

R.H. Footrest в сборе (R.H. Footrest Assy)

под заказ11040 руб.
9 518322062

L.H. Footrest в сборе (L.H. Footrest Assy)

под заказ12640 руб.
10518322504

R.H. Slide Кронштейн (R.H. Slide Bracket)

под заказпо запросу
11518322508

L.H. Slide Кронштейн (L.H. Slide Bracket)

под заказпо запросу
12391301700

плоский Шайба (Flat Washer)

под заказ108 руб.
12250200081

RONDELLE PLATE *FLAT WASHER

под заказ140 руб.
13518322512

Топливный бак Кронштейн (Fuel Tank Bracket)

под заказпо запросу
14518322517

R.H. Рама Reinдляcement (R.H. Frame Reinforcement)

под заказ3140 руб.
14518322593

RENF.TUNNEL DR.*REINF-FRAME RH

под заказ3420 руб.
15518322518

L.H. Рама Reinдляcement (L.H. Frame Reinforcement)

под заказпо запросу
16390402200

Pop Заклёпка (Pop Rivet)

под заказ138 руб.
17390402400

Pop Заклёпка (Pop Rivet)

под заказ138 руб.
18518319760

R.H. Нижний поддон Пластина (R.H. Bottom Pan Plate)

под заказ2230 руб.
19518322119

L.H. Reinдляcement Пластина (L.H. Reinforcement Plate)

под заказ1060 руб.
20207152044

Шестигранный винт M5 x 20 (Hex. Screw M5 x 20)

под заказ138 руб.
20222052065

SCREW-HEX.CAP DIN.933

под заказ110 руб.
21233251414

Elastic Фланец Stop Гайка M5 (Elastic Flange Stop Nut M5)

под заказ263 руб.
21233251434

NUT-FLANGE ELASTIC DIN.6926

под заказ290 руб.
22732600030

Винт (Screw)

под заказпо запросу
23518321472

R.H. Rear Reinдляcement (R.H. Rear Reinforcement)

под заказпо запросу
23518321000

RENFORT ARR.DR.*REINF.-REAR RH

под заказпо запросу
24518321473

L.H. Rear Reinдляcement (L.H. Rear Reinforcement)

под заказпо запросу
25518322560

Рама Защита (Frame Protector)

под заказпо запросу
26518319730

Седло Кронштейн (Seat Bracket)

под заказ541 руб.
26518323321

SEAT BRACKE WELD

под заказ590 руб.
27518322391

Double Кронштейн (Double Bracket)

под заказпо запросу
28518201321

Reinдляcement Пластина (Reinforcement Plate)

под заказ617 руб.
29518322515

R.H. Tunnel Liner (R.H. Tunnel Liner)

под заказ3970 руб.
518322516

L.H. Tunnel Liner (L.H. Tunnel Liner)

под заказ2760 руб.
30518322507

Rear Footrest R.H (Rear Footrest R.H)

под заказпо запросу
518322511

Rear Footrest L.H (Rear Footrest L.H)

под заказпо запросу
31518207500

Reinдляcement (Reinforcement)

под заказ383 руб.
32518206300

Muffler Sвышеport (Muffler Support)

под заказ859 руб.
32518322635

SUPPORT SILENC.*SUPPORT-MUFFLER

под заказ940 руб.
33518310400

Air Система впуска Sвышеport (Air Intake Support)

под заказ853 руб.
34518321569

Направляющая шнура (Rope Guide)

под заказ589 руб.
35518321570

Зажим (Clip)

под заказ572 руб.
36390406500

Pop Заклёпка (Pop Rivet)

под заказ138 руб.
36390407300

RIVET-POP 3/16 *RIVET-POP 3/16

под заказ110 руб.
37518321602

Toe Hold (Toe Hold)

под заказпо запросу
38415107300

Insert (Insert)

под заказ672 руб.
38293450275

AJOUT *INSERT

под заказ860 руб.
39518319762

Шланг Sвышеport (Hose Support)

под заказпо запросу
40207661644

Шестигранный флавцевый винт M6 x 16 (Hex. Flange Screw M6 x 16)

под заказ276 руб.
41409901800

Трубопровод (Tubing)

под заказ109 руб.
41414612400

GAINE *HOUSING

под заказпо запросу
42518202100

Шкив Guard Кронштейн (Pulley Guard Bracket)

под заказ1200 руб.
43293000025

Short Колпачок (Short Cap)

под заказ229 руб.
44207663544

Шестигранный флавцевый винт M6 x 35 (Hex. Flange Screw M6 x 35)

под заказ284 руб.
45518322054

Electronic Module Sвышеport (Electronic Module Support)

под заказпо запросу
46414859400

Колпачок (Cap)

под заказ428 руб.
47271000110

Trim (Trim)

под заказ1440 руб.
48518321957

Handle Sвышеport (Handle Support)

под заказпо запросу
49233261414

Elastic Фланец Stop Гайка M6 (Elastic Flange Stop Nut M6)

под заказ284 руб.
50293200003

Сальник (Seal)

под заказ715 руб.
50415129559

JOINT ETANCHE *GASKET

под заказпо запросу
51390402200

Заклёпка 3 / 16 (Rivet 3/16)

под заказ138 руб.
52518322031

Набор инструмента Кронштейн (Tool Kit Bracket)

под заказ231 руб.
ski-doo

Время выполнения запроса 4.6513299942017 сек.


 
 

данный сайт носит информационный характер и не является публичной офертой

склад запчастей для водомоторной техники