вконтакте

Контактный телефон: +7 (981) 121-46-93, +7 (800) 200-90-76 , Email: parts-katalog@yandex.ru, где купить

 
 

  Логин:

Пароль:

Регистрация

www.partskatalog.ru Все каталоги Запчасти Mercury Запчасти Suzuki Запчасти Tohatsu Запчасти Honda Контакты



УВАЖАЕМЫЕ КЛИЕНТЫ!
C 19 ДЕКАБРЯ 2025 ПО 02 МАРТА 2026 ГОДА ОТДЕЛ ЗАПЧАСТЕЙ И СЕРВИС РАБОТАТЬ НЕ БУДУТ
ПРОДАЖА ЛОДОЧНЫХ МОТОРОВ В ШТАТНОМ РЕЖИМЕ
ОБ ИЗМЕНЕНИЯХ В ГРАФИКЕ РАБОТЫ ЧИТАЙТЕ НА САЙТА




Выбрать другую модель

назад Раздел:   вперёд

вернуться к списку узлов и деталей

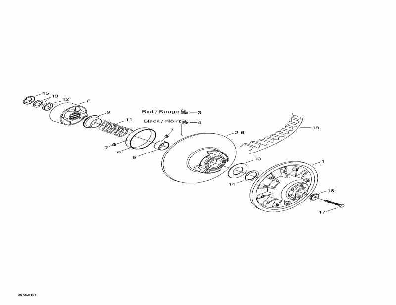
ДЕТАЛИРОВКА ДЛЯ МОДЕЛИ: SKIDOO Skandic 440F, 2001

Раздел: Ведомый шкив | Driven Pulley


снегоход - Ведомый шкив

Номер на
рисунке
АртикулНаименованиеКол-во
на складе
Цена
1 417126401

Фланец-Fix.Ass (Flange-Fix.Ass)

под заказ29100 руб.
2 417126403

Фланец-Slid.As (Flange-Slid.As)

под заказ28200 руб.
2 417127026

FLASQUE COUL.AS*FLANGE-SLID.AS

под заказ30700 руб.
3 417126373

Shoe-Cam Slide Rear (Shoe-Cam Slide Rear)

под заказ308 руб.
3 619100039

Slider shoe

под заказ240 руб.
3 03-201

     (не оригинальная запчасть) Сухарики ведомого вариатора (задние) (3 шт) BRP 03-201

под заказ790 руб.
4 417126374

Shoe-Cam Slide Fron (Shoe-Cam Slide Fron)

под заказ223 руб.
4 619100040

Slider shoe

под заказ220 руб.
4 03-202

     (не оригинальная запчасть) Сухарики ведомого вариатора (передние) (3 шт) BRP 03-202

под заказ790 руб.
5 415092600

Втулка-Du (Bushing-Du)

под заказ942 руб.
5 417126901

COUSSINET *COUSSINET

под заказ840 руб.
6 415092700

Втулка-Du (Bushing-Du)

под заказ6360 руб.
7 413703100

Loctite-609 (Loctite-609)

под заказ2150 руб.
8 417126457

Cam-Ass (Cam-Ass)

под заказпо запросу
9 415006000

Guard (Guard)

под заказ691 руб.
10504099600

Шайба-Стопор (Washer-Stopper)

под заказ452 руб.
11415092800

Пружина (Spring)

под заказ1700 руб.
11504152070

RESSORT BLANC *SPRING WHITE

под заказ2640 руб.
12417126368

Проставка (Spacer)

под заказ858 руб.
12417124300

ESPACEUR *SPACER

под заказ790 руб.
13371911000

Ключ-Half (Key-Half)

под заказ3790 руб.
14504112300

Регулировочная шайба (Shim)

под заказ529 руб.
14572042100

ENTRETOISE *SPACER

под заказ400 руб.
15417300055

Защита (Protector)

под заказ170 руб.
16517302322

Шайба-Strength (Washer-Strength)

под заказ832 руб.
16517293300

RONDELLE *WASHER

под заказ950 руб.
17M40012

Винт M8x80 (Screw M8x80)

под заказпо запросу
18414633800

Приводной ремень (Belt-Drive)

под заказ3970 руб.
18138-4400U4

     (не оригинальная запчасть) Ремень вариатора BRP/РМ 138-4400U4

под заказ9 350 руб.
18MAX1108M3

     (не оригинальная запчасть) Ремень вариатора BRP/РМ MAX1108M3

под заказ5 490 руб.
1842G4313

     (не оригинальная запчасть) Ремень вариатора для снегохода BRP 42G4313

под заказ8 490 руб.
ski-doo

Время выполнения запроса 0.68716096878052 сек.


 
 

данный сайт носит информационный характер и не является публичной офертой

склад запчастей для водомоторной техники