вконтакте

Контактный телефон: +7 (981) 121-46-93, +7 (800) 200-90-76 , Email: parts-katalog@yandex.ru, где купить

 
 

  Логин:

Пароль:

Регистрация

www.partskatalog.ru Все каталоги Запчасти Mercury Запчасти Suzuki Запчасти Tohatsu Запчасти Honda Контакты



УВАЖАЕМЫЕ КЛИЕНТЫ!
C 31 ОКТЯБРЯ 2025 ПО 10 НОЯБРЯ 2025 ГОДА РАБОТАТЬ НЕ БУДЕМ




Выбрать другую модель

назад Раздел:   вперёд

вернуться к списку узлов и деталей

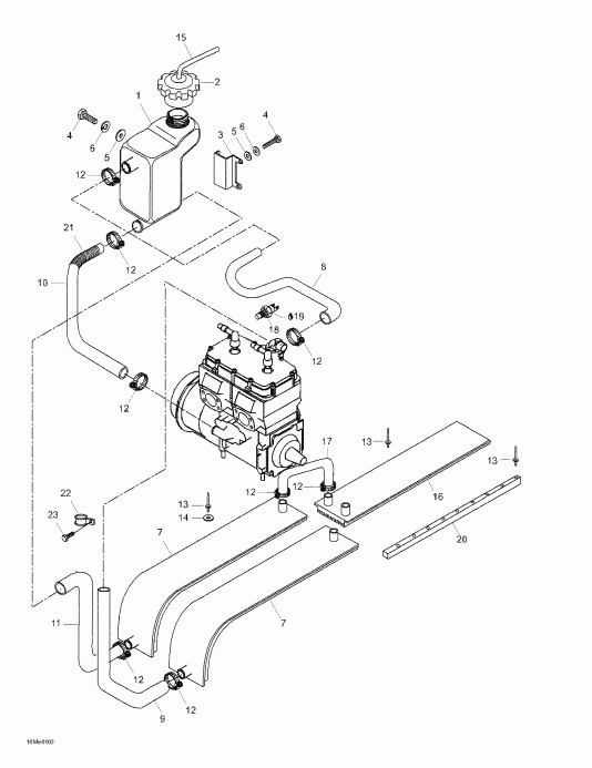
ДЕТАЛИРОВКА ДЛЯ МОДЕЛИ: SKIDOO Skandic 500F/600, 2001

Раздел: Охлаждение System (593) | Cooling System (593)


Skandic 500F/600, 2001 раздел - Cooling System (593)

Номер на
рисунке
АртикулНаименованиеКол-во
на складе
Цена
1 M5142859

Coolant Tank. Skandic 600. (Coolant Tank. Skandic 600.)

под заказпо запросу
2 M21018

Колпачок. Skandic 600. (Cap. Skandic 600.)

под заказ3030 руб.
3 M5343345

Tank Sвышеport. Skandic 600. (Tank Support. Skandic 600.)

под заказпо запросу
4 207162044

Шестигранный винт M6 x 20. Skandic 600. (Hex. Screw M6 x 20. Skandic 600.)

под заказ284 руб.
4 420940561

SCREW-HEX.M6 X 20

под заказ230 руб.
5 M20009

Шайба 6.4 mm. Skandic 600. (Washer 6.4 mm. Skandic 600.)

под заказпо запросу
6 234161471

Шайба с блокировкой 6 mm. Skandic 600. (Lock Washer 6 mm. Skandic 600.)

под заказ130 руб.
6 224761110

WASHER-LOCK THIN BLACK DIN.127

под заказ110 руб.
7 M5146386

L.H. Radiator. Skandic 600. (L.H. Radiator. Skandic 600.)

под заказпо запросу
M5146385

R.H. Radiator. Skandic 600. (R.H. Radiator. Skandic 600.)

под заказпо запросу
8 M5246634

Шланг. Skandic 600. (Hose. Skandic 600.)

под заказпо запросу
9 M5346201

Шланг. Skandic 600. (Hose. Skandic 600.)

под заказпо запросу
10M5346635

Шланг. Skandic 600. (Hose. Skandic 600.)

под заказпо запросу
11M5445703

Трубка. Skandic 600. (Tube. Skandic 600.)

под заказпо запросу
12408800400

Tridon Шестерня Струбцина. Skandic 600. (Tridon Gear Clamp. Skandic 600.)

под заказ1150 руб.
12740002006

COLLIER SERRAGE*CLAMP-GEAR

под заказ900 руб.
13M36489

Заклёпка. Skandic 600. (Rivet. Skandic 600.)

под заказпо запросу
14234051410

плоский Шайба 5 mm. Skandic 600. (Flat Washer 5 mm. Skandic 600.)

под заказ130 руб.
14224051111

WASHER-FLAT DIN.125A

под заказ110 руб.
15415080200

Overflow Line. Skandic 600. (Overflow Line. Skandic 600.)

под заказ1150 руб.
15709000183

BOYAU POLYURE *POLYURETHANE H

под заказпо запросу
16M5345916

Radiator. Skandic 600. (Radiator. Skandic 600.)

под заказпо запросу
17M5445970

Трубка. Skandic 600. (Tube. Skandic 600.)

под заказпо запросу
18512047000

температура Датчик. Skandic 600. (Temperature Sensor. Skandic 600.)

под заказ3640 руб.
19293800018

Loctite 592, 50 mL. Skandic 600. (Loctite 592, 50 mL. Skandic 600.)

под заказ2800 руб.
19413702300

ENDUIT ETANCHE *SEALANT-TEFLON

под заказ2360 руб.
20M5343441

Rad Защита Skandic 600. (Rad Protector. Skandic 600.)

под заказпо запросу
21M5446767

Шланг. Skandic 600. (Hose. Skandic 600.)

под заказпо запросу
22M27011

Зажим. Skandic 600. (Clip. Skandic 600.)

под заказ800 руб.
23M40322

Винт. Skandic 600. (Screw. Skandic 600.)

под заказпо запросу
ski-doo

Время выполнения запроса 1.3908009529114 сек.


 
 

данный сайт носит информационный характер и не является публичной офертой

склад запчастей для водомоторной техники