вконтакте

Контактный телефон: +7 (981) 121-46-93, +7 (800) 200-90-76 , Email: parts-katalog@yandex.ru, где купить

 
 

  Логин:

Пароль:

Регистрация

www.partskatalog.ru Все каталоги Запчасти Mercury Запчасти Suzuki Запчасти Tohatsu Запчасти Honda Контакты



УВАЖАЕМЫЕ КЛИЕНТЫ!
C 19 ДЕКАБРЯ 2025 ПО 02 МАРТА 2026 ГОДА ОТДЕЛ ЗАПЧАСТЕЙ И СЕРВИС РАБОТАТЬ НЕ БУДУТ
ПРОДАЖА ЛОДОЧНЫХ МОТОРОВ В ШТАТНОМ РЕЖИМЕ
ОБ ИЗМЕНЕНИЯХ В ГРАФИКЕ РАБОТЫ ЧИТАЙТЕ НА САЙТА




Выбрать другую модель

назад Раздел:   вперёд

вернуться к списку узлов и деталей

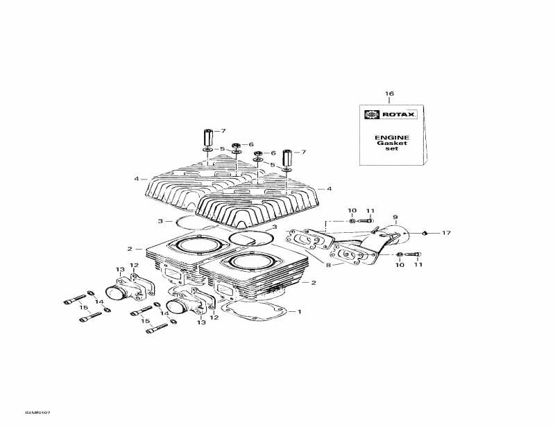
ДЕТАЛИРОВКА ДЛЯ МОДЕЛИ: SKIDOO Summit 500 F, 2001

Раздел: Цилиндр, Выхлопной патрубок | Cylinder, Exhaust Manifold


модель Summit 500 F, 2001 - Cylinder, Exhaust Manifold

Номер на
рисунке
АртикулНаименованиеКол-во
на складе
Цена
1 420831858

Прокладка 0.4 mm (Gasket 0.4 mm)

под заказ832 руб.
1 09-710195

     (не оригинальная запчасть) Верхний комплект прокладок BRP 300F 09-710195

под заказ1 080 руб.
2 420923417

Цилиндр with Гильза (Cylinder with sleeve)

под заказ49800 руб.
2 FL-1216

     (не оригинальная запчасть) Гильза BRP 503F FL-1216

под заказ12 620 руб.
3 293300026

Уплотнительное кольцо (O-Ring)

3 шт1150 руб.
3 420850540

JOINT TORIQUE *O RING

под заказпо запросу
3 09-710195

     (не оригинальная запчасть) Верхний комплект прокладок BRP 300F 09-710195

под заказ1 080 руб.
4 420923590

Головка блока цилиндра (Cylinder head)

под заказ31600 руб.
4 420823664

CULASSE *HEAD-CYLINDER

под заказ24700 руб.
5 420250311

плоский Шайба 8.4 mm (Flat Washer 8.4 mm)

под заказ138 руб.
5 402003100

RONDELLE *WASHER

под заказ110 руб.
6 232081414

Hex. Гайка M8 (Hex. Nut M8)

под заказ130 руб.
6 702000780

ECROU *NUT

под заказ110 руб.
7 420842203

Distance Гайка M8 x 47 (Distance Nut M8 x 47)

под заказ609 руб.
8 420831849

Прокладка 1.0 mm (Gasket 1.0 mm)

под заказ832 руб.
8 831843

GASKET

под заказ520 руб.
8 09-718163

     (не оригинальная запчасть) Прокладка выпускного коллектора BRP 09-718163

под заказ220 руб.
9 420973128

Выхлопной патрубок (Exhaust Manifold)

под заказпо запросу
10234181401

Шайба с блокировкой 8 mm (Lock Washer 8 mm)

под заказ138 руб.
10224781140

WASHER-LOCK DIN.127A

под заказ110 руб.
11205083044

Socket Head Винт M8 x 30 (Socket Head Screw M8 x 30)

под заказ284 руб.
12420831867

Система впуска Прокладка 1.0 mm (Intake Gasket 1.0 mm)

под заказ832 руб.
12420831868

JOINT ADMISSION*GASKET-INTAKE

под заказ450 руб.
12SM-09514

     (не оригинальная запчасть) Прокладка впускного коллектора BRP SM-09514

под заказ190 руб.
13420867408

Система впуска Socket (Intake Socket)

под заказ4350 руб.
14420945752

Шайба с блокировкой 8 mm (Lock Washer 8 mm)

под заказ118 руб.
14402001600

RONDELLE-FREIN *WASHER-LOCK#8

под заказ110 руб.
15420840681

Socket Head Винт M8 x 40 (Socket Head Screw M8 x 40)

под заказ428 руб.
15420840680

SCREW-ALLEN M8 X 40

под заказ340 руб.
16420994238

Двигатель Комплект прокладок (Engine Gasket Set)

под заказ9300 руб.
1609-711196

     (не оригинальная запчасть) Полный комплект прокладок BRP 503F 09-711196

под заказ3 720 руб.
16SM-MZ1112

     (не оригинальная запчасть) Полный комплект прокладок BRP 503F SM-MZ1112

под заказ2 880 руб.
17413710300

Сальникant, Loctite 17914, 80 ml (Sealant, Loctite 17914, 80 ml)

под заказ1570 руб.
17293800090

ENDUIT ETANCHE *SEALANT

под заказ2010 руб.
ski-doo

Время выполнения запроса 0.4852409362793 сек.


 
 

данный сайт носит информационный характер и не является публичной офертой

склад запчастей для водомоторной техники