вконтакте

Контактный телефон: +7 (981) 121-46-93, +7 (800) 200-90-76 , Email: parts-katalog@yandex.ru, где купить

 
 

  Логин:

Пароль:

Регистрация

www.partskatalog.ru Все каталоги Запчасти Mercury Запчасти Suzuki Запчасти Tohatsu Запчасти Honda Контакты


Выбрать другую модель

назад Раздел:   вперёд

вернуться к списку узлов и деталей

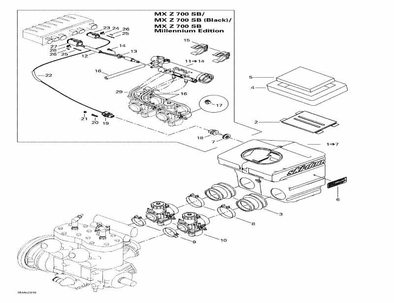
ДЕТАЛИРОВКА ДЛЯ МОДЕЛИ: SKIDOO MX Z 500, 2000

Раздел: Air Система впуска System | Air Intake System


snowmobile  модель MX Z 500, 2000 - Air Система впуска System

Номер на
рисунке
АртикулНаименованиеКол-во
на складе
Цена
1 508000070

Air Система впуска в сборе. Includes 1 - 7. MX Z 500. MX Z 500 SB (чёрный) (Air Intake Assy. Includes 1 - 7. MX Z 500. MX Z 500 SB (Black).)

под заказпо запросу
508000106

Air Система впуска в сборе. MX Z 700. (Air Intake Assy. MX Z 700.)

под заказпо запросу
508000090

Air Система впуска в сборе. MX Z 700 SB. MX Z 700 SB (чёрный) MX Z 700 SB Millennium Edition. (Air Intake Assy. MX Z 700 SB. MX Z 700 SB (Black). MX Z 700 SB Millennium Edition.)

под заказпо запросу
2 508000004

Система впуска Grill (Intake Grill)

под заказ1200 руб.
3 508000073

Air Система впуска Адаптер (38 мм) MX Z 500. MX Z 500 SB (чёрный) (Air Intake Adaptor (38 mm). MX Z 500. MX Z 500 SB (Black).)

под заказпо запросу
570068900

Air Система впуска Адаптер (40 мм) MX Z 700. MX Z 700 SB. MX Z 700 SB (чёрный) MX Z 700 SB Millennium Edition. (Air Intake Adaptor (40 mm). MX Z 700. MX Z 700 SB. MX Z 700 SB (Black). MX Z 700 SB Millennium Edition.)

под заказпо запросу
4 508000099

нижний Foam (Lower Foam)

под заказ960 руб.
5 415103200

Воздушный фильтр (Air Filter)

под заказ967 руб.
5 508000154

FILTRE A AIR *FILTER-AIR

под заказ1640 руб.
6 516000130

Caution Наклейки (Caution Label)

под заказпо запросу
6 516001191

ETIQUETTE INST.*INST-LABEL

под заказпо запросу
7 570065500

Пыльник. MX Z 700 SB. MX Z 700 SB (чёрный) MX Z 700 SB Millennium Edition. (Grommet. MX Z 700 SB. MX Z 700 SB (Black). MX Z 700 SB Millennium Edition.)

под заказ1150 руб.
8 508000046

Струбцина. MX Z 500. MX Z 500 SB (чёрный) (Clamp. MX Z 500. MX Z 500 SB (Black).)

под заказпо запросу
508000009

Струбцина. MX Z 700. MX Z 700 SB. MX Z 700 SB (чёрный) MX Z 700 SB Millennium Edition. (Clamp. MX Z 700. MX Z 700 SB. MX Z 700 SB (Black). MX Z 700 SB Millennium Edition.)

под заказпо запросу
9 512059006

Струбцина (Clamp)

под заказ559 руб.
9 293650158

BRIDE *CLAMP

под заказ720 руб.
10403138581

VM 38-429 Карбюратор. MX Z 500. MX Z 500 SB (чёрный) (VM 38-429 Carburetor. MX Z 500. MX Z 500 SB (Black).)

под заказпо запросу
403138622

VM 40-128 Карбюратор. MX Z 700. (VM 40-128 Carburetor. MX Z 700.)

под заказпо запросу
403138620

VM 40-130 Карбюратор. MX Z 700 SB. MX Z 700 SB (чёрный) MX Z 700 SB Millennium Edition. (VM 40-130 Carburetor. MX Z 700 SB. MX Z 700 SB (Black). MX Z 700 SB Millennium Edition.)

под заказпо запросу
11512059193

Pressure Коллектор в сборе. Includes 11 - 14. MX Z 700 SB. MX Z 700 SB (чёрный) MX Z 700 SB Millennium Edition. (Pressure Manifold Assy. Includes 11 - 14. MX Z 700 SB. MX Z 700 SB (Black). MX Z 700 SB Millennium Edition.)

под заказ23700 руб.
11512059570

COLLECTEUR PRES*MANIFOLD-PRESS

под заказ30300 руб.
12515175271

Pressure Коллектор Жгут проводов. MX Z 700 SB. MX Z 700 SB (чёрный) MX Z 700 SB Millennium Edition. (Pressure Manifold Harness. MX Z 700 SB. MX Z 700 SB (Black). MX Z 700 SB Millennium Edition.)

под заказ3960 руб.
13415061600

Solenoid Lock. MX Z 700 SB. MX Z 700 SB (чёрный) MX Z 700 SB Millennium Edition. (Solenoid Lock. MX Z 700 SB. MX Z 700 SB (Black). MX Z 700 SB Millennium Edition.)

под заказ593 руб.
14241140060

Винт K40 x 10. MX Z 700 SB. MX Z 700 SB (чёрный) MX Z 700 SB Millennium Edition. (Screw K40 x 10. MX Z 700 SB. MX Z 700 SB (Black). MX Z 700 SB Millennium Edition.)

под заказ284 руб.
14211000028

SCREW-PT.HEX.FLANGE K40 X 10

под заказ230 руб.
15512058919

Sвышеport. MX Z 700 SB. MX Z 700 SB (чёрный) MX Z 700 SB Millennium Edition. (Support. MX Z 700 SB. MX Z 700 SB (Black). MX Z 700 SB Millennium Edition.)

под заказ697 руб.
16415080200

Line. MX Z 700 SB. MX Z 700 SB (чёрный) MX Z 700 SB Millennium Edition. (Line. MX Z 700 SB. MX Z 700 SB (Black). MX Z 700 SB Millennium Edition.)

под заказ1150 руб.
16709000183

BOYAU POLYURE *POLYURETHANE H

под заказпо запросу
17414554800

Пружина Струбцина. MX Z 700 SB. MX Z 700 SB (чёрный) MX Z 700 SB Millennium Edition. (Spring Clamp. MX Z 700 SB. MX Z 700 SB (Black). MX Z 700 SB Millennium Edition.)

под заказ138 руб.
17414278600

BRIDE A RESSORT*CLAMP-SPRING

под заказ110 руб.
18270600000

Air Датчик. MX Z 700 SB. MX Z 700 SB (чёрный) MX Z 700 SB Millennium Edition. (Air Sensor. MX Z 700 SB. MX Z 700 SB (Black). MX Z 700 SB Millennium Edition.)

под заказ9210 руб.
19278001005

Female Клемма Корпус (2 circuits) MX Z 700 SB. MX Z 700 SB (чёрный) MX Z 700 SB Millennium Edition. (Female Terminal Housing (2 circuits). MX Z 700 SB. MX Z 700 SB (Black). MX Z 700 SB Millennium Edition.)

под заказ1440 руб.
20278000998

Female Клемма. MX Z 700 SB. MX Z 700 SB (чёрный) MX Z 700 SB Millennium Edition. (Female Terminal. MX Z 700 SB. MX Z 700 SB (Black). MX Z 700 SB Millennium Edition.)

под заказ428 руб.
20415128502

TERMINAL F. *TERMINAL F.

под заказ340 руб.
21278000999

Сальник. MX Z 700 SB. MX Z 700 SB (чёрный) MX Z 700 SB Millennium Edition. (Seal. MX Z 700 SB. MX Z 700 SB (Black). MX Z 700 SB Millennium Edition.)

под заказ284 руб.
22515175332

Трубопровод. MX Z 700 SB. MX Z 700 SB (чёрный) MX Z 700 SB Millennium Edition. (Tubing. MX Z 700 SB. MX Z 700 SB (Black). MX Z 700 SB Millennium Edition.)

под заказ715 руб.
23XXX

Female Клемма Корпус (4 circuits) MX Z 700 SB. MX Z 700 SB (чёрный) MX Z 700 SB Millennium Edition. (Female Terminal Housing (4 circuits). MX Z 700 SB. MX Z 700 SB (Black). MX Z 700 SB Millennium Edition.)

24XXX

Female Lock (4 circuits) MX Z 700 SB. MX Z 700 SB (чёрный) MX Z 700 SB Millennium Edition. (Female Lock (4 circuits). MX Z 700 SB. MX Z 700 SB (Black). MX Z 700 SB Millennium Edition.)

25409015100

Female Клемма. MX Z 700 SB. MX Z 700 SB (чёрный) MX Z 700 SB Millennium Edition. (Female Terminal. MX Z 700 SB. MX Z 700 SB (Black). MX Z 700 SB Millennium Edition.)

под заказ572 руб.
26515175303

Заглушка. MX Z 700 SB. MX Z 700 SB (чёрный) MX Z 700 SB Millennium Edition. (Plug. MX Z 700 SB. MX Z 700 SB (Black). MX Z 700 SB Millennium Edition.)

под заказ572 руб.
27409015400

Female Клемма Корпус (6 circuits) MX Z 700 SB. MX Z 700 SB (чёрный) MX Z 700 SB Millennium Edition. (Female Terminal Housing (6 circuits). MX Z 700 SB. MX Z 700 SB (Black). MX Z 700 SB Millennium Edition.)

под заказ1150 руб.
28409014900

(Female) Secondary Lock (6 Circuits) (Deutsch) MX Z 700 SB. MX Z 700 SB (чёрный) MX Z 700 SB Millennium Edition. ((Female) Secondary Lock (6 Circuits) (Deutsch). MX Z 700 SB. MX Z 700 SB (Black). MX Z 700 SB Millennium Edition.)

под заказ428 руб.
29404161880

Шланг (Hose)

под заказ4340 руб.
29404161814

DURITE *HOSE

под заказ3390 руб.
ski-doo

Время выполнения запроса 1.8621761798859 сек.


 
 

данный сайт носит информационный характер и не является публичной офертой

склад запчастей для водомоторной техники