вконтакте

Контактный телефон: +7 (981) 121-46-93, +7 (800) 200-90-76 , Email: parts-katalog@yandex.ru, где купить

 
 

  Логин:

Пароль:

Регистрация

www.partskatalog.ru Все каталоги Запчасти Mercury Запчасти Suzuki Запчасти Tohatsu Запчасти Honda Контакты



УВАЖАЕМЫЕ КЛИЕНТЫ!
C 19 ДЕКАБРЯ 2025 ПО 02 МАРТА 2026 ГОДА ОТДЕЛ ЗАПЧАСТЕЙ И СЕРВИС РАБОТАТЬ НЕ БУДУТ
ПРОДАЖА ЛОДОЧНЫХ МОТОРОВ В ШТАТНОМ РЕЖИМЕ
ОБ ИЗМЕНЕНИЯХ В ГРАФИКЕ РАБОТЫ ЧИТАЙТЕ НА САЙТА




Выбрать другую модель

назад Раздел:   вперёд

вернуться к списку узлов и деталей

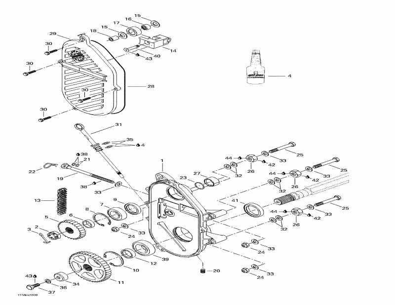
ДЕТАЛИРОВКА ДЛЯ МОДЕЛИ: SKIDOO MX Z 600 SB Black, 2000

Раздел: Цепьcase | Chaincase


Skidoo MX Z 600 SB Black, 2000 - Chaincase

Номер на
рисунке
АртикулНаименованиеКол-во
на складе
Цена
1 504151776

Цепьcase (Chaincase)

под заказпо запросу
1 504152064

CARTER CHAINE U*CASE-CHAIN MACH.

под заказпо запросу
2 250000012

Castellated Гайка M20 (Castellated Nut M20)

под заказ572 руб.
2 732610012

NUT-HEX.CASTLE

под заказ450 руб.
3 371006300

Шплинт (Cotter Pin)

под заказ138 руб.
4 413803300

Synthetic Цепьcase Oil. (12 x 355 ml) (Synthetic Chaincase Oil. (12 x 355 ml))

под заказ1860 руб.
4 619590098

XPS synthetic Chaincase Oil 350ml (293600138) x 16

под заказ1040 руб.
5 504139700

24 Teeth Цепное колесо ЗВЕЗДОЧКА (Large) (24 Teeth Sprocket (Large))

под заказ9300 руб.
6 504147200

Регулировочная шайба (Shim)

под заказ1730 руб.
7 405404400

Шариковый подшипник 6205 (Ball Bearing 6205)

под заказ1260 руб.
7 504152006

ROULEMENT BILLE*BEARING-BALL

под заказ1370 руб.
7 SM-03168

     (не оригинальная запчасть) Комплект подшипников BRP SM-03168

под заказ2 050 руб.
7 SM-03209

     (не оригинальная запчасть) Ремкомплект трансмиссии снегохода BRP SM-03209

под заказ2 710 руб.
8 371901700

Стопорное кольцо (Interior) (Circlip (Interior))

под заказ572 руб.
9 415049300

Сальник (Seal)

под заказ978 руб.
9 SM-03047

     (не оригинальная запчасть) Сальник КПП (верхний) BRP SM-03047

под заказ390 руб.
9 SM-03168

     (не оригинальная запчасть) Комплект подшипников BRP SM-03168

под заказ2 050 руб.
10415064300

Стопорное кольцо (Interior) (Circlip (Interior))

под заказ494 руб.
11504148500

43 Teeth Цепное колесо ЗВЕЗДОЧКА Large (43 Teeth Sprocket Large)

под заказ11030 руб.
12501021800

Inner Регулировочная шайба (Inner Shim)

под заказ1030 руб.
13504151857

Drive Цепь Large, (74 Соединительs) (Drive Chain Large, (74 Links))

под заказ9570 руб.
13412106900

CHAINE LARGE *CHAIN-DRIV.L.

под заказ7750 руб.
14504151951

Цепь Tensioner (Chain Tensioner)

под заказ3010 руб.
15504080300

Шайба (Washer)

под заказ215 руб.
16405403000

Игольчатый подшипник (Needle Bearing)

под заказ2070 руб.
16SM-03362

     (не оригинальная запчасть) Ролик натяжителя приводной цепи BRP SM-03362

под заказ3 060 руб.
17414531300

Ролик (Roller)

под заказ3850 руб.
17SM-03362

     (не оригинальная запчасть) Ролик натяжителя приводной цепи BRP SM-03362

под заказ3 060 руб.
18504080200

Проставка (Spacer)

под заказ681 руб.
18SM-03362

     (не оригинальная запчасть) Ролик натяжителя приводной цепи BRP SM-03362

под заказ3 060 руб.
19732601314

Регулировочный винт (Adjusting Screw)

под заказ1810 руб.
20504151921

Заглушка 1 / 8-27 (Plug 1/8-27)

под заказ250 руб.
20504151701

PLUG 1/8-27 N.P.T.

под заказ200 руб.
21414484400

Уплотнительное кольцо (O-Ring)

под заказ529 руб.
21414274400

JOINT TORIQUE *RING-O

под заказ230 руб.
22414575600

Hair Штифт (Hair Pin)

под заказ191 руб.
22414119600

GOUP.SURETE *PIN-HAIR

под заказ150 руб.
23414876700

Уплотнительное кольцо (O-Ring)

под заказ378 руб.
23SM-03168

     (не оригинальная запчасть) Комплект подшипников BRP SM-03168

под заказ2 050 руб.
24233201414

Elastic Locking Гайка M10 (Elastic Locking Nut M10)

под заказ276 руб.
24228701045

NUT-FLANGE ELASTIC DIN.6926

под заказ220 руб.
25207108044

Шестигранный винт M10 x 80 (Hex. Screw M10 x 80)

под заказ859 руб.
26504083800

Проставка (Spacer)

под заказ512 руб.
27507031500

Проставка (Spacer)

под заказ853 руб.
28415046400

Уплотнительное кольцо (O-Ring)

под заказ601 руб.
28SM-03111

     (не оригинальная запчасть) Прокладка КПП BRP SM-03111

под заказ690 руб.
29080044000

Цепьcase Крышка (Chaincase Cover)

под заказ7640 руб.
29504152471

COVER-CASTING

под заказ14220 руб.
30210263080

Taptite Шестигранный винт M6 x 30 (Taptite Hex. Screw M6 x 30)

под заказ242 руб.
30732600004

SCREW-FORMING HEX.HD.FL.GM6174

под заказ230 руб.
31504151703

Filler Колпачок (Filler Cap)

под заказ1030 руб.
32504073700

Шайба (Washer)

под заказ199 руб.
33234001410

плоский Шайба 10 mm (Flat Washer 10 mm)

под заказ284 руб.
33224001211

WASHER-FLAT DIN.125A

под заказ230 руб.
34501022400

Колпачок (Cap)

под заказ727 руб.
35414969400

Уплотнительное кольцо (O-Ring)

под заказ601 руб.
36234100602

Шайба с блокировкой 10 mm (Lock Washer 10 mm)

под заказ284 руб.
36224701188

WASHER-LOCK SPRING DIN.128A-A2

под заказ230 руб.
37207102544

Шестигранный винт M10 x 25 (Hex. Screw M10 x 25)

под заказ284 руб.
37420440241

SCREW-M10 X25

под заказ230 руб.
38219700417

Synthetic Смазка, 400g (Synthetic Grease, 400g)

под заказ7860 руб.
38293550033

SYNTHETIC GREASE 10X14OZ (1шт=1кор=10 туб)

под заказ10050 руб.
39405408500

Шариковый подшипник (Ball Bearing)

под заказ2230 руб.
39504152005

ROULEMENT BILLE*BEARING-BALL

под заказ3280 руб.
40732601144

Винт (Screw)

под заказ2230 руб.
41504151918

Сальник (Oil Seal)

под заказ2000 руб.
41581128500

ANNEAU ETAN.ASS*SEAL-OIL ASSY.

под заказ1000 руб.
41SM-03046

     (не оригинальная запчасть) Сальник КПП BRP SM-03046

под заказ410 руб.
41SM-03163

     (не оригинальная запчасть) Комплект подшипников КПП BRP SM-03163

под заказ2 330 руб.
42293800023

Loctite 767 Antiseize Lubricant, 12 oz. (Loctite 767 Antiseize Lubricant, 12 oz.)

под заказ1910 руб.
42293800070

loctite 767

под заказ2440 руб.
43293800005

Loctite 271, 10 ml (Loctite 271, 10 ml)

под заказ2150 руб.
43747020000

LOCTITE 271 *LOCTITE-271

под заказ1680 руб.
44293800059

Loctite 243, 10 ml (Loctite 243, 10 ml)

под заказпо запросу
ski-doo

Время выполнения запроса 2.32728099823 сек.


 
 

данный сайт носит информационный характер и не является публичной офертой

склад запчастей для водомоторной техники