| |
Выбрать другую модель
вернуться к списку узлов и деталей ДЕТАЛИРОВКА ДЛЯ МОДЕЛИ: SKIDOO MX Z X 400 LC, 1999
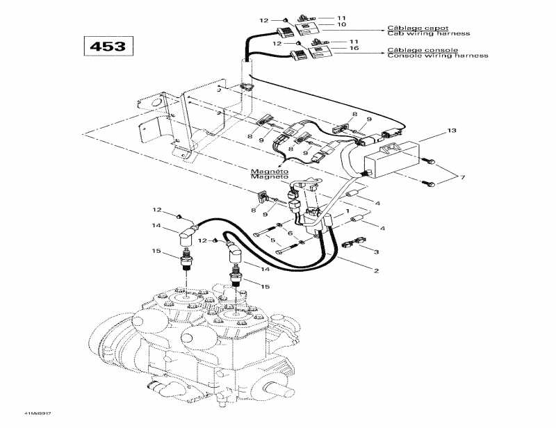
Раздел: Ignition (453) | Ignition (453)
Номер на рисунке | Артикул | Наименование | Кол-во на складе | Цена |
| 1 | 512059073 | Катушка зажигания. Includes 1 - 3. MXZ X 440 LC. (Ignition Coil. Includes 1 - 3. MXZ X 440 LC.) | под заказ | по запросу |
| 2 | 278001268 | Свеча зажигания Провод. MXZ X 440 LC. (Spark Plug Wire. MXZ X 440 LC.) | под заказ | по запросу |
| 2 | 420965521 | CABLE ALLUMAGE *CABLE-IGNITION | под заказ | по запросу |
| 3 | 410914600 | Зажим (Package of 5) MXZ X 440 LC. (Clip (Package of 5). MXZ X 440 LC.) | под заказ | 572 руб. |
| 4 | 517203200 | Проставка. MXZ X 440 LC. (Spacer. MXZ X 440 LC.) | под заказ | 1580 руб. |
| 5 | 222064565 | Шестигранный винт M6 x 45. MXZ X 440 LC. (Hex. Screw M6 x 45. MXZ X 440 LC.) | под заказ | по запросу |
| 5 | 702000052 | BOULON *BOLT | под заказ | по запросу |
| 6 | 224761110 | Шайба с блокировкой 6 mm. MXZ X 440 LC. (Lock Washer 6 mm. MXZ X 440 LC.) | под заказ | 102 руб. |
| 6 | 234161471 | WASHER-LOCK BLACK DIN.127B | под заказ | 130 руб. |
| 7 | 207662044 | Hex. Фланецd Винт M6 x 20. MXZ X 440 LC. (Hex. Flanged Screw M6 x 20. MXZ X 440 LC.) | под заказ | 284 руб. |
| 8 | 270000141 | Зажим. MXZ X 440 LC. (Clip. MXZ X 440 LC.) | под заказ | 1000 руб. |
| 9 | XXX | Pop Заклёпка. MXZ X 440 LC. (Pop Rivet. MXZ X 440 LC.) |
| 10 | 515175352 | Male Корпус. MXZ X 440 LC. (Male Housing. MXZ X 440 LC.) | под заказ | 970 руб. |
| 11 | 515175283 | Корпус Sвышеport. MXZ X 440 LC. (Housing Support. MXZ X 440 LC.) | под заказ | 859 руб. |
| 12 | 293550004 | Dielectric Смазка, 150 g. MXZ X 440 LC. (Dielectric Grease, 150 g. MXZ X 440 LC.) | под заказ | 4740 руб. |
| 12 | 747018002 | GRAISSE *GREASE | под заказ | 3710 руб. |
| 13 | 515175364 | Calibration Module. MXZ X 440 LC. (Calibration Module. MXZ X 440 LC.) | под заказ | по запросу |
| 13 | 512059235 | MODULE CALIBRE *MODULE-CALIB. | под заказ | по запросу |
| 14 | 278000237 | Свеча зажигания Защита MXZ X 440 LC. (Spark Plug Protector. MXZ X 440 LC.) | под заказ | 1580 руб. |
| 14 | 420866708 | PROT.BOUGIE *PROT-SPARK PLU | под заказ | 1230 руб. |
| 15 | 414961100 | Свеча зажигания (NGK BR9ES) MXZ X 440 LC. (Spark Plug (NGK BR9ES). MXZ X 440 LC.) | под заказ | 166 руб. |
| 15 | 414567000 | BOUGIE BR9ES *PLUG-SPARK | под заказ | 170 руб. |
| 16 | XXX | Male Корпус. MXZ X 440 LC. (Male Housing. MXZ X 440 LC.) |

Время выполнения запроса 0.84693193435669 сек.
|
|