вконтакте

Контактный телефон: +7 (981) 121-46-93, +7 (800) 200-90-76 , Email: parts-katalog@yandex.ru, где купить

 
 

  Логин:

Пароль:

Регистрация

www.partskatalog.ru Все каталоги Запчасти Mercury Запчасти Suzuki Запчасти Tohatsu Запчасти Honda Контакты



УВАЖАЕМЫЕ КЛИЕНТЫ!
C 19 ДЕКАБРЯ 2025 ПО 02 МАРТА 2026 ГОДА ОТДЕЛ ЗАПЧАСТЕЙ И СЕРВИС РАБОТАТЬ НЕ БУДУТ
ПРОДАЖА ЛОДОЧНЫХ МОТОРОВ В ШТАТНОМ РЕЖИМЕ
ОБ ИЗМЕНЕНИЯХ В ГРАФИКЕ РАБОТЫ ЧИТАЙТЕ НА САЙТА




Выбрать другую модель

назад Раздел:   вперёд

вернуться к списку узлов и деталей

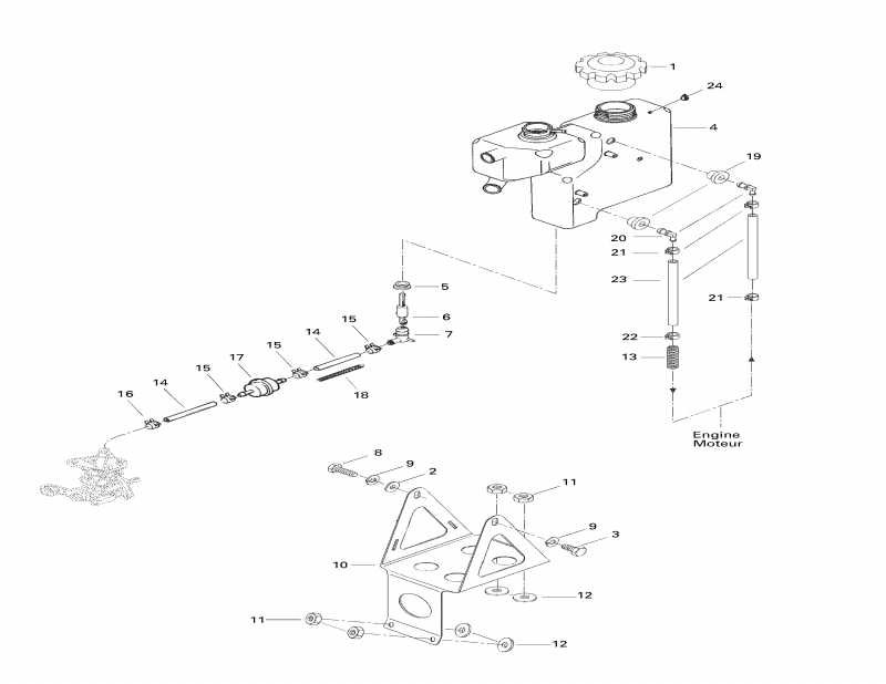
ДЕТАЛИРОВКА ДЛЯ МОДЕЛИ: SKIDOO Formula Z 583, 1998

Раздел: Масляный бак и Sвышеport | Oil Tank And Support


ski-doo Formula Z 583, 1998 раздел - Масляный бак и Sвышеport

Номер на
рисунке
АртикулНаименованиеКол-во
на складе
Цена
1 572071000

Масляный бак Колпачок (Oil Tank Cap)

под заказ1930 руб.
1 519000044

BOUCHON *CAP

под заказ3350 руб.
1 07-288-01

     (не оригинальная запчасть) Крышка топливного/масляного бака BRP 07-288-01

под заказ660 руб.
2 224061121

Шайба (Washer)

под заказ138 руб.
2 702000112

RONDELLE *WASHER

под заказ110 руб.
3 222061065

Винт Hex. M6 x 10 (Screw Hex. M6 x 10)

под заказ102 руб.
3 207161044

SCREW-HEX.CAP DIN.933

под заказ130 руб.
4 572076900

Injection Масляный бак (Injection Oil Tank)

под заказ7330 руб.
4 519000034

RESERVOIR HUILE*TANK-OIL

под заказ7980 руб.
5 570023000

Пыльник (Grommet)

под заказ572 руб.
5 2890230

GROMMET (USE 570023000)

под заказ450 руб.
5 SM-07403

     (не оригинальная запчасть) Уплотнительная втулка масляного бачка BRP SM-07403

под заказ140 руб.
6 414681900

Поплавок (Float)

под заказпо запросу
6 2196819

KOHO SENSORILLE(USE 414681900)

под заказпо запросу
7 414681800

Oil Level Датчик (Oil Level Sensor)

под заказпо запросу
7 216818

OIL LEVEL SENSOR 414681800 BBD

под заказпо запросу
8 222061265

Шестигранный винт M6 x 12 (Hex. Screw M6 x 12)

под заказ102 руб.
8 207161244

SCREW-HEX.CAP DIN.933

под заказ130 руб.
9 224761110

Шайба с блокировкой 6 mm (Lock Washer 6 mm)

под заказ102 руб.
9 234161471

WASHER-LOCK BLACK DIN.127B

под заказ130 руб.
10517278900

Oil Резервуар Sвышеport (Oil Reservoir Support)

под заказпо запросу
11228561045

Hex. Гайка M6 (Hex. Nut M6)

под заказ102 руб.
11232561414

NUT-STOP ELASTIC DIN.985

под заказ130 руб.
12414454400

Rubber Шайба (Rubber Washer)

под заказ308 руб.
12570123000

ENTRETOISE CAOU*SPACER-RUBBER

под заказпо запросу
13415044100

Пружина (Spring)

под заказ301 руб.
14415080700

Oil Line (Oil Line)

под заказ1150 руб.
14519000230

BOYAU *HOSE

под заказ900 руб.
15414415200

Пружина Зажим (Spring Clip)

под заказ138 руб.
16414420700

Пружина Зажим (Spring Clip)

под заказ138 руб.
1627414420700

SPRING CLIP 414420700

под заказ110 руб.
17414536500

Фильтр (Filter)

под заказ308 руб.
1707-246-05

     (не оригинальная запчасть) Фильтр масляный универсальный 07-246-05

под заказ370 руб.
1707-246-06

     (не оригинальная запчасть) Фильтр масляный BRP 07-246-06

под заказ470 руб.
1707-246-08

     (не оригинальная запчасть) Масляный фильтр 07-246-08

под заказ470 руб.
18414940300

Пружина (Spring)

под заказ234 руб.
19570273900

Пыльник (Grommet)

под заказ978 руб.
19707800347

PASSE-FILS *GROMMET

под заказ1150 руб.
19SM-07402

     (не оригинальная запчасть) Втулка топливной системы BRP SM-07402

под заказ140 руб.
20414523600

Elbow Ftting 90 Deg (Elbow Ftting 90 Deg)

под заказ428 руб.
2028414523600

FITT ING-ELBOW

под заказ340 руб.
21414655700

Пружина Зажим (Spring Clip)

под заказ138 руб.
2127414655700

SPRING CLAMP

под заказ110 руб.
22408801100

Пружина Зажим (Spring Clip)

под заказ321 руб.
22408800300

BRIDE *CLAMP

под заказ300 руб.
23XXX

Oil Line (Oil Line)

24413803100

Blizzard Oil (12 x 500 ml) (Blizzard Oil (12 x 500 ml))

под заказпо запросу
24496014500

HUIL BLI.500X12*OIL-BLIZ.

под заказпо запросу
413802900

Injection Oil (12 x 1 л) (Injection Oil (12 x 1 Liter))

под заказ910 руб.
619590101

XPS 2 stroke Mineral 3*1 gallon (293600118)

под заказ2200 руб.
413803000

Injection Oil (3 x 4 л) (Injection Oil (3 x 4 Liter))

под заказ2020 руб.
619590101

XPS 2 stroke Mineral 3*1 gallon (293600118)

под заказ2200 руб.
413711000

Synthetic Injection Oil (3 x 4 л) (Synthetic Injection Oil (3 x 4 Liter))

под заказ3170 руб.
293600133

XPS 2 stroke Synthetic 3*1 gallon (619590107)

под заказ3460 руб.
3150 руб.
413710700

Synthetic Injection Oil (205 л) (Synthetic Injection Oil (205 Liter))

под заказ161900 руб.
293600134

XPS 2 stroke Synthetic Drum 205 Liters (619590108)

под заказ161900 руб.
413710500

Synthetic Injection Oil (12 x 1 л) Bombardier-Rotax дляmula XP-S (Synthetic Injection Oil (12 x 1 Liter). Bombardier-Rotax Formula XP-S)

под заказ863 руб.
293600132

XPS 2 stroke Synthetic 12*1 quart (619590106)

под заказ1100 руб.
ski-doo

Время выполнения запроса 1.6284871101379 сек.


 
 

данный сайт носит информационный характер и не является публичной офертой

склад запчастей для водомоторной техники