вконтакте

Контактный телефон: +7 (981) 121-46-93, +7 (800) 200-90-76 , Email: parts-katalog@yandex.ru, где купить

 
 

  Логин:

Пароль:

Регистрация

www.partskatalog.ru Все каталоги Запчасти Mercury Запчасти Suzuki Запчасти Tohatsu Запчасти Honda Контакты



УВАЖАЕМЫЕ КЛИЕНТЫ!
C 19 ДЕКАБРЯ 2025 ПО 02 МАРТА 2026 ГОДА ОТДЕЛ ЗАПЧАСТЕЙ И СЕРВИС РАБОТАТЬ НЕ БУДУТ
ПРОДАЖА ЛОДОЧНЫХ МОТОРОВ В ШТАТНОМ РЕЖИМЕ
ОБ ИЗМЕНЕНИЯХ В ГРАФИКЕ РАБОТЫ ЧИТАЙТЕ НА САЙТА




Выбрать другую модель

назад Раздел:   вперёд

вернуться к списку узлов и деталей

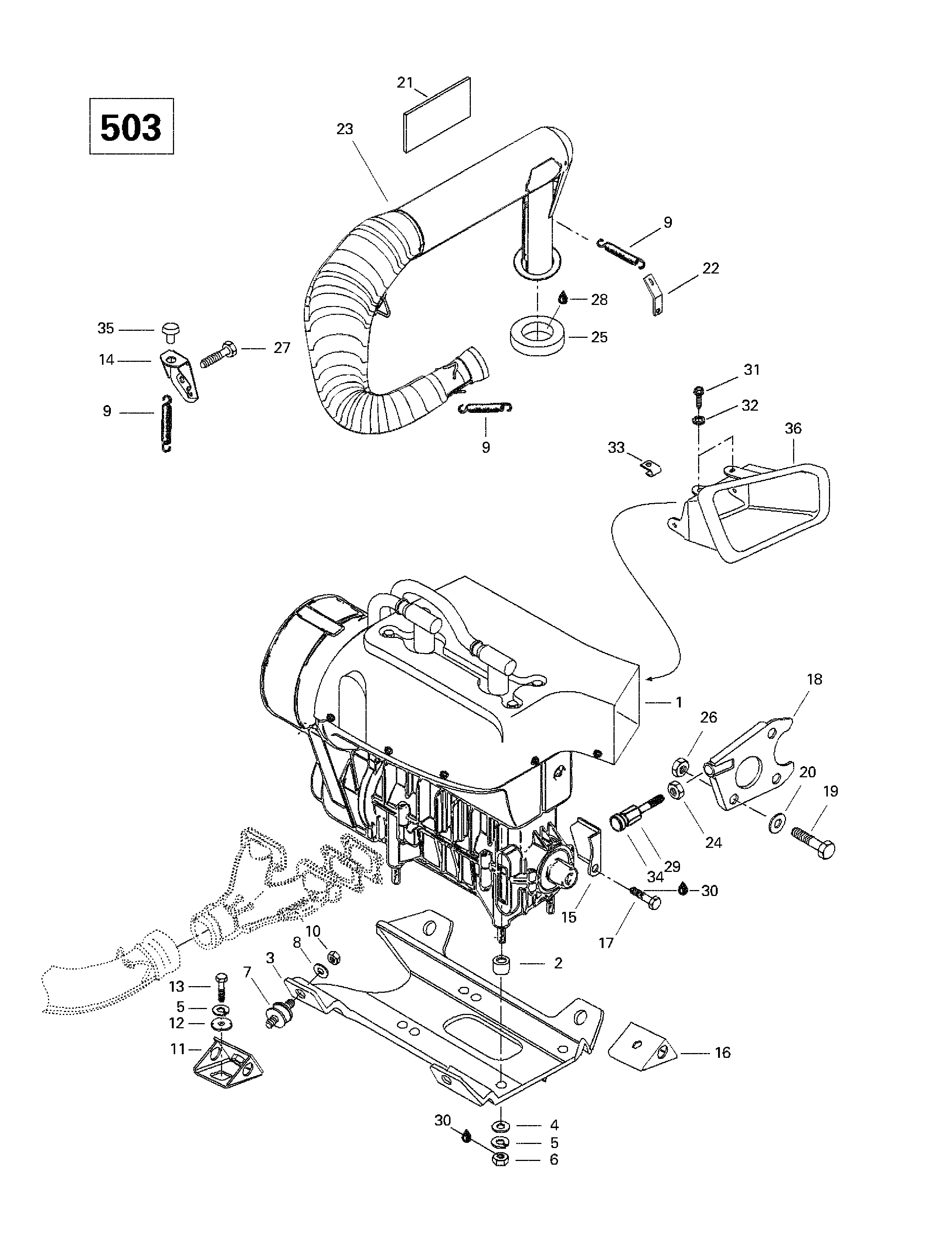
ДЕТАЛИРОВКА ДЛЯ МОДЕЛИ: SKIDOO Skandic 380/500, 1998

Раздел: Двигатель Sвышеport и Muffler (503) | Engine Support And Muffler (503)


снегоход Ski-doo Skandic 380/500, 1998 раздел - Двигатель Sвышеport и Muffler (503)

Номер на
рисунке
АртикулНаименованиеКол-во
на складе
Цена
1 400509000

<<503>> Двигатель. Skandic 500. (<<503>> Engine. Skandic 500.)

под заказпо запросу
1 11000006

ENGINE ROTAX 503(SKI-DOO)SKANDIC 500-98

под заказпо запросу
2 512051800

Проставка. Skandic 500. (Spacer. Skandic 500.)

под заказ215 руб.
3 512054500

Двигатель Sвышеport. Skandic 500. (Engine Support. Skandic 500.)

под заказпо запросу
3 512051500

SOCLE *SUPPORT-ENGINE

под заказпо запросу
4 224001211

Шайба 10.5 mm. Skandic 500. (Washer 10.5 mm. Skandic 500.)

под заказ222 руб.
4 234001410

WASHER-FLAT DIN.125A

под заказ290 руб.
5 224701188

Шайба с блокировкой 10 мм. Skandic 500. (Lock Washer 10mm. Skandic 500.)

под заказ222 руб.
5 234100602

WASHER-LOCK SPRING DIN.128A-A2

под заказ290 руб.
6 228001045

Гайка M10. Skandic 500. (Nut M10. Skandic 500.)

под заказпо запросу
6 701000377

ECROU *NUT

под заказпо запросу
7 570127700

Монтажная резинка. Skandic 500. (Rubber Mount. Skandic 500.)

под заказ2440 руб.
7 570128700

TAMPON ANCRAGE *MOUNT-RUBBER

под заказ4070 руб.
7 09-217

     (не оригинальная запчасть) Опора (подушка) двигателя BRP 09-217

под заказ760 руб.
8 224001211

плоский Шайба 10 mm. Skandic 500. (Flat Washer 10 mm. Skandic 500.)

под заказ222 руб.
8 234001410

WASHER-FLAT DIN.125A

под заказ290 руб.
9 414893700

Пружина. Skandic 500. (Spring. Skandic 500.)

под заказ358 руб.
9 415107100

RESSORT *SPRING

под заказ460 руб.
9 SM-02007

     (не оригинальная запчасть) Пружина крепления глушителя BRP SM-02007

под заказ280 руб.
10228501045

Эластичная гайка со стопором M10. Skandic 500. (Elastic Stop Nut M10. Skandic 500.)

под заказпо запросу
10702000009

ECROU *NUT

под заказпо запросу
11512057600

Sвышеport. Skandic 500. (Support. Skandic 500.)

под заказпо запросу
12512056700

Шайба с блокировкой. Skandic 500. (Lock Washer. Skandic 500.)

под заказ548 руб.
12517168000

RONDELLE-FREIN *WASHER-LOCK

под заказ430 руб.
13222002565

Шестигранный винт M10 x 25. Skandic 500. (Hex. Screw M10 x 25. Skandic 500.)

под заказ222 руб.
13207102544

SCREW-HEX.CAP ISO.4017

под заказ290 руб.
14514044100

Muffler Sвышеport. Skandic 500. (Muffler Support. Skandic 500.)

под заказпо запросу
15512052200

Стопор Пластина. Skandic 500. (Stopper plate. Skandic 500.)

под заказпо запросу
15512059198

PLAQUE BUTEE SO*PLATE-STOP.WEL

под заказпо запросу
16512050900

Двигатель Sвышеport. Skandic 500. (Engine Support. Skandic 500.)

под заказ745 руб.
17222082065

Шестигранный винт M8 x 20. Skandic 500. (Hex. Screw M8 x 20. Skandic 500.)

под заказпо запросу
17222082015

SCREW-HEX.CAP DIN.933

под заказпо запросу
18517271800

Sвышеport Пластина. Skandic 500. (Support Plate. Skandic 500.)

под заказпо запросу
19222082565

Шестигранный винт M8 x 20. Skandic 500. (Hex. Screw M8 x 20. Skandic 500.)

под заказ222 руб.
19207182544

SCREW-HEX.CAP DIN.933

под заказ290 руб.
20224081171

плоский Шайба 8 mm. Skandic 500. (Flat Washer 8 mm. Skandic 500.)

под заказ102 руб.
20234081410

WASHER-FLAT DIN.125A

под заказ130 руб.
21414746400

Reflection Sheet. Skandic 500. (Reflection Sheet. Skandic 500.)

под заказ561 руб.
22514034000

Пружина Кронштейн. Skandic 500. (Spring Bracket. Skandic 500.)

под заказпо запросу
23514046700

Tune Трубка. Skandic 500. (Tune Pipe. Skandic 500.)

под заказпо запросу
24228020045

Гайка M12. Skandic 500. (Nut M12. Skandic 500.)

под заказ222 руб.
24232120414

NUT-JAM HEXAGONAL DIN.439B

под заказ290 руб.
25570039000

Выхлоп Шайба. Skandic 500. (Exhaust Washer. Skandic 500.)

под заказ1570 руб.
25570035600

RONDELLE ECHAPP*GROMMET-EXHAUS

под заказ1220 руб.
26228581045

Эластичная гайка со стопором M8. Skandic 500. (Elastic Stop Nut M8. Skandic 500.)

под заказ106 руб.
26232581414

NUT-STOP ELASTIC DIN.985

под заказ140 руб.
27222006065

Hex Винт M10 x 60. Skandic 500. (Hex Screw M10 x 60. Skandic 500.)

под заказпо запросу
27702000102

BOULON *BOLT

под заказпо запросу
28293550014

Смазка, Sвышеer Lube #823-28. Skandic 500. (Grease, Super Lube #823-28. Skandic 500.)

под заказ2250 руб.
28293550030

Super lube grease

под заказ2870 руб.
29517244200

Винт. Skandic 500. (Screw. Skandic 500.)

под заказ1630 руб.
2917076

SCREW 517244200

под заказ1490 руб.
30413707400

Loctite 271, 10cc. Skandic 500. (Loctite 271, 10cc. Skandic 500.)

под заказ1680 руб.
30293800005

LOCTITE 271 *LOCTITE-271

под заказ2150 руб.
31365901100

Hex. Саморез. Skandic 500. (Hex. Tapping Screw. Skandic 500.)

под заказ263 руб.
31365900600

SCREW-HEX.TAPING 12

под заказ210 руб.
32732900047

Double Serrated Шайба с блокировкой 5 mm. Skandic 500. (Double Serrated Lock Washer 5 mm. Skandic 500.)

под заказ52 руб.
33389812800

Speed Гайка. Skandic 500. (Speed Nut. Skandic 500.)

под заказпо запросу
34570025100

Тяга Фиксатор. Skandic 500. (Rod Retainer. Skandic 500.)

под заказ915 руб.
35570048700

Резиновый стопор. Skandic 500. (Rubber Stopper. Skandic 500.)

под заказ898 руб.
35514053654

BUTOIR CAOUT. *BUMPER RUBBER

под заказ1150 руб.
36572083900

выход Duct. Skandic 500. (Outlet Duct. Skandic 500.)

под заказпо запросу
ski-doo

Время выполнения запроса 1.7405059337616 сек.


 
 

данный сайт носит информационный характер и не является публичной офертой

склад запчастей для водомоторной техники