вконтакте

Контактный телефон: +7 (981) 121-46-93, +7 (800) 200-90-76 , Email: parts-katalog@yandex.ru, где купить

 
 

  Логин:

Пароль:

Регистрация

www.partskatalog.ru Все каталоги Запчасти Mercury Запчасти Suzuki Запчасти Tohatsu Запчасти Honda Контакты


Выбрать другую модель

назад Раздел:   вперёд

вернуться к списку узлов и деталей

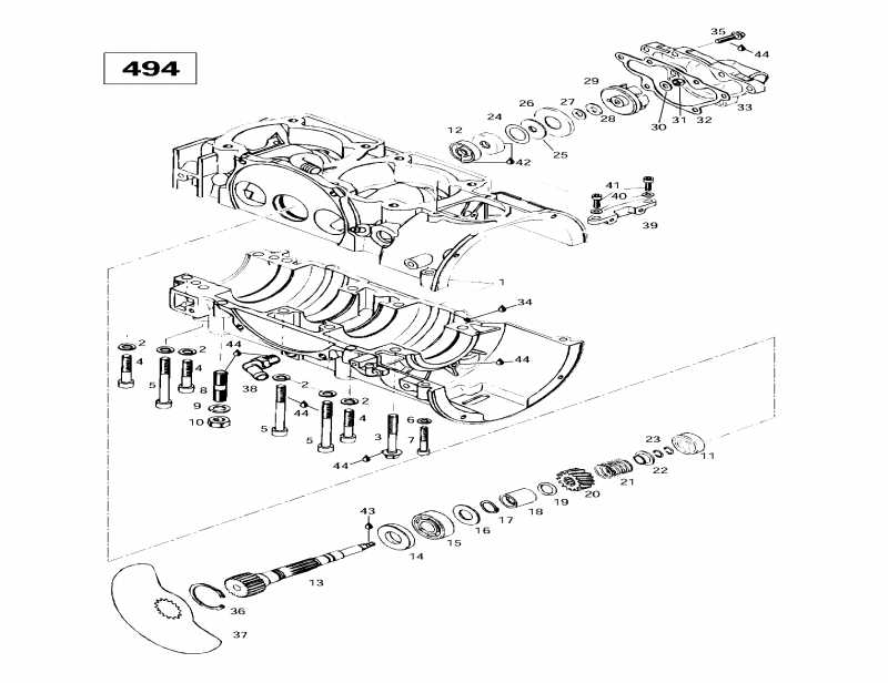
ДЕТАЛИРОВКА ДЛЯ МОДЕЛИ: SKIDOO Skandic Super Wide Track, 1997

Раздел: Картер двигателя, Rotary Клапан, Водяной насос (494) | Crankcase, Rotary Valve, Water Pump (494) &nbs


ski-doo Skandic Super Wide Track, 1997 раздел - Картер двигателя, Rotary Клапан, Водяной насос (494)

Номер на
рисунке
АртикулНаименованиеКол-во
на складе
Цена
1 420887491

Картер двигателя в сборе. Includes 1 - 7. Skandic Wide Track LC. (Crankcase Assy. Includes 1 - 7. Skandic Wide Track LC.)

под заказпо запросу
2 420945752

Шайба с блокировкой 8 mm. Skandic Wide Track LC. (Lock Washer 8 mm. Skandic Wide Track LC.)

под заказ118 руб.
2 402001600

RONDELLE-FREIN *WASHER-LOCK#8

под заказ110 руб.
3 420841306

Шестигранный винт M8 x 65. Skandic Wide Track LC. (Hex. Screw M8 x 65. Skandic Wide Track LC.)

под заказ441 руб.
4 420841561

Allen Винт M8 x 45. Skandic Wide Track LC. (Allen Screw M8 x 45. Skandic Wide Track LC.)

под заказ145 руб.
5 420841831

Allen Винт M8 x 75. Skandic Wide Track LC. (Allen Screw M8 x 75. Skandic Wide Track LC.)

под заказ170 руб.
6 420945751

Шайба с блокировкой 6 mm. Skandic Wide Track LC. (Lock Washer 6 mm. Skandic Wide Track LC.)

под заказ138 руб.
6 540802026

RONDELLE-FREIN *WASHER-LOCK

под заказ110 руб.
7 420241816

Allen Винт M6 x 40. Skandic Wide Track LC. (Allen Screw M6 x 40. Skandic Wide Track LC.)

под заказ154 руб.
7 420241815

SCREW-ALLEN M6 X 40

под заказ130 руб.
8 420941180

Шпилька M10. Skandic Wide Track LC. (Stud M10. Skandic Wide Track LC.)

под заказпо запросу
9 420945753

Шайба с блокировкой 10 mm. Skandic Wide Track LC. (Lock Washer 10 mm. Skandic Wide Track LC.)

под заказ37 руб.
10228001045

Hex. Гайка M10. Skandic Wide Track LC. (Hex. Nut M10. Skandic Wide Track LC.)

под заказпо запросу
10701000377

ECROU *NUT

под заказпо запросу
11420932797

Шариковый подшипник 6201. Skandic Wide Track LC. (Ball Bearing 6201. Skandic Wide Track LC.)

под заказ1290 руб.
11932797

BEARING (USE 420932797)

под заказ1010 руб.
12420850710

Сальник. Skandic Wide Track LC. (Oil Seal. Skandic Wide Track LC.)

под заказпо запросу
12850710

GASKET (USE 420850710)

под заказпо запросу
13420837242

Rotary Клапан Вал. Skandic Wide Track LC. (Rotary Valve Shaft. Skandic Wide Track LC.)

под заказпо запросу
14420930580

Сальник. Skandic Wide Track LC. (Oil Seal. Skandic Wide Track LC.)

под заказ1150 руб.
14930580

GASKET (USE 420930580)

под заказ900 руб.
15405406400

Шариковый подшипник 6203. Skandic Wide Track LC. (Ball Bearing 6203. Skandic Wide Track LC.)

под заказ1010 руб.
15293350051

ROULEMENT BILLE*BALL BEARING

под заказ1290 руб.
16420227439

Регулировочная шайба. Skandic Wide Track LC. (Shim. Skandic Wide Track LC.)

под заказ428 руб.
16290227439

CALE EPAISSEUR *SHIM

под заказ340 руб.
17420845450

Стопорное кольцо (Кольцо Lock) Skandic Wide Track LC. (Circlip (Ring Lock). Skandic Wide Track LC.)

под заказ284 руб.
17845450

SEGERRENGAS 17X1 582 -94

под заказ230 руб.
18420847282

Проставка. Skandic Wide Track LC. (Spacer. Skandic Wide Track LC.)

под заказ1290 руб.
18847282

SPACER

под заказ1010 руб.
19420831500

Уплотнительное кольцо. Skandic Wide Track LC. (O-Ring. Skandic Wide Track LC.)

под заказпо запросу
19831500

O-RING (USE 420831500)

под заказпо запросу
20420935735

Rotary Клапан Шестерня 14 Teeth. Skandic Wide Track LC. (Rotary Valve Gear 14 Teeth. Skandic Wide Track LC.)

под заказ5280 руб.
20420935736

ROUE DENTEE 14D*SPROCKET 14TH

под заказ6750 руб.
20010-450

     (не оригинальная запчасть) Шестерня вала привода роторного клапана BRP 010-450

под заказ5 120 руб.
21420938810

Пружина. Skandic Wide Track LC. (Spring. Skandic Wide Track LC.)

под заказ1150 руб.
21938810

SPRING (420938810)

под заказ900 руб.
22420827430

Пружина Holding Cвыше. Skandic Wide Track LC. (Spring Holding Cup. Skandic Wide Track LC.)

под заказ1000 руб.
22827430

SPRING HOLDING CUP

под заказ790 руб.
23420845160

Стопорное кольцо. Skandic Wide Track LC. (Circlip. Skandic Wide Track LC.)

под заказ284 руб.
23845160

LOCKING RING (USE 420845160)

под заказ230 руб.
24420944462

Регулировочная шайба. Skandic Wide Track LC. (Shim. Skandic Wide Track LC.)

под заказ122 руб.
24944462

SHIM 0,5 MM(USE 420944462)

под заказ140 руб.
25420850890

Rubber Шайба. Skandic Wide Track LC. (Rubber Washer. Skandic Wide Track LC.)

под заказ308 руб.
25850890

RUBBER WASHER (USE 420850890)

под заказ140 руб.
26420827970

Sвышеporting Пластина. Skandic Wide Track LC. (Supporting Plate. Skandic Wide Track LC.)

под заказ978 руб.
26827970

SUPPORT PLATE(USE 420827970)

под заказ470 руб.
27420227945

Шайба. Skandic Wide Track LC. (Washer. Skandic Wide Track LC.)

под заказ428 руб.
27227945

WASHER

под заказ340 руб.
28420227155

Friction Шайба. Skandic Wide Track LC. (Friction Washer. Skandic Wide Track LC.)

под заказ594 руб.
28227155

WASHER

под заказ550 руб.
29420922036

Крыльчатка водяного насоса. Skandic Wide Track LC. (Water Pump Impeller. Skandic Wide Track LC.)

под заказ1220 руб.
29922036

IMPELLER (USE 420922036)

под заказ960 руб.
30224061121

Шайба 6.4 mm. Skandic Wide Track LC. (Washer 6.4 mm. Skandic Wide Track LC.)

под заказ138 руб.
30702000112

RONDELLE *WASHER

под заказ110 руб.
31420842042

Гайка M6. Skandic Wide Track LC. (Nut M6. Skandic Wide Track LC.)

под заказпо запросу
32420931355

Прокладка. Skandic Wide Track LC. (Gasket. Skandic Wide Track LC.)

под заказ535 руб.
33420922551

Водяной насос Корпус. Skandic Wide Track LC. (Water Pump Housing. Skandic Wide Track LC.)

под заказпо запросу
34413707100

Сальникant, 100 gr. Skandic Wide Track LC. (Sealant, 100 gr. Skandic Wide Track LC.)

под заказпо запросу
35420240031

Шестигранный винт M6 x 25. Skandic Wide Track LC. (Hex. Screw M6 x 25. Skandic Wide Track LC.)

под заказ242 руб.
35420240034

SCREW-HEX.M6 X 25

под заказ190 руб.
36420845260

Locking Кольцо. Skandic Wide Track LC. (Locking Ring. Skandic Wide Track LC.)

под заказ572 руб.
36845260

CIRCLIP (USE 420845260)

под заказ450 руб.
37420924508

Rotary Клапан (147 Deg.) Skandic Wide Track LC. (Rotary Valve (147 Deg.). Skandic Wide Track LC.)

под заказ4600 руб.
37420924509

VALVE ROTATIVE *VALVE-ROTARY

под заказпо запросу
38420922245

Angular Трубка. Skandic Wide Track LC. (Angular Tube. Skandic Wide Track LC.)

под заказпо запросу
38922245

ANGULAR TUBE (USE 420922245)

под заказпо запросу
39420851280

Fixation. Skandic Wide Track LC. (Fixation. Skandic Wide Track LC.)

под заказпо запросу
40420827800

Шайба 5.5 mm. Skandic Wide Track LC. (Washer 5.5 mm. Skandic Wide Track LC.)

под заказ284 руб.
40290827800

RONDELLE *WASHER

под заказ230 руб.
41420240181

Allen Винт M5 x 20. Skandic Wide Track LC. (Allen Screw M5 x 20. Skandic Wide Track LC.)

под заказпо запросу
42413707000

Molykote 111. Skandic Wide Track LC. (Molykote 111. Skandic Wide Track LC.)

под заказ5600 руб.
42420897161

MOLYKOTE 111 *MOLYKOTE-111

под заказпо запросу
43420899788

Loctite 648, 5 gr. Skandic Wide Track LC. (Loctite 648, 5 gr. Skandic Wide Track LC.)

под заказпо запросу
43899788

LOCTITE 648, VUHREA 5 G

под заказпо запросу
44413703000

Loctite 242, 10 cc. Skandic Wide Track LC. (Loctite 242, 10 cc. Skandic Wide Track LC.)

под заказ1680 руб.
44293800060

LOCTITE 243 *LOCTITE-243

под заказ2150 руб.
ski-doo

Время выполнения запроса 3.1085970401764 сек.


 
 

данный сайт носит информационный характер и не является публичной офертой

склад запчастей для водомоторной техники