вконтакте

Контактный телефон: +7 (981) 121-46-93, +7 (800) 200-90-76 , Email: parts-katalog@yandex.ru, где купить

 
 

  Логин:

Пароль:

Регистрация

www.partskatalog.ru Все каталоги Запчасти Mercury Запчасти Suzuki Запчасти Tohatsu Запчасти Honda Контакты



УВАЖАЕМЫЕ КЛИЕНТЫ!
C 19 ДЕКАБРЯ 2025 ПО 02 МАРТА 2026 ГОДА ОТДЕЛ ЗАПЧАСТЕЙ И СЕРВИС РАБОТАТЬ НЕ БУДУТ
ПРОДАЖА ЛОДОЧНЫХ МОТОРОВ В ШТАТНОМ РЕЖИМЕ
ОБ ИЗМЕНЕНИЯХ В ГРАФИКЕ РАБОТЫ ЧИТАЙТЕ НА САЙТА




Выбрать другую модель

назад Раздел:   вперёд

вернуться к списку узлов и деталей

ДЕТАЛИРОВКА ДЛЯ МОДЕЛИ: SKIDOO Skandic Super Wide Track, 1997

Раздел: Электростартер (494) | Electric Starter (494)


снегоход Ski-doo Skandic Super Wide Track, 1997 - Electric Starter (494)

Номер на
рисунке
АртикулНаименованиеКол-во
на складе
Цена
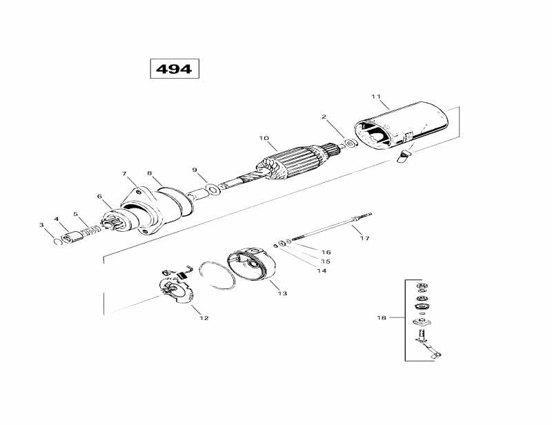
1 410207500

Электростартер. Includes 1 - 18. Skandic Wide Track LC. (Electric Starter. Includes 1 - 18. Skandic Wide Track LC.)

под заказ37600 руб.
1 5343740

STARTER DRILLING

под заказ34500 руб.
2 410204500

Упорная шайба. Skandic Wide Track LC. (Thrust Washer. Skandic Wide Track LC.)

под заказ428 руб.
2 278000056

RONDELLE PLATE *WASHER-FLAT

под заказ340 руб.
3 410207700

Стопорное кольцо. Skandic Wide Track LC. (Circlip. Skandic Wide Track LC.)

под заказ428 руб.
3 278000048

CIRCLIP DEMAR. *CIRCLIP-STARTER

под заказ340 руб.
4 410207800

Гайка. Skandic Wide Track LC. (Nut. Skandic Wide Track LC.)

под заказ1500 руб.
5 410207900

Пружина. Skandic Wide Track LC. (Spring. Skandic Wide Track LC.)

под заказ782 руб.
6 410208000

Стартер Сцепление. Skandic Wide Track LC. (Starter Clutch. Skandic Wide Track LC.)

под заказ17360 руб.
6 420866850

BENDIX WHEEL

под заказпо запросу
6 SM-01309

     (не оригинальная запчасть) Бендикс стартера BRP SM-01309

под заказ2 970 руб.
7 XXX

Корпус стартера. Skandic Wide Track LC. (Starter Housing. Skandic Wide Track LC.)

8 XXX

Уплотнительное кольцо. Skandic Wide Track LC. (O-Ring. Skandic Wide Track LC.)

9 XXX

Шайба. Skandic Wide Track LC. (Washer. Skandic Wide Track LC.)

10XXX

Якорь в сборе. Skandic Wide Track LC. (Armature Assy. Skandic Wide Track LC.)

11XXX

Корпус стартера. Skandic Wide Track LC. (Starter Housing. Skandic Wide Track LC.)

12410208600

Держатель втулки. Skandic Wide Track LC. (Brush Holder. Skandic Wide Track LC.)

под заказ2230 руб.
13410208700

Корпус. Skandic Wide Track LC. (Housing. Skandic Wide Track LC.)

под заказпо запросу
14XXX

Уплотнительное кольцо. Skandic Wide Track LC. (O-Ring. Skandic Wide Track LC.)

15XXX

Шайба. Skandic Wide Track LC. (Washer. Skandic Wide Track LC.)

16XXX

Шайба. Skandic Wide Track LC. (Washer. Skandic Wide Track LC.)

17410212200

Болт. Skandic Wide Track LC. (Bolt. Skandic Wide Track LC.)

под заказ1010 руб.
17278000170

GOUJON RETENUE *STUD-RETAINER

под заказ1290 руб.
18410212100

Щётка Kit. Skandic Wide Track LC. (Brush Kit. Skandic Wide Track LC.)

под заказ1420 руб.
ski-doo

Время выполнения запроса 0.88251709938049 сек.


 
 

данный сайт носит информационный характер и не является публичной офертой

склад запчастей для водомоторной техники