вконтакте

Контактный телефон: +7 (981) 121-46-93, +7 (800) 200-90-76 , Email: parts-katalog@yandex.ru, где купить

 
 

  Логин:

Пароль:

Регистрация

www.partskatalog.ru Все каталоги Запчасти Mercury Запчасти Suzuki Запчасти Tohatsu Запчасти Honda Контакты



УВАЖАЕМЫЕ КЛИЕНТЫ!
C 31 ОКТЯБРЯ 2025 ПО 10 НОЯБРЯ 2025 ГОДА РАБОТАТЬ НЕ БУДЕМ




Выбрать другую модель

назад Раздел:   вперёд

вернуться к списку узлов и деталей

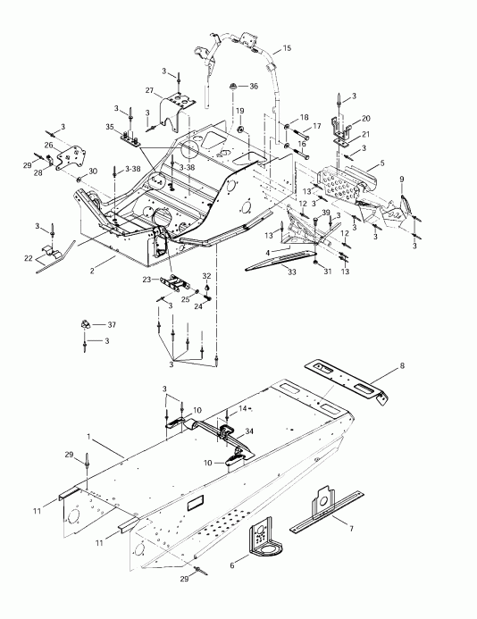
ДЕТАЛИРОВКА ДЛЯ МОДЕЛИ: SKIDOO Skandic 380/500, 1997

Раздел: Рама и Аксессуары | Frame And Accessories


снегоход Ski Doo Skandic 380/500, 1997 - Frame And Accessories

Номер на
рисунке
АртикулНаименованиеКол-во
на складе
Цена
1 518316804

Tunnel (Tunnel)

под заказпо запросу
2 518316241

Front Member (Front Member)

под заказпо запросу
3 390402200

Заклёпка (Rivet)

под заказ138 руб.
4 518316702

L.H. Sвышеport (L.H. Support)

под заказ8300 руб.
4 518320507

SUP.REP.PI.GA. *SUP.-FOOT.LH

под заказ10610 руб.
518316703

R.H. Sвышеport (R.H. Support)

под заказ8300 руб.
518320506

SUP.REP.PI.DR. *SUP.-FOOT.RH

под заказ9040 руб.
5 518313804

R.H. Front Footrest (R.H. Front Footrest)

под заказпо запросу
518313805

L.H. Front Footrest (L.H. Front Footrest)

под заказпо запросу
6 518312910

Front Кронштейн (Front Bracket)

под заказ900 руб.
6 518321495

ATTACHE AVANT *BRACKET-FRONT

под заказ990 руб.
7 518316715

L.H. Rear Кронштейн (L.H. Rear Bracket)

под заказпо запросу
518316716

R.H. Rear Кронштейн (R.H. Rear Bracket)

под заказпо запросу
8 518308717

Колпачок-End (Cap-End)

под заказпо запросу
9 518308714

верхний Пластина L.H (Upper Plate L.H)

под заказпо запросу
518308715

верхний Пластина R.H (Upper Plate R.H)

под заказ1110 руб.
10517266900

R.H. Tank Кронштейн (R.H. Tank Bracket)

под заказпо запросу
517267000

L.H. Tank Кронштейн (L.H. Tank Bracket)

под заказпо запросу
11518316705

L.H. Tunnel Reinдляcement (L.H. Tunnel Reinforcement)

под заказпо запросу
518316706

R.H. Tunnel Reinдляcement (R.H. Tunnel Reinforcement)

под заказпо запросу
12390909200

Avex Заклёпка (Short) (Avex Rivet (Short))

под заказ138 руб.
12605636005

Rivet Avex 4.8x10 St

под заказ70 руб.
13390909100

Avex Заклёпка (Long) (Avex Rivet (Long))

под заказ21 руб.
14390402400

Заклёпка (Rivet)

под заказ138 руб.
15518309200

Handle Рулевая опора (Handle Steering Support)

под заказпо запросу
16222064065

Шестигранный винт M6 x 40 (Hex. Screw M6 x 40)

под заказ222 руб.
16207064044

SCREW-HEX.CAP DIN.931

под заказ290 руб.
17222063565

Шестигранный винт M6 x 35 (Hex. Screw M6 x 35)

под заказпо запросу
17222063515

SCREW-HEX.CAP DIN.931

под заказпо запросу
18224061151

Шайба 6 mm (Washer 6 mm)

под заказ206 руб.
18234061410

WASHER-FLAT M6 DIN.125A

под заказ270 руб.
19228761045

Elastic Фланецd Stop Гайка M6 (Elastic Flanged Stop Nut M6)

под заказ222 руб.
19233261414

NUT-FLANGE ELASTIC DIN.6926

под заказ290 руб.
20518202100

Шкив Guard Кронштейн (Pulley Guard Bracket)

под заказ1200 руб.
21518207500

Reinдляcement (Reinforcement)

под заказ383 руб.
22517276100

Направляющая Шнур (Guide Rope)

под заказпо запросу
23518304741

Reinf. Пластина (Reinf. Plate)

под заказпо запросу
24222082065

Шестигранный винт M8 x 20 (Hex. Screw M8 x 20)

под заказпо запросу
24222082015

SCREW-HEX.CAP DIN.933

под заказпо запросу
25224781140

Шайба с блокировкой 8 mm (Lock Washer 8 mm)

под заказ108 руб.
25234181401

WASHER-LOCK DIN*.127B

под заказ140 руб.
26518316704

Muffler Sвышеport. Skandic 380. (Muffler Support. Skandic 380.)

под заказ952 руб.
27518310400

Air Глушитель Sвышеport (Air Silencer Support)

под заказ853 руб.
28514034000

Пружина Кронштейн. Skandic 380. (Spring Bracket. Skandic 380.)

под заказпо запросу
29390402300

Заклёпка (Rivet)

под заказ138 руб.
30517225900

Шайба. Skandic 380. (Washer. Skandic 380.)

под заказ160 руб.
30517304282

RONDELLE PLATE *FLAT WASHER

под заказ130 руб.
31228751045

Elastic Фланецd Stop Гайка M5 (Elastic Flanged Stop Nut M5)

под заказпо запросу
31233251414

NUT-FLANGE ELASTIC DIN.6926

под заказ270 руб.
32413707400

Loctite 271, 10cc (Loctite 271, 10cc)

под заказ1680 руб.
32293800005

LOCTITE 271 *LOCTITE-271

под заказ2150 руб.
33518316709

R.H. Reinдляcement Пластина (R.H. Reinforcement Plate)

под заказпо запросу
33518312929

PLAQUE RENF.DR.*PLATE-REINF.RH

под заказпо запросу
518316710

L.H. Reinдляcement. Пластина (L.H. Reinforcement. Plate)

под заказ728 руб.
518321959

PLAQUE RENF.GA.*PLATE-REINF.LH

под заказ800 руб.
34518310208

Седло Кронштейн (Seat Bracket)

под заказпо запросу
35518315300

Sвышеport Пластина (Support Plate)

под заказпо запросу
36414859400

Колпачок (Cap)

под заказ428 руб.
37414227300

Зажим (Clip)

под заказ284 руб.
37414943400

PINCE *CLIP

под заказ230 руб.
38518201307

Пластина-Кронштейн (Plate-Bracket)

под заказ546 руб.
39222051665

Шестигранный винт M5 x 16 (Hex. Screw M5 x 16)

под заказ102 руб.
39207151644

SCREW-HEX.CAP DIN.933

под заказ130 руб.
ski-doo

Время выполнения запроса 2.7740201950073 сек.


 
 

данный сайт носит информационный характер и не является публичной офертой

склад запчастей для водомоторной техники