| |
Выбрать другую модель
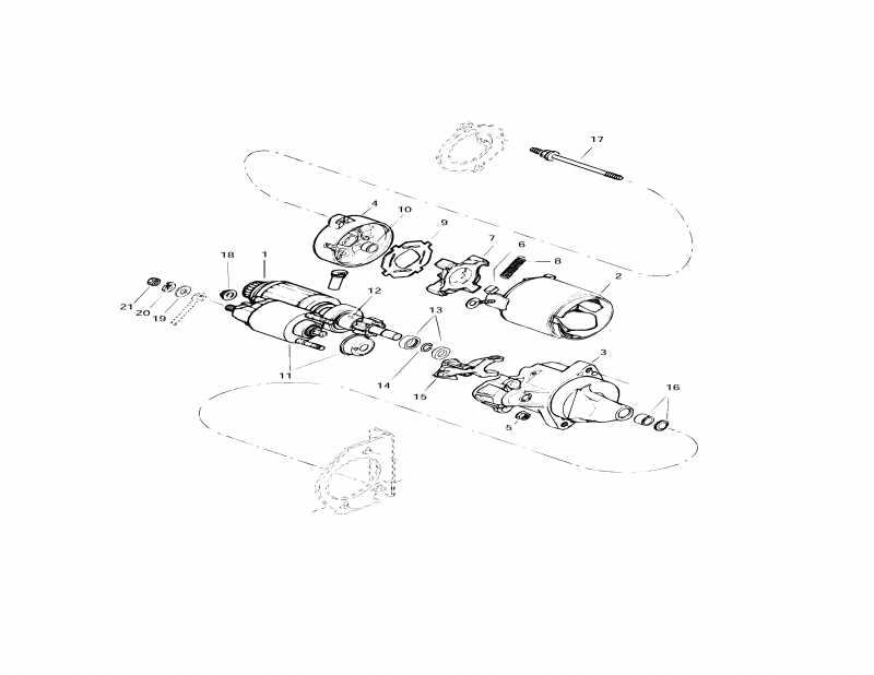
вернуться к списку узлов и деталей ДЕТАЛИРОВКА ДЛЯ МОДЕЛИ: SKIDOO Touring LE, 1997
Раздел: Электростартер | Electric Starter
Номер на рисунке | Артикул | Наименование | Кол-во на складе | Цена |
| 1 | 410212400 | Электростартер. Includes 1 - 18. (Electric Starter. Includes 1 - 18.) | под заказ | 40400 руб. |
| 1 | 410209200 | DEMARREUR *STARTER | под заказ | 36300 руб. |
| 1 | SM-01215 | (не оригинальная запчасть) Стартер электрический BRP SM-01215 | под заказ | 18 060 руб. |
| 1 | 410210200 | Якорь в сборе (Armature Assy) | под заказ | 20900 руб. |
| 2 | 410209500 | Корпус Стартер (Housing Starter) | под заказ | 13820 руб. |
| 3 | 410210800 | Корпус (Housing) | под заказ | 24300 руб. |
| 4 | 410210000 | Корпус (Housing) | под заказ | по запросу |
| 5 | 410211200 | Гайка (Nut) | под заказ | 250 руб. |
| 6 | 410209600 | Щётка (Brush) | под заказ | 1640 руб. |
| 6 | 420866970 | BRUSH | под заказ | по запросу |
| 7 | 410209700 | Держатель втулки (Brush Holder) | под заказ | 946 руб. |
| 7 | 420866192 | BRUSH HOLDER | под заказ | по запросу |
| 8 | 410209800 | Пружина (Spring) | под заказ | 218 руб. |
| 8 | 420838200 | SPRING | под заказ | по запросу |
| 9 | 410209900 | Изолятор (Insulator) | под заказ | 1060 руб. |
| 10 | 410210100 | Втулка Brass (Bushing Brass) | под заказ | 641 руб. |
| 10 | 420933247 | BUSHING | под заказ | по запросу |
| 11 | 410210300 | Переключатель в сборе (Switch Assy) | под заказ | 16880 руб. |
| 12 | 410210400 | Сцепление (Clutch) | под заказ | 29600 руб. |
| 12 | SM-01321 | (не оригинальная запчасть) Бендикс стартера BRP SM-01321 | под заказ | 4 580 руб. |
| 13 | 410212500 | Гайка (Nut) | под заказ | 3030 руб. |
| 13 | 410210500 | ECROU *NUT | под заказ | 2370 руб. |
| 14 | 410212600 | Стопорное кольцо (Circlip) | под заказ | 250 руб. |
| 14 | 410210600 | CIRCLIP *CIRCLIP | под заказ | 200 руб. |
| 15 | 410210700 | Рычаг (Lever) | под заказ | 4640 руб. |
| 15 | 420848045 | ARM | под заказ | по запросу |
| 16 | 410210900 | Втулка Brass (Bushing Brass) | под заказ | 691 руб. |
| 16 | 420933245 | BUSHING | под заказ | по запросу |
| 17 | 410212000 | Болт (Bolt) | под заказ | 930 руб. |
| 17 | 410211000 | BOULON *BOLT | под заказ | 620 руб. |
| 18 | 410211100 | Гайка (Nut) | под заказ | 250 руб. |
| 19 | 224081171 | Шайба (Washer) | под заказ | 102 руб. |
| 19 | 234081410 | WASHER-FLAT DIN.125A | под заказ | 130 руб. |
| 20 | 420945752 | Шайба с блокировкой (Lock Washer) | под заказ | 118 руб. |
| 20 | 402001600 | RONDELLE-FREIN *WASHER-LOCK#8 | под заказ | 110 руб. |
| 21 | 228081045 | Гайка M8 (Nut M8) | под заказ | 102 руб. |
| 21 | 232081414 | NUT-HEXAGONAL DIN.934 | под заказ | 130 руб. |

Время выполнения запроса 1.9498369693756 сек.
|
|