вконтакте

Контактный телефон: +7 (981) 121-46-93, +7 (800) 200-90-76 , Email: parts-katalog@yandex.ru, где купить

 
 

  Логин:

Пароль:

Регистрация

www.partskatalog.ru Все каталоги Запчасти Mercury Запчасти Suzuki Запчасти Tohatsu Запчасти Honda Контакты



УВАЖАЕМЫЕ КЛИЕНТЫ!
C 19 ДЕКАБРЯ 2025 ПО 02 МАРТА 2026 ГОДА ОТДЕЛ ЗАПЧАСТЕЙ И СЕРВИС РАБОТАТЬ НЕ БУДУТ
ПРОДАЖА ЛОДОЧНЫХ МОТОРОВ В ШТАТНОМ РЕЖИМЕ
ОБ ИЗМЕНЕНИЯХ В ГРАФИКЕ РАБОТЫ ЧИТАЙТЕ НА САЙТА




Все разделы каталога запчастей на этот двигатель

назад Раздел:   вперёд

вернуться к списку узлов и деталей

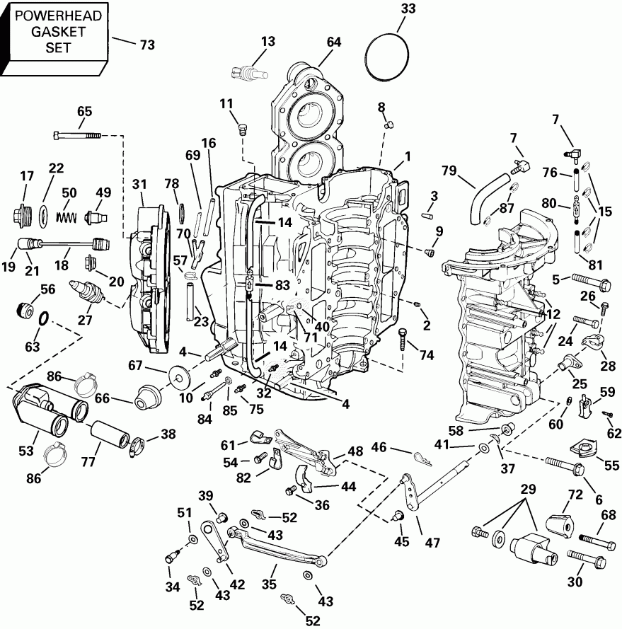
ДЕТАЛИРОВКА ДЛЯ МОДЕЛИ: EVINRUDE E75FPLSTA

ЦИЛИНДР & КАРТЕР ДВИГАТЕЛЯ | CYLINDER & CRANKCASE;


Мотор EVINRUDE E75FPLSTA  - linder & Картер двигателя

Номер на
рисунке
АртикулНаименованиеКол-во
на складе
Цена
1 5004929

Цилиндр & Картер двигателя в сборе (CYLINDER & CRANKCASE Assy)

нет в наличии, поставок нет
2 0304178

*Шпонка, Подшипник (DOWEL PIN, Bearing)

нет в наличии, поставок нет
3 0305070

*Штифт, конус (PIN, Taper)

нет в наличии, поставок нет
4 0336630

*Штифт, Roll (PIN, Roll)

нет в наличии, поставок нет
5 0336166

*Винт, Cyl to case, short (SCREW, Cyl to case, short)

нет в наличии, поставок нет
6 0335611

*Винт, Cyl to case, long (SCREW, Cyl to case, long)

нет в наличии, поставок нет
6 0908738

   (последний код) STUD-EXH--MA

нет в наличии, поставок нет
7 0335369

*Ниппель, верхний main (NIPPLE, Upper main)

нет в наличии, поставок нет
8 0343929

*Винт заглушки - Emission (SCREW, Plug - Emission)

нет в наличии, поставок нет
8 0343928

   (последний код) WASHER

нет в наличии, поставок нет
9 0437773

*Обратный клапан, #2 main brg & #4 cyl (CHECK VALVE, #2 main brg & #4 cyl)

нет в наличии, поставок нет
9 0437613

   (последний код) VALVE AY,CHECK

нет в наличии, поставок нет
10 0345702

*Ниппель, Water from EMM (NIPPLE, Water from EMM)

нет в наличии, поставок нет
11 0332135

*Водяная заглушка pressure (PLUG, Water pressure)

нет в наличии, поставок нет
11 0340808

   (последний код) PLUG

нет в наличии, поставок нет
12 0345702

*Ниппель, Pulse Шланг (NIPPLE, Pulse hose)

нет в наличии, поставок нет
13 3010674

температура Датчик, Port (TEMPERATURE SENSOR, Port)

нет в наличии, поставок нет
14 0

Масляный шланг - (Secure with #15) (сокращёная длина from P / N 344249.) (HOSE, Oil - (Secure with #15). (Cut to length from P/N 344249.))

нет в наличии, поставок нет
15 0317893

Крепёжный хомут (TIE STRAP)

нет в наличии, поставок нет
15 3852149

   (последний код) TIE-STRAP

нет в наличии, поставок нет
16 0344789

Шланг, EMM water out - (Secure with #57) (HOSE, EMM water out - (Secure with #57))

нет в наличии, поставок нет
17 0338632

Крышка термостата (COVER, Thermostat)

нет в наличии, поставок нет
18 0585038

температура Переключатель, Stbd (TEMPERATURE SWITCH, Stbd)

нет в наличии, поставок нет
18 0584650

   (последний код) SWITCH AY,TEMP

нет в наличии, поставок нет
19 0511469

*Клемма, Штифт (TERMINAL, Pin)

нет в наличии, поставок нет
19 3852229

   (последний код) TERMINAL,PIN

нет в наличии, поставок нет
20 0329562

*Крышка (COVER)

нет в наличии, поставок нет
21 0513357

*Коннектор (CONNECTOR)

нет в наличии, поставок нет
21 3854845

   (последний код) CONNECTOR 513357

нет в наличии, поставок нет
22 0331188

Уплотнительное кольцо крышки термостата. (Included in POWERHEAD Комплект прокладок.) (O-RING, Thermostat cover. (Included in POWERHEAD GASKET SET.))

5 шт370 руб.
23 0

Шланг, Tee to block, 2 дюйм (50 мм) (Connect to #10 - Secure with #57) (сокращёная длина from P / N 333341.) (HOSE, Tee to block, 2 in. (50mm) (Connect to #10 - Secure with #57). (Cut to length from P/N 333341.))

нет в наличии, поставок нет
24 0350458

Винт, Цилиндр to Картер двигателя (SCREW, Cylinder to crankcase)

нет в наличии, поставок нет
25 0330935

Втулка, Рычаг переключения (BUSHING, Shift lever)

нет в наличии, поставок нет
26 0328725

Винт, Рычаг тяги переключения (SCREW, Shift rod lever)

нет в наличии, поставок нет
26 3852187

   (последний код) SCREW

нет в наличии, поставок нет
27 5001211

Свеча зажигания, XC12PEPB. (Refer to Emissions Управление Inдляmation Наклейки.) (SPARK PLUG, XC12PEPB. (Refer to Emissions Control Information Label.))

7 шт1330 руб.
28 0433817

Рычаг в сборе, Переключающая тяга (LEVER ASSY, Shift rod)

нет в наличии, поставок нет
29 5004323

Крепление, Kit верхний (MOUNT, Kit upper)

нет в наличии, поставок нет
30 0348449

*Винт, верхний Крепление (SCREW, Upper mount)

нет в наличии, поставок нет
31 5001560

Головка блока цилиндра, Stbd (CYLINDER HEAD, Stbd)

нет в наличии, поставок нет
32 5000477

Ниппель Обратный клапан, Recirculation (NIPPLE CHECK VALVE, Recirculation)

нет в наличии, поставок нет
33 0335523

Уплотнительное кольцо, Головка блока цилиндра. (Included in POWERHEAD Комплект прокладок.) (O-RING, Cylinder head. (Included in POWERHEAD GASKET SET.))

1 шт770 руб.
34 0330933

Винт, Рычаг переключения to block (SCREW, Shift arm to block)

нет в наличии, поставок нет
35 0343118

Переключающая тяга Рычаг to Рычаг переключения (LINK, Shift lever to shift arm)

нет в наличии, поставок нет
35 0335382

   (последний код) LINK,SHIFT-LEVE

нет в наличии, поставок нет
36 0328725

Винт, Крышка, trunnion (SCREW, Cover, trunnion)

нет в наличии, поставок нет
36 3852187

   (последний код) SCREW

нет в наличии, поставок нет
37 0306012

Пружина Шайба вала переключения (SPRING WASHER, Shift shaft)

нет в наличии, поставок нет
38 0336136

Струбцина, Пыльник, water (CLAMP, Grommet, water)

нет в наличии, поставок нет
39 0311015

Втулка, Рычаг переключения (BUSHING, Shift lever)

нет в наличии, поставок нет
39 3852094

   (последний код) BUSHING

нет в наличии, поставок нет
40 0328701

Шайба с блокировкой, Заземление (LOCK WASHER, Ground)

нет в наличии, поставок нет
40 3852182

   (последний код) WASHER,LOCK

нет в наличии, поставок нет
41 0202026

Шайба, Рычаг переключения (WASHER, Shift arm)

нет в наличии, поставок нет
42 0436902

Рычаг переключения (SHIFT LEVER)

нет в наличии, поставок нет
43 0328702

Шайба, Соединитель to Рычаг переключения (WASHER, Link to shift arm)

нет в наличии, поставок нет
43 3852183

   (последний код) WASHER

нет в наличии, поставок нет
44 0349060

Крышка, Trunnion (COVER, Trunnion)

нет в наличии, поставок нет
44 0335528

   (последний код) COVER,TRUNION

нет в наличии, поставок нет
45 0340734

Втулка, Переключающий вал в сборе (BUSHING, Shift shaft assy)

нет в наличии, поставок нет
46 0330941

Штифт, Рычаг переключения (PIN, Shift arm)

нет в наличии, поставок нет
47 5000470

Переключающий вал & Рычаг в сборе (SHIFT SHAFT & ARM Assy)

нет в наличии, поставок нет
47 0436822

   (последний код) ARM&SHAFT AY,SHIFT

нет в наличии, поставок нет
48 0349061

TRUNNION BLOCK (TRUNNION BLOCK)

нет в наличии, поставок нет
48 0345672

   (последний код) BLOCK,TRUNNION

нет в наличии, поставок нет
49 0435491

Термостат в сборе (THERMOSTAT Assy)

нет в наличии, поставок нет
50 0338174

Пружина, Термостат (SPRING, Thermostat)

нет в наличии, поставок нет
51 0328733

Пружинная шайба, Рычаг переключения (SPRING WASHER, Shift lever)

нет в наличии, поставок нет
52 0333774

Зажим, Переключатель Рычаг переключателя Рычаг (CLIP, Shift lever, shift arm)

нет в наличии, поставок нет
53 0439953

Пыльник & INSERT, Выхлоп relief (GROMMET & INSERT, Exhaust relief)

нет в наличии, поставок нет
53 0437827

   (последний код) GROMMET AY,EXH REL

нет в наличии, поставок нет
54 0328744

Винт, Trunnion to block (SCREW, Trunnion to block)

нет в наличии, поставок нет
54 0308741

   (последний код) SCREW

нет в наличии, поставок нет
55 0335316

Сальник, Переключающая тяга (SEAL, Shift rod)

нет в наличии, поставок нет
56 0436857

Заглушка & NOZZLE, Overboard Индикатор (PLUG & NOZZLE, Overboard indicator)

нет в наличии, поставок нет
56 0336217

   (последний код) NOZZLE,OVBD DRAIN

нет в наличии, поставок нет
57 0320107

Крепёжный хомут (TIE STRAP)

нет в наличии, поставок нет
57 5035626

   (последний код) BAND,REM CON

нет в наличии, поставок нет
58 0335521

Втулка, Рычаг переключения to block (BUSHING, Shift lever to block)

нет в наличии, поставок нет
59 0343881

Ниппель, нижний drain (NIPPLE, Lower drain)

нет в наличии, поставок нет
60 0324677

Уплотнительное кольцо, Ниппель, нижний drain (O-RING, Nipple, lower drain)

нет в наличии, поставок нет
61 0310947

Струбцина масляного шланга (CLAMP, Oil hose)

нет в наличии, поставок нет
62 0329513

Винт, Ниппель (SCREW, Nipple)

нет в наличии, поставок нет
63 0301967

Уплотнительное кольцо, Overboard Индикатор (O-RING, Overboard indicator)

нет в наличии, поставок нет
64 5001559

Головка блока цилиндра, Port (CYLINDER HEAD, Port)

2 шт76000 руб.
65 0339066

Винт, Головка блока цилиндра (SCREW, Cylinder head)

нет в наличии, поставок нет
66 0349557

Крепление (MOUNT)

нет в наличии, поставок нет
66 0328584

   (последний код) MOUNT

нет в наличии, поставок нет
67 0349556

Шайба, Крепление (WASHER, Mount)

нет в наличии, поставок нет
68 0330263

Винт, верхний Крепление limiter (SCREW, Upper mount limiter)

нет в наличии, поставок нет
68 0914534

   (последний код) SCREW

нет в наличии, поставок нет
69 0

Шланг, Блок цилиндра vent to tee, 16 дюйм (406 мм) (Secure with #57) (сокращёная длина from P / N 327228.) (HOSE, Cylinder block vent to tee, 16 in. (406mm) (Secure with #57). (Cut to length from P/N 327228.))

нет в наличии, поставок нет
70 0330474

30° TEE, Water return Шлангs (30° TEE, Water return hoses)

нет в наличии, поставок нет
71 0328724

Винт, Motor Кабели, Заземление (SCREW, Motor cable, ground)

нет в наличии, поставок нет
71 3852186

   (последний код) SCREW

нет в наличии, поставок нет
72 0340418

Фиксатор, верхний Крепление limiter (RETAINER, Upper mount limiter)

нет в наличии, поставок нет
73 0787129

POWERHEAD Комплект прокладок (POWERHEAD GASKET SET)

нет в наличии, поставок нет
74 0319126

Винт, Powerhead to Выхлоп hsg (SCREW, Powerhead to exhaust hsg)

нет в наличии, поставок нет
74 0326696

   (последний код) SCREW

нет в наличии, поставок нет
75 0123199

Ниппель, Water to Пароотделитель (NIPPLE, Water to vapor separator)

нет в наличии, поставок нет
75 0173311

   (последний код) NIPPLE KIT

нет в наличии, поставок нет
76 0

Шланг, верхний Подшипник vent to Обратный клапан, 6 дюйм (152 мм) (сокращёная длина from P / N 340848.) (HOSE, Upper bearing vent to check valve, 6 in. (152mm). (Cut to length from P/N 340848.))

нет в наличии, поставок нет
77 0343398

Шланг, Выхлоп Пыльник to block (HOSE, Exhaust grommet to block)

нет в наличии, поставок нет
78 0335981

Сальник термостата. (Included in POWERHEAD Комплект прокладок.) (SEAL, Thermostat. (Included in POWERHEAD GASKET SET.))

нет в наличии, поставок нет
79 0

Шланг, верхний Stbd brg vent to Strb Система впуска mfld, 9 дюйм (229 мм) (сокращёная длина from P / N 340848.) (HOSE, Upper Stbd brg vent to Strb intake mfld, 9 in. (229mm). (Cut to length from P/N 340848.))

нет в наличии, поставок нет
80 0434927

Обратный клапан (CHECK VALVE)

нет в наличии, поставок нет
81 0

Шланг, нижний Подшипник vent to Обратный клапан, 4 1 / 2 дюйм (114 мм) (сокращёная длина from P / N 327228.) (HOSE, Lower bearing vent to check valve, 4 1/2 in. (114mm). (Cut to length from P/N 327228.))

нет в наличии, поставок нет
82 0345537

Струбцина топливной трубки в сборе (CLAMP, Fuel tube assy)

нет в наличии, поставок нет
83 5001769

Обратный клапан, Transfer drain - Port (CHECK VALVE, Transfer drain - Port)

нет в наличии, поставок нет
83 0346864

   (последний код) VALVE,CHECK

нет в наличии, поставок нет
84 5001551

FITTING, Выхлоп pressure (FITTING, Exhaust pressure)

нет в наличии, поставок нет
84 5001297

   (последний код) NIPPLE AY,EXHAUST

нет в наличии, поставок нет
85 0346527

Прокладка выпускной системы fitting (GASKET, Exhaust fitting)

нет в наличии, поставок нет
86 0349729

Струбцина, Выхлоп relief - 41.0 мм (CLAMP, Exhaust relief - 41.0mm)

нет в наличии, поставок нет
evinrude

Время выполнения запроса 1.3040809631348 сек.


 
 

данный сайт носит информационный характер и не является публичной офертой

склад запчастей для водомоторной техники