вконтакте

Контактный телефон: +7 (981) 121-46-93, +7 (800) 200-90-76 , Email: parts-katalog@yandex.ru, где купить

 
 

  Логин:

Пароль:

Регистрация

www.partskatalog.ru Все каталоги Запчасти Mercury Запчасти Suzuki Запчасти Tohatsu Запчасти Honda Контакты



УВАЖАЕМЫЕ КЛИЕНТЫ!
C 19 ДЕКАБРЯ 2025 ПО 02 МАРТА 2026 ГОДА ОТДЕЛ ЗАПЧАСТЕЙ И СЕРВИС РАБОТАТЬ НЕ БУДУТ
ПРОДАЖА ЛОДОЧНЫХ МОТОРОВ В ШТАТНОМ РЕЖИМЕ
ОБ ИЗМЕНЕНИЯХ В ГРАФИКЕ РАБОТЫ ЧИТАЙТЕ НА САЙТА




Все разделы каталога запчастей на этот двигатель

назад Раздел:   вперёд

вернуться к списку узлов и деталей

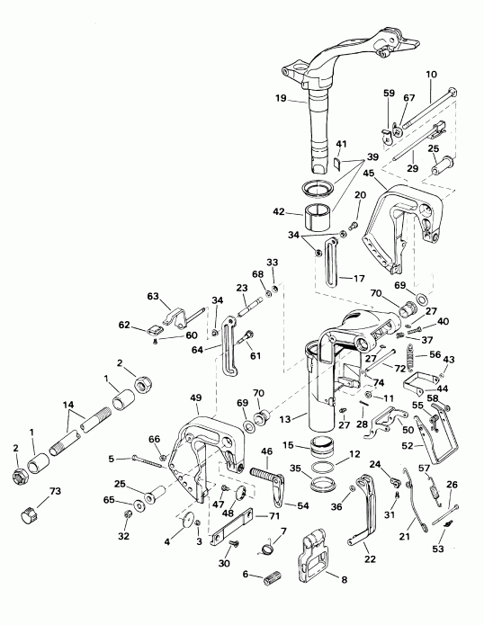
ДЕТАЛИРОВКА ДЛЯ МОДЕЛИ: EVINRUDE E10EL4SID 4-stroke, elec start, remote,

MIDSECTION | MIDSECTION;


Двигатель Evinrude E10EL4SID 4-stroke, elec start, remote,   - dsection

Номер на
рисунке
АртикулНаименованиеКол-во
на складе
Цена
1 0124346

Проставка, Трубка. (9.9 Electric High Thrust Models. 15 Electric Models.) (SPACER, Tube. (9.9 Electric High Thrust Models. 15 Electric Models.))

нет в наличии, поставок нет
2 0335554

Блокирующая гайка, tilt Трубка. (9.9 Electric High Thrust Models. 15 Electric Models.) (NUT, Lock, tilt tube. (9.9 Electric High Thrust Models. 15 Electric Models.))

нет в наличии, поставок нет
3 0310702

Гайка, Винт. (9.9 Tiller Electric High Thrust Models. 9.9 Electric High Thrust Models. 15 Electric Models.) (NUT, Screw. (9.9 Tiller Electric High Thrust Models. 9.9 Electric High Thrust Models. 15 Electric Models.))

нет в наличии, поставок нет
4 0315776

Шайба, Винт. (9.9 Tiller Electric High Thrust Models. 9.9 Electric High Thrust Models. 15 Electric Models.) (WASHER, Screw. (9.9 Tiller Electric High Thrust Models. 9.9 Electric High Thrust Models. 15 Electric Models.))

нет в наличии, поставок нет
5 0334427

Винт, Stern brkt. to transom. (9.9 Tiller Electric High Thrust Models. 9.9 Electric High Thrust Models. 15 Electric Models.) (SCREW, Stern brkt. to transom. (9.9 Tiller Electric High Thrust Models. 9.9 Electric High Thrust Models. 15 Electric Models.))

нет в наличии, поставок нет
5 0318512

   (последний код) SCREW

нет в наличии, поставок нет
6 0339024

Проставка, Lift handle. (9.9 Шнур Models. 9.9 Tiller Electric High Thrust Models. 15 Шнур Models.) (SPACER, Lift handle. (9.9 Rope Models. 9.9 Tiller Electric High Thrust Models. 15 Rope Models.))

нет в наличии, поставок нет
7 0338297

Пружина, Lift handle (SPRING, Lift handle)

нет в наличии, поставок нет
8 0338298

LIFT HANDLE (LIFT HANDLE)

1 шт3920 руб.
10 0332960

TILT Болт, Stern brkt. To Поворотный кронштейн (TILT BOLT, Stern brkt. To swivel bracket)

нет в наличии, поставок нет
11 0343981

Шайба, Штифт to sвышеport Кронштейн (WASHER, Pin to support bracket)

нет в наличии, поставок нет
12 0301917

Уплотнительное кольцо, нижний , Стержень Трубка (O-RING, Lower, pivot tube)

нет в наличии, поставок нет
13 0338887

Поворотный кронштейн (SWIVEL BRACKET)

нет в наличии, поставок нет
13 0341567

   (последний код) BRACKET,SWIVEL

нет в наличии, поставок нет
14 0321511

Трубка, Stern brkt. to swivel brkt.. (9.9 Electric High Thrust Models. 15 Electric Models.) (TUBE, Stern brkt. to swivel brkt.. (9.9 Electric High Thrust Models. 15 Electric Models.))

нет в наличии, поставок нет
14 0351896

   (последний код) TUBE, TILT SST

нет в наличии, поставок нет
15 0309967

Втулка, нижний , Стержень Трубка (BUSHING, Lower, pivot tube)

нет в наличии, поставок нет
17 0328289

SвышеPORT Кронштейн, Tilt lock, port (SUPPORT BRACKET, Tilt lock, port)

нет в наличии, поставок нет
19 0438612

Рулевая система BRKT. & Стержень Вал (STEERING BRKT. & PIVOT SHAFT)

нет в наличии, поставок нет
19 0436011

   (последний код) BRACKET AY,STRG

нет в наличии, поставок нет
20 0328290

Штифт, Sвышеport Кронштейн to Поворотный кронштейн (PIN, Support bracket to swivel bracket)

нет в наличии, поставок нет
21 0320416

Провод, Блокировка задней передачи release (WIRE, Reverse lock release)

нет в наличии, поставок нет
21 0319052

   (последний код) ROD

нет в наличии, поставок нет
22 0338874

Ручка для переноски (CARRYING HANDLE)

нет в наличии, поставок нет
22 0331096

   (последний код) CARRYING HANDLE

нет в наличии, поставок нет
23 0328285

Втулка, Tilt lock Вал to sw. brkt. (BUSHING, Tilt lock shaft to sw. brkt.)

нет в наличии, поставок нет
24 0319049

BELLКривошип, Блокировка задней передачи (BELLCRANK, Reverse lock)

нет в наличии, поставок нет
25 0325914

Втулка, Кронштейн транца. (9.9 Шнур Models. 9.9 Tiller Electric High Thrust Models. 15 Шнур Models.) (BUSHING, Stern bracket. (9.9 Rope Models. 9.9 Tiller Electric High Thrust Models. 15 Rope Models.))

нет в наличии, поставок нет
25 0325016

   (последний код) BUSHING

нет в наличии, поставок нет
26 0326943

Штифт тяги to locking Рычаг (PIN, Link to locking lever)

нет в наличии, поставок нет
27 0313607

FITTING, Lube (FITTING, Lube)

нет в наличии, поставок нет
27 3852121

   (последний код) FITTING,LUB

нет в наличии, поставок нет
28 0345942

Шплинт, Штифт to sвышеport Кронштейн (COTTER PIN, Pin to support bracket)

нет в наличии, поставок нет
29 0432453

TILT Штифт & Ручка в сборе. (TILT PIN & KNOB ASSY.)

нет в наличии, поставок нет
29 0390441

   (последний код) KNOB&TILT-PI

нет в наличии, поставок нет
30 0308684

Винт, Пластина to Кронштейн транца (SCREW, Plate to stern bracket)

нет в наличии, поставок нет
31 0319108

Винт, BellКривошип (SCREW, Bellcrank)

нет в наличии, поставок нет
31 0311512

   (последний код) SCREW

нет в наличии, поставок нет
32 0325451

Гайка, Tilt Болт to swivel brkt.. (9.9 Шнур Models. 9.9 Tiller Electric High Thrust Models. 15 Шнур Models.) (NUT, Tilt bolt to swivel brkt.. (9.9 Rope Models. 9.9 Tiller Electric High Thrust Models. 15 Rope Models.))

нет в наличии, поставок нет
32 3852177

   (последний код) NUT,LOCK

нет в наличии, поставок нет
33 0312977

Пружинная шайба, Tilt lock Втулка (SPRING WASHER, Tilt lock bushing)

нет в наличии, поставок нет
34 0308052

Шайба, Tilt lock, Вал Втулка (WASHER, Tilt lock, shaft bushing)

нет в наличии, поставок нет
35 0309966

Нижняя упорная шайба swivel brkt. (THRUST WASHER, Lower swivel brkt.)

нет в наличии, поставок нет
36 0310540

Шайба, Tilt lock Вал, outer (WASHER, Tilt lock shaft, outer)

нет в наличии, поставок нет
37 0551113

Фрикционная пружина adjust. (SPRING, Friction adjust.)

нет в наличии, поставок нет
39 0397736

FRICTION BLOCK в сборе. (FRICTION BLOCK ASSY.)

нет в наличии, поставок нет
39 0388748

   (последний код) WASHER,SEAL&

нет в наличии, поставок нет
40 0321531

*Фрикционный винт adjust. swivel brkt. (SCREW, Friction adjust. swivel brkt.)

нет в наличии, поставок нет
41 0332662

*Фрикционный блок, Поворотный кронштейн (BLOCK, Friction, swivel bracket)

нет в наличии, поставок нет
42 0332663

*LINER (LINER)

нет в наличии, поставок нет
43 0310540

Шайба, Блокировка задней передачи Штифт (WASHER, Reverse lock pin)

нет в наличии, поставок нет
44 0319050

LOCKING Рычаг, Reverse Рычаг (LOCKING LEVER, Reverse lever)

нет в наличии, поставок нет
45 0328268

Кронштейн транца, Port (STERN BRACKET, Port)

нет в наличии, поставок нет
45 0393190

   (последний код) STERN-BRKT-A

нет в наличии, поставок нет
46 0433674

Винт струбцины в сборе., Aluminum (CLAMP SCREW ASSY., Aluminum)

нет в наличии, поставок нет
46 0433675

   (последний код) KIT-AY,CLAMP

нет в наличии, поставок нет
46 0391421

Винт струбцины в сборе., St. steel. (Опции.) (CLAMP SCREW ASSY., St. steel. (Optional.))

нет в наличии, поставок нет
46 0389959

   (последний код) CLAMPSCREW

нет в наличии, поставок нет
47 0321922

*Винт, Пластина (SCREW, Plate)

нет в наличии, поставок нет
48 0337017

*Пластина, Swivel (PLATE, Swivel)

нет в наличии, поставок нет
48 0307561

   (последний код) SWIVEL PLATE

нет в наличии, поставок нет
49 0328269

Кронштейн транца, Starboard (STERN BRACKET, Starboard)

нет в наличии, поставок нет
49 0393191

   (последний код) STERN-BRKT-A

нет в наличии, поставок нет
50 0322949

Соединитель, Блокировка задней передачи. (9.9 Шнур Models. 15 Шнур Models. 15 Electric Models.) (LINK, Reverse lock. (9.9 Rope Models. 15 Rope Models. 15 Electric Models.))

нет в наличии, поставок нет
50 0319054

   (последний код) LINK

нет в наличии, поставок нет
50 0393204

Рычаг & Соединитель в сборе.. (9.9 Tiller Electric High Thrust Models. 9.9 Electric High Thrust Models.) (LEVER & LINK ASSY.. (9.9 Tiller Electric High Thrust Models. 9.9 Electric High Thrust Models.))

нет в наличии, поставок нет
50 0173208

   (последний код) LOCKING-LVR&

нет в наличии, поставок нет
52 0338657

Соединитель, Shallow water drive (LINK, Shallow water drive)

нет в наличии, поставок нет
52 0320426

   (последний код) LINK

нет в наличии, поставок нет
53 0333774

Штифт, Соединитель блокировки задней передачи (PIN, Reverse lock link)

нет в наличии, поставок нет
54 0398001

REPLACEMENT HANDLE в сборе. (REPLACEMENT HANDLE ASSY.)

нет в наличии, поставок нет
55 0320427

Пружина системы движения по мелководью (SPRING, Shallow water drive)

нет в наличии, поставок нет
56 0338489

Пружина блокировки задней передачи. (9.9 Шнур Models. 15 Шнур Models. 15 Electric Models.) (SPRING, Reverse lock. (9.9 Rope Models. 15 Rope Models. 15 Electric Models.))

нет в наличии, поставок нет
56 0340219

Пружина блокировки задней передачи. (9.9 Tiller Electric High Thrust Models. 9.9 Electric High Thrust Models.) (SPRING, Reverse lock. (9.9 Tiller Electric High Thrust Models. 9.9 Electric High Thrust Models.))

нет в наличии, поставок нет
57 0320428

Пружина блокировки задней передачи Тяга (SPRING, Reverse lock rod)

нет в наличии, поставок нет
58 0204293

Шайба, Штифт Соединитель to Рычаг. (9.9 Шнур Models. 15 Шнур Models. 15 Electric Models.) (WASHER, Pin link to lever. (9.9 Rope Models. 15 Rope Models. 15 Electric Models.))

нет в наличии, поставок нет
59 0325017

Шайба, Tilt Болт to swivel brkt. (9.9 Шнур Models. 9.9 Tiller Electric High Thrust Models. 15 Шнур Models.) (WASHER, Tilt bolt to swivel brkt. (9.9 Rope Models. 9.9 Tiller Electric High Thrust Models. 15 Rope Models.))

нет в наличии, поставок нет
60 0319227

Винт, Tilt Ручка (SCREW, Tilt knob)

нет в наличии, поставок нет
61 0319047

Штифт блокировки наклона to Кронштейн транца (PIN, Tilt lock to stern bracket)

нет в наличии, поставок нет
62 0328048

Ручка наклона & Рычаг блокировки задней передачи (KNOB, Tilt & reverse lock lever)

нет в наличии, поставок нет
62 0319051

   (последний код) KNOB

нет в наличии, поставок нет
63 0437797

Рычаг & Вал в сборе., Lock (LEVER & SHAFT ASSY., Lock)

нет в наличии, поставок нет
64 0338563

TILT LOCK, Starboard (TILT LOCK, Starboard)

нет в наличии, поставок нет
64 0319134

   (последний код) TILTLOCK-STB

нет в наличии, поставок нет
65 0314099

Шайба, Tilt Болт to swivel brkt.. (9.9 Шнур Models. 9.9 Tiller Electric High Thrust Models. 15 Шнур Models.) (WASHER, Tilt bolt to swivel brkt.. (9.9 Rope Models. 9.9 Tiller Electric High Thrust Models. 15 Rope Models.))

нет в наличии, поставок нет
66 0313022

LOCKГайка, Штифт (LOCKNUT, Pin)

нет в наличии, поставок нет
66 3852118

   (последний код) NUT,LOCK

нет в наличии, поставок нет
67 0300364

Соединитель, Safety Цепь. (9.9 Шнур Models. 9.9 Tiller Electric High Thrust Models. 15 Шнур Models.) (LINK, Safety chain. (9.9 Rope Models. 9.9 Tiller Electric High Thrust Models. 15 Rope Models.))

нет в наличии, поставок нет
68 0303884

Шайба, Tilt Втулка (WASHER, Tilt bushing)

нет в наличии, поставок нет
69 0319699

Шайба, Кронштейн транца (WASHER, Stern bracket)

нет в наличии, поставок нет
70 0319787

Втулка, Поворотный кронштейн (BUSHING, Swivel bracket)

нет в наличии, поставок нет
70 0317789

   (последний код) BUSHING

нет в наличии, поставок нет
71 0309738

Пластина, Кронштейн транца (PLATE, Stern bracket)

нет в наличии, поставок нет
72 0319055

Штифт тяги to Поворотный кронштейн (PIN, Link to swivel bracket)

нет в наличии, поставок нет
73 0317894

Колпачок, Tilt Трубка. (9.9 Electric High Thrust Models. 15 Electric Models.) (CAP, Tilt tube. (9.9 Electric High Thrust Models. 15 Electric Models.))

нет в наличии, поставок нет
73 3852150

   (последний код) CAP

нет в наличии, поставок нет
74 0203949

Фиксатор, Соединитель (RETAINER, Link)

нет в наличии, поставок нет
74 0202755

   (последний код) IDENTICAL 203949

нет в наличии, поставок нет
evinrude

Время выполнения запроса 2.8018989562988 сек.


 
 

данный сайт носит информационный характер и не является публичной офертой

склад запчастей для водомоторной техники