вконтакте

Контактный телефон: +7 (981) 121-46-93, +7 (800) 200-90-76 , Email: parts-katalog@yandex.ru, где купить

 
 

  Логин:

Пароль:

Регистрация

www.partskatalog.ru Все каталоги Запчасти Mercury Запчасти Suzuki Запчасти Tohatsu Запчасти Honda Контакты


Все разделы каталога запчастей на этот двигатель

назад Раздел:   вперёд

вернуться к списку узлов и деталей

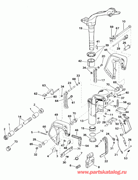
ДЕТАЛИРОВКА ДЛЯ МОДЕЛИ: EVINRUDE E10RVL4SSS 4-Stroke, Rope Start, Tiller,

MIDSECTION | MIDSECTION;


Лодочный подвесной мотор Эвинруд E10RVL4SSS 4-Stroke, Rope Start, Tiller,  - dsection / dsection

Номер на
рисунке
АртикулНаименованиеКол-во
на складе
Цена
1 0124346

Проставка, Трубка - X, V. 9.9 Electric High Thrust Models, 15 Electric Models (SPACER, Tube - X,V. 9.9 Electric High Thrust Models, 15 Electric Models)

нет в наличии, поставок нет
2 0335554

Блокирующая гайка, tilt Трубка - X, V. 9.9 Electric High Thrust Models, 15 Electric Models (NUT, Lock, tilt tube - X,V. 9.9 Electric High Thrust Models, 15 Electric Models)

нет в наличии, поставок нет
3 0310702

Гайка, Винт - Y, X, V. 9.9 Tiller Electric High Thrust Models, 9.9 Electric High Thrust Models, 15 Electric Models (NUT, Screw - Y,X,V. 9.9 Tiller Electric High Thrust Models, 9.9 Electric High Thrust Models, 15 Electric Models)

нет в наличии, поставок нет
4 0315776

Шайба, Винт - Y, X, V. 9.9 Tiller Electric High Thrust Models, 9.9 Electric High Thrust Models, 15 Electric Models (WASHER, Screw - Y,X,V. 9.9 Tiller Electric High Thrust Models, 9.9 Electric High Thrust Models, 15 Electric Models)

нет в наличии, поставок нет
5 0334427

Винт, Stern brkt. to transom - Y, X V. 9.9 Tiller Electric High Thrust Models, 9.9 Electric High Thrust Models, 15 Electric Models (SCREW, Stern brkt. to transom - Y,X V. 9.9 Tiller Electric High Thrust Models, 9.9 Electric High Thrust Models, 15 Electric Models)

нет в наличии, поставок нет
5 0318512

   (последний код) SCREW

нет в наличии, поставок нет
6 0339024

Проставка, Lift handle - Z, Y, W. 9.9 Шнур Models, 9.9 Tiller Electric High Thrust Models, 15 Шнур Models (SPACER, Lift handle - Z,Y,W. 9.9 Rope Models, 9.9 Tiller Electric High Thrust Models, 15 Rope Models)

нет в наличии, поставок нет
7 0338297

Пружина, Lift handle (SPRING, Lift handle)

нет в наличии, поставок нет
8 0338298

LIFT HANDLE (LIFT HANDLE)

1 шт3920 руб.
10 0332960

TILT Болт, Stern brkt. to sw. brkt. - Z Y, W. 9.9 Шнур Models, 9.9 Tiller Electric High Thrust Models, 15 Шнур Models (TILT BOLT, Stern brkt. to sw. brkt. - Z Y,W. 9.9 Rope Models, 9.9 Tiller Electric High Thrust Models, 15 Rope Models)

нет в наличии, поставок нет
11 0343981

Шайба, Штифт to sвышеport Кронштейн (WASHER, Pin to support bracket)

нет в наличии, поставок нет
12 0301917

Уплотнительное кольцо, нижний , Стержень Трубка (O-RING, Lower, pivot tube)

нет в наличии, поставок нет
13 0338887

Поворотный кронштейн (SWIVEL BRACKET)

нет в наличии, поставок нет
13 0341567

   (последний код) BRACKET,SWIVEL

нет в наличии, поставок нет
14 0321511

Трубка, Stern brkt. to swivel brkt. - X, V. 9.9 Electric High Thrust Models, 15 Electric Models (TUBE, Stern brkt. to swivel brkt. - X,V. 9.9 Electric High Thrust Models, 15 Electric Models)

нет в наличии, поставок нет
14 0351896

   (последний код) TUBE, TILT SST

нет в наличии, поставок нет
15 0309967

Втулка, нижний , Стержень Трубка (BUSHING, Lower, pivot tube)

нет в наличии, поставок нет
17 0328289

SвышеPORT Кронштейн, Tilt lock, port (SUPPORT BRACKET, Tilt lock, port)

нет в наличии, поставок нет
19 0438612

Рулевая система BRKT. & Стержень Вал (STEERING BRKT. & PIVOT SHAFT)

нет в наличии, поставок нет
19 0436011

   (последний код) BRACKET AY,STRG

нет в наличии, поставок нет
20 0328290

Штифт, Sвышеport Кронштейн to Поворотный кронштейн (PIN, Support bracket to swivel bracket)

нет в наличии, поставок нет
21 0320416

Провод, Блокировка задней передачи release (WIRE, Reverse lock release)

нет в наличии, поставок нет
21 0319052

   (последний код) ROD

нет в наличии, поставок нет
22 0338874

Ручка для переноски (CARRYING HANDLE)

нет в наличии, поставок нет
22 0331096

   (последний код) CARRYING HANDLE

нет в наличии, поставок нет
23 0328285

Втулка, Tilt lock Вал to sw. brkt. (BUSHING, Tilt lock shaft to sw. brkt.)

нет в наличии, поставок нет
24 0319049

BELLКривошип, Блокировка задней передачи (BELLCRANK, Reverse lock)

нет в наличии, поставок нет
25 0325914

Втулка, Кронштейн транца - Z, Y, W. 9.9 Шнур Models, 9.9 Tiller Electric High Thrust Models, 15 Шнур Models (BUSHING, Stern bracket - Z,Y,W. 9.9 Rope Models, 9.9 Tiller Electric High Thrust Models, 15 Rope Models)

нет в наличии, поставок нет
25 0325016

   (последний код) BUSHING

нет в наличии, поставок нет
26 0326943

Штифт тяги to locking Рычаг (PIN, Link to locking lever)

нет в наличии, поставок нет
27 0313607

FITTING, Lube (FITTING, Lube)

нет в наличии, поставок нет
27 3852121

   (последний код) FITTING,LUB

нет в наличии, поставок нет
28 0345942

Шплинт, Штифт to sвышеport Кронштейн (COTTER PIN, Pin to support bracket)

нет в наличии, поставок нет
29 0432453

TILT Штифт & Ручка в сборе. (TILT PIN & KNOB ASSY.)

нет в наличии, поставок нет
29 0390441

   (последний код) KNOB&TILT-PI

нет в наличии, поставок нет
30 0308684

Винт, Пластина to Кронштейн транца (SCREW, Plate to stern bracket)

нет в наличии, поставок нет
31 0319108

Винт, BellКривошип (SCREW, Bellcrank)

нет в наличии, поставок нет
31 0311512

   (последний код) SCREW

нет в наличии, поставок нет
32 0325451

Гайка, Tilt Болт to swivel brkt. - Z, Y, W. 9.9 Шнур Models, 9.9 Tiller Electric High Thrust Models, 15 Шнур Models (NUT, Tilt bolt to swivel brkt. - Z,Y,W. 9.9 Rope Models, 9.9 Tiller Electric High Thrust Models, 15 Rope Models)

нет в наличии, поставок нет
32 3852177

   (последний код) NUT,LOCK

нет в наличии, поставок нет
33 0312977

Пружинная шайба, Tilt lock Втулка (SPRING WASHER, Tilt lock bushing)

нет в наличии, поставок нет
34 0308052

Шайба, Tilt lock, Вал Втулка (WASHER, Tilt lock, shaft bushing)

нет в наличии, поставок нет
35 0309966

Нижняя упорная шайба swivel brkt. (THRUST WASHER, Lower swivel brkt.)

нет в наличии, поставок нет
36 0310540

Шайба, Tilt lock Вал, outer (WASHER, Tilt lock shaft, outer)

нет в наличии, поставок нет
37 0551113

Фрикционная пружина adjust. (SPRING, Friction adjust.)

нет в наличии, поставок нет
39 0397736

FRICTION BLOCK в сборе. (FRICTION BLOCK ASSY.)

нет в наличии, поставок нет
39 0388748

   (последний код) WASHER,SEAL&

нет в наличии, поставок нет
40 0321531

*Фрикционный винт adjust. swivel brkt. (SCREW, Friction adjust. swivel brkt.)

нет в наличии, поставок нет
41 0332662

*Фрикционный блок, Поворотный кронштейн (BLOCK, Friction, swivel bracket)

нет в наличии, поставок нет
42 0332663

*LINER (LINER)

нет в наличии, поставок нет
43 0310540

Шайба, Блокировка задней передачи Штифт (WASHER, Reverse lock pin)

нет в наличии, поставок нет
44 0319050

LOCKING Рычаг, Reverse Рычаг - Z, W V. 9.9 Шнур Models, 15 Шнур Models, 15 Electric Models (LOCKING LEVER, Reverse lever - Z,W V. 9.9 Rope Models, 15 Rope Models, 15 Electric Models)

нет в наличии, поставок нет
45 0328268

Кронштейн транца, Port (STERN BRACKET, Port)

нет в наличии, поставок нет
45 0393190

   (последний код) STERN-BRKT-A

нет в наличии, поставок нет
46 0433674

Винт струбцины в сборе., Aluminum (CLAMP SCREW ASSY., Aluminum)

нет в наличии, поставок нет
46 0433675

   (последний код) KIT-AY,CLAMP

нет в наличии, поставок нет
46 0391421

Винт струбцины в сборе., St. steel - U (CLAMP SCREW ASSY., St. steel - U)

нет в наличии, поставок нет
46 0389959

   (последний код) CLAMPSCREW

нет в наличии, поставок нет
47 0321922

*Винт, Пластина (SCREW, Plate)

нет в наличии, поставок нет
48 0337017

*Пластина, Swivel (PLATE, Swivel)

нет в наличии, поставок нет
48 0307561

   (последний код) SWIVEL PLATE

нет в наличии, поставок нет
49 0328269

Кронштейн транца, Starboard (STERN BRACKET, Starboard)

нет в наличии, поставок нет
49 0393191

   (последний код) STERN-BRKT-A

нет в наличии, поставок нет
50 0322949

Соединитель, Блокировка задней передачи - Z, W, V. 9.9 Шнур Models, 15 Шнур Models, 15 Electric Models (LINK, Reverse lock - Z,W,V. 9.9 Rope Models, 15 Rope Models, 15 Electric Models)

нет в наличии, поставок нет
50 0319054

   (последний код) LINK

нет в наличии, поставок нет
50 0393204

Рычаг & Соединитель в сборе. - Y, X (LEVER & LINK ASSY. - Y,X)

нет в наличии, поставок нет
50 0173208

   (последний код) LOCKING-LVR&

нет в наличии, поставок нет
52 0338657

Соединитель, Shallow water drive (LINK, Shallow water drive)

нет в наличии, поставок нет
52 0320426

   (последний код) LINK

нет в наличии, поставок нет
53 0333774

Штифт, Соединитель блокировки задней передачи (PIN, Reverse lock link)

нет в наличии, поставок нет
54 0398001

REPLACEMENT HANDLE в сборе. (REPLACEMENT HANDLE ASSY.)

нет в наличии, поставок нет
55 0320427

Пружина системы движения по мелководью (SPRING, Shallow water drive)

нет в наличии, поставок нет
56 0338489

Пружина блокировки задней передачи - Z, W, V. 9.9 Шнур Models, 15 Шнур Models, 15 Electric Models (SPRING, Reverse lock - Z,W,V. 9.9 Rope Models, 15 Rope Models, 15 Electric Models)

нет в наличии, поставок нет
56 0340219

Пружина блокировки задней передачи - Y, X (SPRING, Reverse lock - Y,X)

нет в наличии, поставок нет
57 0320428

Пружина блокировки задней передачи Тяга (SPRING, Reverse lock rod)

нет в наличии, поставок нет
58 0204293

Шайба, Штифт Соединитель to Рычаг - Z, W, V. 9.9 Шнур Models, 15 Шнур Models, 15 Electric Models (WASHER, Pin link to lever - Z, W,V. 9.9 Rope Models, 15 Rope Models, 15 Electric Models)

нет в наличии, поставок нет
59 0325017

Шайба, Tilt Болт to swivel brkt. - Z Y, W. 9.9 Шнур Models, 9.9 Tiller Electric High Thrust Models, 15 Шнур Models (WASHER, Tilt bolt to swivel brkt. - Z Y,W. 9.9 Rope Models, 9.9 Tiller Electric High Thrust Models, 15 Rope Models)

нет в наличии, поставок нет
60 0319227

Винт, Tilt Ручка (SCREW, Tilt knob)

нет в наличии, поставок нет
61 0319047

Штифт блокировки наклона to Кронштейн транца (PIN, Tilt lock to stern bracket)

нет в наличии, поставок нет
62 0328048

Ручка наклона & Рычаг блокировки задней передачи (KNOB, Tilt & reverse lock lever)

нет в наличии, поставок нет
62 0319051

   (последний код) KNOB

нет в наличии, поставок нет
63 0437797

Рычаг & Вал в сборе., Lock (LEVER & SHAFT ASSY., Lock)

нет в наличии, поставок нет
64 0338563

TILT LOCK, Starboard (TILT LOCK, Starboard)

нет в наличии, поставок нет
64 0319134

   (последний код) TILTLOCK-STB

нет в наличии, поставок нет
65 0314099

Шайба, Tilt Болт to swivel brkt. - Z Y, W. 9.9 Шнур Models, 9.9 Tiller Electric High Thrust Models, 15 Шнур Models (WASHER, Tilt bolt to swivel brkt. - Z Y,W. 9.9 Rope Models, 9.9 Tiller Electric High Thrust Models, 15 Rope Models)

нет в наличии, поставок нет
66 0313022

LOCKГайка, Штифт (LOCKNUT, Pin)

нет в наличии, поставок нет
66 3852118

   (последний код) NUT,LOCK

нет в наличии, поставок нет
67 0300364

Соединитель, Safety Цепь - Z, Y, W. 9.9 Шнур Models, 9.9 Tiller Electric High Thrust Models, 15 Шнур Models (LINK, Safety chain - Z,Y,W. 9.9 Rope Models, 9.9 Tiller Electric High Thrust Models, 15 Rope Models)

нет в наличии, поставок нет
68 0303884

Шайба, Tilt Втулка (WASHER, Tilt bushing)

нет в наличии, поставок нет
69 0319699

Шайба, Кронштейн транца (WASHER, Stern bracket)

нет в наличии, поставок нет
70 0319787

Втулка, Поворотный кронштейн (BUSHING, Swivel bracket)

нет в наличии, поставок нет
70 0317789

   (последний код) BUSHING

нет в наличии, поставок нет
71 0309738

Пластина, Кронштейн транца (PLATE, Stern bracket)

нет в наличии, поставок нет
72 0319055

Штифт тяги to Поворотный кронштейн (PIN, Link to swivel bracket)

нет в наличии, поставок нет
73 0317894

Колпачок, Tilt Трубка - X, V. 9.9 Electric High Thrust Models, 15 Electric Models (CAP, Tilt tube - X,V. 9.9 Electric High Thrust Models, 15 Electric Models)

нет в наличии, поставок нет
73 3852150

   (последний код) CAP

нет в наличии, поставок нет
74 0203949

Фиксатор, Соединитель (RETAINER, Link)

нет в наличии, поставок нет
74 0202755

   (последний код) IDENTICAL 203949

нет в наличии, поставок нет
evinrude

Время выполнения запроса 1.2156190872192 сек.


 
 

данный сайт носит информационный характер и не является публичной офертой

склад запчастей для водомоторной техники