Номер на рисунке | Артикул | Наименование | Кол-во на складе | Цена |
| | 0439006 | Редуктор в сборе. (GEARCASE ASSY.) | нет в наличии, поставок нет |
| | 0437750 | (последний код) GEARCASE AY,20" | нет в наличии, поставок нет |
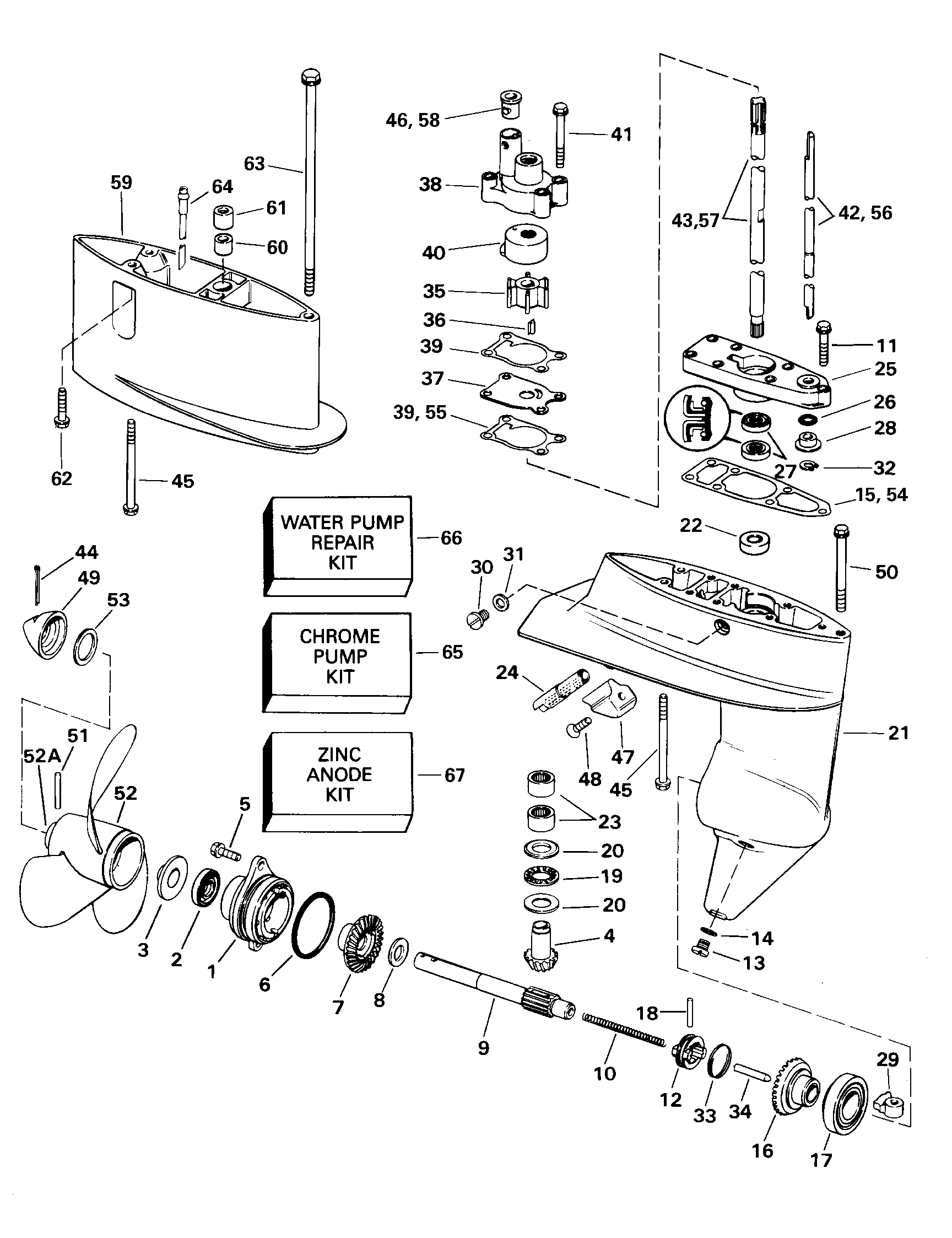
| 1 | 0434294 | *Корпус в сборе., Вал гребного винта (HOUSING ASSY., Propeller shaft) | нет в наличии, поставок нет |
| 1 | 0393747 | (последний код) G-CASE-HEAD | нет в наличии, поставок нет |
| 2 | 0336493 | **Сальник, Вал гребного винта (SEAL, Oil, propeller shaft) | нет в наличии, поставок нет |
| 3 | 0336414 | **Втулка (BUSHING) | нет в наличии, поставок нет |
| 4 | 0336297 | *Шестерня, DriveВал (PINION, Driveshaft) | нет в наличии, поставок нет |
| 5 | 0333706 | *Винт, Подшипник Корпус to Редуктор (SCREW, Bearing housing to gearcase) | нет в наличии, поставок нет |
| 6 | 0322494 | *Уплотнительное кольцо, Подшипник Корпус to Редуктор (O-RING, Bearing housing to gearcase) | нет в наличии, поставок нет |
| 7 | 0396992 | *Шестерня & Втулка в сборе., Reverse (GEAR & BUSHING ASSY., Reverse) | нет в наличии, поставок нет |
| 7 | 0393939 | (последний код) GEAR,REVERSE | нет в наличии, поставок нет |
| 8 | 0303361 | **Упорная шайба (THRUST WASHER) | нет в наличии, поставок нет |
| 9 | 0344200 | *Вал гребного винта (PROPELLER SHAFT) | нет в наличии, поставок нет |
| 9 | 0324628 | (последний код) PROP-SHAFT | нет в наличии, поставок нет |
| 10 | 0324624 | *Пружина переключателяer (SPRING, Shifter) | нет в наличии, поставок нет |
| 11 | 0333676 | *Винт, Крышка to Редуктор (SCREW, Cover to gearcase) | нет в наличии, поставок нет |
| 11 | 3854923 | (последний код) SCREW | нет в наличии, поставок нет |
| 12 | 0326340 | *Переключатель собачки сцепления (SHIFTER, Clutch dog) | нет в наличии, поставок нет |
| 12 | 0324625 | (последний код) CLUTCH-DOG | нет в наличии, поставок нет |
| 13 | 0318544 | *Винт дренажный Заглушка, нижний (SCREW, Drain plug, lower) | нет в наличии, поставок нет |
| 13 | 0912624 | (последний код) SCREW | нет в наличии, поставок нет |
| 14 | 0311598 | **Шайба (WASHER) | нет в наличии, поставок нет |
| 14 | 3852105 | (последний код) WASHER | нет в наличии, поставок нет |
| 15 | 0324637 | *Прокладка, Редуктор Крышка (GASKET, Gearcase cover) | нет в наличии, поставок нет |
| 16 | 0438966 | *Шестерня & Подшипник в сборе., дляward (GEAR & BEARING ASSY., Forward) | нет в наличии, поставок нет |
| 16 | 0396312 | (последний код) GEAR & BUSHING AY | нет в наличии, поставок нет |
| 17 | 0389858 | **Роликовый подшипник, дляward Шестерня (ROLLER BEARING, Forward gear) | нет в наличии, поставок нет |
| 18 | 0324626 | *Штифт сцепления dog (PIN, Clutch dog) | нет в наличии, поставок нет |
| 19 | 0388000 | *THRUST Подшипник, Шестерня (THRUST BEARING, Pinion) | нет в наличии, поставок нет |
| 20 | 0336296 | *Упорная шайба шестерни Шестерня Подшипник (THRUST WASHER, Pinion bearing) | нет в наличии, поставок нет |
| 21 | 0434281 | *GCASE, BRG., SCREEN & Заглушка AY. (GCASE, BRG., SCREEN & PLUG AY.) | нет в наличии, поставок нет |
| 22 | 0391048 | **Подшипник в сборе., DriveВал (BEARING ASSY., Driveshaft) | 1 шт | 4890 руб. |
| 22 | 0389574 | (последний код) BRG AY-DRIVESHAFT | нет в наличии, поставок нет |
| 23 | 0386473 | **Подшипник в сборе., Шестерня to Редуктор (BEARING ASSY., Pinion to gearcase) | нет в наличии, поставок нет |
| 24 | 0396200 | **SCREEN & Водяная заглушка Система впуска (SCREEN & PLUG, Water intake) | нет в наличии, поставок нет |
| 24 | 0324633 | (последний код) SCREEN | нет в наличии, поставок нет |
| 25 | 0434152 | *Крышка ASSEMBLY, Редуктор (COVER ASSEMBLY, Gearcase) | нет в наличии, поставок нет |
| 25 | 0389837 | (последний код) G-CASE-CVR&S | нет в наличии, поставок нет |
| 26 | 0305242 | **Уплотнительное кольцо, Переключающая тяга (O-RING, Shift rod) | нет в наличии, поставок нет |
| 27 | 0324639 | **Сальник, DriveВал (SEAL, Driveshaft) | 1 шт | 880 руб. |
| 28 | 0324642 | **Втулка, Переключающая тяга (BUSHING, Shift rod) | нет в наличии, поставок нет |
| 29 | 0324615 | *Кулачок переключателя (CAM, Shift) | нет в наличии, поставок нет |
| 30 | 0307551 | *Винт дренажный Заглушка, верхний (SCREW, Drain plug, upper) | нет в наличии, поставок нет |
| 30 | 0982851 | (последний код) SCREW-PLUG | нет в наличии, поставок нет |
| 31 | 0311598 | **Шайба (WASHER) | нет в наличии, поставок нет |
| 31 | 3852105 | (последний код) WASHER | нет в наличии, поставок нет |
| 32 | 0324616 | *Стопорное кольцо, Переключающая тяга (RETAINING RING, Shift rod) | нет в наличии, поставок нет |
| 33 | 0324627 | *Фиксатор, Сцепление dog (RETAINER, Clutch dog) | нет в наличии, поставок нет |
| 34 | 0324623 | *Плунжер (PLUNGER) | нет в наличии, поставок нет |
| 35 | 0436137 | Крыльчатка в сборе. - Z. Contents of Ремкомплект водяного насоса (IMPELLER ASSY. - Z. Contents of Water Pump Repair Kit) | 1 шт | 2040 руб. |
| 35 | 0433936 | (последний код) IMPELLER AY | нет в наличии, поставок нет |
| 36 | 0331130 | *Ключ, Крыльчатка to driveВал - Z. Contents of Ремкомплект водяного насоса (KEY, Impeller to driveshaft - Z. Contents of Water Pump Repair Kit) | 1 шт | 550 руб. |
| 37 | 0324640 | Пластина корпуса крыльчатки - Z. Contents of Ремкомплект водяного насоса (PLATE, Impeller housing - Z. Contents of Water Pump Repair Kit) | нет в наличии, поставок нет |
| 38 | 0389577 | Крыльчатка Корпус в сборе. (IMPELLER HOUSING ASSY.) | нет в наличии, поставок нет |
| 39 | 0325040 | Прокладка крыльчатки Корпус - Z. Contents of Ремкомплект водяного насоса (GASKET, Impeller housing - Z. Contents of Water Pump Repair Kit) | нет в наличии, поставок нет |
| 40 | 0324641 | Cвыше, Крыльчатка Корпус - Z. Contents of Ремкомплект водяного насоса (CUP, Impeller housing - Z. Contents of Water Pump Repair Kit) | нет в наличии, поставок нет |
| 41 | 0331980 | Винт, Крыльчатка hsg. to gcase - Z. Contents of Ремкомплект водяного насоса (SCREW, Impeller hsg. to gcase - Z. Contents of Water Pump Repair Kit) | нет в наличии, поставок нет |
| 42 | 0336061 | Переключающая тяга, нижний , Std. (SHIFT ROD, Lower, Std.) | нет в наличии, поставок нет |
| 42 | 0336060 | Переключающая тяга, нижний , Long - Y. 8WRL Models (SHIFT ROD, Lower, Long - Y. 8WRL Models) | нет в наличии, поставок нет |
| 43 | 0337939 | DRIVEВал, 15 дюйм (381 мм) (DRIVESHAFT, 15 in. (381mm)) | нет в наличии, поставок нет |
| 43 | 0341356 | (последний код) DRIVESHAFT USE 337939 | нет в наличии, поставок нет |
| 43 | 0337940 | DRIVEВал, 20 дюйм (508 мм) - Y. 8WRL Models (DRIVESHAFT, 20 in. (508mm) - Y. 8WRL Models) | нет в наличии, поставок нет |
| 44 | 0306394 | Шплинт, Колпачок to Вал гребного винта (COTTER PIN, Cap to propeller shaft) | нет в наличии, поставок нет |
| 44 | 3852056 | (последний код) PIN,COTTER | нет в наличии, поставок нет |
| 45 | 0324643 | Винт, Редуктор to exh. hsg. (SCREW, Gearcase to exh. hsg.) | нет в наличии, поставок нет |
| 46 | 0302497 | Нижний пыльник трубки водяного насоса - Z. Contents of Ремкомплект водяного насоса (GROMMET, Water tube, lower - Z. Contents of Water Pump Repair Kit) | 2 шт | 250 руб. |
| 47 | 0334451 | Анод, Редуктор (ANODE, Gearcase) | нет в наличии, поставок нет |
| 47 | 0432397 | (последний код) ANODE KIT | нет в наличии, поставок нет |
| 48 | 0328725 | Винт, Анод (SCREW, Anode) | нет в наличии, поставок нет |
| 48 | 3852187 | (последний код) SCREW | нет в наличии, поставок нет |
| 49 | 0324694 | Колпачок гребного винта Вал (CAP, Propeller shaft) | нет в наличии, поставок нет |
| 50 | 0342540 | Винт, Редуктор to Передний корпус, 15 дюйм (SCREW, Gearcase to housing, front, 15 in.) | нет в наличии, поставок нет |
| 50 | 0316440 | (последний код) SCREW | нет в наличии, поставок нет |
| 51 | 0324690 | DRIVE Штифт, Гребной винт (DRIVE PIN, Propeller) | нет в наличии, поставок нет |
| 52 | 0391096 | Гребной винт, 8 X 7 (PROPELLER, 8 X 7) | нет в наличии, поставок нет |
| 52 | 0778796 | (последний код) PROP,AL 8X7/PIN | нет в наличии, поставок нет |
| 52 | 0390237 | Гребной винт, 8 1 / 2 X 9, Std. (PROPELLER, 8 1/2 X 9, Std.) | нет в наличии, поставок нет |
| 52 | 0778797 | (последний код) PROP,AL 8.5 X 9 | нет в наличии, поставок нет |
| 52 | 0392183 | Гребной винт, 9 1 / 4 X 6 1 / 2 (PROPELLER, 9 1/4 X 6 1/2) | нет в наличии, поставок нет |
| 52A | 0389583 | *Втулка, Гребной винт (BUSHING, Propeller) | нет в наличии, поставок нет |
| 53 | 0324689 | Упорная шайба, Вал гребного винта, rear (THRUST WASHER, Propeller shaft, rear) | нет в наличии, поставок нет |
| | 0435542 | Удлинитель KIT в сборе., 5-inch - Y. 8WRL Models (EXTENSION KIT ASSY., 5-inch - Y. 8WRL Models) | нет в наличии, поставок нет |
| 54 | 0324637 | *Прокладка, Редуктор Крышка - Y. 8WRL Models (GASKET, Gearcase cover - Y. 8WRL Models) | нет в наличии, поставок нет |
| 55 | 0325040 | *Прокладка крыльчатки Корпус - Y. 8WRL Models (GASKET, Impeller housing - Y. 8WRL Models) | нет в наличии, поставок нет |
| 56 | 0336060 | *Переключающая тяга, Long - Y. 8WRL Models (SHIFT ROD, Long - Y. 8WRL Models) | нет в наличии, поставок нет |
| 57 | 0337940 | *DRIVEВал, Long - Y. 8WRL Models (DRIVESHAFT, Long - Y. 8WRL Models) | нет в наличии, поставок нет |
| 58 | 0302497 | *Нижний пыльник трубки водяного насоса - Y. 8WRL Models (GROMMET, Water tube, lower - Y. 8WRL Models) | 2 шт | 250 руб. |
| 59 | 0396308 | *Редуктор Удлинитель - Y. 8WRL Models (GEARCASE EXTENSION - Y. 8WRL Models) | нет в наличии, поставок нет |
| 59 | 0393744 | (последний код) G-CASE-EXT | нет в наличии, поставок нет |
| 60 | 0310674 | **Втулка - Y. 8WRL Models (BUSHING - Y. 8WRL Models) | нет в наличии, поставок нет |
| 61 | 0326742 | **Гильза - Y. 8WRL Models (SLEEVE - Y. 8WRL Models) | нет в наличии, поставок нет |
| 61 | 0326988 | (последний код) SLEEVE | нет в наличии, поставок нет |
| 62 | 0333676 | *Винт, Удлинитель to Корпус - Y. 8WRL Models (SCREW, Extension to housing - Y. 8WRL Models) | нет в наличии, поставок нет |
| 62 | 3854923 | (последний код) SCREW | нет в наличии, поставок нет |
| 63 | 0330247 | *Винт, Редуктор & Удлинитель to Удлинитель корпуса - Y. 8WRL Models (SCREW, Gearcase & extension to exhaust housing - Y. 8WRL Models) | нет в наличии, поставок нет |
| 63 | 0324645 | (последний код) SCREW | нет в наличии, поставок нет |
| 64 | 0320025 | *Удлинитель, Водяная трубка - Y. 8WRL Models (EXTENSION, Water tube - Y. 8WRL Models) | нет в наличии, поставок нет |
| 65 | 0390772 | Хромированный ремкомплект водяного насоса (CHROME PUMP KIT) | нет в наличии, поставок нет |
| 66 | 0396644 | Ремкомплект водяного насоса (WATER PUMP REPAIR KIT) | нет в наличии, поставок нет |
| 66 | 0389844 | (последний код) WATERPUMP KIT | нет в наличии, поставок нет |
| 67 | 0432397 | ZINC Анод KIT, (Includes 47 & 48) (ZINC ANODE KIT, (Includes 47 & 48)) | нет в наличии, поставок нет |
| 67 | 0334451 | (последний код) ANODE | нет в наличии, поставок нет |