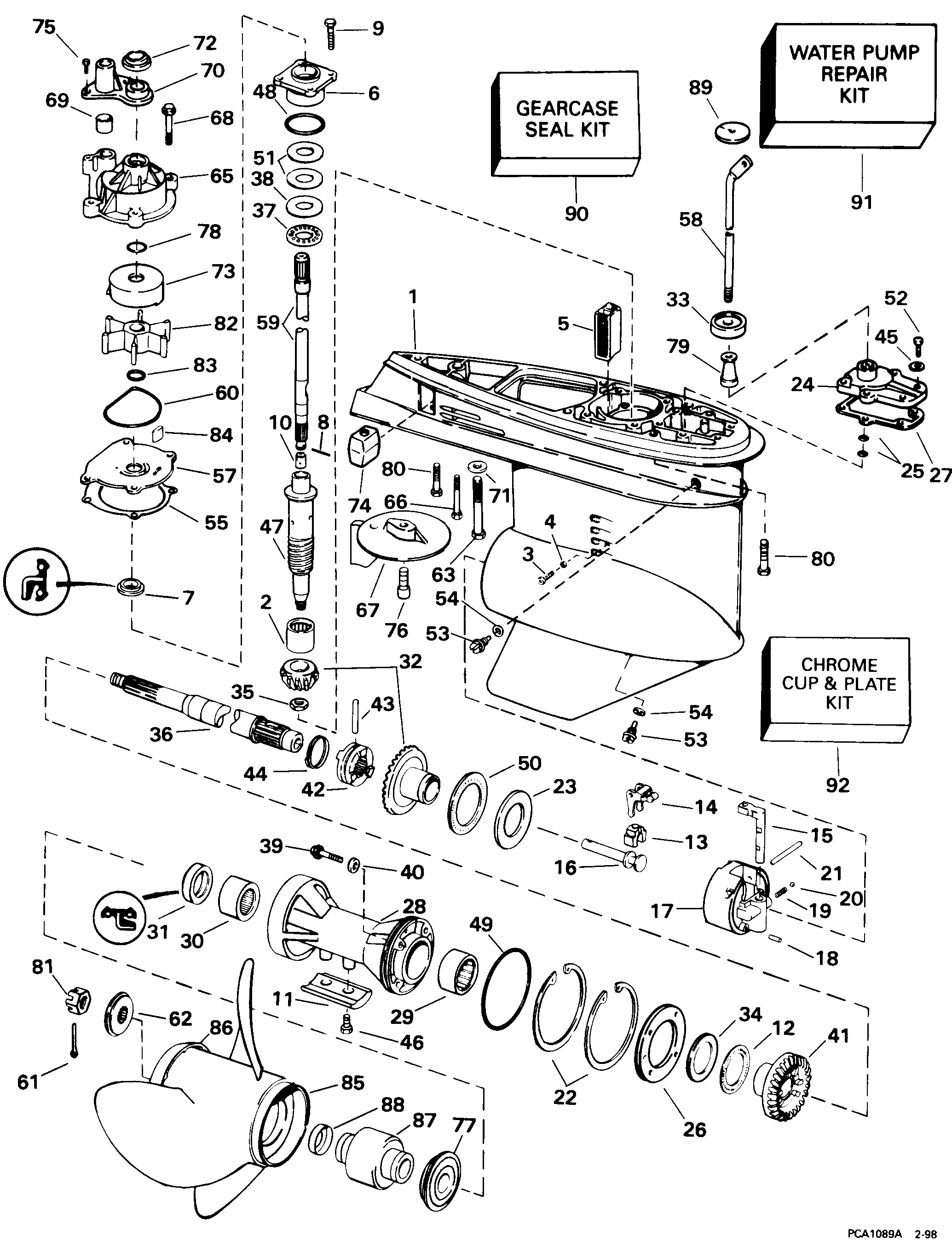
Номер на рисунке | Артикул | Наименование | Кол-во на складе | Цена |
| 0435474 | 0435474 | Редуктор в сборе., комплект. Not Shown (GEARCASE ASSY., Complete. Not Shown) | нет в наличии, поставок нет |
| 0435474 | 5000356 | (последний код) G/C AY*CV4&LV4 .50 | нет в наличии, поставок нет |
| 1 | 0431642 | Редуктор в сборе с подшипником. (GEARCASE & BEARING ASSY.) | нет в наличии, поставок нет |
| 1 | 0394763 | (последний код) GEARCASE&BRG AY | нет в наличии, поставок нет |
| 2 | 0384195 | Подшипник, Шестерня (BEARING, Pinion) | нет в наличии, поставок нет |
| 3 | 0324852 | Установочный винт, Подшипник (SET SCREW, Bearing) | нет в наличии, поставок нет |
| 4 | 0332584 | Шайба (WASHER) | нет в наличии, поставок нет |
| 5 | 0323466 | Водяной экран Система впуска (SCREEN, Water intake) | нет в наличии, поставок нет |
| 5 | 0314996 | (последний код) SCREEN | нет в наличии, поставок нет |
| 6 | 0438963 | Подшипник HSG. & Сальник в сборе. (BEARING HSG. & SEAL ASSY.) | нет в наличии, поставок нет |
| 6 | 0439476 | (последний код) DS BRG HSG&SEAL AY | нет в наличии, поставок нет |
| 7 | 0341280 | Сальник (SEAL) | нет в наличии, поставок нет |
| 8 | 0311538 | ROLL Штифт, DriveВал (ROLL PIN, Driveshaft) | нет в наличии, поставок нет |
| 9 | 0317624 | Винт, Корпус to Редуктор (SCREW, Housing to gearcase) | нет в наличии, поставок нет |
| 10 | 0338504 | Фиксатор приводного вала (RETAINER, Driveshaft) | нет в наличии, поставок нет |
| 11 | 0431708 | Анод, Подшипник Корпус (ANODE, Bearing housing) | нет в наличии, поставок нет |
| 11 | 0397111 | (последний код) ANODE-AY | нет в наличии, поставок нет |
| 12 | 0382408 | THRUST Подшипник в сборе., Reverse Шестерня (THRUST BEARING ASSY., Reverse gear) | нет в наличии, поставок нет |
| 13 | 0334163 | CRADLE, Переключательer (CRADLE, Shifter) | 5 шт | 1880 руб. |
| 13 | 0322900 | (последний код) CRADLE-SHIFT | нет в наличии, поставок нет |
| 14 | 0324037 | Рычаг переключателя (LEVER, Shift) | 8 шт | 3700 руб. |
| 15 | 0323946 | DETENT, Переключательer (DETENT, Shifter) | нет в наличии, поставок нет |
| 15 | 0915954 | (последний код) DETENT | нет в наличии, поставок нет |
| 16 | 0322941 | Вал (SHAFT) | нет в наличии, поставок нет |
| 17 | 0391365 | Подшипник Корпус & Штифт в сборе. (BEARING HOUSING & PIN ASSY.) | нет в наличии, поставок нет |
| 17 | 0984096 | (последний код) BEARING HOUSING | нет в наличии, поставок нет |
| 18 | 0331880 | Штифт, Корпус (PIN, Housing) | нет в наличии, поставок нет |
| 19 | 0911961 | Фиксатор пружины (SPRING, Detent) | нет в наличии, поставок нет |
| 20 | 0327345 | Шарик, Detent (BALL, Detent) | нет в наличии, поставок нет |
| 21 | 0320145 | Штифт (PIN) | нет в наличии, поставок нет |
| 21 | 0323945 | (последний код) PIN-SHIFTER | нет в наличии, поставок нет |
| 22 | 0313445 | Стопорное кольцо (RETAINING RING) | нет в наличии, поставок нет |
| 23 | 0324766 | Упорная шайба, дляward Шестерня (THRUST WASHER, Forward gear) | нет в наличии, поставок нет |
| 24 | 0435482 | Крышка & Сальник в сборе. (COVER & SEAL ASSY.) | нет в наличии, поставок нет |
| 24 | 5006241 | (последний код) COVER AY,SHIFT ROD | нет в наличии, поставок нет |
| 25 | 0318372 | Уплотнительное кольцо, Переключающая тяга (O-RING, Shift rod) | нет в наличии, поставок нет |
| 26 | 0314732 | Фиксатор Пластина, Подшипник Корпус (RETAINER PLATE, Bearing housing) | нет в наличии, поставок нет |
| 27 | 0324670 | Прокладка крышки (GASKET, Cover) | нет в наличии, поставок нет |
| 27 | 0352165 | (последний код) GASKET | 2 шт | 550 руб. |
| 28 | 0397087 | Подшипник Корпус Сальник в сборе. (BEARING HOUSING SEAL ASSY.) | нет в наличии, поставок нет |
| 28 | 0384523 | (последний код) PS BRG HSG&SEAL AY | нет в наличии, поставок нет |
| 29 | 0382407 | Игольчатый подшипник в сборе. (NEEDLE BEARING ASSY.) | 1 шт | 5500 руб. |
| 30 | 0379504 | Игольчатый подшипник в сборе. (NEEDLE BEARING ASSY.) | нет в наличии, поставок нет |
| 31 | 0342787 | Сальник (SEAL) | нет в наличии, поставок нет |
| 32 | 0436746 | Шестерня & Комплект шестерёнок. (GEAR & PINION ASSY.) | 1 шт | 47700 руб. |
| 32 | 0434063 | (последний код) GEARSET,MATCHED | нет в наличии, поставок нет |
| 33 | 0321008 | Пыльник (GROMMET) | нет в наличии, поставок нет |
| 34 | 0314731 | THRUST Шайба шестерни заднего хода (THRUST WASHER, Reverse gear) | нет в наличии, поставок нет |
| 35 | 0314730 | Гайка, Шестерня to driveВал (NUT, Pinion to driveshaft) | нет в наличии, поставок нет |
| 36 | 0436888 | Вал гребного винта в сборе. (PROPELLER SHAFT ASSY.) | нет в наличии, поставок нет |
| 36 | 0387818 | (последний код) PROPSHAFT | нет в наличии, поставок нет |
| 37 | 0387656 | THRUST Подшипник, Шестерня (THRUST BEARING, Pinion) | нет в наличии, поставок нет |
| 37 | 0383248 | (последний код) BEARING | нет в наличии, поставок нет |
| 38 | 0327656 | Упорная шайба шестерни Шестерня (THRUST WASHER, Pinion) | нет в наличии, поставок нет |
| 38 | 0314729 | (последний код) THRUST-WASHE | нет в наличии, поставок нет |
| 39 | 0316563 | Винт & Сальник (SCREW & SEAL) | нет в наличии, поставок нет |
| 40 | 0332583 | Сальник (SEAL) | нет в наличии, поставок нет |
| 41 | 0340490 | Шестерня обратного хода (GEAR, Reverse) | нет в наличии, поставок нет |
| 41 | 0345992 | (последний код) GEAR,REVERSE V4 | нет в наличии, поставок нет |
| 42 | 0323664 | Переключатель собачки сцепления (SHIFTER, Clutch dog) | нет в наличии, поставок нет |
| 42 | 0341517 | (последний код) TER,CLUTCH-D | нет в наличии, поставок нет |
| 43 | 0313448 | Штифт сцепления dog (PIN, Clutch dog) | нет в наличии, поставок нет |
| 44 | 0324369 | Пружина, Сцепление dog Штифт (SPRING, Clutch dog pin) | нет в наличии, поставок нет |
| 44 | 0313454 | (последний код) SPRING | нет в наличии, поставок нет |
| 45 | 0328702 | Шайба, Переключающая тяга Крышка (WASHER, Shift rod cover) | нет в наличии, поставок нет |
| 45 | 3852183 | (последний код) WASHER | нет в наличии, поставок нет |
| 46 | 0908158 | Винт, Анод (SCREW, Anode) | нет в наличии, поставок нет |
| 46 | 3852050 | (последний код) SCREW | нет в наличии, поставок нет |
| 47 | 0335722 | DRIVEВал, нижний (DRIVESHAFT, Lower) | нет в наличии, поставок нет |
| 47 | 0346006 | (последний код) DRIVESHAFT,LOWER | нет в наличии, поставок нет |
| 48 | 0314728 | Уплотнительное кольцо, DriveВал Подшипник (O-RING, Driveshaft bearing) | нет в наличии, поставок нет |
| 48 | 0354731 | (последний код) O-RING | 1 шт | 850 руб. |
| 49 | 0313446 | Уплотнительное кольцо, Корпус вала гребного винта (O-RING, Propeller shaft housing) | нет в наличии, поставок нет |
| 50 | 0385043 | THRUST BRG. в сборе., Fwd. Шестерня (THRUST BRG. ASSY., Fwd. gear) | нет в наличии, поставок нет |
| 50 | 3852221 | (последний код) BEARING-AY,T | нет в наличии, поставок нет |
| 51 | 0323362 | Регулировочная шайба, Подшипник Корпус, 0.003 дюйм (0, 07 мм) (SHIM, Bearing housing, 0.003 in. (0,07mm)) | нет в наличии, поставок нет |
| 51 | 0323361 | Регулировочная шайба, Подшипник Корпус, 0.004 дюйм (0, 10 мм) (SHIM, Bearing housing, 0.004 in. (0,10mm)) | нет в наличии, поставок нет |
| 51 | 0314745 | Регулировочная шайба, Подшипник Корпус, 0.005 дюйм (0, 12 мм) (SHIM, Bearing housing, 0.005 in. (0,12mm)) | нет в наличии, поставок нет |
| 52 | 0302325 | Винт, Крышка (SCREW, Cover) | нет в наличии, поставок нет |
| 53 | 0318544 | Заглушка, Fill и drain (PLUG, Fill and drain) | нет в наличии, поставок нет |
| 53 | 0912624 | (последний код) SCREW | нет в наличии, поставок нет |
| 54 | 0311598 | Шайба (WASHER) | нет в наличии, поставок нет |
| 54 | 3852105 | (последний код) WASHER | нет в наличии, поставок нет |
| 55 | 0338484 | Прокладка, Imp. hsg. Пластина. Also included in kit 396354 (GASKET, Imp. hsg. plate. Also included in kit 396354) | нет в наличии, поставок нет |
| 55 | 0324701 | (последний код) GASKET,-DRL5 | нет в наличии, поставок нет |
| 57 | 0338485 | Пластина, Крыльчатка. Stainless Steel (PLATE, Impeller. Stainless Steel) | нет в наличии, поставок нет |
| 57 | 0338552 | Пластина, Крыльчатка. хромированная пластина (PLATE, Impeller. Chrome Plated) | нет в наличии, поставок нет |
| 58 | 0332120 | Переключающая тяга. HL, TSL Models Only (SHIFT ROD. HL, TSL Models Only) | нет в наличии, поставок нет |
| 58 | 0332121 | Переключающая тяга. HX, TSX Models Only (SHIFT ROD. HX, TSX Models Only) | нет в наличии, поставок нет |
| 59 | 0436232 | DRIVEВал, верхний (Includes #8 & 10) HL, TSL Models Only (DRIVESHAFT, Upper (Includes #8 & 10). HL, TSL Models Only) | нет в наличии, поставок нет |
| 59 | 5007671 | (последний код) UPPER D/S KIT 20" | нет в наличии, поставок нет |
| 59 | 0436233 | DRIVEВал, верхний (Includes #8 & 10) HX, TSX Models Only (DRIVESHAFT, Upper (Includes #8 & 10). HX, TSX Models Only) | нет в наличии, поставок нет |
| 59 | 5007672 | (последний код) KIT,UPPER D/S-25" | нет в наличии, поставок нет |
| 60 | 0331353 | Сальник, Крыльчатка Корпус Пластина (SEAL, Impeller housing plate) | 1 шт | 790 руб. |
| 61 | 0314502 | Шплинт, Гайка гребного винта (COTTER PIN, Propeller nut) | нет в наличии, поставок нет |
| 62 | 0315810 | Проставка гайки гребного винта, 3-blade (SPACER, Propeller nut, 3-blade) | нет в наличии, поставок нет |
| 62 | 0176563 | Проставка гайки гребного винта, 4-blade (SPACER, Propeller nut, 4-blade) | нет в наличии, поставок нет |
| 63 | 0331998 | Винт, Редуктор to Корпус (SCREW, Gearcase to housing) | нет в наличии, поставок нет |
| 63 | 0914535 | (последний код) SCREW | нет в наличии, поставок нет |
| 65 | 0435990 | Крыльчатка Корпус в сборе. (IMPELLER HOUSING ASSY.) | нет в наличии, поставок нет |
| 66 | 0328096 | Винт, Анод (SCREW, Anode) | нет в наличии, поставок нет |
| 66 | 0327046 | (последний код) SCREW | нет в наличии, поставок нет |
| 67 | 0338742 | Пластина трима, Редуктор (TRIM TAB, Gearcase) | нет в наличии, поставок нет |
| 67 | 0327810 | (последний код) TRIM TAB | нет в наличии, поставок нет |
| 68 | 0302325 | Винт, Крыльчатка Корпус (SCREW, Impeller housing) | нет в наличии, поставок нет |
| 69 | 0314008 | Пыльник водяной трубки (GROMMET, Water tube) | нет в наличии, поставок нет |
| 70 | 0338893 | Крышка (COVER) | нет в наличии, поставок нет |
| 70 | 0321159 | (последний код) COVER-IMP-HS | нет в наличии, поставок нет |
| 71 | 0330265 | Шайба с блокировкой, Винт, long (LOCK WASHER, Screw, long) | нет в наличии, поставок нет |
| 72 | 0320943 | Пыльник, Крыльчатка Корпус (GROMMET, Impeller housing) | 1 шт | 300 руб. |
| 73 | 0338486 | Cвыше, Крыльчатка. Stainless Steel (CUP, Impeller. Stainless Steel) | нет в наличии, поставок нет |
| 73 | 0338551 | Cвыше, Крыльчатка, chrome. хромированная пластина (CUP, Impeller, chrome. Chrome Plated) | нет в наличии, поставок нет |
| 74 | 0436745 | Анод (ANODE) | нет в наличии, поставок нет |
| 74 | 0393023 | (последний код) ANODE&INSERT AY | нет в наличии, поставок нет |
| 75 | 0306643 | Винт, Крышка to Крыльчатка (SCREW, Cover to impeller) | нет в наличии, поставок нет |
| 75 | 3852066 | (последний код) SCREW | нет в наличии, поставок нет |
| 76 | 0313715 | Винт, Пластина трима (SCREW, Trim tab) | нет в наличии, поставок нет |
| 77 | 0127084 | Упорная втулка, 3-blade (THRUST BUSHING, 3-blade) | нет в наличии, поставок нет |
| 77 | 0384574 | (последний код) BUSHING | нет в наличии, поставок нет |
| 77 | 0127212 | Упорная втулка, 4-blade (THRUST BUSHING, 4-blade) | нет в наличии, поставок нет |
| 78 | 0331188 | Уплотнительное кольцо, Крыльчатка Корпус (O-RING, Impeller housing) | 5 шт | 370 руб. |
| 79 | 0321122 | Проставка, Переключающая тяга. HX, TSX Models Only (SPACER, Shift rod. HX, TSX Models Only) | нет в наличии, поставок нет |
| 80 | 0331999 | Винт, Редуктор to Выхлоп hsg. (SCREW, Gearcase to exhaust hsg.) | нет в наличии, поставок нет |
| 80 | 0910457 | (последний код) SCREW | нет в наличии, поставок нет |
| 81 | 0314503 | Гайка гребного винта (NUT, Propeller) | нет в наличии, поставок нет |
| 82 | 0435821 | Крыльчатка в сборе. (IMPELLER ASSY.) | нет в наличии, поставок нет |
| 82 | 5001593 | (последний код) KIT AY,IMPELLER | нет в наличии, поставок нет |
| 83 | 0302035 | Уплотнительное кольцо, Крыльчатка (O-RING, Impeller) | нет в наличии, поставок нет |
| 84 | 0331107 | CAM, Крыльчатка (CAM, Impeller) | нет в наличии, поставок нет |
| 85 | 0 | Гребной винт (PROPELLER) | нет в наличии, поставок нет |
| 86 | 0332393 | CONVERGING Кольцо (CONVERGING RING) | нет в наличии, поставок нет |
| 86 | 0325996 | (последний код) CONVERGING RING | нет в наличии, поставок нет |
| 87 | 0384977 | PROP. Втулка в сборе., 3-blade (PROP. BUSHING ASSY., 3-blade) | нет в наличии, поставок нет |
| 87 | 0176228 | PROP. Втулка в сборе., 4-blade (PROP. BUSHING ASSY., 4-blade) | нет в наличии, поставок нет |
| 88 | 0313926 | Гильза (SLEEVE) | нет в наличии, поставок нет |
| 88 | 3850831 | (последний код) SLEEVE-PROP | нет в наличии, поставок нет |
| 89 | 0322302 | Сальник, Переключающая тяга (SEAL, Shift rod) | нет в наличии, поставок нет |
| 89 | 0321361 | (последний код) SEAL | нет в наличии, поставок нет |
| 90 | 0396354 | Комплект сальников редуктора (GEARCASE SEAL KIT) | нет в наличии, поставок нет |
| 90 | 5006373 | (последний код) KIT AY,SEAL-GC | нет в наличии, поставок нет |
| 91 | 0434421 | Ремкомплект водяного насоса (Includes Крыльчатка hous ng) (WATER PUMP REPAIR KIT (Includes impeller hous ng)) | нет в наличии, поставок нет |
| 91 | 5001594 | (последний код) KIT AY,WATER PUMP | нет в наличии, поставок нет |
| 91 | T-5001594 | (не оригинальный аналог) Ремкомплект насоса охлаждения Evinrude-Johnson 5001594 | 2 шт шт | по запросу |
| 92 | 0435526 | CHROME Cвыше & Пластина KIT (CHROME CUP & PLATE KIT) | нет в наличии, поставок нет |
| 92 | 0395059 | (последний код) CHROME PUMP KIT | нет в наличии, поставок нет |