вконтакте

Контактный телефон: +7 (981) 121-46-93, +7 (800) 200-90-76 , Email: parts-katalog@yandex.ru, где купить

 
 

  Логин:

Пароль:

Регистрация

www.partskatalog.ru Все каталоги Запчасти Mercury Запчасти Suzuki Запчасти Tohatsu Запчасти Honda Контакты



УВАЖАЕМЫЕ КЛИЕНТЫ!
C 19 ДЕКАБРЯ 2025 ПО 02 МАРТА 2026 ГОДА ОТДЕЛ ЗАПЧАСТЕЙ И СЕРВИС РАБОТАТЬ НЕ БУДУТ
ПРОДАЖА ЛОДОЧНЫХ МОТОРОВ В ШТАТНОМ РЕЖИМЕ
ОБ ИЗМЕНЕНИЯХ В ГРАФИКЕ РАБОТЫ ЧИТАЙТЕ НА САЙТА




Все разделы каталога запчастей на этот двигатель

назад Раздел:   вперёд

вернуться к списку узлов и деталей

ДЕТАЛИРОВКА ДЛЯ МОДЕЛИ: EVINRUDE E150IXEUC 1997

IGNITION SYSTEM | IGNITION SYSTEM;


Двигатель Эвинруд E150IXEUC 1997  - nition System / nition System

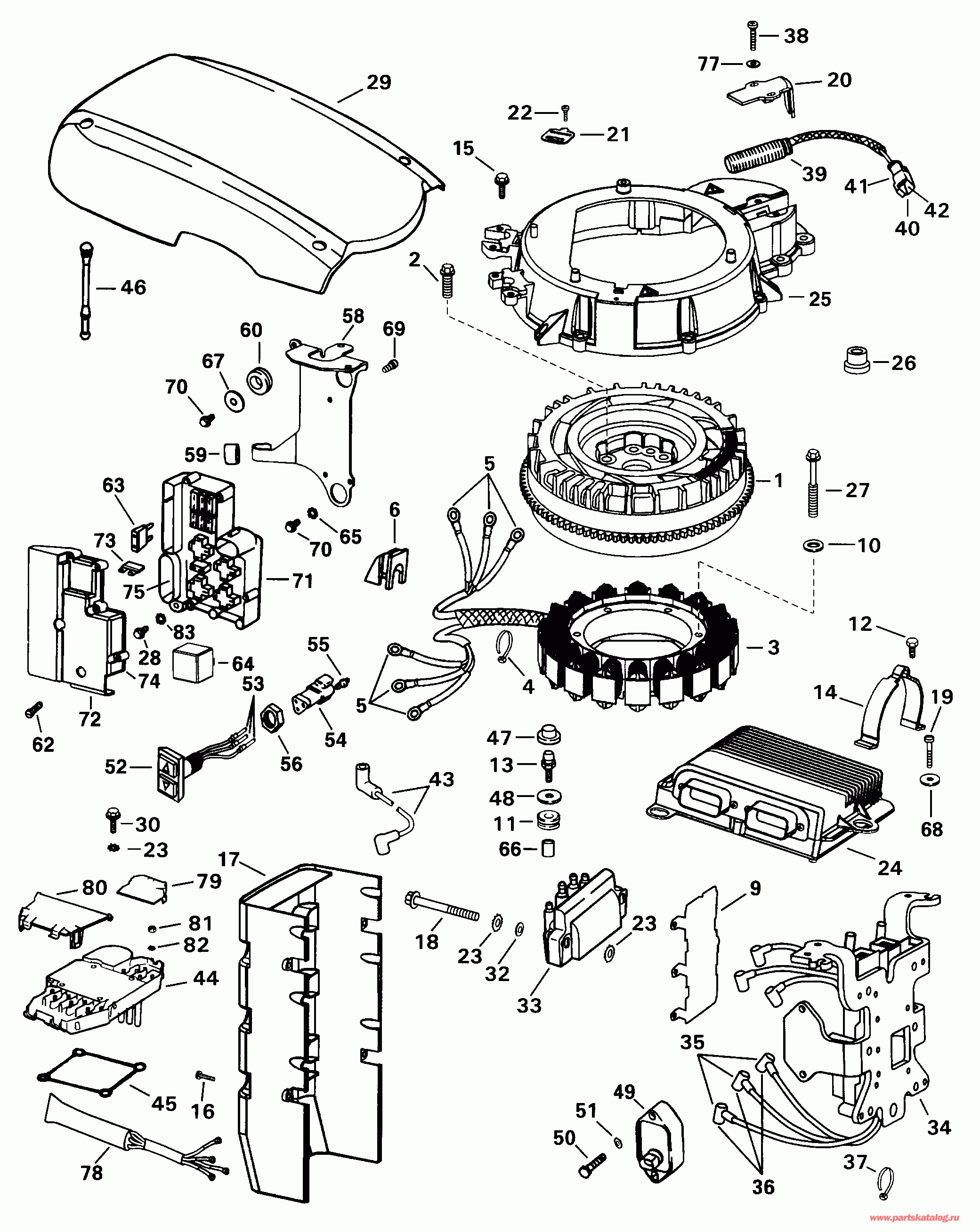
Номер на
рисунке
АртикулНаименованиеКол-во
на складе
Цена
1 0586247

Маховик в сборе. (FLYWHEEL ASSY.)

нет в наличии, поставок нет
1 0585160

   (последний код) FLYWHEEL AY-20/40A

нет в наличии, поставок нет
2 0336135

Винт, Маховик (SCREW, Flywheel)

нет в наличии, поставок нет
2 0306284

   (последний код) SCREW

нет в наличии, поставок нет
3 0585257

Статор в сборе. (STATOR ASSY.)

нет в наличии, поставок нет
4 0320107

Крепёжный хомут (TIE STRAP)

нет в наличии, поставок нет
4 5035626

   (последний код) BAND,REM CON

нет в наличии, поставок нет
5 0512550

Клемма, Кольцо (TERMINAL, Ring)

нет в наличии, поставок нет
5 3852235

   (последний код) TERMINAL,RIN

нет в наличии, поставок нет
6 0343740

Фиксатор, Кабелиs (RETAINER, Cables)

нет в наличии, поставок нет
9 0513579

RFI SHIELD (RFI SHIELD)

нет в наличии, поставок нет
10 0306311

Шайба с блокировкой, Винт, Статор (LOCK WASHER, Screw, stator)

нет в наличии, поставок нет
11 0329518

Пыльник, ECU Креплениеing (GROMMET, ECU mounting)

нет в наличии, поставок нет
11 3852195

   (последний код) GROMMET

нет в наличии, поставок нет
12 0331036

Винт зажима to Крышка (SCREW, Clamp to cover)

нет в наличии, поставок нет
12 0320468

   (последний код) SCREW

нет в наличии, поставок нет
13 0343754

Шпилька, ECU to Крышка маховика (STUD, ECU to flywheel cover)

нет в наличии, поставок нет
14 0514891

Струбцина, Колпачокacitor to Крышка (CLAMP, Capacitor to cover)

нет в наличии, поставок нет
15 0909533

Винт, Крышка маховика (SCREW, Flywheel cover)

нет в наличии, поставок нет
15 0324429

   (последний код) SCREW,IMP HSG

нет в наличии, поставок нет
16 0343245

Винт, Крышка, power pack (SCREW, Cover, power pack)

нет в наличии, поставок нет
17 0343521

Крышка, Ignition module (COVER, Ignition module)

нет в наличии, поставок нет
18 0343571

Винт, Coil Креплениеing (SCREW, Coil mounting)

нет в наличии, поставок нет
19 0909676

Винт, ECU to Крышка (SCREW, ECU to cover)

нет в наличии, поставок нет
20 0343468

Крышка датчика (COVER, Sensor)

нет в наличии, поставок нет
21 0343665

TIMING POINTER (TIMING POINTER)

нет в наличии, поставок нет
21 0344776

   (последний код) POINTER,TIMING

нет в наличии, поставок нет
22 0315656

Винт, Timing pointer (SCREW, Timing pointer)

нет в наличии, поставок нет
23 0301551

Шайба с блокировкой, Заземление (LOCK WASHER, Ground)

нет в наличии, поставок нет
24 0586362

ECU в сборе.. This part must be ordeкрасный from Warranty / Technical Сервис Department.. This part must be ordeкрасный from Warranty / Technical Сервис Department. (ECU ASSY.. This part must be ordered from Warranty/Technical Service Department.. This part must be ordered from Warranty/Technical Service Department.)

нет в наличии, поставок нет
25 0437628

Крышка в сборе, Маховик (COVER ASSY., Flywheel)

нет в наличии, поставок нет
25 5004519

   (последний код) COVER AY,FLYWHEEL

нет в наличии, поставок нет
26 0341613

Втулка, Шестерня & Вал to Крышка (BUSHING, Pinion & shaft to cover)

нет в наличии, поставок нет
26 0335294

   (последний код) BUSHING

нет в наличии, поставок нет
27 0343525

Винт, Статор Креплениеing (SCREW, Stator mounting)

нет в наличии, поставок нет
28 0328724

Винт, Auxiliary battery lead (SCREW, Auxiliary battery lead)

нет в наличии, поставок нет
28 3852186

   (последний код) SCREW

нет в наличии, поставок нет
29 0341156

Крышка, ECU, power pack to Маховик (COVER, ECU, power pack to flywheel)

нет в наличии, поставок нет
30 0329110

Винт, Регулятор (SCREW, Regulator)

нет в наличии, поставок нет
30 0324697

   (последний код) SCREW

нет в наличии, поставок нет
31 0320107

Крепёжный хомут (TIE STRAP)

нет в наличии, поставок нет
31 5035626

   (последний код) BAND,REM CON

нет в наличии, поставок нет
32 0328702

плоский Шайба, Coil Креплениеing (FLAT WASHER, Coil mounting)

нет в наличии, поставок нет
32 3852183

   (последний код) WASHER

нет в наличии, поставок нет
33 0583740

Катушка в сборе., Dual (COIL ASSY., Dual)

нет в наличии, поставок нет
33 0583298

   (последний код) IGNITION COIL

нет в наличии, поставок нет
34 0586381

IGNITION MODULE (IGNITION MODULE)

нет в наличии, поставок нет
34 0586308

   (последний код) MODULE AY,IGNITION

нет в наличии, поставок нет
35 0512478

Крышка (COVER)

нет в наличии, поставок нет
36 0512256

Клемма (TERMINAL)

нет в наличии, поставок нет
37 0317893

Крепёжный хомут (TIE STRAP)

нет в наличии, поставок нет
37 3852149

   (последний код) TIE-STRAP

нет в наличии, поставок нет
38 0315656

Винт, Крышка датчика (SCREW, Cover, sensor)

нет в наличии, поставок нет
39 0586221

Датчик в сборе., Кривошип position (SENSOR ASSY., Crank position)

нет в наличии, поставок нет
39 0586131

   (последний код) SENSOR AY,MAGNETIC

нет в наличии, поставок нет
40 0514679

Клемма, Штифт (TERMINAL, Pin)

нет в наличии, поставок нет
41 0514696

Коннектор (CONNECTOR)

нет в наличии, поставок нет
42 0514697

LOCK WEDGE (LOCK WEDGE)

нет в наличии, поставок нет
43 0586378

LEAD в сборе., Катушка зажигания (LEAD ASSY., Ignition coil)

нет в наличии, поставок нет
43 5001890

   (последний код) LEAD AY,H/T-SUPP

нет в наличии, поставок нет
44 0586394

Выпрямитель & Регулятор (RECTIFIER & REGULATOR)

нет в наличии, поставок нет
44 0586434

   (последний код) RECT/RGLTR V6 FFI

нет в наличии, поставок нет
45 3010036

Сальник, Регулятор to Картер двигателя (SEAL, Regulator to crankcase)

нет в наличии, поставок нет
46 0343751

Хомут, ECU Крышка (STRAP, ECU cover)

нет в наличии, поставок нет
47 0324898

Бампер, ECU Крышка (BUMPER, ECU cover)

нет в наличии, поставок нет
48 0328700

Шайба, ECU Креплениеing (WASHER, ECU mounting)

нет в наличии, поставок нет
48 0331250

   (последний код) WASHER

нет в наличии, поставок нет
49 0585171

SвышеPRESSOR в сборе. (SUPPRESSOR ASSY.)

нет в наличии, поставок нет
50 0333676

Винт, Sвышеpressor to Кронштейн (SCREW, Suppressor to bracket)

нет в наличии, поставок нет
50 3854923

   (последний код) SCREW

нет в наличии, поставок нет
51 0328701

Шайба, Винт, sвышеpressor (WASHER, Screw, suppressor)

нет в наличии, поставок нет
51 3852182

   (последний код) WASHER,LOCK

нет в наличии, поставок нет
52 0586074

Переключатель в сборе., Trim & tilt (SWITCH ASSY., Trim & tilt)

нет в наличии, поставок нет
53 0514679

Клемма, Штифт (TERMINAL, Pin)

нет в наличии, поставок нет
54 0514686

Коннектор (CONNECTOR)

нет в наличии, поставок нет
55 0514682

LOCK WEDGE (LOCK WEDGE)

нет в наличии, поставок нет
56 0334656

Гайка, Переключатель (NUT, Switch)

нет в наличии, поставок нет
58 0514867

Кронштейн предохранителя в сборе. (BRACKET, Fuse assy.)

нет в наличии, поставок нет
59 0343598

Бампер, Кронштейн to block (BUMPER, Bracket to block)

нет в наличии, поставок нет
60 0329518

Пыльник, Кронштейн to block (GROMMET, Bracket to block)

нет в наличии, поставок нет
60 3852195

   (последний код) GROMMET

нет в наличии, поставок нет
62 0343838

Винт, Крышка to Основание (SCREW, Cover to base)

нет в наличии, поставок нет
63 0514766

Предохранитель, 10 Amp (FUSE, 10 Amp)

нет в наличии, поставок нет
64 0586224

Реле в сборе. (RELAY ASSY.)

1 шт2730 руб.
64 3857533

   (последний код) RELAY AY

нет в наличии, поставок нет
65 0328701

Шайба с блокировкой, Battery Заземление (LOCK WASHER, Battery ground)

нет в наличии, поставок нет
65 3852182

   (последний код) WASHER,LOCK

нет в наличии, поставок нет
66 0335328

Проставка, Пыльник, ECU Креплениеing (SPACER, Grommet, ECU mounting)

нет в наличии, поставок нет
67 0328700

Шайба, Винт, Кронштейн to block (WASHER, Screw, bracket to block)

нет в наличии, поставок нет
67 0331250

   (последний код) WASHER

нет в наличии, поставок нет
68 0336316

Шайба, Винт, ECU to Крышка (WASHER, Screw, ECU to cover)

нет в наличии, поставок нет
69 0328649

Винт, Предохранитель & Реле to Кронштейн (SCREW, Fuse & relay to bracket)

нет в наличии, поставок нет
69 0337541

   (последний код) SCREW

нет в наличии, поставок нет
70 0328724

Винт, Кронштейн to block (SCREW, Bracket to block)

нет в наличии, поставок нет
70 3852186

   (последний код) SCREW

нет в наличии, поставок нет
71 0586252

POWER DISTRIBUTION PANEL в сборе. (POWER DISTRIBUTION PANEL ASSY.)

нет в наличии, поставок нет
71 0586754

   (последний код) HSG&CVR AY,FU&RLY

нет в наличии, поставок нет
72 0586223

Крышка в сборе (COVER ASSY.)

нет в наличии, поставок нет
73 0514766

Предохранитель, 10 Amp, spare (FUSE, 10 Amp, spare)

нет в наличии, поставок нет
74 0514772

Сальник, Крышка (SEAL, Cover)

нет в наличии, поставок нет
75 0914634

Прокладка, Коннектор (GASKET, Connector)

нет в наличии, поставок нет
75 3853299

   (последний код) GASKET,CONNE

нет в наличии, поставок нет
77 0328735

Шайба, Винт (WASHER, Screw)

нет в наличии, поставок нет
77 3852188

   (последний код) WASHER

нет в наличии, поставок нет
78 0176894

SвышеPRESSOR в сборе.. Requiкрасный with 586253 Выпрямитель / Регулятор Only (SUPPRESSOR ASSY.. Required with 586253 Rectifier/Regulator Only)

нет в наличии, поставок нет
79 3010088

Крышка, Выпрямитель, port (COVER, Rectifier, port)

нет в наличии, поставок нет
80 3010089

Крышка, Выпрямитель, starboard (COVER, Rectifier, starboard)

нет в наличии, поставок нет
81 0121470

Блокирующая гайка (NUT, Lock)

нет в наличии, поставок нет
82 0303701

Шайба, Блокирующая гайка (WASHER, Nut, lock)

нет в наличии, поставок нет
83 0328701

Шайба с блокировкой (LOCK WASHER)

нет в наличии, поставок нет
83 3852182

   (последний код) WASHER,LOCK

нет в наличии, поставок нет
evinrude

Время выполнения запроса 3.8082149028778 сек.


 
 

данный сайт носит информационный характер и не является публичной офертой

склад запчастей для водомоторной техники