вконтакте

Контактный телефон: +7 (981) 121-46-93, +7 (800) 200-90-76 , Email: parts-katalog@yandex.ru, где купить

 
 

  Логин:

Пароль:

Регистрация

www.partskatalog.ru Все каталоги Запчасти Mercury Запчасти Suzuki Запчасти Tohatsu Запчасти Honda Контакты


Все разделы каталога запчастей на этот двигатель

назад Раздел:   вперёд

вернуться к списку узлов и деталей

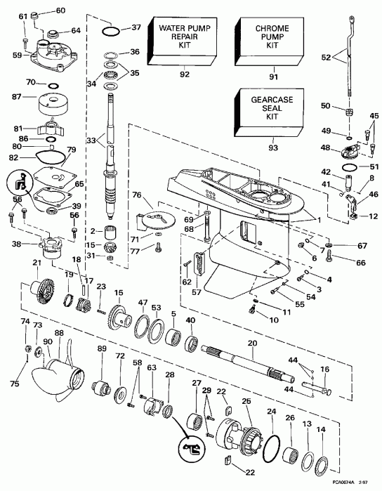
ДЕТАЛИРОВКА ДЛЯ МОДЕЛИ: EVINRUDE E50JEUC 1997

РЕДУКТОР | GEARCASE;


Лодочный мотор EVINRUDE E50JEUC 1997  - arcase

Номер на
рисунке
АртикулНаименованиеКол-во
на складе
Цена
0435279 0435279

Редуктор в сборе., Std. (15 дюйм) Not Shown (GEARCASE ASSY., Std. (15 in.). Not Shown)

нет в наличии, поставок нет
0435280 0435280

Редуктор в сборе., Long (20 дюйм) Not Shown (GEARCASE ASSY., Long (20 in.). Not Shown)

нет в наличии, поставок нет
1 0435275

Редуктор в сборе с подшипником. (GEARCASE & BEARING ASSY.)

нет в наличии, поставок нет
2 0382343

Подшипник, Шестерня (BEARING, Pinion)

нет в наличии, поставок нет
3 0324852

RETAINING Винт & Сальник (RETAINING SCREW & SEAL)

нет в наличии, поставок нет
4 0332584

Уплотнительное кольцо (O-RING)

нет в наличии, поставок нет
5 0382407

Подшипник в сборе. (BEARING ASSY.)

1 шт5500 руб.
6 0309243

Заглушка, Fill & drain, верхний (PLUG, Fill & drain, upper)

нет в наличии, поставок нет
6 0333800

   (последний код) SCREW

нет в наличии, поставок нет
7 0336982

Уплотнительное кольцо (O-RING)

нет в наличии, поставок нет
8 0306376

Шплинт (COTTER PIN)

нет в наличии, поставок нет
8 0306370

   (последний код) COTTER PIN

нет в наличии, поставок нет
10 0318544

Заглушка, Fill & drain, нижний (PLUG, Fill & drain, lower)

нет в наличии, поставок нет
10 0912624

   (последний код) SCREW

нет в наличии, поставок нет
11 0311598

Шайба (WASHER)

нет в наличии, поставок нет
11 3852105

   (последний код) WASHER

нет в наличии, поставок нет
12 0332507

CRADLE, Переключательer (CRADLE, Shifter)

нет в наличии, поставок нет
13 0332514

Упорная шайба (THRUST WASHER)

нет в наличии, поставок нет
14 0397537

THRUST Подшипник (THRUST BEARING)

нет в наличии, поставок нет
14 0979771

   (последний код) THRUST BRG

нет в наличии, поставок нет
15 0397627

Шестерня SET, дляward (GEAR SET, Forward)

нет в наличии, поставок нет
16 0332503

Переключающий вал dog (SHAFT, Shift dog)

нет в наличии, поставок нет
17 0332491

Переключатель собачки сцепления (SHIFTER, Clutch dog)

нет в наличии, поставок нет
18 0320310

Штифт сцепления dog (PIN, Clutch dog)

нет в наличии, поставок нет
19 0320311

Пружина, Сцепление dog Штифт (SPRING, Clutch dog pin)

нет в наличии, поставок нет
20 0397541

Вал гребного винта в сборе. (PROPELLER SHAFT ASSY.)

нет в наличии, поставок нет
20 0439138

   (последний код) SHAFT AY,PROPELLER

нет в наличии, поставок нет
21 0332489

Шестерня обратного хода (GEAR, Reverse)

нет в наличии, поставок нет
22 0332495

Фиксатор Пластина, Подшипник Корпус (RETAINER PLATE, Bearing housing)

нет в наличии, поставок нет
23 0332484

Пружина переключателяer (SPRING, Shifter)

нет в наличии, поставок нет
24 0553126

Уплотнительное кольцо, Подшипник Корпус (O-RING, Bearing housing)

нет в наличии, поставок нет
25 0432276

Подшипник Корпус в сборе. (BEARING HOUSING ASSY.)

нет в наличии, поставок нет
25 0332493

   (последний код) BRG. HSG

нет в наличии, поставок нет
26 0386764

Игольчатый подшипник в сборе. (NEEDLE BEARING ASSY.)

нет в наличии, поставок нет
27 0386765

Игольчатый подшипник в сборе. (NEEDLE BEARING ASSY.)

нет в наличии, поставок нет
27 0377132

   (последний код) NEEDLE BEARING

нет в наличии, поставок нет
28 0342887

Сальник (SEAL)

нет в наличии, поставок нет
29 0333706

Винт, Фиксатор (SCREW, Retainer)

нет в наличии, поставок нет
31 0313339

Гайка, Шестерня to driveВал (NUT, Pinion to driveshaft)

нет в наличии, поставок нет
33 0438398

Приводной вал., Std. (DRIVESHAFT ASSY., Std.)

нет в наличии, поставок нет
33 0435268

   (последний код) DRIVESHAFT-A

нет в наличии, поставок нет
33 0438399

Приводной вал., Long (DRIVESHAFT ASSY., Long)

нет в наличии, поставок нет
33 0435269

   (последний код) DRIVESHAFT-A

нет в наличии, поставок нет
34 0398901

THRUST Подшипник в сборе. (THRUST BEARING ASSY.)

нет в наличии, поставок нет
35 0333771

Упорная шайба (THRUST WASHER)

нет в наличии, поставок нет
36 0313273

Регулировочная шайба, 0.003 дюйм (0, 07 мм) (SHIM, 0.003 in. (0,07mm))

нет в наличии, поставок нет
36 0332498

   (последний код) SHIM(.003)

нет в наличии, поставок нет
36 0313274

Регулировочная шайба, 0.004 дюйм (0, 10 мм) (SHIM, 0.004 in. (0,10mm))

нет в наличии, поставок нет
36 0332499

   (последний код) SHIM(.004)

нет в наличии, поставок нет
36 0313275

Регулировочная шайба, 0.005 дюйм (0, 12 мм) (SHIM, 0.005 in. (0,12mm))

нет в наличии, поставок нет
36 0332500

   (последний код) SHIM(.005)

нет в наличии, поставок нет
36 0313276

Регулировочная шайба, 0.006 дюйм (0, 14 мм) (SHIM, 0.006 in. (0,14mm))

нет в наличии, поставок нет
36 0332501

   (последний код) SHIM(.006)

нет в наличии, поставок нет
36 0313277

Регулировочная шайба, 0.007 дюйм (0, 16 мм) (SHIM, 0.007 in. (0,16mm))

нет в наличии, поставок нет
36 0332502

   (последний код) SHIM(.007)

нет в наличии, поставок нет
37 0310327

Уплотнительное кольцо, Подшипник Корпус (O-RING, Bearing housing)

нет в наличии, поставок нет
38 0435274

Подшипник Корпус в сборе. (BEARING HOUSING ASSY.)

нет в наличии, поставок нет
38 0432287

   (последний код) BRG-HOUSING

нет в наличии, поставок нет
39 0342786

Сальник, Корпус (SEAL, Housing)

нет в наличии, поставок нет
40 0432264

Подшипник в сборе., дляward Шестерня (BEARING ASSY., Forward gear)

нет в наличии, поставок нет
41 0302504

Штифт, Коннектор переключающей тяги (PIN, Connector, shift rod)

нет в наличии, поставок нет
42 0332508

Коннектор переключающей тяги (CONNECTOR, Shift rod)

нет в наличии, поставок нет
44 0316506

Шарик, Detent (BALL, Detent)

нет в наличии, поставок нет
45 0316037

Винт, Крышка to Редуктор (SCREW, Cover to gearcase)

нет в наличии, поставок нет
45 0328721

   (последний код) SCREW

нет в наличии, поставок нет
46 0332492

Рычаг переключателя (LEVER, Shift)

нет в наличии, поставок нет
47 0397538

THRUST Подшипник (THRUST BEARING)

нет в наличии, поставок нет
48 0434588

Крышка, Переключающая тяга (COVER, Shift rod)

нет в наличии, поставок нет
48 0435543

   (последний код) COVER&O-RING

нет в наличии, поставок нет
49 0318372

Уплотнительное кольцо, Переключающая тяга (O-RING, Shift rod)

нет в наличии, поставок нет
50 0333780

Втулка, Переключающая тяга (BUSHING, Shift rod)

нет в наличии, поставок нет
51 0338522

Уплотнительное кольцо, Крышка to Редуктор (O-RING, Cover to gearcase)

нет в наличии, поставок нет
52 0332509

Переключающая тяга, Std. (SHIFT ROD, Std.)

нет в наличии, поставок нет
52 0332510

Переключающая тяга, Long (SHIFT ROD, Long)

нет в наличии, поставок нет
53 0333725

Упорная шайба, дляward Шестерня (THRUST WASHER, Forward gear)

нет в наличии, поставок нет
54 0317178

Сальник, Винт (SEAL, Screw)

нет в наличии, поставок нет
55 0333770

Винт, Рычаг переключения (SCREW, Shift lever)

нет в наличии, поставок нет
56 0317624

Винт, Корпус to Редуктор (SCREW, Housing to gearcase)

нет в наличии, поставок нет
57 0332494

Водяной экран Система впуска (SCREEN, Water intake)

нет в наличии, поставок нет
58 0328694

Винт, Анод (SCREW, Anode)

нет в наличии, поставок нет
58 0911122

   (последний код) SCREW

нет в наличии, поставок нет
59 0438544

Крыльчатка Корпус (IMPELLER HOUSING)

нет в наличии, поставок нет
59 0437058

   (последний код) HSG-AY,IMPEL

нет в наличии, поставок нет
60 0333758

Пыльник водяной трубки. Also included in kit 433550 (GROMMET, Water tube. Also included in kit 433550)

нет в наличии, поставок нет
61 0302325

Винт, Крыльчатка Корпус (SCREW, Impeller housing)

нет в наличии, поставок нет
62 0325539

Винт, Water Система впуска (SCREW, Water intake)

нет в наличии, поставок нет
62 0312270

   (последний код) SCREW

нет в наличии, поставок нет
63 0398873

Анод, Подшипник Корпус (ANODE, Bearing housing)

нет в наличии, поставок нет
64 0341732

Пыльник, Корпус (GROMMET, Housing)

1 шт160 руб.
64 0315748

   (последний код) GROMMET

нет в наличии, поставок нет
65 0336530

Прокладка, Пластина. Also included in kit 433550 (GASKET, Plate. Also included in kit 433550)

нет в наличии, поставок нет
66 0305282

Винт, Редуктор to Корпус (SCREW, Gearcase to housing)

нет в наличии, поставок нет
67 0330266

Шайба с блокировкой (LOCK WASHER)

нет в наличии, поставок нет
67 3852200

   (последний код) WASHER

нет в наличии, поставок нет
68 0313697

Винт, Long (SCREW, Long)

нет в наличии, поставок нет
68 0312697

   (последний код) SCREW

нет в наличии, поставок нет
69 0330265

Шайба с блокировкой, Long Винт (LOCK WASHER, Long screw)

нет в наличии, поставок нет
70 0310584

Уплотнительное кольцо, Крыльчатка to driveВал (O-RING, Impeller to driveshaft)

нет в наличии, поставок нет
70 3852089

   (последний код) O-RING

нет в наличии, поставок нет
71 0330266

Шайба, Винт Пластина трима (WASHER, Screw trim tab)

нет в наличии, поставок нет
71 3852200

   (последний код) WASHER

нет в наличии, поставок нет
72 0320305

Упорная втулка в сборе. (THRUST BUSHING ASSY.)

нет в наличии, поставок нет
73 0315810

Проставка гайки гребного винта (SPACER, Propeller nut)

нет в наличии, поставок нет
74 0314503

Гайка гребного винта (NUT, Propeller)

нет в наличии, поставок нет
75 0314502

Шплинт, Гайка гребного винта (COTTER PIN, Propeller nut)

нет в наличии, поставок нет
76 0340539

Пластина трима, Редуктор (TRIM TAB, Gearcase)

нет в наличии, поставок нет
76 0332475

   (последний код) TRIM TAB, PLASTIC

нет в наличии, поставок нет
77 0335021

Винт, Пластина трима (SCREW, Trim tab)

нет в наличии, поставок нет
77 0330930

   (последний код) SCREW

нет в наличии, поставок нет
79 0341038

Пластина корпуса крыльчатки. Stainless Steel (PLATE, Impeller housing. Stainless Steel)

нет в наличии, поставок нет
79 0336251

   (последний код) PLATE

нет в наличии, поставок нет
79 0341187

Пластина корпуса крыльчатки. хромированная пластина (PLATE, Impeller housing. Chrome Plated)

нет в наличии, поставок нет
79 0336723

   (последний код) PLATE,IMPELLER

нет в наличии, поставок нет
80 0334897

CAM, Крыльчатка to driveВал (CAM, Impeller to driveshaft)

нет в наличии, поставок нет
81 0437059

Крыльчатка в сборе. (IMPELLER ASSY.)

нет в наличии, поставок нет
81 0765350

   (последний код) IMPELLER/O-RING AY

нет в наличии, поставок нет
82 0324981

Сальник, Крыльчатка Корпус. Also included in kit 433550 (SEAL, Impeller housing. Also included in kit 433550)

нет в наличии, поставок нет
86 0331188

Уплотнительное кольцо, Cвыше to Корпус (O-RING, Cup to housing)

5 шт370 руб.
87 0340619

Cвыше, Крыльчатка Корпус. Stainless Steel (CUP, Impeller housing. Stainless Steel)

нет в наличии, поставок нет
87 0341186

Cвыше, Крыльчатка Корпус. хромированная пластина (CUP, Impeller housing. Chrome Plated)

нет в наличии, поставок нет
88 0176421

Гребной винт, 12 1 / 4 x 15. Refer to OMC Genuine Parts Гребной винт Chart (PROPELLER, 12 1/4 x 15. Refer to OMC Genuine Parts Propeller Chart)

нет в наличии, поставок нет
88 0778774

   (последний код) PROP,AL 12.25 X 15

нет в наличии, поставок нет
89 0386787

Гребной винт Втулка в сборе. (PROPELLER BUSHING ASSY.)

нет в наличии, поставок нет
90 0332543

CONVERGING Кольцо (CONVERGING RING)

нет в наличии, поставок нет
90 0320476

   (последний код) CONVERGING RING

нет в наличии, поставок нет
91 0389145

Хромированный ремкомплект водяного насоса (CHROME PUMP KIT)

нет в наличии, поставок нет
92 0438592

Ремкомплект водяного насоса (Includes Крыльчатка hous ing) (WATER PUMP REPAIR KIT (Includes impeller hous ing))

нет в наличии, поставок нет
92 0433549

   (последний код) WATERPUMP KIT

нет в наличии, поставок нет
93 0433550

Комплект сальников редуктора (GEARCASE SEAL KIT)

нет в наличии, поставок нет
evinrude

Время выполнения запроса 1.3306519985199 сек.


 
 

данный сайт носит информационный характер и не является публичной офертой

склад запчастей для водомоторной техники